- 易迪拓培训,专注于微波、射频、天线设计工程师的培养
24位A/D转换称重数据采集系统
录入:edatop.com 点击:
摘要:研究一种用于组合秤和选别秤的高精度数据采集系统,采用具有24位分辨率的∑-△模数转换器高性能片上系统(SoC)MSC1210和应变式称重传感器设计称重数据采集系统。该系统可应用于组合称重设备、选别设备,并具有精度较高,可靠性较强的特点。
关键词:数据采集;称重;选别;组合称重;24位模数转换器;MSC1210
1 引言
组合秤又称选择组合衡器,它是由多个独立的进料出料结构的称量单元组成,电脑利用排组合原理对称量单元的载荷量自动优选组合计算出最佳、最接近目标重量值的重量组合进行包装。选别秤是检测单个产品重量与设定目标是否相符,并由分选装置自动剔除不合标准产品的包装行业设备。从实用角度出发,采用具有24位∑-△型A/D转换器的系统级单片机MSC1210结合低成本的供电解决方案与CAN控制器SJA1000以及CAN总线收发器82C250,设计一种具有CAN总线接口的24位称重数据采集系统,可应用于组合称重设备、选别设备。
2 系统硬件设计
图1为系统硬件结构图。系统硬件采用系统级单片机MSC1210直接采集传感器信号。由称重传感器产生的电压输入信号采用差分输入方式,由滤波电路直接接到MSC1210的AIN0、AIN1,经MSC1210内部A/D转换采集数据,然后将采集数据转化为CAN协议数据传输至CAN总线网络,再由触摸屏处理数据。MSC1210内置有温度传感器,便于后期数据校正,采集测量环境温度。
A/D转换数据大小仅取决于输入电压V0大小,A/D转换精度取决于参考电压V0的稳定性。V0、VREF必须取同一电源,电源波动相互抵消,对A/D转换无影响。该称重传感器最小激励电压为5 V,最小激励电流为25 mA。MSC1210提供的内部参考电压不足以驱动传感器,因此选择外部输入参考电压,同时关闭内部参考电压以减小噪声干扰和功率损耗。
基于上述原因,综合成本考虑,选用低压差线性稳压器LP2591提供5 V用以激励传感器,通过高精度电阻网络分压成2.5 V供给MSC1210作为A/D转换的参考电源。
LP2951属精密型低压差线性稳压器,初始精度0.5%,电压调整率和负载调整率可达0.05%,具有低静态电流(≤8 mA)、低压差、低温度系数(20×10-6/℃)等特点。轻载时的压差为50 mV;当其为100 mA负载时压差为380 mV。最大输出电流为100 mA。
集成的各个电阻具有参数、性能、受环境影响一致的特点,外界对其干扰(如电源变化、温度变化)能在分压比中相互抵消。采用并联电阻的分压电路有助于减小温漂,提高稳定性。
2.2 A/D转换器
高精度数据采集核心在于A/D转换器的参数指标。即量程、有效分辨率和转换时间等。
MSC1210通过可编程增益放大器(PGA)和偏移D/A转换器(ODAC)改变量程以增加输入信号的动态范围。MSC1210通过改变本身的PGA来改变量程以适应不同的传感器输入电压。如果AIN0作为同相差分输入通道,其他任何一个通道都可作为反相差分输入通道。这里选择AIN0、AIN1作为输入传感器输入电压的前向通道。PGA的模拟输入通过ODAC最多被偏置到输入范围的一半,由于ODAC引入了模拟偏置量而非数字量到PGA,所以使用ODAC不会降低A/D转换器的性能。
该系统要求输入信号的动态范围为0~4 000 g,最小输入分辨率为0.1 g,同时根据A/D转换器线性输入、输出特性,A/D转换器满量程电压与所分辨最小电压的比值和相应重量输出比值相等。系统必须保证最终测量结果具有16位的精度。考虑系统电源电压漂移、温度漂移等其他因素,因此要求A/D转换至少应达到18 bit的实际转换精度。因此,MSC1210能够满足系统设计要求。
2.3 温度测量
MSC1210内置温度传感器便于后期数据校正,采集测量环境的温度。由于其内部二极管提供温度传感功能,当输入多路复用器的设置寄存器所有位都为1时,二极管就连到A/D转换器的输入端,所有通道打开。
2.4 CAN总线数据通讯
SJA1000的AD0~AD7连接到MSC1210的P0端口,CS连接到MSC1210的引脚P2_7。P2_7引脚为0时,CPU片外存储器地址选中SJA1000,CPU通过这些地址对SJA1000执行相应的读/写操作。SJA1000的RD、WR、ALE分别与MSC1210的对应引脚相连,INT引脚接MSC1210的INT0,MSC1210可通过中断方式访问SJA1000。
为增强CAN总线节点的抗干扰能力,SJA1000的TX0和RX0通过高速光耦6N137与82C250相连,这样就实现总线上各CAN节点间的电气隔离。采用小功率电源隔离模块B05-05S将光耦部分的两个电源完全隔离。通过隔离提高了节点的稳定性和安全性,如图2所示。

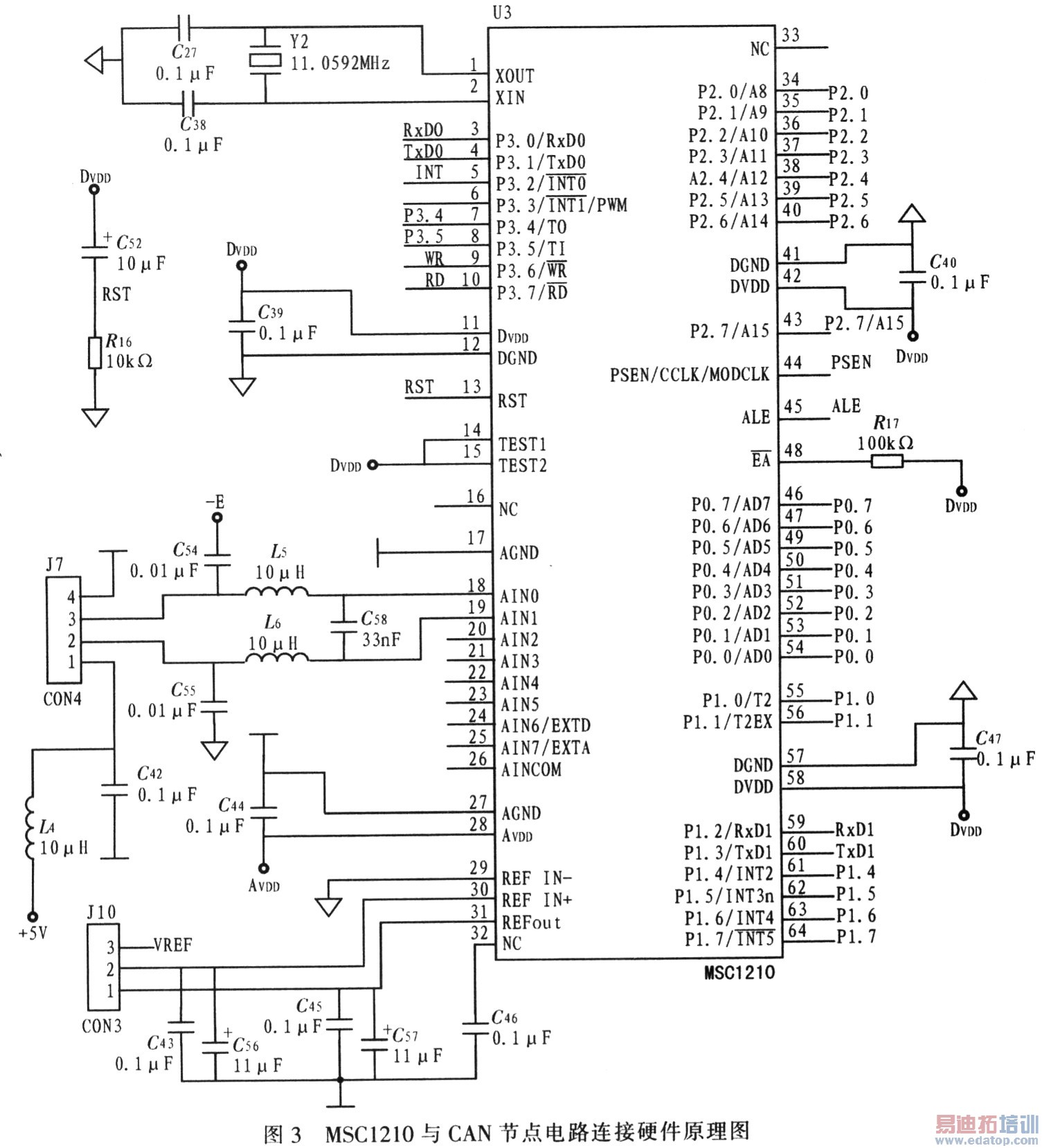
传感器电压输出信号经过滤波后直接接MSC1210的AIN0,AIN1;MSC1210内部A/D转换的参考电压为LP2951,输出电压经精密电阻网络分压得到,如图3所示。
关键词:数据采集;称重;选别;组合称重;24位模数转换器;MSC1210
1 引言
组合秤又称选择组合衡器,它是由多个独立的进料出料结构的称量单元组成,电脑利用排组合原理对称量单元的载荷量自动优选组合计算出最佳、最接近目标重量值的重量组合进行包装。选别秤是检测单个产品重量与设定目标是否相符,并由分选装置自动剔除不合标准产品的包装行业设备。从实用角度出发,采用具有24位∑-△型A/D转换器的系统级单片机MSC1210结合低成本的供电解决方案与CAN控制器SJA1000以及CAN总线收发器82C250,设计一种具有CAN总线接口的24位称重数据采集系统,可应用于组合称重设备、选别设备。
2 系统硬件设计
图1为系统硬件结构图。系统硬件采用系统级单片机MSC1210直接采集传感器信号。由称重传感器产生的电压输入信号采用差分输入方式,由滤波电路直接接到MSC1210的AIN0、AIN1,经MSC1210内部A/D转换采集数据,然后将采集数据转化为CAN协议数据传输至CAN总线网络,再由触摸屏处理数据。MSC1210内置有温度传感器,便于后期数据校正,采集测量环境温度。

A/D转换数据大小仅取决于输入电压V0大小,A/D转换精度取决于参考电压V0的稳定性。V0、VREF必须取同一电源,电源波动相互抵消,对A/D转换无影响。该称重传感器最小激励电压为5 V,最小激励电流为25 mA。MSC1210提供的内部参考电压不足以驱动传感器,因此选择外部输入参考电压,同时关闭内部参考电压以减小噪声干扰和功率损耗。
基于上述原因,综合成本考虑,选用低压差线性稳压器LP2591提供5 V用以激励传感器,通过高精度电阻网络分压成2.5 V供给MSC1210作为A/D转换的参考电源。
LP2951属精密型低压差线性稳压器,初始精度0.5%,电压调整率和负载调整率可达0.05%,具有低静态电流(≤8 mA)、低压差、低温度系数(20×10-6/℃)等特点。轻载时的压差为50 mV;当其为100 mA负载时压差为380 mV。最大输出电流为100 mA。
集成的各个电阻具有参数、性能、受环境影响一致的特点,外界对其干扰(如电源变化、温度变化)能在分压比中相互抵消。采用并联电阻的分压电路有助于减小温漂,提高稳定性。
2.2 A/D转换器
高精度数据采集核心在于A/D转换器的参数指标。即量程、有效分辨率和转换时间等。
MSC1210通过可编程增益放大器(PGA)和偏移D/A转换器(ODAC)改变量程以增加输入信号的动态范围。MSC1210通过改变本身的PGA来改变量程以适应不同的传感器输入电压。如果AIN0作为同相差分输入通道,其他任何一个通道都可作为反相差分输入通道。这里选择AIN0、AIN1作为输入传感器输入电压的前向通道。PGA的模拟输入通过ODAC最多被偏置到输入范围的一半,由于ODAC引入了模拟偏置量而非数字量到PGA,所以使用ODAC不会降低A/D转换器的性能。
该系统要求输入信号的动态范围为0~4 000 g,最小输入分辨率为0.1 g,同时根据A/D转换器线性输入、输出特性,A/D转换器满量程电压与所分辨最小电压的比值和相应重量输出比值相等。系统必须保证最终测量结果具有16位的精度。考虑系统电源电压漂移、温度漂移等其他因素,因此要求A/D转换至少应达到18 bit的实际转换精度。因此,MSC1210能够满足系统设计要求。
2.3 温度测量
MSC1210内置温度传感器便于后期数据校正,采集测量环境的温度。由于其内部二极管提供温度传感功能,当输入多路复用器的设置寄存器所有位都为1时,二极管就连到A/D转换器的输入端,所有通道打开。
2.4 CAN总线数据通讯
SJA1000的AD0~AD7连接到MSC1210的P0端口,CS连接到MSC1210的引脚P2_7。P2_7引脚为0时,CPU片外存储器地址选中SJA1000,CPU通过这些地址对SJA1000执行相应的读/写操作。SJA1000的RD、WR、ALE分别与MSC1210的对应引脚相连,INT引脚接MSC1210的INT0,MSC1210可通过中断方式访问SJA1000。
为增强CAN总线节点的抗干扰能力,SJA1000的TX0和RX0通过高速光耦6N137与82C250相连,这样就实现总线上各CAN节点间的电气隔离。采用小功率电源隔离模块B05-05S将光耦部分的两个电源完全隔离。通过隔离提高了节点的稳定性和安全性,如图2所示。

传感器电压输出信号经过滤波后直接接MSC1210的AIN0,AIN1;MSC1210内部A/D转换的参考电压为LP2951,输出电压经精密电阻网络分压得到,如图3所示。


上一篇:普通PCI接口的高速数字信号处理板卡设计
下一篇:用Power5虚拟技术整合服务器


