- 易迪拓培训,专注于微波、射频、天线设计工程师的培养
并行D/A转换器AD7237A及其接口设计
录入:edatop.com 点击:
1. 引言
AD7237A是美国AD公司推出的一种LC2MOS型双路12位数模转换器。它具有高速、低功耗、宽工作电压等特点,在工业上得到了广泛应用。本文简要地介绍了AD7237A的基本结构和引脚功能。然后,详细地阐述了它在计算机接口扩展卡设计中的应用方法。
2. AD7237A的基本结构及引脚功能
AD7237A是一种完全的双路12位电压输出数模转换器,带有输出放大器和内置参考电压源。并具有下列主要特点:
●高速:典型数据建立时间为30ns;
●低功耗:在单极输出的情况下,典型功耗为165mW;
●工作电压为:12~15V;
●(8+4)位数据锁存结构。
AD7237A是工业型AD7237的改进型,与AD7237的主要区别在于:AD7237A的工作电压范围广(12V~15V),转换速度快,抗VDD电压干扰性能好(VDD的波动范围为±10%)。
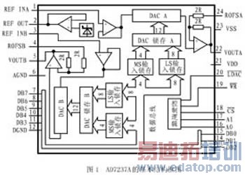
图1为AD7237A的基本结构框图。AD7237A主要包括四个部分:参考电压源,控制逻辑电路,A路数模转换器和B路数模转换器。片内集成有参考电压源供用户使用,当工作电源电压达到12V时,即使工作电源电压波动±10%,在第2脚REF OUT仍输出标准5V电源,。控制逻辑电路有5个控制信号:CS、WR、A1、A0、LDAC,用来控制AD7237A完成各种功能,A路数模转换器由参考电压输入电路、两级数据锁存器、电阻网络和输出放大器组成,B路数模转换器和A路完全一样。AD7237A的引脚功能如表1所列。
AD7237A是美国AD公司推出的一种LC2MOS型双路12位数模转换器。它具有高速、低功耗、宽工作电压等特点,在工业上得到了广泛应用。本文简要地介绍了AD7237A的基本结构和引脚功能。然后,详细地阐述了它在计算机接口扩展卡设计中的应用方法。
2. AD7237A的基本结构及引脚功能
AD7237A是一种完全的双路12位电压输出数模转换器,带有输出放大器和内置参考电压源。并具有下列主要特点:
●高速:典型数据建立时间为30ns;
●低功耗:在单极输出的情况下,典型功耗为165mW;
●工作电压为:12~15V;
●(8+4)位数据锁存结构。
AD7237A是工业型AD7237的改进型,与AD7237的主要区别在于:AD7237A的工作电压范围广(12V~15V),转换速度快,抗VDD电压干扰性能好(VDD的波动范围为±10%)。
图1为AD7237A的基本结构框图。AD7237A主要包括四个部分:参考电压源,控制逻辑电路,A路数模转换器和B路数模转换器。片内集成有参考电压源供用户使用,当工作电源电压达到12V时,即使工作电源电压波动±10%,在第2脚REF OUT仍输出标准5V电源,。控制逻辑电路有5个控制信号:CS、WR、A1、A0、LDAC,用来控制AD7237A完成各种功能,A路数模转换器由参考电压输入电路、两级数据锁存器、电阻网络和输出放大器组成,B路数模转换器和A路完全一样。AD7237A的引脚功能如表1所列。
![]() |
![]() |




