- 易迪拓培训,专注于微波、射频、天线设计工程师的培养
基于TMS320C6713和MAX1420的高速数据采集系统设计
录入:edatop.com 点击:
另外,系统若要实现时分采集多路数据,为简化系统设计,只需在MAX1420前端加载多路模拟开关。使用AD7503就可实现8路模拟开关,从而实现多路数据采集。
2.3 通信接口模块设计
本系统的通信接口有标准RS232和USB2.0两种接口。由于TMS320C6713片上有标准同步串行接口,若与外部同步串行通信,只需采用MAX3232完成TTL电平与EIA电平的转换。若采用异步串行接口.则可采用TL16C550实现该功能。这里采用FT245BM器件完成USB2.0接口,该器件主要功能是进行USB与并行I/O口之间的协议转换。一方面可从主机通过USB接口接收数据,并将其转换为并行I/O口的数据流格式发送给外设;另一方面外设可通过并行I/O接口将数据转换为USB的数据格式传输至主机。中间的并行I/O接口与USB的协议转换全部南该器件自动完成。与PC机通信时上位机软件只需采用VB或VC结合控制时序即可实现。
FT245BM内部主要由USB收发器、串行接口引擎(SIE)、USB协议引擎和先进先出(FIFO)控制器等构成。USB收发器提供USB2.0的全速物理接口到USB总线,支持UHCI/OHCI主控制器;串行接口引擎实现USB数据的串/并双向转换,并遵循USB规范完成USB数据流的位填充/位反填充,以及循环冗余校验码(CRC5/CRC16)的产生和检错;USB协议引擎管理来自USB设备控制端口的数据流;FIFO控制器处理外部接口和收发缓冲区间的数据转换。
FIFO控制器实现与DSP主机的接口,主要通过8根数据线D0~D7及读写控制线实现与DSP的数据交互。FT245BM内含2个FIFO数据缓冲区:128 B接收缓冲区和384 B发送缓冲区,用于缓存USB数据与并行I/O口数据交换。另外,FT245BM还内置3.3 V稳压器,6 MHz振荡器、8倍频的时钟倍频器、USB锁相环和EEPROM接口。FT245BM的8位数据线与系统总线的低8位相连,其时序由DSP的控制总线控制,图3为其外围电路。
2.4 数据存储模块设计
为了避免系统所采集的数据因意外断电或通信故障而丢失,设计相应的数据存储模块。这里选用SAMSUNG公司的K9F1G16Q0M型Flash存储器,片上容量为1Gb,具有16位地址总线,将其与数据总线相连,并与数据线的低8位复用。64 MB存储空间需要16位地址总线,这就需要在使用时按照时序要求将地址用系统数据总线分2次写入。K9F1G16Q0M具有6根控制总线,均由DSP的控制线和地址线经CPLD译码产生,而其工作状态R/B则传输给DSP的INT端。相应接口电路如图4所示。
3 系统软件设计
该系统以DSP为中央控制器,实现A/D采样、数据存储、与上位机通信等功能。由于DSP的选型,故软件开发平台是针对TMS320系列DSP的集成开发环境CCS(Code Composer Studio)。采集系统处于循环采样状态,根据被采样信号特点选择合适采样速率。对于较大数据,DSP采用压缩技术,以节约内存空间。完成一组数据的采集后,将数据通过USB2.0接口传送给上位机,并有选择地在系统的Flash中备份数据。图5为该系统主程序流程。
4 测试结果分析
经测试,以MAX1420与TMS320C6713为核心的数据采集系统,以50~60 Ms/s的采样速率可稳定工作,并实时备份数据。由于采用USB接口,可方便将采集数据上传至上位机,且上位机软件开发方便,也可在Windows XP平台下直接读取。该系统采用DSP控制,除完成数据采集外,还可实时信号处理数据。在测试中,系统实时采集数据进行滤波和频谱分析等算法处理。需要指出的是,由于MAX1420和TMS320C6713的封装较小、引脚密,且系统工作频率较高,故在PCB版图设计和系统调试中,必须注意电磁兼容(EMC)问题,否则系统难以稳定工作。
5 结束语
以高速A/D转换器与DSP为核心,设计开放式高速数据采集系统。该系统在采集过程采用中断触发方式,最高速度达60 Ms/s。可高速实时采集有关图像、声音等物理量。该系统设计不仅开放、高速、高精度,而且体积小、低功耗、可靠性高,因此还可用于其他便携式采集设备。由于系统采用DSP为核心控制器,具有强大的数字信号处理功能,可通过编程设置实现系统数字信号处理功能,而无需增加新硬件。
编辑:博子
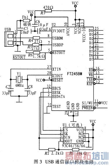
2.3 通信接口模块设计
本系统的通信接口有标准RS232和USB2.0两种接口。由于TMS320C6713片上有标准同步串行接口,若与外部同步串行通信,只需采用MAX3232完成TTL电平与EIA电平的转换。若采用异步串行接口.则可采用TL16C550实现该功能。这里采用FT245BM器件完成USB2.0接口,该器件主要功能是进行USB与并行I/O口之间的协议转换。一方面可从主机通过USB接口接收数据,并将其转换为并行I/O口的数据流格式发送给外设;另一方面外设可通过并行I/O接口将数据转换为USB的数据格式传输至主机。中间的并行I/O接口与USB的协议转换全部南该器件自动完成。与PC机通信时上位机软件只需采用VB或VC结合控制时序即可实现。
FT245BM内部主要由USB收发器、串行接口引擎(SIE)、USB协议引擎和先进先出(FIFO)控制器等构成。USB收发器提供USB2.0的全速物理接口到USB总线,支持UHCI/OHCI主控制器;串行接口引擎实现USB数据的串/并双向转换,并遵循USB规范完成USB数据流的位填充/位反填充,以及循环冗余校验码(CRC5/CRC16)的产生和检错;USB协议引擎管理来自USB设备控制端口的数据流;FIFO控制器处理外部接口和收发缓冲区间的数据转换。
FIFO控制器实现与DSP主机的接口,主要通过8根数据线D0~D7及读写控制线实现与DSP的数据交互。FT245BM内含2个FIFO数据缓冲区:128 B接收缓冲区和384 B发送缓冲区,用于缓存USB数据与并行I/O口数据交换。另外,FT245BM还内置3.3 V稳压器,6 MHz振荡器、8倍频的时钟倍频器、USB锁相环和EEPROM接口。FT245BM的8位数据线与系统总线的低8位相连,其时序由DSP的控制总线控制,图3为其外围电路。
![]() |
2.4 数据存储模块设计
为了避免系统所采集的数据因意外断电或通信故障而丢失,设计相应的数据存储模块。这里选用SAMSUNG公司的K9F1G16Q0M型Flash存储器,片上容量为1Gb,具有16位地址总线,将其与数据总线相连,并与数据线的低8位复用。64 MB存储空间需要16位地址总线,这就需要在使用时按照时序要求将地址用系统数据总线分2次写入。K9F1G16Q0M具有6根控制总线,均由DSP的控制线和地址线经CPLD译码产生,而其工作状态R/B则传输给DSP的INT端。相应接口电路如图4所示。
![]() |
3 系统软件设计
该系统以DSP为中央控制器,实现A/D采样、数据存储、与上位机通信等功能。由于DSP的选型,故软件开发平台是针对TMS320系列DSP的集成开发环境CCS(Code Composer Studio)。采集系统处于循环采样状态,根据被采样信号特点选择合适采样速率。对于较大数据,DSP采用压缩技术,以节约内存空间。完成一组数据的采集后,将数据通过USB2.0接口传送给上位机,并有选择地在系统的Flash中备份数据。图5为该系统主程序流程。
![]() |
4 测试结果分析
经测试,以MAX1420与TMS320C6713为核心的数据采集系统,以50~60 Ms/s的采样速率可稳定工作,并实时备份数据。由于采用USB接口,可方便将采集数据上传至上位机,且上位机软件开发方便,也可在Windows XP平台下直接读取。该系统采用DSP控制,除完成数据采集外,还可实时信号处理数据。在测试中,系统实时采集数据进行滤波和频谱分析等算法处理。需要指出的是,由于MAX1420和TMS320C6713的封装较小、引脚密,且系统工作频率较高,故在PCB版图设计和系统调试中,必须注意电磁兼容(EMC)问题,否则系统难以稳定工作。
5 结束语
以高速A/D转换器与DSP为核心,设计开放式高速数据采集系统。该系统在采集过程采用中断触发方式,最高速度达60 Ms/s。可高速实时采集有关图像、声音等物理量。该系统设计不仅开放、高速、高精度,而且体积小、低功耗、可靠性高,因此还可用于其他便携式采集设备。由于系统采用DSP为核心控制器,具有强大的数字信号处理功能,可通过编程设置实现系统数字信号处理功能,而无需增加新硬件。
编辑:博子





