- 易迪拓培训,专注于微波、射频、天线设计工程师的培养
一种高效新型WCDMA 直放站PA方案的设计与实现
随着3G 技术的发展,系统容量的不断提高,对系统的线性要求越来越高。功放作为通信系统的主要非线性单元,其性能的改善在整个系统中的作用至关重要。单纯采用用功率回退的方法去满足线性要求越来越困难,同时也难以满足日益提高的效率要求。因而使得很多线性化技术被不断应用到功放设计中。
目前已商用的线性化技术包括前馈、DPD 和模拟预失真。其中前馈技术主要的缺点是,误差环路不能同时放大有用信号,导致效率非常低;而DPD 技术主要的特点是,通过处理基带信号达到预失真的效果,因此需要将射频信号先转化成基带信号,处理完成后再还原成射频信号与PA 的输出信号进行合成,完成信号的校正,其最大的缺点是系统复杂、难以调试,有效带宽受限。与以上两种线性化手段相比较,模拟预失真系统结构简单,容易调试,效率也可满足需求,因此已成为现在比较受欢迎的线性化方法。
不过,模拟预失真最重要的就是选择合适的非线性器件,其特性要和LDMOS 非常接近,才能模拟出PA 的非线性特性,最终达到预失真的效果。而这样的器件选择需要大量的实验数据和验证,这给前期研发带来很大挑战。
本文采用Scintera 公司内部集成的新型预失真芯片SC1887,配合NXP 公司的BLF6G22LS-130,使用Doherty 结构,前级推动使用BLM6G22-30G,最终完成WCDMA 30W 功率输出,为直放站客户提供了一种针对20W 整机的高效、节能的解决方案。
SC1887 预失真电路构成
与传统的模拟预失真电路相比较,SC1887 大幅简化了预失真电路的结构,减少了外围元器件的应用,从而使得整个电路更加紧凑、更易小型化;同时进一步提升了系统可靠性。实现原理如图1 所示。

图1 SC1887预失真实现框图
该电路采用了闭环结构,对消效果比传统的开环结构更优异。该芯片通过调节RFin、RFout 和FFFB 三个端口与各个巴伦之间的匹配,可以在600MHz 到2.8GHz 的带宽内正常工作。本方案采用村田制作所(Murata)的高Q 电容和低差损电感,将三个端口回波控制在18dB 以上(该板是采用Isola公司的专用板材IS680 设计的四层板)。同时可通过SPI 和计算机相连,随时监控其工作状态,使调试更加简捷高效。
具体实现方案
DXY 鼎芯实验室采用NXP 公司的高性能LDMOS,独立设计出一种实用的Doherty 结构,与模拟预失真芯片SC1887 实现了完美结合。射频方案中的预推动采用NXP RFSS BGA6589,推动级采用NXPBLM6G22-30G,末级采用NXP BLF6G22LS-130。相比于业内其他厂家的产品,NXP 的LDMOS 效率高、增益高,在高效率、大功率功放应用方面有着不可替代的优势。
其中BLF6G22LS-130 单管增益可达17dB,饱和效率55%,做成Doherty 后增益也有15-16dB,末级6dB 回退效率在40%以上。BLM6G22-30G 是塑封的集成二级IC 管,增益高达28dB,效率高,是做大功率推动级的首选方案。同时为了提高输出功率,采用研通(Yantel)高频技术公司最新推出的低插损电桥 HC2100A03。
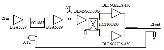
SC1887 对RFin、RFFB 两个端口的输入信号强度都有一定动态范围要求。为了与功放更好的配合,在环路内使用两个ATT 电路,实时调节主通路和反馈通路的增益范围,确保SC1887 在一定的功率输出动态范围内有很好的表现。具体实现电路原理如图2 所示。

图2 功放原理框图
测试结果分析
测试结果如表1所示。从测试数据可以看出,在Pout=44.7dBm时,对消后ACPR在52dBC以上,可以满足3GPP频谱发射模板。效率可以做到27%,比普通回退功放提高10%以上,显著减少了能耗,远远超出运营商的招标要求,符合当今节能环保、绿色低碳的发展需求。

通过分析以上测试结果可以看出,该方案有如下几大优势:
1.效率高:采用Doherty加模拟预失真的线性化技术,该方案与普通的HPA相比,效率至少提高10%以上。
2.成本低:功放管在整个功放成本中占主要地位,同样的功率输出,该方案比传统的HPA减少一半的使用量,节省成本。
3.结构简单,易于调试:简化了预失真电路的结构,减少了外围元器件的应用,使得整个电路更加紧凑,提高了整个系统的可靠性和一致性,便于生产调试。

图3 2140MHZ 测试结果

图4 WCDMA30W PA方案测试平台


