- 易迪拓培训,专注于微波、射频、天线设计工程师的培养
将直接转换推向奈奎斯特带宽所面临的挑战
低功率和高集成度
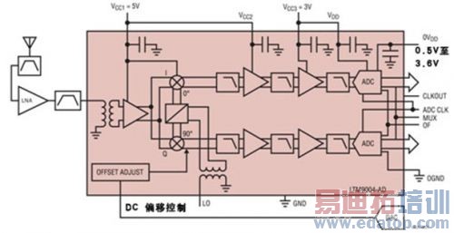
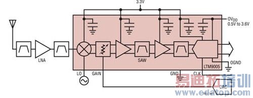
从 I/Q 调制器 / 解调器、混频器、滤波器、VGA、ADC 到 ADC 驱动器,凌力尔特公司提供一套完整的高性能信号链路产品。最近推出的 16 位 LTC2185 双通道 ADC 系列以及引脚兼容的 14 位和 12 位 LTC2145 系列提供高达 125Msps 的采样率,是市场上功耗最低的器件 (参见图 2)。凭借在信号链路设计方面的专长,凌力尔特公司已经开发出了微型模块 (μModule?) 接收器产品,这类产品集成了高速 ADC 和 RF 信号链路。LTM9004 采用直接转换架构,具有一个 I/Q 解调器、高达 20MHz 的低通滤波以及一个双通道 ADC (参见图 3)。相比之下,LTM9005 采用 IF 采样架构,具有一个下变频混频器、SAW 滤波器和一个单通道 ADC (参见图 4)。这两款器件都采用 22mm x 15mm LGA 封装,占用的电路板空间减少了大约 75%,同时集成了多个 IC 和几十个无源组件。 
图 2:16 位 / 14 位 / 12 位 125Msps 引脚兼容的 ADC 系列

图 3:LTM9004 微型模块接收器采用的直接转换架构

结论
将直接转换架构推向整个奈奎斯特带宽的动机是可以理解的,但这面临着众多的挑战。许多难题可简单地通过针对目标带宽采用一个较高的采样速率加以避免。对于 100MHz 信号带宽 (50MHz LP 滤波器、直接转换) 应用,如果需要高 SFDR,则最好避免使用有源滤波器,而采用放大器 (仅用于提供增益) 并构建 LC 滤波器。而当信号很可能为差分和 DC 耦合时,最好的做法是设计具有接地分流元件 (而不是采用并联元件) 的滤波器,即单端滤波器对。
上一篇:物联网的突破
下一篇:基于OFDM技术的4G通信网络应用


