- 易迪拓培训,专注于微波、射频、天线设计工程师的培养
德州仪器光学模块10G SFP+整体解决方案
作者:Roc Yu 德州仪器 (TI) MCU核心FAE小组
摘要
TI 10G光学模块SFP+整体解决方案是一套完整的解调演示工作光学收发器解决方案,主要应用于小型插头(SFP+)。
这种解决方案缩短了客户设计时间,从而节省客户成本,并且没有牺牲性能。通过把TI的激光驱动器ONET1101、限幅放大器ONET8501和强大的MCU MSP430组合到一个SFP+多源协议标准包中,实现上述目标。另外,文章将为您展示令人信服的设计文档和测试结果。
本应用说明为您介绍原理图、PC板布局、Gerber文件、材料清单(BOM)、固件以及图形化用户界面(GUI);不仅仅为了实现模块化,同时也用于评估板。本解决方案还介绍了组装电路板的测试装置、测试数据和典型性能。
1、引言
增强型小型插头(SFP+)是一种紧凑型、可热插拔收发器,用于10G电信和数据通信应用。这是一种流行的工业格式,由许多系统组件厂商联合开发并提供良好支持。外形尺寸和电气接口均由一个多源协议(MSA)规定。
由于拥有完整的激光驱动器、限幅放大器光学收发器应用产品线,并结合TI强大的MCU,因此TI能够为客户提供一整套SFP+设计解决方案。我们为这种10G SFP+选择ONET1101 11.3G激光驱动器、ONET8501、限幅放大器、MSP430、MCU。
本应用说明涉及10km 10G DML基础SFP+设计详细内容和测试解决方案:包括模块端原理图、PCB布局、固件、BOM、调试技巧;另外还包括评估板原理图、PCB布局、GUI、BOM和测试结果。
2、SFP+模块图

SFP+包括一个收发器(激光驱动器ONET1101+DML NEC NX8341)、一个接收机(ROSA+限幅放大器ONET8501)和一个控制模块(MCU MSP430FR5738)。
3、发送器
发送器把电信号转换为光信号。
激光驱动器ONET1101放大输入信号为调制信号,并向DML提供偏置DC电流。
ONET1101L是一种高速、3.3V激光驱动器,用于以2到11.3Gbps数据速率直接调制激光器。
3.1发送器原理图:
ONET1101L拥有一个双线串行接口,帮助数字控制调制,并且具有偏流和交叉点,从而无需外部组件。ONET1101L也有一个集成自动功率控制(APC)环路,以及支持激光器安全和收发器管理系统的电路。
利用数字控制接口功能,ONET1101L让设计人员将精力集中于高速路径和阻抗匹配,以获得最佳性能。
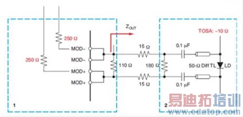
下列原理图显示了典型DML的最佳阻抗结构。

3.2 PCB布局
分布式反馈(DFB)激光器是一种低电阻组件,其一般为7?到10?。
灵活的PCB线缆常常为一个25?单端线路
灵活线缆与TOSA之间互联存在反射。
精心布局和阻抗匹配的电路,对获得更高的性能至关重要。
这种解决方案有一个演示工作布局,如下所示:

3.3 计算方法
ONET1101L激光二极管驱动器经过优化,以驱动50?差动输出传输阻抗。
低功耗设计时,它拥有一个500?差动后端接。由于LR DFB TOSA仅有10?阻抗(近似值),因此如果没有添加传输电路反射情况更糟糕。传输电路的作用是驱动负载阻抗从驱动器端靠近50?。
输出阻抗:MOD±输出的差动电阻为:

典型RTOSA约为10?,优化后的R1~R4为:

则ZOUT为:


上一篇:基于G.729
压缩语音流隐蔽通信系统设计方案
下一篇:基于ZigBee技术的TD-SCDMA网络宜居通终端产品的研究


