- 易迪拓培训,专注于微波、射频、天线设计工程师的培养
基于AT89C52单片机实现短距离无线通信
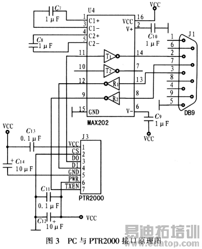
3.3 PC机与PTR2000接口电路的设计
该接口电路设计首先需进行电平转换。PC机的串口支持RS-232标准,而PTR2000模块支持TTL电平,选择MAX232器件进行两者间的电平转换,接口电路如图3所示。PTR2000模块进行串行输入、输出,引脚DI、DO通过电平转换器件和PC机串口相连;PTR2000的低功耗控制引脚。PWR接高电平VCC,即PTR2000固定工作在正常工作状态;频道选择引脚CS接GND低电平,即采用固定通信频道1,固定工作在433.92 MHz;PC机串口的RTS信号控制TXEN引脚,以决定PTR2000模块何时为接收和发射状态。PC机和串口的传输速率设定为9 600 b/s,和单片机保持一致。

4 软件设计
无线通信系统的软件设计包括单片机端和PC机端两部分,两部分软件相互配合,设置各自的PTR2000模块的工作状态。
4.1 PTR2000模块程序设计
单片机和PC机端软件配合设置PTR2000的状态(发射或接收),选择固定的通信频道1(CS=0),并让PTR2000模块一直处于正常工作状态(PWM=1)。无线通信实现过程如下:
(1)发送在发送数据之前,应将PTR2000模块置于发射模式,即TXEN=1。然后等待至少5 ms后(接收到发射的切换时间)才可发射数据。发送结束后,应将模块置于接收状态,即TXEN=0。
(2)接收应将PTR2000置于接收模式,即TXEN=0。单片机不发送的绝大部分时间都处于接收状态。当单片机端发送时,PC机端应为接收;当PC机端发送时,单片机端应为接收。
4.2 串行无线通信协议设计
无线通信中,由于外部环境的干扰,通常误码率较高,因此通信协议的设计对保证通信的可靠性十分重要。协议的设计主要是帧结构的设计,在该无线通信系统中,存在指令帧和数据帧。数据帧的内容包括起始字节、数据长度字节、数据字节、结束字节和校验和字节,如表2所示。

起始字节定义为"rdquo;字符,其数值为0x24;结束字节定义为"*"字符,其数值为0x2A。
采用校验和的方法进行帧的校验,将所有字节相加,然后将结果截短到所需的位长。发送端对待发送的数据进行校验和计算,将校验和值放在数据后一起发送;在接收端,对接收到的数据进行校验和计算,然后与收到的校验和字节比较,进行误码判断。
对于单片机,指令帧主要有3种:PC机发送给单片机的请求发送指令、错误/超时重发指令、单片机发给PC机的发送完毕指令。在该系统设计中指令帧采用数据帧的格式,将其中的。数据字节固定为一个字节,根据定义的字节判断数据状态。
4.3 程序流程
单片机开始需将无线数据传输模块PTR2000设置处于接收状态,通过串口中断识别由PC机通过无线信道传输来的指令,根据接收指令的内容采集数据并启动发送。发送前需将PTR2000模块设置为发射状态,且等待5 ms才可发送,发送完毕后,向PC机端发送"发送结束指令",并将PTR2000模块重设为接收状态。图4为系统软件设计流程图。

5 结束语
单片机无线通信系统设计基于PTR2000无线数据传输解决方案,可实现小于300 m的短距离通信,通过实验验证该无线数据传输系统运行良好,单片机控制得相当准确。在应用时将系统作为一个模块可方便地移植,以便构建更为复杂的无线通信网络,可应用于小型无线网络、无线抄表、小区传呼、工业数据采集系统、安全防火系统等领域,具有一定实用价值。


