- 易迪拓培训,专注于微波、射频、天线设计工程师的培养
无线紧急呼救系统的设计
现代社会,老人独自在家出现紧急的情况时,不能打电话或者呼救。本文设计一个无线紧急呼救系统,这样可以使家中的老人出现意外时,在手持端一键即可自动接通子女的电话,并通过手持端及时与子女通话。该系统由单片机AT89C51构成主控部分,进行主要的信息处理,并接收外部操作指令形成各种控制信号。
1 系统的硬件设计
当出现紧急险情,按下无线紧急呼救控制器的紧急按扭,无线紧急呼救器发出急呼救信号。这个呼救信号是作为紧急呼救器的触发开关信号,它使与家中电话线相连接的无线呼救系统的主控端开始工作。无线紧急呼救系统被触发工作之后,单片机就会把存储于其中的电话号码逐一调出,通过由MT8880双音多频电路把这些数字号码转换成双音多频信号,最后再将这一双音多频信号发向电话网络中,通过电话网络使无线紧急呼救系统可以与电话网络中另一个用户之间通话,报告紧急情况。如果无线紧急呼救系统发出的第一个号码或前几个号码无人接听或无法接通,无线紧急呼救系统将会按照设定的规则继续把存储于单片机内的电话号码拨出,就这样循环下去直到电话网络中的用户有人接听为止。
该系统以单片机为核心,由DTMF拨号电路、遥控发射及接收电路、电话号码存储电路和免提通话电路四部分组成。当有险情发生时,按下呼救器或遥控器上的紧急按钮,单片机检测到该信号后,将存储在单片机内的电话号码或手机号码发送出去,接通电话后可以实现呼救器与电话的免提对讲。此外,由于该系统存储在一片带IC总线接口的E2PROM芯片中,所以该号码可以随时修改。
1.1 无线紧急呼救系统的手持端
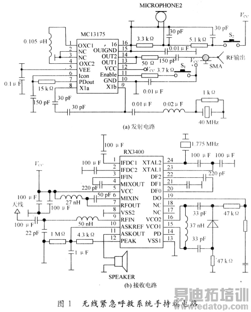
无线紧急呼救系统由无线发射电路(图1(a))和无线接收电路(图1(b))两部分组成。由图1(a)可知当按下S2按钮时,可以使MC13175/13176的Imod端得到一个脉冲信号,通过MC13175/13176的调制后发射出去,触发无线紧急呼救系统的话机端工作,实现无线紧急呼救。它最大输出功率可达到+10 dBm。当通过无线紧急呼救系统的紧急呼救时,可以使用此部分电路中的MCROPHONE拾音并发射出去,与无线紧急呼救系统的话机端实现无线通话。而由话机端送来的语音信号由接收电路RX3400接收,并由SPEADKER转换为声音。

作者:付广春 张伟 余泽通 来源:现代电子技术
上一篇:3G下移动网络演进及其对网络的影响
下一篇:基于GSM模块的移动购物系统设计


