- 易迪拓培训,专注于微波、射频、天线设计工程师的培养
ZigBee技术在LED路灯照明系统中的应用
摘要:本文将当前LED路灯照明与传统路灯照明进行了比较,将ZigBee技术应用于LED路灯照明系统,组建了Zig-Bee无线传感器网络。详细设计了该系统的硬件电路及软件。经对比,此系统比传统系统在节省布线,降低成本方面有显着的优势。
随着我国城市化步伐的加快,城市照明建设作为体现城市形象的作用日益受到重视,在城市照明系统中,如何节约能源,提高路灯能源的利用率已成为急需解决的问题。而ZigBee技术以其低功耗、通信可靠、网络容量大等特点为路灯自动控制领域提供了较合适的解决方案。LED路灯节能控制系统就是通过采用ZigBee技术与各种新型传感器、功率控制器结合,实现路灯的智能控制,节约了大量能源。
1 ZigBee技术简介
随着数字通信和计算机技术的发展,无线技术的网络化、标准化要求逐渐出现在人们面前,ZigBee技术便是其中之一。ZigBee技术是依据IEEE802.15.4标准的一种短距离、低复杂度、低功耗、低数据速率、低成本的无线网络技术,主要应用在短距离范围内并且数据传输速率不高的各种电子设备之间,在数千个微小的传感器之问相互协调实现通信。
ZigBee采用了2003年发布的IEEE802.15.4协议标准作为其物理层和媒体接入(MAC)层的标准协议。2001年8月成立的ZigBee技术联盟为不同厂家生产的设备提供了统一的解决方案,解决其相互问的兼容性问题。ZigBee技术的网络层由ZigBee技术联盟制定,应用层则由用户根据自己的应用需要对其开发利用。
2传统路灯的控制方式
传统的路灯控制方式有人工控制,时控方式,电力载波控制,GSM短消息控制,CDPD(CellularDigital Packet Data)蜂窝数字分组数据等。人工方式是工作人员根据开关灯的时间表手动进行开关灯的操作,时控方式是以时间作为开关灯的唯一根据,电力载波控制易受电力线强磁场的干扰,GSM短消息控制必须通过手机,费用较高。上述五种传统的路灯控制方式存在的问题是:运行操作结果不能集中监视,记录和统计,达不到量化管理的要求,不适应城市现代化的发展。
在路灯的控制方面,ZigBee技术结合传感器技术组成的网络同样解决传统控制中存在的问题:1)选用特殊的亮度传感器可以实时采集光亮强度,大大降低了特殊环境,特殊时间误开误关的几率,脱离了人工干预。2)ZigBee技术采用直接序列扩频技术,保证信号传输的可靠性,避免其他信号的干扰。3)CC2430芯片的低功耗,延时短,协议框架简单,安装方便。
3 LED路灯照明与传统的路灯照明的比较
我国"十一五"规划明确提出了节能减排的主要目标,单位国内生产总值能源消耗比"十五"期末降低20%左右,主要污染物排放总量减少10%.全球每年照明用电要达到2 400亿度以上,如果一半的传统照明光源被I.ED照明光源取代可节省700亿度电,相当于700亿元。在环保方面,中国每年至少要用30亿个灯泡和日光灯管,产生30万t很难回收的玻璃垃圾,还有2万1Kg的剧毒汞,对环境造成巨大的污染。随着LED行业技术发展的不断成熟,加上国家政策的支持和导向,目前国内外众多传统照明巨头纷纷投入到半导体照明的开发中,根据"十一五"规划,未来我国将开展十大节能工程,其中绿色照明,推广高效节电照明系统将是一个重要内容。
目前道路照明仍以高压钠灯或金卤灯光源为主,LED照明主要采用LED作为发光光源。LED路灯尚处于示范推广向大规模应用的过渡阶段。但是随着产品稳定性的提升和产品价格的下降,I.ED路灯具有非常强的成长性。相对于传统路灯,LED照明道路具有以下优势:
1)扩大了照明范围,2)提高了照明均匀度,3)低能耗(相同照度下能耗仅为高压钠灯的40%,节能50%以上),4)长寿命(有效使用寿命长达70 000h),5)智能控制,免维护,环保无污染等。
4 LED照明控制系统的总体设计
照明控制的节能是全球普遍关注的问题,照明节能一般可以通过两条途径实现:一是使用高效的照明装置(例如光源,灯具和镇流器),二是智能感应的控制,在需要照明时使用,不需要照明时关断,尽量减少不必要的开关灯时间,开关灯的数量和过高的照明亮度,这点就需要通过照明控制实现,即ZigBee技术。本文正是从这两个方面为出发点设计了此系统。
通常,LED照明控制系统包括:传感器单元、无线收发与处理器控制单元、LED驱动电路与照明单元、控制中心路灯监控与管理系统单元。本系统采用树型无线网络拓扑结构对路灯进行多条路由控制,系统里控制中心的监控系统作为整个系统的协调器,若干个FFD设备作为路由节点,RFD设备作为系统的终端节点。网路协调器负责建立网络和管理网络,显示相关的控制信息和当前路灯自动控制无线网络系统状况。FFD路由节点可以安装在道路旁边,连接成串状作为无线节点的中继控制器,可以转发下一级的每个节点上传的信息,达到远程控制的目的。同时它可以作为灯杆上的微处理器,用来控制路灯的打开和关闭。为了降低成本,RFD节点作为系统中的末端节点放置在路的尽头。它按照接收到的无线信号指令控制自己的路灯状态。
5 LED照明控制系统的硬件设计
无线智能照明系统的网络节点分为协调器、路由器和终端节点3种。其中,协调器的硬件结构框图如图1所示。

图1协调器的硬件框图
协调器节点带有4个独立按键,用来设置整个系统的参数和发送控制命令,24×2字符(5×8点阵)是汉字字符点阵液晶模块用于显示网络状态信息。微控制器输出开关量直接完成对照明灯的开关控制。另外,协调器节点还带有亮度传感器,用于感测现场的亮度信息。当亮度传感器测得光线太亮,如晴朗的白天,即可自动关闭路灯,当亮度传感器测得光线太暗,如夜晚或者阴雨天,即可调高路灯亮度。
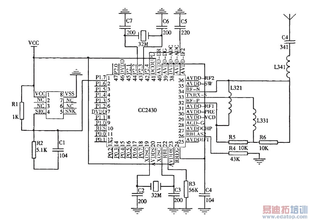
系统只需在一个节点上集成亮度传感器,即可通过ZigBee网络向各个灯节点传输控制信息,实现对整个照明系统的智能控制、成本低廉,也可以一个节点上增加多个传感器备用。当然也可以将亮度传感器做成一个单独的ZigBee网络节点,用于感测现场不同位置的亮度信息。图2是系统的硬件电路图。

图2系统的硬件电路图
本设计采用CC2430无线通信模块,CC2430芯片是首款符合ZigBee技术标准的系统单芯片,片内集成增强的8051微控制器内核和符合IEEE802.15.4标准的2.4 GHz射频收发器,具有优良的无线接收灵敏度和强大的抗干扰性能,处于休眠模式时整个芯片的电流消耗小于0.9uA,从硬件上支持CSMA/CA机制,还集成有ADC,AES安全协处理器和USART等片上外设及丰富的I/O口资源,只需添加晶振等少量的元器件即可完成ZigBee节点的设计。由于CC2430中带有一个8位的8051微控制器,所以在硬件设计中可以省去了微控制器模块,降低传感器节点的成本,减小传感器节点的体积。但是此设计中加入微控制器模块,为了适应更高的性能要求。CC2430的射频信号是采用差分方式,本设计采用50Ω单极子天线。
1 2

