- 易迪拓培训,专注于微波、射频、天线设计工程师的培养
一种基于公话网的智能家居系统设计方案
图6中SIGN为音频偶合变压器与信号音检测电路的接口, TONE 为双音多频(DTMF)号码收发电路的接口, SP +与SP–为语音播放电路的接口。
摘机电路:由MCU 控制继电器JP1 来实现。
当MCU的P36端口送出高电平时,三极管Q1导通,继电器JP1动作, JP1的接点7和8与电话外线相连,并通过R2等元件构成摘机回路;当P36端口送出低电平时,则摘机回路断开,回到挂机状态。
铃流检测电路:用于家电的远程控制。 电话振铃信号是40 ±15 V /25 Hz的正弦波。 当该信号到来时, 电话线路上的正弦波信号叠加在直流电压上变成90 ±15 V 电压, 经过整流后击穿稳压管D6再驱动光电耦合器Q2,从Q2的C极输出方波信号送至MCU的INT0中断口,累计振铃次数,达到预定次数MCU则控制自动摘机,进行家电的远程控制处理。
3) 信号音检测电路。 主要由信号音专用检测芯片CR6230来完成,其信号输入管脚SIGN与音频变压器的管脚4相连,可准确识别电话线路的拨号音、回铃音、忙音、催挂音等各种信号音,其状态通过4个管脚输出,再连至MCU的端口。 MCU只需读取端口即可。
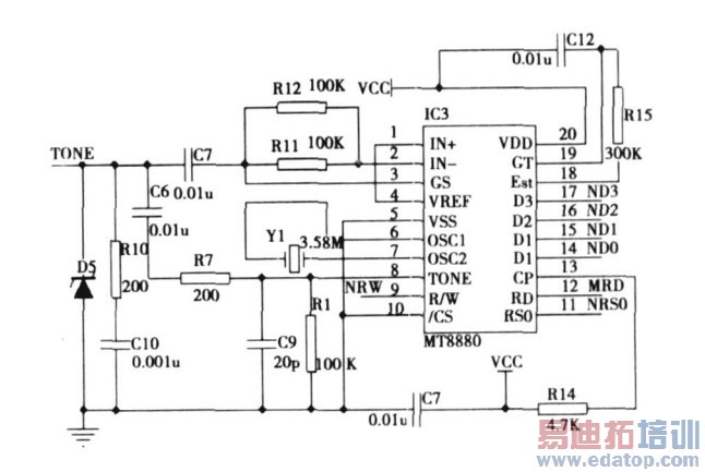
4) 号码和操作码的收发电路。 主要完成电话号码的发送(拨号)及远程控制操作码的接收(收号)。 由于公共电话网上的号码与信令都是以DTMF制式来传输的,所以决定采用M ITEL 公司的DTMF收发专用集成电路MT8880,如图7所示。 该元件的DTMF 信号的输入( IN - ) /输出( TONE)端通过外围放大电路与音频变压器的第2管脚相连,号码的二进制数据通过管脚D3、D2、D1、D0与MCU的I/O端口相连,从而使拨号号码的DTMF信号可上传到电话线路,远端送到电话线路上的DTMF信号也可被译码成远程控制操作码由MCU读取。
图7 DTMF信号的收发电路
3 系统软件设计
本系统的软件程序包括主控程序,安防监控报警程序,定时、红外遥控信号的接收程序,振铃、拨号、收号等中断处理程序,家电远程控制程序,以及遥控器的信号发射程序等, 主要采用C语言设计。 由于篇幅所限, 这里只给出主控程序和报警程序的设计思路和处理流程。
3. 1 主控程序的设计
主控程序装载于主控板的MCU 芯片的FLASH存储器中,主要功能是完成以下功能:单片机的初始化,接收和处理遥控器发送的窗帘控制命令;在定时中断程序的配合下进行窗帘的定时开合的控制;扫描红外感应、燃气检测等传感器的输出信号,如有报警,当有人在家时(未设防)播放声音提示,无人在家时则向报警与控制板发出请求,再由该板完成电话拨号报警处理。 主控程序的处理流程如图8所示。

图8 主控程序流程
3. 2 安防监控报警程序的设计
该程序装载于报警与控制板的MCU芯片中,振铃、拨号、收号等中断处理程序也驻留在该芯片内,主要实现循环电话拨号、向摘机者播放报警留言语音,以及电话号码(及远程控制操作码)的预存、查询与更新等功能。 程序的处理流程如图9所示。

图9 安防报警程序流程
4 结束语
通过近1年的工作,基于公话网的智能家居系统已完成了样品的研制,经试用检测,基本上实现了设计的各项功能,具有性能稳定、功能齐全、操作简便、安装快捷等特点,适用于绝大多数的家庭和场馆大楼,可为广大公众提供一个舒适、安全、方便的生活与办公环境, 具有广泛的实用价值。
1 2 3

