- 易迪拓培训,专注于微波、射频、天线设计工程师的培养
基于电话网络的多路无线防盗报警系统
2.3LCD与按键模块
LCD接口与按键电路如图4所示。系统采用SMC1602A标准字符型液晶显示模块,可显示2行16个字符。按键采用4x4矩阵形式,单片机从KEY-DB0至KEY-DB4输入按键扫描信号,并从DB4-DB7读取按键扫描值。在不进行按键扫描时,KEY-DB0至KEY-DB4可被P1.0-P1.3内部的上拉电阻拉至高电平,此时即使有键按下,也不影响总线DB4-DB7上的数据。

图4LCD接口与按键电路
2.4语音模块
语音模块电路如图5所示。选用ISD4002语音芯片实现报警语音的录放,该芯片具有微控制器串行接口,可录放多段语音,语音信息可掉电保存于芯片内部的FLASH中。图中ISD-SS、ISD-SCLK、ISD-MOSI为与单片机连接的串行接口信号,单片机通过串行接口发送指令控制语音芯片工作。语音芯片工作于录音模式时,通过话筒采集语音并由内部电路完成录制和存储。语音芯片工作于放音模式时,语音从AUDOUT(13脚)输出,通过LM386M放大后再输出至扬声器和电话接口模块PH8810(通过信号AUDIO)。扬声器用于试听录制的语音,PH8810可将语音输出到电话网络实现语音报警。

图5语音电路
2.5电话模块
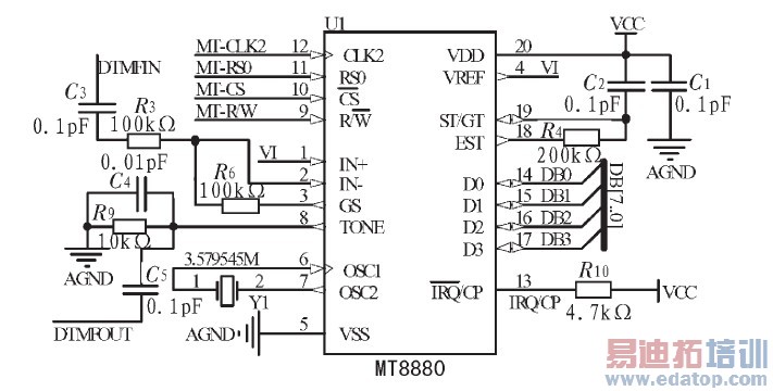
电话模块包括DTMF收发电路和电话接口电路,如图6、图7所示。MT8880为DTMF收发芯片,用于产生双音频信号和电话信号音的检测。MT8880具有单片机接口,其工作受单片机控制,图6中14-17脚为数据引脚,9-12脚为读写控制引脚。MT8880工作于双音频模式时,接收单片机传输来的电话号码并产生该号码的双音频信号,从DTMFOUT输出给电话接口模块PH8810,实现拨号。MT8880工作于呼叫处理模式时,将从DTMFIN输入的电话信号音整形成方波后从IRQ/CP(13脚)输出给单片机。单片机对该方波计数以判断拨号音、回铃音、忙音,实现电话信号音的检测。

图6DTMF收发电路
1 2 3


