- 易迪拓培训,专注于微波、射频、天线设计工程师的培养
基于MSP430的直流宽带放大器设计与实现
随着社会生产力的发展,人们迫切地要求能够远距离随时随地迅速而准确地传送多媒体信息。于是,无线通信技术得到了迅猛的发展,技术也越来越成熟。而宽带放大器是上述通信系统和其他电子系统必不可少的一部分,低噪声放大电路模块很大程度上决定了系统的整体指标。由此可知,宽带放大器在通信系统中起到非常重要的作用,于是人们对它的要求也越来越高。
1 总体设计方案
1.1 宽带放大器设计技术指标
宽带放大电路的设计中主要考虑增益、通频带、动态范围,稳定性等。这里设计的主要指标如下:
(1)用5 V单电源供电,输出为50 Ω阻性负载;
(2)放大器电压增益大于等于40 dB(100倍),并尽量减小带内波动;
(3)在最大增益下,放大器下限截止频率不高于20 Hz,上限截止频率不低于10 MHz;
(4)在输出负载上,放大器最大不失真输出电压峰峰值大于等于10 V。放大器输入为正弦波时,可测量并数字显示放大器输出电压的峰峰值和有效值。
1.2 总体方案描述
系统组成框图如图1所示。系统主要由4个部分构成:前置放大电路、可控增益放大电路、后级功率放大电路和单片机显示控制模块。第一级用OPA820ID构成的放大电路增益为6 dB,实现了输入阻抗匹配;可控增益放大电路由VCA810组成,实现了-40~+40 dB的动态增益变化;后级放大电路增益为14 dB;单片机显示控制模块完成对VCA810的控制以及输出电压检测功能并用液晶显示输出电压的峰峰值和有效值。

图1 系统组成框图
1.3 电路设计
前级放大电路由OPA820ID组成,OPA820是单位增益稳定低噪声电压反馈运算放大器,具有特点是:高带宽(240 MHz,G=+2);高输出电流(±110 mA);低输入噪声;完美的电流准确性,25℃输入偏置电压=±750μV,输入偏置电流为±400 nA信号从同相端输入,增益为(1+R17/R18)=2倍,为6 dB。电路如图2所示。

选用TI公司生产的集成压控增益放大器VCA810作为主增益控制,压控增益放大器的增益与控制电压成线性关系,控制电压由单片机控制DAC产生。VCA810具有-40~+40 dB的增益控制范围,精度达到1 dB,带宽25 MHz。如图3所示。

末级放大电路由THS3091 D构成,THS3091D是高输出电压低失真的电流反馈运算放大器。具有特点是:高带宽(210 MHz,G=2,RL=100 Ω);高输出驱动电流(250 mA);低失真、低噪声;高供电电源范围(5~15 V);信号从同相端输入,增益为1+1 000/250=5倍。输出采用两个THS3091并联的方式,增加驱动能力。如图4所示。

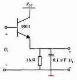
峰值电压检测电路采用高频三极管组成射级跟随检波电路,三极管包络检波器具有一定的放大作用,Kd》1,同时还使输入电阻Rid增大为二级管检波器的(1+β)倍。检测得到的峰值通过A/D转换,再由单片机显示输出电压的幅值。检波电路如图5所示。

图5 射极跟随检波电路
采用DC/DC定电压隔离非稳压模块A0512S-2W,将5 V单电源变换成±12 V,再利用稳压模块变换成±5 V电源,给前两级放大器供电。电路如图6所示。类似地,用定电压隔离模块A0515S-2W,将5 V变换至±15 V电源为末级放大器供电。如图6所示。

图6 5 V变换至±5 V电源电路
1 2
上一篇:电力线通信数据集中器设计方案
下一篇:Lumia 900拆解全过程[
]


