- 易迪拓培训,专注于微波、射频、天线设计工程师的培养
高速串行通讯协议SFI-S 的实现
录入:edatop.com 点击:
for i = 0 to 39, i++
If ( MOD(i,5) > 0)
S[i] = P[ i*4 + MOD(i,5) - 1 ]
else if ( MOD(i,10) = 0)
S[i] = ! (S[i+4] ^ S[i+3] ^ S[i+2] ^ S[i+1]) //奇校验,^表示异或
else
S[i] = (S[i+4] ^ S[i+3] ^ S[i+2] ^ S[i+1]) //偶校验,^表示异或
纠偏通道接收侧的处理
当纠偏通道,即S 通道接收到以后,纠偏逻辑会根据发送侧的规则,判断数据是否符合这个规则,如果是,则不做处理,如果不符合的话,则会对接收数据进行移位,直到满足规则为止。
接收数据通道的处理
当接收纠偏通道处理完成以后,接收处逻辑将根据数据产生的规则,判断接收数据与纠偏通道的关系,在不满足条件的情况下,对接收数据进行移位,知道满足发送方数据产生的规则。这样就完成了数据通道的接收。因为每个通道的数据位宽为40bits,而校验的数据是以10bits为单位的,那么移位后的数据和发送的数据可能存在10/20/30bits的位移,因此这个设计提供了一个输入信号rx_data_align,由用户来控制,实现接收数据每次10bits的移位,根据发送方的特殊码型(可以是帧头),实现发送接收数据的完全对齐。
GXB产生

应用实例
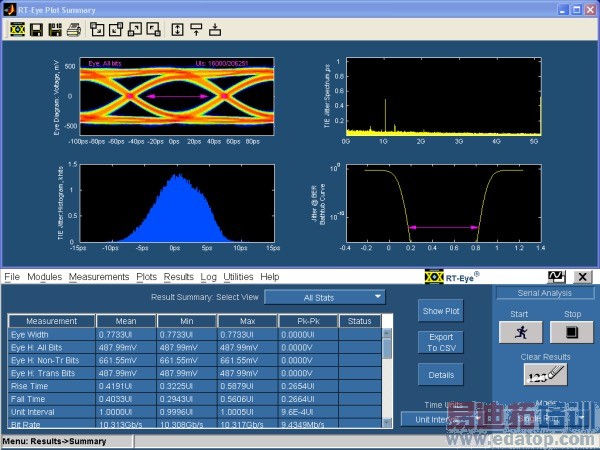
这个设计已经在Altera Corporation 的STRATIX4 GT的DEMO板上实际验证过,证明是可行的。发送端口和接收端口采用同轴电缆直连。
接收端测到的眼图

资源消耗
此设计的资源消耗(包括发送和接收部分)如下表所示

作者:Altera 韦俊伟 蔡海宁 来源:电子工程专辑


