- 易迪拓培训,专注于微波、射频、天线设计工程师的培养
基于CC1020的无线通信模块设计
本文介绍了一种以C8051F310单片机为控制核心,基于无线收发芯片CC1020的通信模块。对其工作原理和工作方式进行了分析,给出了设计思路和硬件电路。并重点阐述了通信模块的实现过程。
关键词:无线通信;CC1020;射频;C8051F310
引言
随着网络及通信技术的飞速发展,无线通信以其成本低廉、扩展性好、受地理条件限制较少、安装施工简便灵活等特点,在许多领域都有着广阔的应用前景。
CC1020简介
CC1020是一种理想的超高频单片收发器芯片。主要用于ISM(工业、科研及医疗)频带和在426/429/433/868/915MHz频带的SRD(Short Range Device-近距离设备)中,也可经编程后用于频率为402MHz~470MHz和 804MHz~940MHz的多信道设备。CC1020主要的工作参数可通过串行总线接口编程,例如输出功率、频率及AFC。
在接收模式下,CC1020可看成是一个传统的超外差接收器。RF输入信号经低噪声放大器(LNA和LNA2)放大后,翻转经过积分器(I和Q)产生中频IF信号。在中频处理阶段,I/Q信号经混合滤波、放大后经ADC转化成数字信号。然后进行自动获取控制、信道滤波、解调和二进制同步化处理,在DIO引脚输出数字解调数据,DCLK引脚获取同步数字时钟数据。RSSI为数字形式,并可通过窜行接口读出。RSSI还可作为可编程的载波检测指示器。
在发送模式下,合成的RF信号直接馈送到功率放大器PA。射频输出是FSK信号,此信号是由馈送到DIO引脚的数字比特流通过FSK调制产生的。可使用一个高频滤波器来得到高斯频移键控GFSK。芯片内部的收/发开关电路使天线容易接入和匹配。
硬件电路设计
微控制器选型
微控制器采用Cygnal公司生产的C8051F310,该处理器具有与8051完全兼容的CIP-51内核,是一款完全集成的混合信号ISP型MCU芯片,带有模拟多路器的10位200ksps的25通道单端/差分ADC,硬件实现的I2C、增强型UART及SPI接口,Flash存储器具有在系统重编程能力,可用于非易失性数据存储,并且允许现场更新8051固件。该型号单片机体积小、性能高,能够快速存取数据,也易于系统开发以及扩展,很适合本设计的需要。
CC1020结构配置接口
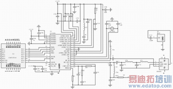
CC1020结构配置接口与微控制器的连接如图1所示。微控制器使用引脚P2.2~P2.5与CC1020的结构配置接口PSEL、PCLK、PDI、PDO连接。PDO与微控制器的一个输入端连接。PDI、PCLK和PSEL连接到微控制器的输出端。如果把PDI和PDO连接在一起,微控制器可以使用一个双向引脚端,则可节省微控制器的一个I/O端口。
当结构配置接口不使用时,连接到PSEL、PCLK、PDI和PDO引脚端的微控制器引脚可作他用。当PSEL引脚端无效(保持高电平)时(PSEL引脚端低电平有效),PCLK、PDI和PDO是高阻抗输入状态。PSEL有一个内部上拉电阻,在低功耗模式时必须断开(由微控制器三态控制),或者设为高电平,以阻止电流流入上拉电阻。
CC1020通过简单的四串行SPI接口进行编程。有8位的结构配置寄存器。每一位寄存器的地址是7位,1位作为读/写位,初始化读或写的操作。CC1020一次完整的配置,要求发送33个数据帧,每帧16位(Address 7位,R/W 1位,Data 8位)。一次完整配置所需时间取决于PCLK的频率。如果PCLK频率为10MHz,完成一次完整配置的时间少于53ms。将CC1020设为低功耗模式,只需发送一帧数据,因此所需的时间不到2ms。所有的寄存器都是可读的。
CC1020信号收发接口
CC1020信号收发接口与微控制器的连接如图1所示。微控制器使用引脚P2.6和P3.4与CC1020的双向同步数据接口DIO、DCLK连接。

图1 CC1020与微控制器的连接电路
作者:文俊峰 乔晓军 张文爱 冯登超 来源:21IC电子网
上一篇:GSM系统—网络维护优化参数的提取
下一篇:教你如何设置防止无线WIFI网络泄密


