- 易迪拓培训,专注于微波、射频、天线设计工程师的培养
智能移动终端的数据传输信源加密设计
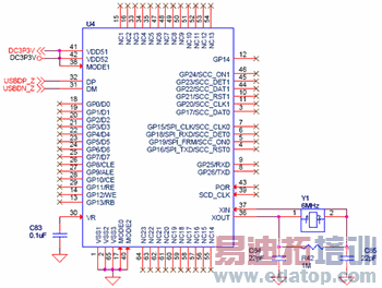
通过综合考虑,我们采用了一款专用安全控制芯片,该芯片已经通过了国密办认证,支持片上密钥管理和片上签名及身份认证,3DES加解密速度达到3.5Mbps,符合我们对硬件协处理芯片的要求。在具体硬件设计中,主控芯片通过USB接口和信息安全模块连接,保证了数据传输的速度。
旋极HR-638智能移动终端上信息安全模块的硬件设计参考图:

图表 1 硬件设计图
在硬件设计完成后,主要是智能移动终端上加解密系统的设计。加解密系统包括密钥管理、密钥灌装系统和终端上的加解密实现三个大的部分。其中的关键是智能移动终端上加解密系统的实现。
旋极智能移动终端使用独立的安全控制芯片来进行专门的加解密处理。由于安全控制芯片需要初始化密钥和对密钥进行管理,所以安全控制芯片内运行了旋极公司自主知识产权的WTCOS操作系统,WTCOS针对数据传输加密的要求进行了优化,对程序执行过程中的安全性和数据存取时的保护采用了最高的优先级,确保数据加解密的实时性和安全性。在COS操作系统之上,按照数据传输的要求,编写了卡内应用程序,主控CPU按照特定的传输协议,和信息安全模块进行数据传输,实现签名、认证和数据加解密的功能。
系统数据流图如下:

数据流图可以清晰的看出,需要加密的数据是在完成信源端加密后,才通过的无线传输方式传输给服务器端,由服务器端进行解密处理后,得到明文数据。即使在传输过程中,信道加密被破解、数据被截获,由于数据采用了高强度加解密算法进行加密,对数据安全也不会造成影响。
小结:面对迅猛的行业信息化浪潮和复杂的信息安全环境,行业信息化用户对智能移动终端数据传输信息安全的要求也越来越高,如何保证数据传输的安全性也成为决定智能移动终端市场成败的决定性因素。本文通过对旋极智能移动加密终端采用的信源加密技术的介绍,说明了系统的整体实现方案和一些具体的设计原则,进一步验证了信源加密的高保密性。
来源:21IC电子网
上一篇:基于C8051F340数据采集系统的设计
下一篇:南京大学IPv6“大提速”


