- 易迪拓培训,专注于微波、射频、天线设计工程师的培养
H.264数字音视频编解码SoC芯片Hi3510原理和应用
录入:edatop.com 点击:
Hi3510编解码的应用
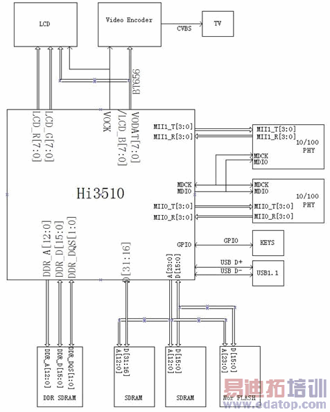
Hi3510自带的Linux操作系统(同时支持Vxworks、WinCE等开放式操作系统)和ARM处理器,使得芯片除了编解码功能外,还可以实现许多丰富的应用功能开发。如图下图所示,只要附加一片普通AD就可实现复合视频信号的数字化、压缩和存储和传输的功能。Hi3510开发包提供上层API接口,就可以调用实现所有的芯片功能,并能开发自己的个性化功能。下图为芯片的编码方案的应用设计。

而解码器应用在架构设计上与编码器相同(方便方案可保持一致性,可实现一套硬件满足不通需求,只需要软件升级)。解码器只需要配搭DA芯片(如果是LCD数字屏幕可以节省该芯片),就可实现把数据码流解码的作用,并且通过GUI或者OSD实现用户人机互动的菜单操作,实现PMP等类似功能的产品应用。下图为芯片的解码方案的应用设计。

结束语
H.264标准的应用,为视频的网络传输,尤其是低带宽下(如无线传输方式)的传输提供了技术支持。在信息爆炸的今天,市场要求设计人员推出产品的速度越来越快,而且为了保持产品的竞争力,在产品价格、产品应用功能特点上要保持足够优势,尤其是在多媒体市场领域。海思的SoC芯片在提供了标准算法的基础上,给予设计人员最大的灵活度设计合适的产品,大大降低了厂家的投入成本,缩短了厂家的推出新产品的时间,为赢得市场做准备。
来源:DVBCN数字电视中文网


