- 易迪拓培训,专注于微波、射频、天线设计工程师的培养
基于PCI总线芯片CH365的数据密码卡设计
录入:edatop.com 点击:
3.2 CPLD设计
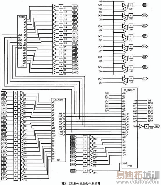
CPLD的设计是本数据密码卡的核心。设计选用LATTICE公司生产的LATYICE1032。它所包含的模块主要有三块。其一是数据密码卡访问合法性确认和数据解密模块;其二是地址译码模块;三是ROM地址产生器模块。其顶层设计图如图3所示。

4 各模块核心部分的ABEL语言实现
4.1 ROM地址产生模块
下面是产生ROM地址的程序代码:
addrl:=addrl+1:
when addr1==^hlff then c0=1
else c0=0;
when e0 then addr2:=addr2+1
else addS:=addr2;
从上述程序中可以看出,ROM中的数据不是按照地址顺序排放的,也就是说,即使是得到了这片ROM,用编程器把数据读出,读出的数据也是无法破解的。
4.2 访问合法性确认和数据解密模块
访问合法性确认和数据解密程序代码如下:

该操作的保密措施主要是两点:一是在当访问者所输入的权限密码正确后,才能使pass0~pass4信号有效,从而使OE信号有效来读取ROM中的数据;二是从ROM中读到的数据,还必须经过解密后才能得到真正的数据,解密的措施是ROM中读到的数据与某一数据进行异或处理。
5 结束语
基于CH365设计的PCI总线数据密码卡与PCI总线的接口比较简单,数据保密性强,操作简单。目前此卡已成功用于铁路调度系统之中。
作者:张显才 韩德红 来源:中电网
上一篇:如何观测一个串行数据传输系统
下一篇:太阳能发电系统数据采集与传输的硬件设计


