- 易迪拓培训,专注于微波、射频、天线设计工程师的培养
DSP芯片TMS320C6712的外部内存自引导功能的实现
TMS320C6000系列与TMS320C54系列的引导方式有很大差别。在开发应用TMS320C6000系列DSP时,许多开发者,尤其是初涉及者对DSP ROM引导的实现有些困难,花费许多时间和精力摸索。笔者结合开发实例,介绍了实现外部存储器引导的具体方法。
DSP的引导过程
DSP系统的引导(BOOT)是指系统加电或复位时,DSP将一段存储在外部的非易失性存储器的程序代码通过DMA方式拷贝到内部的高速内存中运行。这样既能扩展DSP有限的存储空间,又能充分发挥DSP内部资源的效能。用户的代码也可以通过掩膜方式写入到DSP内部ROM中,但这样受容量和价格的限制,且不便于扩展和升级。
DSP的引导过程如下:
1) DSP复位后,通过DMA方式将外部CE1空间的数据读入到内部程序空间地址0处,读入数据的多少因芯片而异(TMS320C6712一次只拷贝1KB)。
2) DSP推出复位状态,开始执行内部程序空间地址0处的程序,这段程序先将外部主程序数据读入到DSP内部程序空间相应地址,然后跳转到主程序运行。
第一步是由芯片自动完成,关键是第二步:用户需要编写相应的汇编程序,实现二次引导,即用户主程序的装载。
引导失败的原因分析
(1)链接命令文件(.cmd)文件
链接命令文件定义了链接的参数,描述系统生成的可执行代码各段的段名及映射到目标板的物理空间。当这些段的起始地址或段的长度编写错误时,引导程序就可能发生错误。
(2)可执行代码的二进制文件格式
用户的程序在CCS开发环境下编译生成COFF文件格式,仿真过程中可以直接加载COFF文件运行。但当调试仿真通过后,目标板要脱离CCS环境独立运行时,可执行代码就需要转换为二进制文件格式,保存在目标板的外部存储器上。转换时需要使用正确的配置文件。
(3)目标板的硬件电路(引导模式,系统时钟)
目标板的硬件电路也会影响引导程序的正常运行,如设置的引导模式与实际的外部存储器不符,系统时钟电路不工作,复位信号恒有效等。
下面结合TMS320C6212的开发实例,具体介绍外部存储器引导的实现。
ROM引导实例
TMS320C6212是tms320c6201的简化版芯片,内部资源相对较少,工作频率相对较低,但其价格低廉,具有很高的性能价格比。TMS320C6212的工作频率可达150MHz,最高处理能力为900MIPS,很适合中小型系统开发。
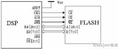
由于FLASH是一种高密度、非易失的电擦写存储器,系统采用FLASH作为外部存储器。除了专用的硬件编程器可以把二进制代码写入FLASH中,还可以利用DSP的调试系统,通过软件编程写入。DSP与FLASH的接口连接如图1所示。

系统工程在CCS开发环境下使用C语言编程,这样可以缩短开发周期,提高工作效率,并具有移植性好的优点。引导工程的文件流程如图2所示。

来源:维库开发网


