- 易迪拓培训,专注于微波、射频、天线设计工程师的培养
无线传感器网络数据无线传输系统的设计
录入:edatop.com 点击:
0 引 言
无线传感器网络就是一种RGS系统(远程地面传感器系统),它是一种利用多种传感器作为综合情报采集元件,进行数据融合、编码等处理后,发送给指挥中心,处理还原后在监控平台显示出来的探测系统。它集传感器技术、图像探测技术、震动探测技术、声音探测技术、无线通信技术、数字编码压缩技术、信息融合技术及计算机技术为一体,是由多种高新技术集成的综合性技术。无线多传感器网络系统主要由以下几部分组成:
(1)系统前端传感器及GPS模块——信号采集部分:主要是由图像、声音、震动以及红外传感器组成的探测单元和GPS模块构成,负责完成战场信息监测任务。
(2)信息传输部分:主要负责将采集到的信息压缩编码和进行远距离无线传输。
(3)指挥中心测控平台部分:主要完成对监测单元的远程控制及信号接收任务,并对搜集到的各种信息进行融合处理、分析。将处理结果提供给指挥中心人员,使他们能及时准确地把握战场态势,做出相应的决策。
本文主要是对无线传感器网络中图像传输系统的硬件设计与软件编程的思想。
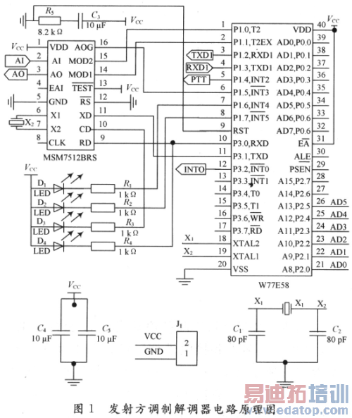
1 发射端调制解调器硬件电路设计和工作原理
调制解调器硬件电路在发射方和接收方,由于所需完成的任务不同,实际上是不一样的。发射方调制解调器电路原理图如图1所示。

来源:慧聪电子网


