- 易迪拓培训,专注于微波、射频、天线设计工程师的培养
成本优化的太阳能供电公共服务基础设施进行能量存储、照明和通信时需要考虑的因素
转向更加环保的解决方案是当前的一种趋势,与这种趋势一致的是自助维持运行的太阳能供电基础设施开始在全世界采用。为了改进客户服务、便利性和安全性,具有夜间照明和无线通信能力的公共服务站数量日益增多。有照明和可实时提供到达时间信息的公交站正在北美出现。太阳能供电售票亭也正在欧洲出现。在无法具成本效益地建造电力及有线通信基础设施的偏远地区,也可提供这类设施。这类设施都必须能进行无线通信,以执行各自的功能。概念验证已经有了,但是我们怎样才能优化系统内的电源网络,以最高效率利用可得到的太阳光,从而最大限度地延长运行时间并最大限度地降低成本
太阳能电池工作特性
太阳能电池板产生能量的多少与接收到的光照量成正比。云、树木、灰尘、太阳能电池板的表面积以及太阳的旋转都会产生影响,这些影响可能使可用来发电的光照量产生极大的波动。加之太阳能电池具有高的源阻抗特性,所以在负载试图抽取相对大的恒定电流时,大多数情况下,可能在几段时间内会遇到对负载、充电器和电池无电可供的情况。因此,必须应用一种电路,以仔细控制电流,并相应地最大限度提高太阳能电池供给充电单元的功率。
太阳能电池板的典型输出电流和输出电压特性如图 1 所示。这里出现了一个有趣的趋势,即就给定太阳能电池板而言,不管照明条件如何,当输出电压处于一个相对恒定的电压 VMPP 时,太阳能电池板会提供最大输出功率。通过查看感兴趣的太阳能电池板的技术文件,可以找到电压 VMPP。同时,也可以用一种很好的方法来独立验证 VMPP 数值,通过在同样的照明条件下逐渐增大或减小负载,画出如图 1 所示的那种 I-V 曲线,而让太阳能电池板以各种不同的角度面对太阳,就可以非常容易地形成各种照明条件。

图 1:典型太阳能电池板的输出电流和功率随输出电压变化的曲线
仅查看一个真实的太阳能电池板性能曲线,理解不了在电压等于 VMPP 时抽取功率的重要性。图 2 中的数据是在晴朗的天空下,在凌力尔特公司位于美国加利福尼亚州米尔皮塔斯的公司园区内,用一个自动负载箱和直接面对太阳的太阳能电池板情况下,在 1 分钟时间内收集的。如该图所示,在阳光直射的情况下,一个不受控制的负载可能使得净输出功率在低于 2W 至 47W 的范围内变化。如果有可能保持太阳能电池板的输出电压约为恒定的 13V,那么我们就可以保证向负载提供最大功率。可是这个任务怎样才能完成呢?

图 2:Solec S-70C 太阳能电池板:输出电流随输出电压变化的曲线
优化太阳能电池的功率
利用太阳能发电的成本仍然高于煤、天然气等传统能源,部分原因是太阳能电池的价格很高。尽管每瓦的价格在下降,但 SolarBuzz.com 于 2011 年 7 月发布的一份研究报告显示,视批量和技术的不同而不同,以每瓦峰值功率发电量计算,太阳能电池的价格仍然处于0.96 至 2.54 欧元之间。如前所述,非理想的太阳照射条件常常妨碍太阳能电池板以峰值发电量工作。此外,就太阳能供电应用而言,太阳能电池板和负载 (在电压不等于 VMPP 时工作) 之间任何潜在的阻抗失配都必须考虑,而且在计算太阳能电池板的发电量时要包括这个因素,以将这个因素的影响加入到系统的设计中。随着失配的降低,在实现同样的功率输出时,太阳能电池板的尺寸和价格也会减小和降低。
减少阻抗失配的一种简便的方法是在太阳能电池板的输出与负载之间使用一个最大峰值功率跟踪 (MPPT) 电路。特别之处是,该电路可改变电流负载以保持电压在 VMPP。这种电路可以采用分立 (使用大量的组件) 或集成于一个器件 (如 LTM8062 开关µModule 电池充电器) 的方式来设计。LTM8062 所提供的 MPPT 是一种简单的解决方案,可利用单个电阻器进行调节以确保能够在相差很大的照明条件下向负载输送最大的功率。通过比较两款相同配置方案的输出功率,可以最好地展现 MPPT 电路的有效性,两款方案均采用一块 Solec S-70C 太阳能板,其一启用了 MPPT,另一个则停用了 MPPT,后者可通过将 LTM8062 的 VINREG 引脚电平拉至 VIN 来实现。测试电路原理图在图 3 中给出。

图 3:最大充电电流为 6A 时,MPPT 有效性的测试电路原理图
能量存储:电路比较组件和配置
LTM8062 是一款高效率的集成式恒定电流 / 恒定电压 (CC/CV) 降压型开关电池充电器解决方案,在 4.95V 至 32V 的输入电压范围内工作。高达 18.8V 的用户可编程电池浮置电压允许该器件支持一个由多达 8 节密封铅酸电池、4 节锂离子或锂聚合物电池或者 5 节磷酸铁锂 (LiFePO4) 电池组成的电池组。与业内其他公司所建议并由超过 10 个组件组成的分立式解决方案相比,集成的 MPPT 电路极大地降低了设计复杂性。正如前面提到的那样,该电路驱动 LTM8062,自动将电池充电电流减小或增大到 2A,以从太阳能电池提供最大输出功率。在最基本的应用中,LTM8062 都仅需要 3 个外部组件就可正常工作,相比之下,传统的分立式解决方案则需要 15 至 30 个组件。
到了用户可调的时间限度以后,或充电电流下降至最低门限 (200mA) 以后,充电过程终止,电池电压随温度变化的准确度为 1.5%。两个集电极开路状态指示信号 CHRG 和 FAULT 适用于 LED,以提供视觉提示。当该器件给电池充电时,发出 CHRG 指示信号。如果电池在固定时间限度内没有以启动充电来回应,或者当使用可选 NTC 热敏电阻输入引脚时发生了过热情况,那么就发出 FAULT 指示信号。
如果电池电压降至低于设定浮置电压的 2.5%,或已插入新电池,那 LTM8062 会自动给电池再充电。当太阳能电池板的电压在夜间急剧下降时,内部隔离二极管用来防止从电池回到电源的反向电流。就更大的充电电流而言,多个 LTM8062 的输出可以并联到一起。采用这种联接方法时,这些 LTM8062 模块可以共享单对反馈电阻器,如图 3 所示。3 个 LTM8062 模块并联,在恒定电流充电状态下,可实现 6A ±7.5% 的最大充电电流。充电终止电压设定在 8.4V。
Solec International 公司的 S-70C 是一款单晶太阳能电池板,额定峰值输出功率为 70W。根据各种照明条件下的测试结果确定,最大功率电压为 13V,尽管标签上标明 VMPP 数值为 17V。不过,该产品仍然显示了太阳能电池板的典型性能特性。在进行所有测量时,该太阳能电池板都与地平行放置,以模仿平坦的屋顶。
因为在真实应用中,电池的最初充电状态随系统使用情况、电池尺寸、之前几天的天气情况以及其他因素的不同而有很大变化,所以用一个电子负载来模拟在恒定电流和恒定电压充电区之间过渡时,从太阳能电池板抽取的最大功率的近似值。通过要求两个电路处于这一工作点,我们可以肯定,该电路能否支持充电周期中的其他所有事件。在对应于两节锂离子电池组的 8.4V 充电终止电压情况下,要求该电子负载用 3 个并联 LTM8062 充电器模块拉高到 6A,同时保持约为 8V 的电压。
最大峰值功率跟踪的有效性
夏天的某一天,在凌力尔特位于美国加利福尼亚洲米尔皮塔斯总部的室外园区,当 MPPT 电路启用和停用时,我们进行了一整天的测量。对旧金山夏天的气候很熟悉的人都知道,早上灰蒙蒙的天气,经常到午后就变得晴空万里了。这也是我们在 7 月的一天进行实验时的情况。 测量在正常工作时间进行,但实际应用将有可能在数据采集的前后提供几个小时的额外光照。图 4 示出了输送至电子负载 (模仿我们的 8.4V 锂离子电池) 的有效负载电流和功率。这一整天都处于接近最大吸取功率以及晴朗的天气条件下 (特别注明的地方除外)。

图 4:启用和停用 MPPT 时的充电电流和功率
当 MPPT 电路工作时,输送至模拟电池的电流及功率明显高于该电路不工作时的水平。除了中午那段时间达到 LTM8062 内部最大充电电流限制的情况以外 (MPPT 启用),如图所示提供给负载的电流增大了 20% 至 40%。如果将电池充电器和负载与电路分开一会儿,那么 MPPT 电路启用时,从太阳能电池板抽取的功率比该电路停用时多 18% 至 42%。总之,更显着的改进往往发生在早上和晚上光照较弱的时候。在这 9 个小时中提供给负载的额外能量在最大峰值功率电路停用时约为 240W•hr,而MPPT 电路启用时约为 300W•hr (参见图 5),提高了 25%。据此,一个 100W 的太阳能电池板系统在负载端的 MPPT 启用时,与一个 125W 太阳能电池板系统在 MPPT 停用时所产生的功率相同。以太阳能电池板的市场价格为每瓦 1 至 2.54 欧元计算,可能节省的费用等于 25 欧元至 63.5 欧元。

图 5:提供给电池的累计能量
可靠的高能效照明
由于最大输出功率现在可以高效率地存储在电池中,所以今天最可靠和最高效率地提供夜间照明的方式是采用 LED。旧金山市新引入了采用 LED 的公交站消耗 74.4 瓦功率,相比之下,之前的荧光灯照明公交站消耗 336 瓦功率。拥有成本也降低了,因为 LED 可持续使用的时间是荧光灯的 10 倍。此外,LED 要求用 DC 电源工作,非常适合于用太阳能电池板及电池提供的 DC 电源。荧光灯要求用范围一般在 200V 至 1500kV 的 AC 电压工作,当用 DC 电源工作时,需要昂贵和复杂的驱动器。另外,荧光灯泡所需的较高电压 AC 电源还会变成潜在无线通信的一个干扰源,下一节将对此加以阐述。LTM8042 恒定电流 LED 驱动器在效率、可靠性和便利性方面与 LTM8062 非常相似,为满足照明需求提供了一个有价值的解决方案。
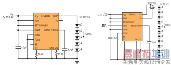
图 6a 和 6b:采用升压型配置的 LTM8042 和 LTM8042-1
无论需要升压、降压或降压-升压型工作模式,LTM8042 和 LTM8042-1 都可以非常容易地配置为分别提供高达 1A 和 350mA 的恒定电流。在这个实验中,模拟的 8.4V 锂离子电池组会在约 7V 时提供其大部分能量,从而在采用 Cree 公司的中性白光 XLAMP XM-L LED 时,允许 LTM8042 支持一个高达 16V 的 700mA LED 串,以提供 1300 流明的光通量。采用同一个电池组,LTM8042-1 能以高达 350mA 驱动一个 24V 的 LED 串,从而在采用 Lumileds 公司的中性白光 Luxeon Rebel ES LED 时,提供 1040 流明的光通量。如果两个太阳能电池板串联叠置,以将 VMPP 提高到 26V,而且电池组电压提高到 16.8V,那么在 350mA时,采用 Xlamp XM-L LED 可实现高达 2880 流明的光通量,而采用 Luxeon Rebel ES 可实现 1430 流明的光通量。LTM8042 和 LTM8042-1 构成了一个在 3V 至 30V 输入电压范围工作的完整 LED 驱动器解决方案,而且仅需要很少的 3 个外部组件。
为了在黄昏和黎明时节省功率,LTM8042 支持两种调光方法。采用图 6b 所示的 PWM 输入可实现高达 3000:1 的调光比。采用一个电阻器或电压可以实现模拟调光。开关频率在 250kHz 至 2MHz 范围内可调,而且可以同步至一个高达 2.5MHz 的外部时钟,以适用于噪声敏感应用。
清晰的通信是关键
不管是 Wi-Fi、HSPA、LTE 抑或是其他无线标准,通信系统的功耗都在日益降低、而服务的区域则在持续扩大。无线通信是对公共服务基础设施的一种简易扩充。公共交通站点可将最新的实时服务信息传递给他们的乘客。售票处可办理乘客的电子付费。太阳能供电型传感器开始逐步应用于主要城市的街道中,可帮助驾驶者找到有空位的停车地点并由此缓解交通拥塞。在可能没有传统有线通信基础设施的场合中,如果系统是脱离电网的,那么向系统及/ 或从系统进行清晰的信息传递 (特别是无线通信) 的能力是很关键。
在无线通信中,低噪声辐射噪声解决方案对于改善信号接收与传输质量是很重要。凌力尔特公司提供了 8 款简单和易用的 DC/DC 降压型 µModule 稳压器产品,这些产品通过了 EN55022 Class B 辐射 EMI (电磁干扰) 规范的认证,并具有业界最高的额定输出功率。测试是采用标准的演示电路板来完成的,并可向所有的设计工程师提供演示电路板的 Gerber 文件。其 EMI 性能得到了由第三方所提供的独立测试报告的证实,相关的测试报告可以在线查阅。凌力尔特经过 EN55022 Class B 规范认证的降压型µModule 稳压器系列可接受高达 36V 的工作输入电压和高达 8A 的输出电流,并能在多个模块之间支持准确的输出电流均分,从而将输出电流能力提升至 32A。对于那些要对运行时间要求很高的无线通信网络进行设计的工程师们而言,他们已经发现这些器件是非常有用的工具。
结论
自助供电的智能城市基础设施的好处非常多。今天已有的技术使这种基础设施有可能实现,不过需要优化以使这种基础设施能投入实用。LTM8062 微型模块电池充电器具有MPPT 功能,可构成紧凑、便利、可靠和高效率的解决方案,使从太阳能电池板抽取的功率提高多达 40%。在一天中,可以多获取 25% 的能量,因此以目前的价格计算,就 100 瓦峰值发电量而言,太阳能电池板的费用有可能节省 25 欧元至 63.5 欧元。面向 LED 照明和噪声敏感无线通信的、紧凑和高效率电源模块采用了紧凑的外形尺寸,以增强系统功能。凭借具 MPPT 的高效率、可靠和便利的电池充电器,结合先进的电池存储技术、太阳能电池及高效率 LED,更多城市甚至偏远环境现在都可以用经济实惠的解决方案实现自助供电的智能公共基础设施了。
射频工程师养成培训教程套装,助您快速成为一名优秀射频工程师...
天线设计工程师培训课程套装,资深专家授课,让天线设计不再难...
上一篇:LED
驱动器
IC应用
下一篇:降压型LED驱动电源系统设计

