- 易迪拓培训,专注于微波、射频、天线设计工程师的培养
助推节省燃料的汽车启动 / 停止电子系统
背景
许多汽车制造商设计了一种节省汽车燃料的巧妙方法,就是运用了被称为“启动 / 停止”系统的新概念。该系统在汽车处于停顿状态或空档位置时将自动关闭引擎,并在驾驶者再次踩压离合器踏板时立即重新起动引擎。自动启动 / 停止功能可在汽车每次完全停稳时 (例如:等候交通信号灯) 关闭引擎,并自动重新发动引擎,因而有助于减少燃料消耗及尾气排放。与未装备此类系统的汽车相比,在城市交通环境中其耗油量的节省幅度可高达 8%。还有一个额外的好处就是能够降低其二氧化碳排放量。
原理很简单:如果引擎不运转,就不会消耗燃料。当不需要引擎工作时,自动启动 / 停止系统功能将自动关闭引擎。在交通拥堵或者甚至在走走停停的交通状况下,只需将汽车置于空档位置并把脚从离合器上移开就将启动此项功能。信息显示器上的一条“启动 / 停止”消息将表示“引擎已被关闭”。如欲重新发动引擎,则踩下离合器、挂档,汽车将马上快速恢复工作状态,即刻就能继续行驶。
应当指出的是:自动启动 / 停止功能并不会影响驾驶的舒适性和安全性。比如,在引擎达到某个理想的运行温度之前,该功能不会被启动。这一原则同样适用于以下情形:空调尚未将车厢调节至期望的温度、电池尚未充足电或驾驶者转动了方向盘。
自动启动 / 停止功能由一个监视来自所有相关传感器之数据的中央控制单元负责协调,包括起动电机和交流发电机。出于舒适性或安全性的需要,该控制单元还可自动重新发动引擎。例如:倘若车辆开始行驶、电池电荷量降至过低的水平或挡风玻璃上形成了冷凝水。此外,大多数系统还能够区别出短暂停顿与旅程终止之间的差别。如果驾驶者的座椅安全带松开、或者车门或后备箱敞开,则该系统不会重新发动引擎。假如有必要的话,揿压一个按钮就可以完全撤消自动启动 / 停止功能。
然而,当引擎重新发动且某个信息娱乐系统处于开启状态或存在任何其他需要 5V 以上电压的电子设备时,12V电池有可能5V以下,从而导致此类系统复位。有些信息娱乐系统采用一个 5V 和 8.5V 的工作输入电压,而此电压是由一个依靠汽车电池工作的降压型转换器馈送的。如果在引擎重新起动 (冷车发动) 期间输入电压降至 5V 以下,则这些系统将在 DC/DC 转换器仅能对输入电压进行降压操作的时候复位。显然,如果在观看视频或聆听 CD 的过程中,每次汽车重新起动时这些视听系统就自动复位,将是用户无法接受的。
一款新型解决方案
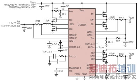
幸运的是,凌力尔特公司推出了一款三路输出 DC/DC 控制器 LTC3859A,该器件将一个同步升压型控制器和两个同步降压型控制器集成在单个封装之中。同步升压型转换器输出向降压型转换器馈电以保持一个足够高的电压,从而避免那些需要 4V 以上工作电压的电子系统在引擎重新起动的过程中发生复位。此外,当从汽车电池至升压型转换器的输入电压高于其编程输出电压时,它将在 100% 的占空比条件下运行,并简单地将输入电压直接传送至降压型转换器,从而最大限度地降低了功率损失。图 1 示出了 LTC3859A 的原理图,当电池电压降至 10V 以下时,由同步升压型转换器向同步降压型转换器提供 10V 电压。除了为两个降压型转换器供电之外 (在本例中可产生 5V/5A 和 8.5V/3A),升压型转换器还可被用作“第三输出”,能够提供一个额外的 2A 输出。
图 1:典型的 LTC3859A 启动 / 停止应用电路原理图
LTC3859A 是采用全 N 沟道 MOSFET 的低静态电流、电流模式控制、三路输出同步 DC/DC 控制器,启动时,LTC3859A 在 4.5V 至 38V 的输入电压范围内工作,并在启动后保持工作直到低至 2.5V 为止。两个降压型控制器 (通道 1 和 2) 180° 异相运作,并能产生 0.8V 至 24V 的输出电压,非常适合给导航、信息娱乐系统、处理器和存储器供电。升压型控制器 (通道 3) 与通道 1 同相运行,且能产生高达 60V 的输出电压。用于每个通道的强大的 1.1Ω内置栅极驱动器最大限度地降低了 MOSFET 开关损耗。工作频率可以设置在 50kHz 至 900kHz 的范围内,或者利用内部锁相环 (PLL) 同步至一个频率范围为 75kHz 至 850kHz 的外部时钟。LTC3859A 不同于 LTC3859 之处是其在 INTVCC
该器件的其他特点包括用于 IC 电源和栅极驱动的内置 LDO、可编程软起动、电源良好信号和外部 V
延长电池的工作时间
对于任何在系统其余部分关断的情况下需要一根“始终保持接通”的电源总线的电池供电型系统而言,节省电池能量都是必须的。这种状态通常被称为“睡眠”、“待机”或“空闲”模式,只要求系统具有非常低的静态电流。在有可能包括诸多电气电路 (比如:车载信息服务系统、CD / DVD 播放机、遥控无钥匙进入系统和多条始终保持接通的总线线路) 的汽车应用中,为节省电池能量而要求实现低静态电流显得特别重要。在待机模式中,此类系统的总电流消耗必需尽可能低;而且,随着汽车的运行越来越多地依赖电子系统,汽车制造商所面临的节省电池能量的压力在持续地增加。
在睡眠模式中 (升压型转换器和两个降压型转换器中的一个处于接通状态),LTC3859A 仅吸收区区 75μA 的电流。当所有三个通道均接通并处于睡眠模式时,LTC3859A 的吸收电流只有100μA,从而显著地延长了空闲模式中电池的工作时间。这是通过将器件配置为进入高效率的突发模式 (Burst Mode®) 操作状态来实现的,在此操作模式中,LTC3859A 向输出电容器输送简短的电流脉冲,随后是一个睡眠周期,此时仅由输出电容器将输出功率传递至负载。图 2 示出了说明其工作原理的概念性时序图。
图 2:LTC3859A 的突发模式操作电压线图
突发模式输出纹波与负载无关,唯一将会变化的是睡眠间隔的长度。在睡眠模式中,大部分内部电路都被关断,只有用于实现快速响应的关键电路除外,从而进一步减小了其静态电流。当输出电压的降幅足够大时,睡眠信号电平走低,控制器通过接通顶端的外部 MOSFET 恢复标准的突发模式操作。另一方面,也存在这样的情况 ━━ 用户希望器件在轻负载电流条件下工作于强制连续模式或恒定频率脉冲跳跃模式。这两种模式的配置均很容易,它们的静态电流较高而峰至峰输出纹波则较低。
负载突降 / 效率 / 解决方案尺寸
“负载突降”(load dump) 这一术语指的是起动电机被关闭之后所发生的感应冲击。对于一个汽车用 12V 铅酸电池系统来说,此浪涌电压一般被箝位于 36V (最大值)。该浪涌要求控制器、MOSFET 及关联的组件能在箝位电压下工作。这些较高电压器件 (例如:40V MOSFET) 会导致效率下降,必须谨慎地将这种不良影响降至最低。当采用图 1 中的电路时,每个电压轨的效率高于 92% (如图 3 所示)。为清楚起见,分别示出了每个降压和升压部分的效率。此外,图 4 还示出了这款电路的布局和尺寸,其中最高的部件达 4.8mm。
图 3:LTC3859A 效率与负载电流的关系曲线 (针对不同的转换器部分)

图 4:LTC3859A 演示电路板的尺寸和布局 (a) 顶面 (b) 底面
启动和关断
LTC3859A 的三个通道可采用 RUN1、RUN2 和 RUN3 引脚单独关断。把这些引脚中的任一个拉至 1.2V 以下都将关断用于对应通道的主控制环路。而把所有三个引脚全部拉至 0.7V 以下将停用所有的控制器和大多数的内部电路,包括内置的 LDO。在这种状态下,LTC3859A 仅吸收 8μA 的静态电流。
软起动或跟踪
两个降压型控制器的 TRACK/SS1 和 TRACK/SS2 引脚可用于调节软起动接通时间或在启动期间对两个或更多的电源进行“重合”或“比例式”跟踪。这些关联曲线示于图 5,并同时在主电源与从电源的 TRACK/SS 引脚之间布设了一个电阻分压器。
图 5:LTC3859A 输出电压跟踪:(a) 重合跟踪 (b) 比例式跟踪
保护功能
LTC3859A 可配置成利用 DCR (电感器电阻) 或一个检测电阻器来检测输出电流。至于选择两种电流检测方案当中的哪一种,在很大程度上取决于成本、功耗和准确度的综合权衡。DCR 日益受到欢迎,原因是其可省去昂贵的电流检测电阻器且效率较高,尤其是在大电流应用中。LTC3859A 拥有用于降压通道的电流折返功能,以在输出短路至地时帮助限制负载电流。
内置比较器负责监视降压输出电压,并在输出大于其标称输出电压的 10% 时指示出现了过压情况。当检测到这种状况时,顶端 MOSFET 关断而底端 MOSFET 接通,直到过压状态被清除为止。只要过压状态持续存在,底端 MOSFET 就将连续保持接通。如果输出电压回归至一个安全的电平,则自动恢复正常操作。
在较高的温度条件下,或者内部功耗导致芯片内部产生过量的自发热时,过热停机电路将关断 LTC3859A。当结温超过大约 170°C 时,过热保护电路将停用内置的偏置 LDO,从而导致偏置电源降至 0V并以一种有序的方式有效地关断整个 LTC3859A。一旦结温回落至 155°C 左右,LDO 将重新接通。
结论
可节省燃料的汽车启动 / 停止系统在今后的几年里将继续发展。对于车载信息娱乐及导航系统的供电,以及需要高达甚至超过 5V 电压以实现正确运作的磁盘驱动器的供电,必须谨慎从事。此类系统在输入电压因引擎重新发动而降至稳压范围之外时会发生复位。LTC3859A 提供了一款解决方案,它可利用其内置的同步升压型控制器将电池电压提升一个安全的工作电平。LTC3859A 将一个同步升压型控制器与两个同步降压型控制器整合在一起,非常适合于给众多的汽车电子设备供电,可在引擎重新发动时保持针对所有输出电压的稳压作用。
射频工程师养成培训教程套装,助您快速成为一名优秀射频工程师...

