- 易迪拓培训,专注于微波、射频、天线设计工程师的培养
ST EVALSPEAr320PLCMII自动模式评估应用方案
ST公司的SPEAr320是具有ARM926内核的嵌入MPU,最适合用于工厂自动化和消费类电子产品.功能强大的ARM926EJ-S处理器工作频率高达333MHz,具有高性能的8路DMA,32KB ROM和8KB SRAM,LPDDR-333/DDR2-666 外接存储器接口,SDIO/MMC 卡接口以及串行闪存接口(SMI),外设支持TFT/STN LCD控制器,各种功能的触摸屏,支持1Msps的8路10位ADC和4xPWM定时器.主要用在可编程逻辑控制器,工厂自动化和打印机.而EVALSPEAr320PLC评估板包括CPU板和MII模式应用板.本文介绍了CPU板和MII模式应用板主要特性,方框图,布局图以及MII模式应用板的详细电路图.
This user manual describes the implementation of the SPEAr320PLC evaluation board (order code: EVALSPEAr320PLC). This evaluation board can be used to evaluate the SPEAr320 microprocessor with a variety of devices and especially its Media Independent Interface (MII) Automation mode.
The EVALSPEAr320PLC evaluation board kit comprises two boards:
CPU board
MII mode application board
The SPEAr320 microprocessor is mounted on the CPU board that is plugged on the MII mode application board.
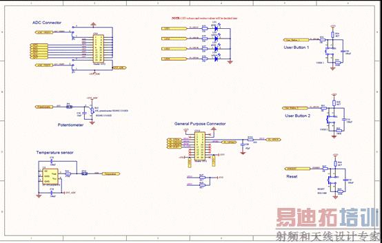
The application board is equipped with two Ethernet, three RS-232, one RS-485, two CAN, SPI, I²C communication interfaces and MicroSD card socket with SDIO interface. There are also two general-purpose push-buttons, four LEDs, a temperature sensor and a potentiometer available for the user interface.
The application board also includes digital input/output serial/parallel connectors with a pinout compatible to many existing evaluation boards from ST:
Digital input serial: STEVAL-IFP007V1
Digital input parallel: STEVAL-IFP004V1 and STEVAL-IFP008V1
Digital output serial: STEVAL-IFP009V1
Digital output parallel: STEVAL-IFP002V1, STEVAL-IFP001V1 and STEVAL-IFP006V1 The application board can be powered using a standard DC power supply (7 V to 30 V DC) or directly using a 24 V DC industrial mains supply.
图1.SPEAr320 MII模式应用板外形图
MII应用板主要特性:
2 x Ethernet RJ-45 connectors (ST802RT1A)
2 x CAN DB9 plug connectors
3 x RS-232 DB9 plug connectors (ST3232EBTR)
1 x RS-485 DB9 socket connector (ST3485EBDR)
Digital input connectors (parallel and serial) compatible with STEVAL-IFP007V1,STEVAL-IFP008V1 and STEVAL-IFP004V1 evaluation boards
Digital output connectors (parallel and serial) compatible with STEVAL-IFP009V1,STEVAL-IFP001V1, STEVAL-IFP002V1 and STEVAL-IFP006V1 evaluation boards
On-board temperature sensor (STLM20W87F) and potentiometer (analog input for ADC)
Analog extension connector featuring 8 ADC lines
General-purpose extension connector with GPIOs and I2C functionality
DC/DC converter L7986A (+24 V / +5 V)
MicroSD card socket
4 LEDs, 2 general-purpose buttons and system reset button
CPU板主要特性:
SPEAr320 embedded MPU
Up to 2 Gbit DDR2 333 MHz (standard 128 Mbytes)
Up to 16 Mbyte Serial Flash memory (standard 8 Mbytes)
Two USB 2.0 full host port channels
One USB 2.0 host device port
One serial port (up to 115 baud)
JTAG Debug ports
图2.CPU板方框图
图3.CPU板布局图(顶视图)
CPU板材料清单(BOM):




CPU板更详细的资料,请见:
http://solution.eccn.com/solution_2011013010565155.htm
图4.MII应用板方框图
图5.MII应用板电路图(1)
图6.MII应用板电路图(2)
图7.MII应用板电路图(3)
图8.MII应用板电路图(4)
图9.MII应用板电路图(5)
图10.MII应用板电路图(6)
图11.MII应用板电路图(6)
图12.MII应用板电路图(7)
图13.MII应用板电路图(8)
图14.MII应用板布局图
MII应用板材料清单(BOM):


详情请见:
http://www.st.com/internet/com/TECHNICAL_RESOURCES/TECHNICAL_LITERATURE/USER_MANUAL/CD00253457.pdf
和
http://www.st.com/internet/com/TECHNICAL_RESOURCES/TECHNICAL_DIAGRAM/SCHEMATICPACK/evalspear320plc_schematics.pdf
射频工程师养成培训教程套装,助您快速成为一名优秀射频工程师...
天线设计工程师培训课程套装,资深专家授课,让天线设计不再难...
上一篇:微型混合动力汽车铅酸电池能效管理
下一篇:航空和国防应用的电源保护

