- 易迪拓培训,专注于微波、射频、天线设计工程师的培养
不对称半桥同步整流DC/DC变换器
0 引言
目前,对低压大电流输出变换器的研究已经成为重要的课题之一,如何提高这类变换器的效率是研究的重点。在传统的DC/DC变换器中,对于低的输出电压,即使采用通态电压只有0.5V的肖特基二极管作为输出的整流器件,其输出压降造成的损耗亦相当可观。同步整流技术可有效减小整流损耗,适合同步整流技术的拓扑有多种形式,其中,采用同步整流的不对称半桥变换器具有显著优势,下面将对该变换器的工作原理,同步整流驱动方式的选择以及同步整流管损耗作详尽的分析。
1 不对称半桥变换器
不对称半桥DC/DC变换器是一种采用互补控制技术的变换器,与对称半桥变换器不同,该变换器两个主开关管的导通时间不相等,而是互补的,“不对称”由此而来。相对于其他电路拓扑,不对称半桥DC/DC变换器具有众多优点,诸如实现了软开关;开关电压应力小;结构简单,所用元器件少;由于变压器副边是中心抽头型,输出滤波电感较小。将同步整流技术与不对称半桥变换器结合使用,可使变换器适合高频工作,并能获得很高效率。
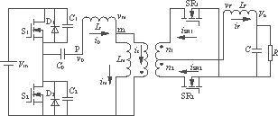
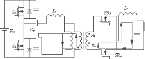
不对称半桥DC/DC变换器如图1所示。图中,S1及S2为主开关;D1及C1和D2及C2分别为S1及S2的寄生元器件;n1及n2分别为两个次级与初级的匝数比;SR1及SR2为次级同步整流管,其工作方式等效于整流二极管;Lr为变压器漏感;Lm为励磁电感,所有的电压与电流已在图中标出。

图1 不对称半桥DC/DC变换器
为了简化分析,作如下假设:
1)滤波电感足够大,工作于电流连续模式;
2)变压器励磁电感和漏感都折算到原边;
3)开关寄生电容为常量,不随电压变化;
4)所有开关管和二极管都是理想的;
5)电容Cp上的电压在一个开关周期内保持不变。
1.1 工作原理
设占空比为D,开关周期为T,S1在DT时间内导通。一个开关周期内S2上的平均电压为DVin,由于变压器的平均电压为零,因此Cp上的电压也为DVin,可将变换器的工作过程分为4个阶段,图2为主要的电压电流波形。

图2 主要的电压电流波形
阶段1〔ta~tb〕 主开关管S1开通,S2关断。此时励磁电流im以Vm/Lm的速率增加,p点电压vp=Vin(1-D);图中it=n1iSR1-n2iSR2为变压器次级绕组反射到初级的电流,流过初级绕组的电流ip=im+it;
阶段2〔tb~tc〕 主开关管S1及S2都关断,S2的ZVS过程开始;
阶段3〔tc~td〕 主开关管S2开通,S1关断。此时励磁电流以|Vm|/Lm的速率减小,p点电压vp=-VinD;
阶段4〔td~te〕 主开关管S1及S2都关断,S1的ZVS过程开始。
1.2 ZVS分析
S1和S2的ZVS过程是相似的,所以,这里只对S2的ZVS过程作分析,该过程〔tb~tc〕也有4个工作模态。
模态1 图1中主开关管S1关断,此时S2,D1,D2和SR2都处于关断状态,仅SR1导通。电容C2放电,电压线性下降;C1充电,电压线性上升。p点电压vp线性下降,m点电压vm也线性下降,由于电压vm仍然是正向的,因而im继续增大,但速率会下降。当vp减小到零时,im增大到最大值,整流管SR2导通,此工作模态结束。如图3(a)所示。
模态2 整流管SR1及SR2导通,S1,S2,D1,D2关断。此时,电容C1及C2和漏感Lr开始谐振,C2上的电压继续下降,vp转为负值。由于SR1及SR2导通,vm和vf为零,励磁电流im保持不变。在次级,iSR2增大,同时iSR1减小,因而it=n1iSR1-n2iSR2下降。当it下降到零时,此模态结束。如图3(b)所示。
模态3 SR1及SR2仍导通,S1,S2,D1,D2仍关断,电容C1及C2和漏感Lr继续谐振。此时it已经换向,当C2上电压下降为零时,D2导通,该模态结束。此时导通S2,S2为零电压开通。如图3(c)所示。
模态4 S2,D2,SR1,SR2导通,S1及D1关断。此时漏感上电压为-VinD,ip线性下降,it反向增大,当it反向增大到n2iSR2时,SR1关断。如图3(d)所示。

(a) 模态1

(b) 模态2

(c) 模态3

(d) 模态4
图3 S2的ZVS过程 [p]
2 同步整流管驱动方式的选择
同步整流技术的基础是使用导通压降较低的MOSFET代替二极管整流,这样就存在MOSFET的驱动问题,下面将对适合于不对称半桥同步整流变换器的驱动方式进行讨论。
同步整流技术按其驱动信号类型可以分为电流驱动型和电压驱动型,选择何种驱动方式直接影响变换器的效率和复杂程度。
2.1 电流型驱动
电流驱动同步整流是通过检测流过自身的电流来获得MOSFET驱动信号,由于检测电流而造成的功率损耗很大,而且它不可避免要将电流信号转换为电压信号,增加了成本,性价比低,在这里不作讨论。
2.2 电压型驱动
同步整流的电压驱动又分为自驱动,外驱动(控制驱动)和混合驱动3种。
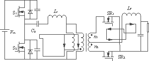
图4(a)所示的是采用自驱动同步整流的不对称半桥DC/DC变换器[5]。该电路不需要附加驱动电路,结构简单。但缺点是两个MOSFET的驱动时序不够精确,MOSFET不能在整个周期内代替二极管整流,使得负载电流流经寄生二极管的时间较长,造成了较大的损耗,限制了效率的提高。而且当输出电压很低时,次级绕组输出端电压也会相应降低,无法起到完全驱动同步整流管的作用。
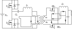
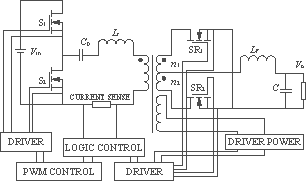
电压型外驱动,又称为控制驱动,使用外驱动的不对称半桥同步整流器的电路如图4(b)所示。为了实现驱动同步,附加驱动电路须由变换器主开关管的驱动信号控制,通常使用电压型控制驱动方法能使电源的效率达到最高,但是缺点是驱动电路过于复杂。
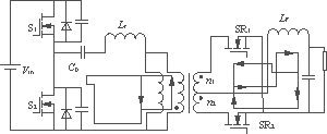
电压型混合驱动是一种新的方法,使用混合驱动的不对称半桥同步整流变换器,如图4(c)所示,这种方法既能按较精确的时序给出驱动电压信号,同时其附加的驱动电路也较外驱动简单,所以,已被普遍接受应用于各种拓扑中。

(a) 自驱动型同步整流变换器

(b) 外驱动型同步整流变换器

(c) 混合驱动型同步整流变换器
图4 三种电压型驱动方式
综合比较这3种电压型驱动方式可得知,在不对称半桥同步整流变换器中最好的选择是采用电压混合型驱动。这样不仅可使变换器达到高效率,而且驱动电路简单,容易控制。
3 同步整流管损耗分析
在不对称半桥变换器中采用同步整流技术的主要目的是降低整流损耗,提高变换器效率,所以,有必要对变换器中同步整流管的损耗作一下简要分析。
MOSFET模型如图5所示,其中Rdson为导通电阻,Cgs及Cds和Cgd为MOSFET的寄生电容,其值是非线性的,与MOSFET上所施加的电压有关。在本文中为了简化分析,认为寄生电容值是不变的。

图5 MOSFET模型
以图4(a)所示的自驱动型同步整流变换器为例,理想的电压和电流波形如图6所示。同步整流管总的损耗PLOSS为
PLOSS=PSR1CON+PSR2CON+PSR1SW+PSR2SW+PD3CON+PD4CON(1)
式中:PSR1CON及PSR2CON为两个同步整流管的导通损耗;
PSR1SW及PSR2SW为两个同步整流管的开关损耗;
PD3CON及PD4CON为两个同步整流管的体二极管的导通损耗。

图6 理想的电压和电流波形
3.1 同步整流管的导通损耗
SR1的导通损耗为
PSR1CON=Io2Rdson1(1-D-tz/T)(2)
式中:Io为输出电流;
Rdson1为S1的通态电阻。
SR2的导通损耗为
PSR2CON=Io2Rdson2(D-ty/T)(3) [p] 式中:Rdson2为S2的通态电阻。
因此,总的导通损耗PCON为
PCON=PSR1CON+PSR2CON=Io2Rdson1(1-D-tz/T)+Io2Rdson2(D-ty/T)(4)
3.2 同步整流管的开关损耗
假设所有寄生电容为线性,整流管SR1的开关损耗为
PSR1SW=PSR1Ced+PSR1Cgs+PSR1Cds(5)
PSR1Cgs=fCgs(2VinD/n)2(6)
式中:Vin为输入电压;
f为开关频率;
n=1/n1=1/n2为初级与次级的匝数比。
PSR1Cds=fCds[2Vin(1-D)/n]2(7)
PSR1Cgd=fCgdp(2VinD/n)2+fCgdn[2Vin(1-D)/n]2(8)
同样地,SR2的开关损耗为
PSR2SW=PSR2Cgs+PSR2Cgd+PSR2Cds(9)
PSR2Cgs=fCgs[2Vin(1-D)/n]2(10)
PSR2Cds=fCds(2VinD/n)2(11)
PSR2Cgd=fCgdp[2Vin(1-D)/n]2+fCgdn(2VinD/n)2(12)
式中:Cgdp为vgd>0时的Cgd;
Cgdn为vgd<0时的Cgd。
因此,同步整流管总的开关损耗PSW为
PSW=PSR1SW+PSR2SW=4fVin2CTOT(2D2-2D+1)/n2(13)
式中:CTOT=Cgs+Cds+Cgdp+Cgdn为所有寄生电容之和。
3.3 同步整流管体二极管的导通损耗
两个体二极管的导通损耗PDCON为
PDCON=PD3CON+PD4CON=(ty+tz)IoVD/T(14)
式中:VD为体二极管的通态电压。
将式(4),式(13),式(14)相加就是图3(a)中变换器总的整流损耗PLOSS。通过以上分析,可以看出变换器的整流损耗与以下参数有关,即输出电流Io;输入电压Vin;开关频率f;漏感Lr;MOSFET自身参数值。在这些影响因素中,漏感Lr的选择至关重要。显然,Lr越大,损耗越大,因此,为了提高效率,Lr应尽可能小。但是,同时又要保证Lr足够大,以实现主开关管的ZVS,所以,在选择Lr的值时,要综合考虑两方面的影响,使变换器的性能最优。
4 结语
不对称半桥DC/DC变换器是一种能实现软开关的变换器,与其它拓扑相比,具有很多优点。本文对同步整流技术在不对称半桥变换器中的应用,从电路工作原理到同步整流驱动方式的选择作了全面的介绍,并在此基础上,分析了变换器的整流损耗,使对影响整流损耗的参数有了全面的认识。
射频工程师养成培训教程套装,助您快速成为一名优秀射频工程师...

