- 易迪拓培训,专注于微波、射频、天线设计工程师的培养
无源无损缓冲电路及其新拓扑
摘要:在分析无源无损缓冲电路的拓扑分类和硬开关转换过程中开关损耗的基础上,总结了无源无损缓冲电路的结构原理和一般实现方法。重点介绍了其在DC/DC变换器中两种新颖的拓扑结构,并简要地分析了它们的工作原理和优缺点。
关键词:无源无损缓冲电路;DC/DC变换器;功率因数校正
1 概述
在硬开关电路中,有源开关器件连接在刚性的电压源或电流源上,开关损耗大、电磁干扰严重、可靠性低,且随着开关频率的提高,这种现象更为严重。为了克服这些缺陷,软开关技术被广泛采用。
有源缓冲电路、RCD缓冲电路、谐振变换器、无源无损缓冲电路是常用的软开关技术。其中,有源缓冲电路通过增添辅助开关以减少开关损耗,但这也增加了主电路和控制电路的复杂程度,从而增大了性价比,也降低了可靠性;RCD缓冲电路虽然结构最简单,价格最便宜,但由于电阻消耗了能量,效率较低,在各种软开关技术中性能最差;而谐振变换器虽然实现了ZVS或ZCS,减少了开关损耗,但谐振能量必须足够大,才能创造ZVS或ZCS条件,而且谐振电路中循环电流较大,还必须在特定的软开关控制器的控制信号下工作,增加了通态损耗、增加了成本、降低了可靠性。与这三种方法不同,无源无损缓冲电路既不使用有源器件,也不使用耗能元件,因而兼具以上三种方法的优点。其结构与RCD缓冲电路一样简单,效率与有源缓冲电路、谐振变换器一样高,电磁干扰小、造价低、性能好、可靠性高,因而获得了广泛的应用。
目前,无源无损缓冲技术虽已比较成熟,但在国内外仍不时有新的拓扑和研究成果发表。本文在参考了最近20多年中无源无损缓冲电路研究成果的基础上,总结了无源无损缓冲电路的结构原理和一般实现方法。此外,重点介绍了其在PWM DC/DC变换器中两种最新的拓扑结构,分析了它们的工作原理,并比较了它们的优缺点。
2 拓扑分类
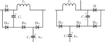
在过去的几十年里,出现了许多不同的无源无损缓冲电路的拓扑结构,它们可以用一套属性来描述[1]。为此,可划分为两类:一类是最小电压应力单元(MVS),如图1(a),图1(b)所示;另一类是非最小电压应力单元(Non-MVS),如图1(c),图1(d),图1(e),图1(f)所示。最小电压应力单元[2]仅使用一个电感和电容值较小的电容就能使主开关管电压应力最小,但实现软开关的范围不大;非最小电压应力单元[3]增加了一个电感,同时也增加了主开关管的电压应力,但与最小电压应力单元相比,在同样的电感和电容下,其软开关范围较大。而且,在小功率情况下,具有较高的效率。
(a) MVS (b) MVS
(c)Non-MVS (d)Non-MVS
(e)Non-MVS (f)Non-MVS
图 1 无 源 无 损 缓 冲 电 路 拓 扑 结 构
3 结构原理与实现方法
硬开关电路在开关时,存在3种损耗:
1)开通时,由续流二极管的反向恢复电流引起的浪涌电流,会导致较大的导通损耗;
2)开通时,MOSFET的寄生结电容放电会引起损耗;
3)关断时,MOSFET的结电容电压的快速增加,会导致较大的关断损耗。
针对硬开关电路的上述损耗构成,一个基本的无源无损缓冲电路一般都包含3个功能电路:
1)开通缓冲电路;
2)关断缓冲电路;
3)馈能电路。
常用的方法是用电感( L )与功率管串联,开通时电流只能从零增加,因而“零电流”使开通得到软化;用电容( C )与功率管并联,关断时功率管两端电压只能从零增大,因而“零电压”使关断得到软化;用二极管(D)经过一定的拓扑网络,在功率管开关过程中,将 L , C 中的存储能量反馈到电源或馈送给负载。根据变换器电路的不同,电容可直接并联于功率管,也可跨接于功率管输出与负载之间,或跨接于功率管输入端与电源正端之间。后两种跨接方式都要求功率管关断之前,电容 C 已充电到电源电压的大小。馈能电路常用的方法有:当要求一个电容的充电终了电压要大于电源电压时,则电源可通过电感给电容充电,如忽略损耗,充电终了电压将达到2倍电源电压;如一个充好电的电容,在工作中需要改变电压极性,则可通过串联一个电感实现振荡放电来完成;电感还可用于将一个电容的储能转移到另一个电容中去,当然这里还必须有二极管组成的电路配合;能量的存储或转移还可采用互感的方法等等。
无源无损缓冲电路的三功能电路结构特点,虽然无法象有源软开关方案那样,在超前或滞后主开关的控制时序下吸收能量或供给能量,以创造出真正的ZVS或ZCS条件,但它通过将开关期间的电压与电流波形错开,使二者的重叠面积最小,可以显著降低前述1)和3)项开关损耗。虽然对2)项的开关器件内寄生结电容的放电损耗,无法被无源无损缓冲电路所消除,但此种损耗较其它开关损耗低得多,对于提高整体效率作用较小。考虑到无源无损缓冲电路没有引入辅助有源器件,和其它软开关方案相比,它没有增加额外的辅助有源器件损耗,因此,在同样的开关损耗功率降低情况下,无源无损缓冲电路可以获得更高的效率提高[4]。所以,无源无损缓冲电路被广泛地应用于PWM变换器中。
4 无源无损缓冲电路在DC/DC变换器中的应用
随着电力电子技术、计算机技术、通信技术的发展,无源无损缓冲电路不仅广泛应用于PWM DC/DC变换器,PWMAC/DC整流器[5]和PWM DC/AC逆变器[6]中,而且与多电平变换器和PFC也有着密切的联系[7]。以下介绍两种无源无损缓冲电路在PWM DC/DC变换器中的最新拓扑结构。
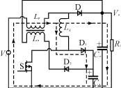
4.1 再生式的无源无损缓冲电路
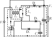
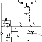
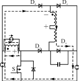
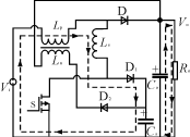
图2为文献[8]提出的一种无源再生式的软开关Boost变换器,它是传统的 L +RCD复合型缓冲电路的改进。其改进点包括:
图 2 再 生 式 无 源 无 损 缓 冲 电 路
1)去掉放电电阻 R ;
2)去掉专门的功率电感器L,巧妙地用一个同输入电感 L p耦合的小功率绕组 L a代替。
下面分析图2电路的工作过程。分析中假设:
1)输入电压 V i恒定,主电感 L p远大于缓冲电感 L s,以致输入电流 I s恒定;
2)输出电容 C o足够大,以致输出电压 V o恒定;
3)只考虑续流二极管D的反向恢复电流和主开关S的开关过渡时间,其它元器件均为理想的;
4)初始状态为S关断,D开通, i D= I s。
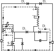
则对感性负载CCM工作情况,稳态时每个周期可以分为以下6个模态,相应的等效电路图和主要波形图如图3及图4所示。
(a) 模 态1( t 1~ t 2)等 效 电 路 [p]
(b) 模 态2( t 2~ t 3)等 效 电 路
(c) 模 态3( t 3~ t 4)等 效 电 路
(d) 模 态4( t 4~ t 5)等 效 电 路
(e) 模 态5( t 5~ t 6)等 效 电 路
(f) 模 态6( t 6~ t 7)等 效 电 路
图 3 等 效 电 路 图
图 4 主 要 波 形 图
模态1( t 1- t 2) 在 t 1时刻,S开通,电感电流 i Ls线性增大,流经二极管D的电流 i D相应减小,直到 i D=0,该模态结束;
模态2( t 2- t 3) 在 t 2时刻,二极管D关断, C s开始放电,耦合绕组 L a的感应电势使 C s上的电势自举提高,直到电容 C s储能完全释放,该模态结束;
模态3( t 3- t 4) 该模态与普通PWM Boost变换器开通状态基本相似;
模态4( t 4- t 5) 在 t 4时刻,S关断,输入电流 I s经过电感 L s,D1开始给 C s充电,直到 v Cs= V o,该模态结束;
模态5( t 5- t 6) 在 t 5时刻,二极管D导通,电流 i Ls线性减小,流经二极管电流 i D相应增大,直到 i D= I s,该模态结束;
模态6( t 6- t 7) 该模态与普通PWM Boost变换器的关断状态基本相似。
可见,该无源无损缓冲型软开关电路的关键在于:当S在ZCS下开通时,因 L p的耦合绕组 L a的感应反电势而发生电势自举,有利于电容 C s的储能经 L a向负载释放;放电完毕的 C s又为S的关断提供ZVS条件。
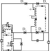
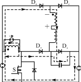
(a)原理图
(b)简化原理图
图5 具有最小电压应力的无源无损缓冲电路
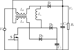
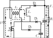
4.2 具有最小电压应力的无源无损缓冲电路
图5(a)为文献[9]提出的另一种新颖的具有最小电压应力的无源无损缓冲电路。从图中可看出,其开通/关断缓冲网络包含3个二极管Da,Dc,Ds,一个耦合电感 L 2和一个缓冲电容 C s。在开通期间,原边电感 L 1充当普通Boost变换器的升压电感。3个二极管和原来的输出二极管组成全桥,二次侧电感 L 2联接在两对串联二极管之间。缓冲电容 C s与二极管Ds并联。
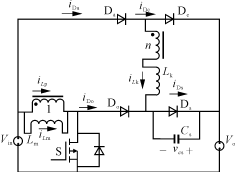
为了便于分析,将耦合电感看作励磁电感Lm,漏感 L k和变比为1: n ( n >1)的理想变压器的联合体,如图5(b)所示。假设条件基本与3.1相同,且励磁电流 I Lm为常数,初始状态为:S开通,Do关断, v Cs= V o,则稳态时,一周期有以下6个模态,相应的等效电路图和主要波形图如图6及图7所示。
(a) 模态1( t 1~ t 2)等效电路
(b) 模态2( t 2~ t 3)等效电路
(c) 模态3( t 3~ t 4)等效电路 [p]
(d) 模态4( t 4~ t 5)等效电路
(e) 模态5( t 5~ t 6)等效电路
(f) 模态6( t 6~ t 7)等效电路
图6 等效电路图
图7 主要波形图
模 态1( t 1- t 2) 在 t 1时 刻 , 主 开 关S关 断 ,Do导 通 , 输 入 电 流 I i由S线 性 地 切 换 到Do, 同 时 C s
开始向负载放电,直到完全释放,该模态结束;
模态2( t 2- t 3) 在 t 2时刻,Ds自然导通,由于耦合电感的匝数比 n >1,感应二次侧电压大于主侧电压,正的电势差使得Da导通,流经电感 L k的电流 i Lk线性增大, i o相应减小,直到 i Do=0,转到模态3;
模态3( t 3- t 4) 在 t 3时刻,Do自然关断,输入电流 I i的1/ n 经Da, L k和Ds向输出负载供电;
模态4( t 4- t 5) 在 t 4时刻,主开关管S零电压开通,流经 L k的电流 i Lk减小,直到零,该模态结束;
模态5( t 5- t 6) 在 t 5时刻,耦合电感 L k开始释放能量,给 C s充电,直到 v Cs= V o,同时向输出负载反馈多余的能量;
模态6( t 6- t 7) 当耦合电感 L k完全释放能量,该模态类似于普通PWM Boost开通状态。
可见,该新颖的具有最小电压应力的无源无损缓冲电路的所有元器件的电压应力不超过输出直流电压 V o,而且能有效地提高变换器效率,明显地扩展输入电压的范围,从而在应用于PFC中,它将是一种低价、有效的拓扑。
5 结语
本文在解决硬开关存在的3种换流缺陷的基础上,简要地比较了有源缓冲电路、RCD缓冲电路、谐振变换器和无源无损缓冲电路等4种软开关技术的优缺点,并提出了无源无损缓冲电路的结构原理和一般实现方法,以及最近在PWM变换器、三电平逆变器、三电平整流器和三电平PFC中的最新应用,重点介绍了无源再生式的软开关变换器和具有最小电压应力的无源无损缓冲电路等两种新颖的DC/DC变换器拓扑,简要地分析了它们的工作原理和优缺点,并总结了无源无损缓冲电路发挥的重要作用,从而说明无源无损缓冲电路已成为实现软开关的重要技术之一,并被引起广泛重视。
射频工程师养成培训教程套装,助您快速成为一名优秀射频工程师...

