- 易迪拓培训,专注于微波、射频、天线设计工程师的培养
三电平DC/DC变换器的拓扑结构及其滑模控制方法
摘要:首先阐述了三电平DC/DC变换器拓扑的推导过程,给出了6种非隔离三电平DC/DC变换器和5种隔离三电平DC/DC变换器拓扑结构;分析了三电平DC/DC变换器中,如何设计滤波电路的参数以提高其动态品质;最后以Buck三电平变换器和Buck睟oost三电平变换器为例,分析了滑模控制在三电平DC/DC变换器中的应用前景。
关键词:三电平;DC/DC变换器;滑模控制
1 引言
J.Renes Pinheiro于1992年提出了零电压开关三电平DC/DC变换器[1],该变换器的开关应力为输入直流电压的1/2,非常适合于输入电压高、输出功率大的应用场合。因此,三电平DC/DC变换器引起了广泛关注,得到了长足发展。目前,三电平技术在已有的DC/DC变换器中,均得到了很好的应用。部分三电平DC/DC变换器在降低开关应力的同时,还大大减小了滤波器的体积,提高了变换器的动态特性。三电平技术的应用,充分体现了“采用有源控制的方式减小无源元件体积”的学术思想。
2 三电平DC/DC变换器拓扑的推导与发展
2.1 三电平两种开关单元
文献[2]分析了三电平DC/DC变换器的推导过程:用2只开关管串联代替1只开关管以降低电压应力,并引入1只箝位二极管和箝位电压源(它被均分为两个相等的电压源)确保2只开关管电压应力均衡。电路中开关管的位置不同,其箝位电压源与箝位二极管的接法也不同。文中提取出2个三电平开关单元如图1所示。图1(a)中,箝位二极管的阳极与箝位电压源的中点相连,称之为阳极单元;图1(b)中,箝位二极管的阴极与箝位电压源的中点相连,称之为阴极单元。
2.2 六种非隔离三电平DC/DC变换器
三电平DC/DC变换器的推导过程可以总结为以下三个步骤:一是将基本变换器的开关管替换为相互串联的2只开关管;二是寻找或构成箝位电压源;三是从箝位电压源的中点引入1只箝位二极管到相互串联的2只开关管的中点,箝位二极管的放置与2只开关管与箝位电压源联接的地方有关。
为了确保2只开关管的电压应力相等,三电平DC/DC变换器一般由图1所示的两种开关单元共同组成。文献[2]所分析的半桥式三电平DC/DC变换器的推导思路,可以推广到所有的直流变换器中,由此提出了一族三电平DC/DC变换器拓扑,包括Buck,Boost,Buck睟oost,Cuk,Sepic,Zeta等6种非隔离的三电平DC/DC变换器,但是这6种非隔离的三电平DC/DC变换器的输入与输出是不共地的,这个缺点限制了它们的使用范围。
(a) 三电平阳极单元 (b) 三电平阴极单元
图1 两种三电平开关单元
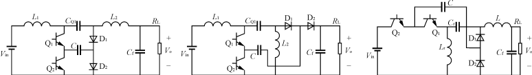
文献[10]提出将隔直电容引入到输入输出不共地的非隔离三电平DC/DC变换器中,并对变换器结构进行改进,使其输入与输出共地。改进后的变换器保留了改进前的变换器的所有优点,即:开关管的电压应力为输入电压的1/2;可以大大减小储能元件的参数;续流二极管的电压应力为输入电压的1/2。图2所示为6种输入输出共地的非隔离三电平DC/DC变换器。
(a)Buck三电平DC/DC变换器(b)Boost三电平DC/DC变换器(c)Buck-Boost三电平DC/DC变换器
(d)Cuk三电平DC/DC变换器(e)Sepic三电平DC/DC变换器(f)Zeta三电平DC/DC变换器
图2 非隔离式三电平DC/DC变换器
2.3 五种隔离三电平DC/DC变换器
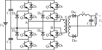
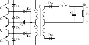
同理,可以推导出Forward,Flyback,Push-Pull,半桥和全桥等隔离的三电平DC/DC变换器[2],如图3所示。
(a) Forward三电平DC/DC变换器
(b)Flyback三电平DC/DC变换器 [p]
(c) Push-Pull三电平DC/DC变换器
(d) 半桥三电平DC/DC变换器
(e) 全桥三电平DC/DC变换器
图3 隔离式三电平DC/DC变换器
3 三电平DC/DC变换器中滤波元件参数的选择
上述6种非隔离的三电平DC/DC变换器和全桥三电平DC/DC变换器均可以得到三电平输出波形,从而大大减小了滤波元件的参数。文献[3,4]详细分析了一类零电压零电流开关复合式全桥三电平DC/DC变换器,该变换器的输出整流电压高频交流分量很小,可以减小输出滤波器,改善变换器的动态性能;同时其输入电流脉动很小,可以减小输入滤波器。
下面以Buck三电平DC/DC变换器和传统的Buck变换器中滤波器的参数设计为例进行比较。图4表明Buck三电平DC/DC变换器的电感电流最大脉动量仅为Buck变换器的1/4。如果两者电感电流脉动的最大值相同,那么Buck三电平DC/DC变换器的滤波电感量可减小为Buck变换器的滤波电感量的1/4。
图4 BuckTL变换器的电感量为Buck变换器电感的1/4
在设计一个电源时,其输出纹波大小都有明确的限制,据此,可以计算出输出滤波电容的大小。经过分析,如果电感电流脉动相同,Buck三电平DC/DC变换器的输出滤波电容放电频率较Buck变换器提高了1倍,因此其滤波电容是可以减小为Buck变换器滤波电容量的1/2。考虑到电容寄生参数的影响,滤波电容的值要适当放大,并采用多个较小容量电容并联的方式以减小等效串联电阻(ESR)。 [p]
4 滑模控制在三电平DC/DC变换器中的应用研究
在实际应用中,因为三电平DC/DC变换器开关数目比较多,控制相对比较复杂,对它的控制方法的研究还处于起步阶段。三电平DC/DC变换器工作时有多个模态,且每个模态有其独立的状态方程,要对三电平DC/DC变换器进行系统的解析分析比较困难。目前,三电平DC/DC变换器中一般采用脉宽调制(PWM)和交错控制相结合的方法。但是PWM控制有其固有的缺陷,即它的控制性能依赖于系统参数。当系统受到瞬态或持续扰动时,系统的参数也会改变,甚至会出现参数不匹配的情况,这样控制性能将大大降低。
为了提高和改善三电平DC/DC变换器的稳定性,抗负载扰动及参数摄动,快速性等,现代控制理论如自适应控制,非线性反馈线性化控制,滑模变结构控制,最优控制,以及模糊控制,神经网络等智能控制在三电平DC/DC变换器中的应用研究也将逐步开展。但目前还尚未有文献论述。
其中,滑模变结构控制在电力电子系统中改善鲁棒性,动态品质,控制硬件电路的设计等方面取得了一些成果[8,9]。滑模控制本质上是一种变结构控制,它的突出优点是其控制性能不依赖于系统参数。文献[8]详细介绍了DC/DC变换器的滑模变结构控制,论述了如何以等效控制作为分析手段来分析Buck,Boost,Buck睟oost变换器,该方法保证了系统在大信号和小信号情况下的稳定性。
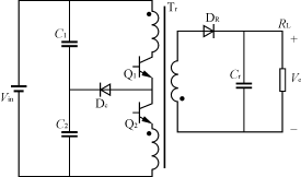
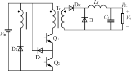
对于三电平DC/DC变换器,由于其特有的多模态工作情况,很适合于采用滑模变结构控制来实现和改善变换器的动态性能和鲁棒性。图5给出了Buck三电平DC/DC变换器的实验原理图,图6给出了Buck睟oost三电平DC/DC变换器的实验原理图。滑模控制硬件电路实现简单,理论上有无限高的开关频率,但是受实际开关器件的频率限制,要求在滑模控制的控制信号输出端加一个延迟环节,一般采用施密特触发器来实现。400Hz驱动信号是用来实现电压输入扰动和负载扰动,以验证滑模控制对这两个扰动的鲁棒特性。
图5 基于滑模控制的Buck三电平DC/DC变换器实验原理图
图6 基于滑模控制的Buck睟oost三电平DC/DC变换器实验原理图
但是,由于三电平DC/DC变换器的开关数目比较多,不再是简单的{0,1}标量控制,这给滑模面的选择和控制律的选取造成了一定的困难。关于这方面的研究,作者将在另文中作进一步的探索。
5 结语
本文从三电平DC/DC变换器拓扑的推导过程,三电平DC/DC变换器中滤波元件参数的设计,以及三电平DC/DC变换器中控制方法的研究等几个方面详细论述了近年来三电平DC/DC变换器研究的现状。
射频工程师养成培训教程套装,助您快速成为一名优秀射频工程师...

