- 易迪拓培训,专注于微波、射频、天线设计工程师的培养
推挽变换器在软开关与硬开关工作模式下的比较研究
摘要:对于工作在软开关和硬开关两种模式下的推挽结构的DC/DC变换器作了比较研究,分析了它们各自的优缺点,并从工程应用角度出发,研制了一台300W的DC/DC变换器。
关键词:推挽变换器;串联谐振;软开关;硬开关
1 引言
在DC/DC升压式电路中,通常采用的拓扑结构有Boost、Buck睟oost和推挽三种。而当输入电压比较低(如单节蓄电池供电时仅12V),功率不太大的情况下,一般优先采用推挽结构。
硬开关在推挽电路中应用已比较成熟,本文先针对硬开关技术,分析其在工程应用中存在的弊端,进而引入软开关技术[2,3,4],并作一比较分析。最后,按照产品设计要求,研制了一台300WDC/DC变换器。结果表明,运用这种拓扑结构设计的升压变换器具有诸多优点。
2 硬开关电路
2.1 工作原理
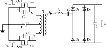
图1为推挽式硬开关电路的工作原理图[1]。它有3种工作模式:
图1 硬开关电路原理图
模式1 Q1导通,Q2截止,原边电流流经Q1,同时变压器副边电流通过D1和D4向负载供电;
模式2 Q2导通,Q1截止,原边电流流经Q2,同时变压器副边电流通过D3和D2向负载供电;
模式3 Q1和Q2都截止,原边不向副边传输能量,则负载的能量来自副边的滤波电感L和滤波电容 C 。
2.2 分析
图2和图3是变换器工作时功率管两端的电压波形。由于电感的原因,功率管导通电压降呈锯齿波形,见图3中的 v dson。
图2 功率管工作波形
图3 功率管导通电压降
变换器工作条件如下:
V i=12V, V o=200V, I o=1.5A;
f s=50kHz, L =200μH, R 1= R 2=10Ω/2W,
C 1= C 2=0.01μF,功率管为BUZ100SL。
测得整机效率仅为74%,且功率管发热比较严重。通过改变吸收电路参数,并联功率管,调节输出滤波参数显示,并联功率管和适当增加 L 值可以明显提高整机的效率(见表1)。具体分析如下:
1)增大吸收电容,可以降低功率管关断时的冲击电压,减小功率管的关断损耗,但通过吸收电容转移过来的能量必须由吸收电路中的功率电阻在一个开关周期内给消耗掉,故整机效率还是没有提高,只是实现了功耗的转移。
2)并联功率管时,开关导通电阻减小,在导通电流不变的情况下,开关的导通损耗下降,整机效率得以提高;
3)增大输出滤波电感时,折算到原边的电感也随之增大,由
L
=
V
i可知,此时流经功率管电流的变化率降低,电流的峰值下降,则开关的导通损耗也随之下降。但当电感增大到一定值时,由于电感自身损耗的增加大于开关导通损耗的减小,则整机效率反而下降。
表1 硬开关时效率随参数变化情况
| 电感 L /μH | 100 | 200 | 400 | 500 | |
|---|---|---|---|---|---|
| 效率/% | 单管 | 72 | 74 | 82 | 80 |
| 并管 | 75 | 78 | 88 | 84 | |
3 软开关电路
3.1 工作原理
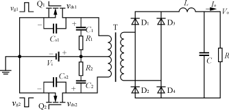
图4为软开关电路的原理图,图5是理想工作波形。它有4种工作模式:
图4 软开关电路原理图 [p]
图5 理想工作波形
模式1 [0, t 1]Q1在零电压下导通,通过 L r、 C r谐振,当流经Q1的电流谐振到零时,Q1实现零电流关断;
模式2 [ t 1, t 2]Q1关断而Q2还未导通时,通过变压器剩余的激磁电流,使 C s1充电至2 V i、同时 C s2上的电压放电到零;
模式3 [ t 2, t 3]Q2在零电压下导通,通过 L r、 C r的谐振,当流经Q2的电流谐振到零时,Q2实现零电流关断;
模式4 [ t 3, t 4]Q2关断而Q1还未导通,通过变压器剩余的激磁电流,使 C s2充电至2 V i、同时 C s1上的电压放电到零。
3.2 实验结果
1)元器件及参数
在硬开关实验装置的基础上,调整部分元器件及参数。
(1)变压器
磁芯仍用EE55,变比由2:2:50改为2:2:42;副边漏感为50μH。
(2)谐振电容
2π
f
s=
C
r=
(1)
式中: f s=50kHz为变换器的工作频率;
L r=50μH为变压器的漏感,即谐振电感;
C r为谐振电容,由式(1)可得电容为0.2μF。
(3)吸收及滤波参数
去掉吸收电路元件 R 1、 C 1、 R 2、 C 2及滤波电感 L 。
(4)功率管
采用BUZ100SL双管并联工作。
2)分析
图6~8为变换器工作在软开关模式下的波形。其中图6是仿真波形,图7和图8是实验波形。由于功率管是在零电压下开通和零电流下关断,功率管的电压应力(图7)相对于硬开关时(图2)要小。由于功率管是在零电流下开关,故变压器副边侧的整流二极管也工作于软开关下,所以变换器效率能得到很大程度的提高,经测试,最高可达92.5%。
图6 功率管电压波形
图7 功率管工作电压波形
图8 谐振电流波形
4 比较分析
为进一步揭示软开关工作的优势,在同样的工作前提条件下,对两种工作模式作一实验比较分析。 [p]
4.1 工作前提条件
输入/输出电压 12V/200V
输出电流 1.5A
变换器的工作频率 50kHz
功率管(双管并联) BUZ100SL×2
4.2 元件比较
由于变压器原副边的匝比降低,所以工作于软开关模式下的变压器可采用EE50磁芯和骨架。
表2列出了两种电路采用的不同元件。
表2 硬开关与软开关两种电路所需元件比较
| 开关类型 | 变压器磁芯和骨架 | 输出滤波电感 | 输出滤波电容 | 谐振电容 | 吸收电路 |
|---|---|---|---|---|---|
| 硬开关 | EE55 | 360μH | 220μF/250V | 不需要 |
R
=10Ω/2W
C =0.01μF/50V |
| 软开关 | EE50 | 不需要 | 3.3μF/250V | 0.2μF/250V | 不需要 |
主要性能比较参见表3。
表3 硬开关与软开关两种电路主要性能比较
| 开关类型 | 最高效率 | 功率管电压应力 | 输出电压纹波 | EMI |
|---|---|---|---|---|
| 硬开关 | 88% | ≈3Vi | <1.5% | 一般 |
| 软开关 | 92.5% | 2Vi | <0.5% | 较小 |
4.4 效率比较
从图9中可看出,推挽变换器在软开关模式下工作效率比起硬开关模式要高。但其效率随输出功率的变化而变化。
图9 变换器的效率
5 结语
根据以上的理论分析及实验验证可知,采用串联谐振软开关技术设计的DC/DC变换器与采用硬开关技术设计的变换器相比,具有效率高,重量轻,体积小,成本低,输出电压纹波小等优点。
射频工程师养成培训教程套装,助您快速成为一名优秀射频工程师...

