- 易迪拓培训,专注于微波、射频、天线设计工程师的培养
多电平变换器拓扑结构和控制方法研究
摘要:多电平变换器作为一种应用于高压大功率变换场合的新型变换器,其电路拓扑结构和PWM控制方法是当前的一个研究热点。基于电平箝位方式对多电平变换电路进行了分类,比较了“二极管或电容箝位”和“使用独立直流电源箝位”两类典型多电平电路拓扑结构的优缺点,并将现有的多电平PWM控制方法根据其优缺点进行了比较,指出了其适用范围。
关键词:多电平;脉宽调制;电平箝位;拓扑结构;控制策略
1 引言
近年来,应用于高压大功率领域的多电平变频器引起了电力电子行业的极大关注。由于受电力电子器件电压容量的限制,传统的两电平变频器通常采用“高—低—高”方式经变压器降压和升压来获得高压大功率,或采用多个小容量逆变单元经多绕组变压器多重化来实现,这使得系统效率和可靠性下降。因而,人们希望实现直接的高压逆变技术。基于电力电子器件直接串联的高压变频器对动静态的均压电路要求较高,并且输出电压高次谐波含量高,需设置输出滤波器。多电平逆变电路的提出为解决上述问题取得了突破性的进展。
多电平逆变器的一般结构是由几个电平台阶合成阶梯波以逼近正弦输出电压。这种逆变器由于输出电压电平数的增加,使得输出波形的谐波含量减小,开关所承受的电压应力减小,无需均压电路,可避免大的d v /d t 所导致的电机绝缘等问题。1977年德国学者Holtz首次提出了利用开关管来辅助中点箝位的三电平逆变器主电路,1980年日本的A.Nabae等人对其进行了发展[1],提出了二极管箝位式逆变电路。Bhagwat和Stefanovic在1983年进一步将三电平推广到多电平的结构[2]。多电平逆变器主要应用在高压大功率电机调速、无功补偿、有源滤波等领域。
本文在电平箝位基础上对多电平逆变电路拓扑结构进行了分类,分析了几种典型多电平电路拓扑的优缺点;对几种多电平电路的PWM控制方法进行了比较分析,讨论了各种方法适用的主电路结构。
2 多电平逆变电路的主电路拓扑分析
至今已提出多电平逆变电路的多种主电路拓扑结构,目前应用较为广泛的几种按照电压箝位方式可以分为两大类:
1)使用无源元器件如二极管或电容箝位的多电平逆变电路拓扑,包括二极管箝位式、电容悬浮式、电容电压自平衡式3种;
2)使用独立直流电源箝位的多电平逆变电路拓扑,包括功率单元串联和混合单元串联2种。
2.1 二极管或电容箝位的多电平逆变电路拓扑
2.1.1 二极管箝位式多电平逆变电路
二极管箝位式多电平逆变电路的特点是采用多个二极管对相应的开关器件进行箝位,同时利用不同的开关组合输出所需的不同电平。图1是二极管箝位式5电平逆变电路拓扑结构,它具有4个电容,能输出5电平的相电压,线电压为9电平。对于M电平电路,直流侧需 M -1个电容,能输出M电平的相电压,线电压为(2 M -1)电平。它的输出电压和输出电流的总谐波畸变率都大大减小。这种结构有显著的优点,即利用二极管进行箝位,解决了功率器件串联的均压问题。
图 1 二 极 管 箝 位 式 5电 平 逆 变 电 路
Fig.1 Three phases five levels diode neutral point clamped converter
但是,二极管箝位式多电平变频器也有如下缺点。
1)虽然开关器件被箝位在 V dc/( M -1)电压上,但是二极管却需要不同倍数的 V dc/( M -1)反向耐压。如果使二极管的反向耐压与开关器件相同,则需要多管串联,如图2(a)所示,其数目为( M -1)( M -2)/2,当 M 很大时,增加了实际系统的实现难度。
2)当逆变器只传输无功功率时,电容器在半个周期内由相等的充电和放电来平衡电容电压。但是当逆变器传输有功功率时,由于各个电容的充电时间不同,将形成不平衡的电容电压。
上述的二极管箝位式多电平逆变电路中的二极管承受电压不均匀,若按照最大值选择则造成浪费,如果多管串联又会产生均压问题。因此,在1999年Xiaoming Yuan提出了一种新的结构[3],如图2(b)所示。它的器件个数和开关控制的方法和原来的结构完全相同,只有二极管的放置位置不同。该结构不但将开关管的电位箝位在单个电容电压,而且箝位二极管也被箝位在单个电容电压以内,从而解决了箝位二极管承受电压不均的问题。
( a) 二 极 管 串 联 箝 位 ( b) 二 极 管 自 箝 位
(a) Series diodes clamped converter ( b) Diodes self clamped converter
图 2 二 极 管 箝 位 的 新 结 构
Fig.2 New topology of diodes clamped convertor [p]
2.1.2 电容悬浮式多电平逆变电路
在1992年,T.A.Meynard和H.Foch提出了如图3所示结构。它的特点是箝位二极管被箝位电容所代替,直流侧电容不变,其工作原理与二极管箝位式逆变器相似。 M 电平逆变器可输出 M 电平相电压,(2 M -1)电平的线电压。
图 3 电 容 悬 浮 式 5电 平 逆 变 电 路
Fig.3 Three phases five levels capacitance neutral point clamped converter
这种结构相对于二极管箝位式逆变器的优点是:
1)在电压合成方面,开关状态的选择具有更大的灵活性;
2)由于电容的引进,可通过在同一电平上不同开关的组合,使直流侧电容电压保持均衡;
3)可以控制有功功率和无功功率的流量,因此可用于高压直流输电。
但是,这种拓扑也有缺点:
1)对于这种结构,M电平的逆变器每个桥臂就需要( M -1)( M -2)/2个电容,再加上直流电源的 M -1个电容,大量的电容使得系统成本高且封装不易;
2)控制方法非常复杂,实现起来很困难;
3)存在电容的电压不平衡问题。
2.1.3 电容电压自平衡式逆变器
这种结构是2000年由Peng Fangzheng首次提出的[4],是以电容箝位的半桥结构为基本单元组成的。多级电路是由基本单元按金字塔结构形成的。图4为5电平的电容电压自平衡式逆变器。在图4中,开关器件Sp1,Sp2,Sp3,Sp4,Sn1,Sn2,Sn3,Sn4和二极管Dp1,Dp2,Dp3,Dp4,Dn1,Dn2,Dn3,Dn4用来在输出端输出所需电平,其他开关器件、二极管和电容用于电平箝位以实现单元的自动均压。
图 4 电 容 电 压 自 平 衡 式 5电 平 逆 变 器 单 相 电 路
Fig.4 Five levels self voltage balancing converter [p]
这种结构与以上所述的二极管箝位式和电容箝位式结构比较有以下优点:
1)实现了电容电压的自动箝位,不需要复杂的电容电压平衡控制算法;
2)将此结构的输出端和输入端交换,可以用相同电路实现功率的双向流动,所以,这种结构应用范围广泛,可以实现 DC/DC, DC/AC, AC/DC的功率转换。
该结构的缺点:
1)当电平增加时,所需要的电容和功率开关数目都会增加许多,使得系统的成本和体积增大;
2)由于使用了大量的功率开关和箝位电容,使得电路在工作时的开关损耗增大;
3)随着电路级数的增加,由于功率开关的通态压降引起的每级电压降落将越来越明显。
2.2 具有独立直流电源的级联式多电平逆变器
以上使用无源元器件箝位的多电平逆变器拓扑都是采用半桥结构,下面分析的功率单元串级逆变电路[5]和混合单元的串级逆变电路,其基本单元都是基于全桥结构的。级联式多电平逆变器拓扑结构是将进行了相对位移的复合H桥逆变器模型串联起来,通过合成输出多电平电压波形。
2.2.1 功率单元串联逆变电路
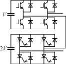
以基本单元为基础,根据系统对输出电压、电平数的要求可决定串联的单元数。每相串联的单元数为 M ,则输出相电压波形所含电平数为2 M +1,输出线电压波形所含电平数为4 M +1。图5是Y型连接的三相七电平串级电路结构。
图 5 Y型 连 接 的 三 相 7电 平 串 级 逆 变 器 电 路
Fig.5 Connected shape three phases seven levels cascade converter
相对于传统中点箝位逆变电路,串级逆变电路有下列优点:
1)直流侧采用相互分离的直流电源,不存在电压均衡问题;
2)结构简单清晰,控制方法相对简单,可分别对每一级进行PWM控制;
3)H桥单元结构,为模块化设计、制造带来方便,另外,当H桥出现故障,可将其旁路,余下的单元可以继续工作。
这种结构的缺点在于:每个单元需要一个独立的直流电源。随着电平数的增加,串级电路单元使用的直流电源数也将大量增加。
2.2.2 混合单元串联逆变电路
通常,开关速度快的器件(例如MOSFET、IGBT)的电压容量比较低,而高电压容量的器件(例如GTO、IGCT、IEGT)的开关频率又较低。为了用更少的单元得到更多的电平,基于“混合功率单元[6]”的串级逆变电路得到了发展。这种结构是传统功率单元串联逆变电路的推广。
文献[7]提出了对2个独立单元的直流箝位电源采用电压比为1:2,一个单元使用IGBT,另一个单元使用IGCT的混合串级逆变电路,IGCT单元上的电压2倍于IGBT单元,如图6所示。在控制上,以基波开关IGCT,以PWM方式调制IGBT。比起功率单元串级电路,这种混合单元的串级电路有一个优点:由于2个单元预先给定的电压不同,IGBT单元和IGCT单元可以通过控制各自功率器件的开断来相互协调,从而实现单相7电平的输出。这种结构达到了用更少的单元得到更多电平的目的。
图 6 IGBT和 IGCT组 成 的 混 合 单 元
Fig.6 Hybrid cell with IGBT and IGCT [p]
该混合单元输出各个电平时两个单元的开关状态如表1所示。
表1 电压比为1:2时输出电平状态
Table 1 The output level status when voltage ratio as 1:2
| 输出电压范围 | IGCT输出 | IGBT输出 |
|---|---|---|
| -3—-2 | -2 | 0—-1 |
| -2—-1 | -2 | 0—1 |
| -1—0 | 0 | 0—-1 |
| 0—1 | 0 | 0—1 |
| 1—2 | 2 | 0—-1 |
| 2—3 | 2 | 0—1 |
类似的,可以将两个单元的电压比设为1:3,控制方法与1:2的结构类似。开关状态如表2所示。
表2 电压比1:3时输出电平状态
Table 2 The output level status when voltage ratio as 1:3
| 输出电压范围 | IGCT输出 | IGBT输出 |
|---|---|---|
| -4—-3 | -3 | -1—0 |
| -3—-2 | -3 | 0—1 |
| -2—-1 | -3—0 | 1—-1 |
| -1—0 | 0 | -1—0 |
| 0—1 | 0 | 0—1 |
| 1—2 | 0—3 | 1—-1 |
| 2—3 | 3 | -1—0 |
| 3—4 | 3 | 0—1 |
3 多电平逆变电路的控制方法
过去的20年中,人们提出了大量的多电平变换器PWM方法,其中大多数已获得了实际应用。这些控制方法可分为两大类:三角载波PWM技术和直接数字技术(空间电压矢量法SVPWM),它们都是2电平PWM在多电平中的扩展。
3.1 三角载波PWM方法
3.1.1 消谐波PWM(SHPWM)法
消谐波PWM法[8]的原理是电路的每一相使用一个正弦调制波和几个三角波进行比较,在正弦波与三角波相交的时刻,如果正弦波的幅值大于某个三角波的值,则开通相应的开关器件,否则,则关断该器件。为了使 M -1个三角载波所占的区域是连续的,它们在空间上是紧密相连且对称地分布在零参考量的正负两侧。消谐波PWM是2电平三角载波PWM在多电平中的扩展。
3.1.2 开关频率最优PWM(SFOPWM)法
开关频率最优法[8]是Steinke提出的,它和SHPWM法类似,也是由2电平三角载波PWM扩展而来。它的载波要求与SHPWM法相同,不同的是它在正弦调制波中注入了零序分量。对于一个三相系统,这个零序分量是三相正弦波瞬态最大值和最小值的平均值,所以SFOPWM的调制波是三相正弦波减去零序分量后所得到的波形。这种方法通过在调制波中注入零序分量而使得电压调制比达到1.15。但是该方法只能用于三相系统。因为在单相系统中注入的零序分量无法互相抵消,从而在输出波形中存在三次谐波,而在三相系统中就不会有这种问题。实际上,这种零序分量注入的方法在本质上与电压空间矢量法是一致的,它相当于零矢量在半开关周期始末两端均匀分布的空间电压矢量法[9]。所以,SFOPWM法可以看成是2电平空间电压矢量法在多电平变换器控制中的推广。
3.1.3 三角波移相PWM(PSPWM)法
三角载波移相PWM法[10]是一种专门用于级联型多电平变换器的PWM方法。这种控制方法与SHPWM方法不同,每个模块的SPWM信号都是由一个三角载波和一个正弦波比较产生,所有模块的正弦波都相同,但每个模块的三角载波与它相邻模块的三角载波之间有一个相移,这一个相移使得各模块所产生的SPWM脉冲在相位上错开,从而使得各模块最终叠加输出的SPWM波的等效开关率提高到原来的 K eff倍,在不提高开关频率的条件下大大减小了输出谐波。
3.1.4 三角载波移相——开关频率最优PWM(PS-SFOPWM)法
这是对3.1.2和3.1.3所述方法的推广[11],将PSPWM法和SFOPWM法相结合,三角载波采用PSPWM中的方法,调制波采用SFOPWM中的方法来确定。这种新的方法兼具PSPWM和SFOPWM的优点,在相同的开关频率下,等效开关频率提高到原来的 K eff倍,电压调制比提高到1.15倍。但是同时,这种方法又受到PSPWM法和SFOPWM法的局限性的限制,因此,PS-SFOPWM最适用于三相级联型多电平变换电路。
3.2 空间电压矢量PWM方法
多电平PWM的空间电压矢量法与其它方法比较是较为优越和应用广泛的一种,其优越性表现在:在大范围的调制比内具有很好的性能,无其它控制方法所需存储的大量角度数据,并且母线利用率高[12]。多电平空间矢量PWM是根据2电平空间矢量控制法推广得到的,可以认为多电平空间矢量控制思想与2电平是一致的。对某一个空间电压矢量,是用该区域相应的电压矢量适时切换合成所得。所不同的是多电平的电压矢量更密集,模大小可选择的种类更多,合成时过渡更自然,合成的磁链更接近圆磁场,因而控制更精确,输出电压谐波更小。但是,这样也带来了控制上的复杂性,当应用于5电平以上的多电平电路时其控制算法将变得非常复杂。另外,若采用传统的“最近三矢量”还会出现“窄脉冲”问题。针对电路复杂这一问题,文献[13]提出了一种新型的多电平最优空间矢量PWM控制方案,这种方法基于空间矢量PWM控制思想,从三相参考电压到8个待选的空间矢量和参考电压矢量,然后选择与参考电压矢量最接近的空间矢量。这种方法不受电平数增加的影响,解决了算法随着电平的增加而非常复杂的问题。对于“窄脉冲”问题,文献[12]提出了不同于传统方法的“非最近三矢量”和“非最近四矢量”法以克服这一问题。
3.3 控制方法适用的主电路结构
根据以上分析,可以得到以下结论:
1)在应用中,当变换器电平数超过5时,空间矢量PWM法将非常复杂,为了简化控制算法,三角载波PWM是较好的选择;
2)SHPWM法和SFOPWM法既可以用于箝位式电路又可以用于级联式电路,而PSPWM法和PS-SFOPWM法只适合用于级联式电路,SFOPWM法和PS-SFOPWM法由于在正弦调制波中注入了零序分量,因而只适合用于三相系统;
3)对于单相级联式多电平变换器,PSPWM法的控制效果最好;
4)对于三相级联型多电平变换器,PS-SFOPWM法由于提高了等效开关频率,较之SFOPWM法具有更好的控制效果。
4 结语
电平箝位问题不但可以作为多电平逆变电路拓扑结构的分类出发点,而且也是研究开发新型多电平逆变电路结构的一个关键问题。本文按照多电平变换逆变电路中的电平箝位方式对其进行了分类,主要分析了基于二极管或电容箝位的“中点箝位逆变电路”和“具有自动均压功能的逆变电路”,使用独立电源箝位的“H桥功率单元串级逆变电路”和由其改进的“混合单元串级逆变电路”;在讨论混合单元串级逆变电路时,得出了各个单元在不同电压比时功率器件的开关情况。
对于多电平逆变电路的控制方法,本文分析了基于三角载波的消谐波PWM法、开关频率最优PWM法和移相PWM法,以及空间电压矢量PWM法;并对几种方法的应用进行了讨论比较,最后分析出了各种控制方法最适用的电路结构。
射频工程师养成培训教程套装,助您快速成为一名优秀射频工程师...
天线设计工程师培训课程套装,资深专家授课,让天线设计不再难...
上一篇:不对称半桥变换器的研究
下一篇:LED显示屏用电源的设计

