- 易迪拓培训,专注于微波、射频、天线设计工程师的培养
LED显示屏用电源的设计
摘要:介绍一种5V/120ALED显示屏专用电源的设计方案,简述无损吸收技术和原边电流合成技术在电路中的应用,并给出了实验结果。
关键词:有源功率因数校正;双正激变换;无损吸收
1 引言
LED显示屏是一种迅速发展起来的新型信息显示媒体。随着我国经济的不断发展,已被广泛应用于车站、宾馆、银行、医院等公共场合。显示屏电源是其重要组成部分,主要用来给显示屏发光二极管提供必要的工作电流,保证屏体正常显示。为简单起见,通常采用由一小功率电源带3到4个显示驱动板的供电方案。这样,一个较大面积的显示屏需要配接许多电源模块,例如一个2m×1.5m的屏体,就需要提供24个5V/20A的模块电源。该设计存在以下的缺点。
1)接线复杂 每一个电源均需单独地配置交流输入线、直流输出线。
2)电源冗余度差 在大多数情况下,屏体显示内容为文字、动画、图片,每个显示驱动板消耗的电流不一样,可能某些电源模块过载,而另一些模块空载。此外,若某一电源失效,会造成屏体的一部分黑屏。
3)电源过载能力差,利用率低 屏体在工作时消耗的电流随画面的内容、颜色、亮度而变化,大部分时间电流较小,而大面积高亮度的画面虽消耗电流大,但持续时间短。考虑到LED是恒流驱动的,只要驱动板可正常工作,供电电压可以降低一些。电源最好有下拖形状的限流特性,而不是通常的较陡峭形状的限流特性,以保证有较好的过载能力、较高的利用率。
考虑到以上各点,提出新的供电方案如下:
1)集中供电,采用n+1冗余方案。
2)电源模块设计适当的输出电流,模块可均流。保证屏体装配工艺易实现n+1冗余。
3)电源模块有下拖形状的限流特性以保证有较好的过载能力、较高的利用率。
4)电源模块有扁平的外形,自然散热,易于在屏体上安装,并利用屏体散热。
5)电源模块带APFC,减小对电网的干扰,适应电网的波动。
2 电路设计
采用集中供电方案可避免分散供电的缺点,但要求电源的可靠性更高,否则电源一旦失效会造成整屏的黑屏,而不是部分黑屏。提高电源可靠性的最积极的办法为提高变换效率,减少发热量,同时选用可靠性高的线路与器件。
2.1 AC/DC电路设计
传统的AC/DC全波整流电路采用的是整流+电容滤波电路。这种电路是一种非线性器件和储能元件的组合,输入交流电压的波形是正弦的,但输入电流的波形发生了严重的畸变,呈脉冲状。由此产生的谐波电流对电网有危害作用,使电源输入功率因素下降。在本设计中整流电路部分采用有源功率因数校正电路(APFC),避免了上述缺点。其电路如图1所示。
图1 PFC无损吸收主电路
与典型PFC主电路不同的是此电路选用了无损吸收缓冲网络。该网络降低了开关管的开关损耗,提高了其稳定性,增强了其使用寿命。它利用一组无源元件,使开关管实现了零电流开通和零电压关断,提高了电源的工作效率,且相对于其它谐振软开关电路,降低了生产成本。
下面通过分析PFC主开关Q的工作过程来说明此无损吸收缓冲网络的工作原理。
1)Q导通时,因为电感 L 2中电流不能突变,且 C 2、 C 1电压不能突变,Q中的的电流从零开始增加,缓慢上升。通过D4的电流 i D4渐减。Q实现零电流开通,导通的损耗较小。
2)当电流 i D4减少为零时,D4进入反向恢复状态,通过电感 L 2的电流 i L2= i L1+ i rD4。D4反向电流 i rD4的变化率受到电感L2的控制,反向恢复损耗降低。
3)主电感 L 2中电流缓慢增加,Q上的电压 u Q下降。电容 C 2通过D2、 C 1、 L 2、Q放电, C 2上的电压 u C2下降。
4)当 u C2下降为零时, C 2中的能量完全转向 C 1、 L 2。 L 2中的电流饱和不变, u Q下降变为零,Q完成零电流开通过程。
5)Q保持开通状态,与普通PFC电路的开关管状态相同。
6)Q关断时, L 2中的电流 i L2通过D1流向 C 2, C 2从零开始充电,Q实现零电压关断,关断损耗较小。二极管D2、D3使 u C2最终钳位在输出电压 V L。
7) L 2在导通时存储的能量通过D1、D2流向 C 1, L 2逐渐复位。当 L 2复位后, C 1中的能量通过D3输出。
8)当C1两端电压变为零时,D4正向导通。Q完成零电压关断过程。
9)Q保持关断状态直到开始进入新的开关循环过程。
Q的开关波形如图2所示;Q的实测导通时间和关断时间如图3所示。(电源负载22A)
图2 Q的D-S极之间开关波形
图3 Q的导通时间和关断时间
从以上分析可知此无损吸收网络具有以下几个特点。
1)Q的最大工作电压等于输出电压 V L。
2)PFC电路的输出二极管D4的耐压是 V L与电感 L 2的反向电压之和。
3)Q中的电流上升率,即Q的开通损耗决定于电感 L 2两端电压和 L 2的电感量。
4)Q两端的电压上升率,即Q的关断损耗决定于流过电容 C 2的电流和 C 2的容量。
5)由于开关动作引起的存储在 L 2和 C 2中的能量最终都输出给了负载,保证了转换器的工作效率。 [p]
2.2 DC/DC主电路设计
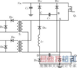
DC/DC主电路采用单端双正激电路。单端双正激电路相对于其它拓扑电路结构,开关管承受电压低,在控制电路设计中不必担心共态导通问题,也不会因电路不对称发生高频变压器单向偏磁,即不存在变压器饱和问题,是一种可靠性较高的电路。考虑到整机的高度不超过60mm,以及变压器工艺、安装、散热的要求,DC/DC变换采用双变压器、双输出电感结构。变压器原边并联,副边各自用一个输出电感,如图4所示。
图4 双正激无损吸收主电路
该电路的无损吸收网络不同于AC/DC部分电路所采用的无损吸收网络。它仅使开关管完成了零电压关断过程。以下以开关Q2为例(Q1与Q2变化状态相同),简述该网络的工作原理。
1)导通过程
Q1、Q2开通时,除一路电流通过Q1、T1副边、Q2外,另一路电流流过Q1、 C 5、 L 7、D10、 C 7、Q2形成 LC 振荡回路, C 5、 C 7被充电。当A与B点之间的电压 u AB等于主电路电压 V DC时,由于D10的单向导电性,振荡结束。电感 L 7起限制 C 7、 C 5中的电流变化的作用。Q1、Q2中流过的电流为从副边折算到原边的负载电流与 C 5、 C 7充电电流之和。
2)关断过程
Q1、Q2关断时,由于B点对地电压为零, C 7从零开始充电,Q2对地电压 u Q2缓慢上升,Q2零电压关断。加在Q2上的电压因二极管D15的钳位作用,最终为 V DC。因此,B点电压升为 V DC。Q2实现零电压关断过程。
由于变压器励磁电感、漏感及引线寄生电感所引起的感应电势的能量通过 C 7、D14返回电源,Q2上的电压维持在 V DC直到变压器原边磁通复位。此时,Q1、Q2上的电压分别为 V DC/2直到新的工作周期。
Q2的开通期间与关断期间的状态与普通开关管同期间的状态相同。
图5为实测Q2开关波形。图6为实测Q2零电压关断波形。
图5 Q2的D-S极开关波形
图6 Q2的关断时间
从以上分析中,可以总结出以下特点。
1)电路中每个开关管的最大工作电压等于电源电压。
2)Q1、Q2关断的电压上升率分别决定于电容 C 5、 C 7的容量。
2.3 控制电路设计
为保证电源安全可靠地工作,电路设计中采用TOP224Y制作一反激式开关电源作为辅助源,如图7所示。其两路输出分别为AC/DC部分和DC/DC部分的控制电路供电。
图7 辅助电源电路 [p]
AC/DC控制部分使用PFC控制芯片UC3854B。交流输入过、欠压、PFC变换直流电压(400V)过、欠压时都关闭UC3854,使PFC部分停止工作。这些故障信号通过隔离光耦传递到DC/DC控制电路,以达到在AC/DC部分工作不正常时保护主开关管的目的。
DC/DC控制部分使用了PWM控制芯片UC3846,采用峰值电流型控制模式。峰值电流型控制模式相对于电压控制模式,负载响应速率快,具有逐脉冲限流特性,容易获得下拖形状的限流特性,非常适合在此应用。
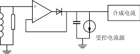
n +1冗余应用时,多模块必须有均流功能。该电源输出电流较大,直接从DC输出用分流器取电流信号功率损耗较大,同时装配工艺较复杂。因此,本设计采取了原边电流合成的方法。
用电流传感器取出开关管导通时变压器原边的电流信号。该信号包含了变压器的励磁电流信号与输出电感电流折算到变压器原边的电流信号。因输出电感折算到原边的电流远大于变压器的励磁电流,所以可认为电流传感器取出的即为输出电感的充磁电流。这是输出电感电流的上升部分,只要模拟出输出电感续流时的下降部分,合成后即可得到输出电感的电流信号,也为输出电流信号。取出该合成后的电流信号后就可用于电流保护的控制与均流控制上了。
如图8所示,把电流传感器取出的电流信号经高速单向缓冲后向一电容充电。开关管导通时关闭恒流源,而开关管关断时打开恒流源对电容恒流放电。在选择合适的电路参数后,电容上的电压波形就与输出电感上的电流成比例,放大后就可得到输出电感电流,也即输出电流。
图8 输出电流合成电路
3 实验结果
对样机的测试指标如下
输入电压范围 AC150~270V
输出电压范围 DC4.6~6.3V
输出电流 >120A
效率 >80%
散热方式 自然散热
限流特性 下拖
厚度 60mm,可安装在LED显示屏体上
用两台样机试验均流如下:
A机5.6V B机5.3V不接均流线B机不工作
A机5.6V B机5.3V接均流线A机输出34A,B机输出33A。
4 结语
随着这种电源应用量的不断增加,证明出其具有较高的工作效率和良好的可靠性,是一种性价比较高的产品。
射频工程师养成培训教程套装,助您快速成为一名优秀射频工程师...

