- 易迪拓培训,专注于微波、射频、天线设计工程师的培养
高频开关电源中隔离降压式DC/DC变换器的制作方法
1引言
电力电子技术中,高频开关电源的设计主要分为两部分,一是电路部分的设计,二是磁路部分的设计。相对电路部分的设计而言,磁路部分的设计要复杂得多。磁路部分的设计,不但要求设计者拥有全面的理论知识,而且要有丰富的实践经验。在磁路部分设计完毕后,还必须放到实际电路中验证其性能。由此可见,在高频开关电源的设计中,真正难以把握的是磁路部分的设计。高频开关电源的磁性元件主要包括变压器、电感器。为此,本文将对高频开关电源变压器的设计,特别是正激变换器中变压器的设计,给出详细的分析,并设计出一个用于输入48V(36~72V),输出2.2V、20A的正激变换器的高频开关电源变压器。
2正激变换器中变压器的制作方法
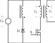
正激变换器是最简单的隔离降压式DC/DC变换器,其输出端的LC滤波器非常适合输出大电流,可以有效抑制输出电压纹波。所以,在所有的隔离DC/DC变换器中,正激变换器成为低电压大电流功率变换器的首选拓扑结构。但是,正激变换器必须进行磁复位,以确保励磁磁通在每一个开关周期开始时处于初始值。正激变换器的复位方式很多,包括第三绕组复位、RCD复位[1,2]、有源箝位复位[3]、LCD无损复位[4,5]以及谐振复位[6]等,其中最常见的磁复位方式是第三绕组复位。本文设计的高频开关电源变压器采用第三绕组复位,拓扑结构如图1所示。
开关电源变压器是高频开关电源的核心元件,其作用有三:磁能转换、电压变换和绝缘隔离。在开关管的作用下,将直流电转变成方波施加于开关电源变压器上,经开关电源变压器的电磁转换,输出所需要的电压,将输入功率传递到负载。开关变压器的性能好坏,不仅影响变压器本身的发热和效率,而且还会影响到高频开关电源的技术性能和可靠性。所以在设计和制作时,对磁芯材料的选择,磁芯与线圈的结构,绕

图1 第三绕组复位正激变换器
正激变换器中变压器的制作
制工艺等都要有周密考虑。开关电源变压器工作于高频状态,分布参数的影响不能忽略,这些分布参数有漏感、分布电容和电流在导线中流动的趋肤效应。一般根据高频开关电源电路设计的要求提出漏感和分布电容限定值,在变压器的线圈结构设计中实现,而趋肤效应影响则作为选择导线规格的条件之一。 2.1变压器设计的基本原则
在给定的设计条件下磁感应强度B和电流密度J是进行变压器设计时必须计算的参数。当电路主拓扑结构、工作频率、磁芯尺寸给出后,变压器的功率P与B和J的乘积成正比,即P∝B·J。
当变压器尺寸一定时,B和J选得高一些,则某一给定的磁芯可以输出更大的功率;反之,为了得到某一给定的输出功率,B和J选得高一些,变压器的尺寸就可以小一些,因而可减小体积,减轻重量。但是,B和J的提高受到电性能各项技术要求的制约。例如,若B过大,激磁电流过大,造成波形畸变严重,会影响电路安全工作并导致输出纹波增加。若J很大,铜损增大,温升将会超过规定值。因此,在确定磁感应强度和电流密度时,应把对电性能要求和经济设计结合起来考虑。
2.2各绕组匝数的计算方法
正激变换器中的变压器的磁芯是单向激磁,要求磁芯有大的脉冲磁感应增量。变压器初级工作时,次级也同时工作。
1)计算次级绕组峰值电流IP2
变压器次级绕组的峰值电流IP2等于高频开关电源的直流输出电流Io,即
IP2=Io(1)
2)计算次级电流有效值I2I2=·Ip2(2)
式中:D是正激变换器最大占空比。
3)计算初级绕组电压幅值Up1
Up1=Uin-ΔU1(3)
式中:Uin是变压器输入直流电压(V);
ΔU1是变压器初级绕组电阻压降和开关管导通压降之和(V)。
4)计算次级绕组电压幅值Up2Up2=(4)
式中:Uo是变压器次级负载直流电压(V);
ΔU2是变压器次级绕组电阻压降和整流管压降之和(V)。
5)计算初级电流有效值I1
忽略励磁电流等影响因素,初级电流有效值I1按单向脉冲方波的波形来计算:I1=·I2(5)
6)计算去磁绕组电流有效值IH
去磁绕组电流约与磁化电流相同,约为初级电流有效值的5%~10%,即
IH≈(0.05~0.1)·I1(6) [p]
7)计算变压器输入功率P1与输出功率P2
P1=Up1·I1(7)P2=∑(Up2·Ip2·)(8)
8)确定磁芯尺寸[7]
首先确定铜耗因子Z,Z的表达式为Z=1.96×(9)
式中:τ是环境温度(℃);
Δτ是变压器温升(℃)。
然后计算脉冲磁感应增量ΔBm,
ΔBm=KB·Bm(10)
式中:KB是磁感应强度系数;
Bm是磁芯材料最大工作磁感应强度(T)。
对于R2K铁氧体磁芯,最大工作磁感应强度是0.3T。磁感应强度系数KB可以从图2所示的磁感应强度系数曲线图得出,它取决于输出功率P2(W),工作频率f(kHz)和变压器平均温升Δτ(℃)。
变压器所需磁芯结构常数Y由下式确定Y=(11)
式中:Y是变压器所需磁芯结构常数(cm5);
q是单位散热表面功耗(W/cm2),q可以从温升和q值关系曲线中得出,如果环境温度为25℃,变压器温升为50℃,对应的q值为0.06。

图2磁感应强度系数
计算出Y之后,选择磁芯结构常数Yc≥Y的磁芯,然后从磁芯生产厂商提供的资料中查出变压器散热表面积St(cm2),等效截面积Ae(cm2)等磁芯参数,或者自行设计满足结构常数的磁芯。
9)计算初级绕组匝数(N1)[7]N1=·104(12)
10)计算次级绕组匝数NiNi=N1(i=2,3,4…)(13)
式中:Upi是次级各绕组输出电压幅值(V)。
11)计算去磁绕组匝数
对于采用第三绕组复位的正激变换器,复位绕组的匝数越多,最大占空比越小,开关管的电压应力越低,但是最大占空比越小,变压器的利用率越低。故需综合考虑最大占空比和开关管的电压应力,一般选择去磁绕组匝数(NH)和初级绕组匝数相同,即
NH=N1(14)
需要注意的是,应该确保初级绕组和去磁绕组紧密耦合。
2.3确定导线规格
1)计算变压器铜耗Pm
根据变压器平均温升确定变压器总损耗,减去磁芯损耗即得出铜耗,再根据铜耗来计算电流密度。计算铜耗应该在磁芯规格确定之后进行。
Pm=q·ST-Pb·Gc(W)(15)
式中:ST是变压器表面积(cm2);
Pb是在工作磁感应强度和频率下单位质量的磁芯损耗(W/kg);
Gc是磁芯质量(kg)。
在实际计算中,铜耗可以按总损耗的一半处理。
2)计算铜线质量Gm
Gm=8.9·lm·SW·Km(kg)(16)
式中:lm是线圈平均匝长(cm);
SW是磁芯窗口面积(cm2); [p]
Km是铜线窗口占空系数,定义为绕组净可绕线空间与导线截面积之比。
计算铜线占空系数时应根据不同情况选取适当值,一般选取范围在0.25~0.4之间,采用多股并绕时应选取较小值。
3)计算电流密度JJ=(A/mm2)(17)
4)计算导线截面积Smi和线径diSmi=(mm2)(18)di=1.13·(mm)(19)
式中:Ii是各绕组电流有效值(A)。
计算所需导线直径时,应考虑趋肤效应的影响。当导线直径大于2倍趋肤深度时,应尽可能采用多股导线并绕。采用n股导线并绕时,每股导线的直径din按下式计算。din=(mm)(20)
铜线的趋肤深度Δ有以下经验公式Δ=(mm)(21)
如果采用多股导线并绕,导线的股数太多,可以采用铜箔。在使用铜箔时,铜箔的厚度应该小于两倍的趋肤深度,铜箔的截面积必须大于该绕组导线所需的截面积。
在计算完毕后,校验窗口尺寸,计算分布参数,校验损耗和温升等。
3应用实例
设计一个用于输入为48V(36~72V),输出为2.2V、20A的正激变换器的高频开关电源变压器,工作频率是200kHz,最大占空比为0.45,采用第三绕组复位,铜线的趋肤深度为Δ=0.148mm。按照上述设计方法,设计的高频开关电源变压器如下:
磁芯规格EFD20,磁芯材料为3F3,Ae=31.0mm2,Philips;
初级绕组16匝,采用型号为AWG31的铜线,6股并绕;
复位绕组16匝,采用型号为AWG33的铜线;
次级绕组2匝,采用厚度t=0.1mm,宽度b=14mm的铜箔,两层并绕,即截面积S=2.8mm2。
在最终确定导线规格时,均保留了一定的裕度。为使各绕组耦合良好,采用交错绕线技术,如图3所示[8],其中P1和P2为变压器初级绕组,并联;S1和S2为变压器次级绕组,并联;R为变压器复位绕组。那么,初级绕组采用AWG31的铜线,两层;次级绕组采用采用厚度t=0.1mm,宽度b=14mm,即S=1.4mm2的铜箔,两层。
设计出的变压器的初级励磁电感值实测为Lm=320.40μH,次级电感值实测为Ls=5.18μH,初级漏
正激变换器中变压器的设计
功率半导体专家国际整流器公司推出基于因特网的设计及模拟工具——myPOWER网上设计中心(OnlineDesignCentre),提供一天完成的设计组件定制服务,并将先进功率系统的设计时间缩短数周,甚至数月。
随着功率密度及系统功能指数的递增,功率系统设计也日趋繁复。由于市场缺乏适当的商用开发工具,加上采购和优化试验电路板耗时甚多,因而延长了先进功率系统的开发时间。
IR将定期扩充myPOWER在线设计中心,扩展至更广泛的直流/直流转换器应用,乃至交流/直流转换器、应用器材及照明设备等应用领域。
IR的myPOWER在线设计中心能为客户定制所需设计,包括一应俱全的材料清单。设计人员可通过模拟程序,验证系统的性能,也可对电路进行优化,实现更高性能及成本效益,大大缩短传统电路板试验的开发时间。
myPOWER在线设计中心可供免费使用。定制设计工具包内备有一套经过全封装和测试的标准印刷电路板部件,并附有部件工具包,使设计人员能够按所选设计定制电路板。
IR推出myPOWER在线设计中心
图3交错变压器结构图
返回主列表(ReturntoMainList)
感电感值实测约为0.18μH。该变压器在正激变换器中的工作特性很好。
4结语
本文详细阐述了正激变换器中变压器的设计方法,并结合具体设计任务,设计出一个用于48V(36~72V)输入,2.2V、20A输出的高频开关电源变压器。设计出的变压器在实际电路中表现出良好的电气特性。
射频工程师养成培训教程套装,助您快速成为一名优秀射频工程师...

