- 易迪拓培训,专注于微波、射频、天线设计工程师的培养
DC/DC变换器中输出滤波器的比较
摘要:输出滤波器是DC/DC变换器中的重要组成部分,与变换器的动态性能、整机体积和成本等性能指标密切相关。在满足技术指标的前提下,滤波元件的取值越小,对变换器整机性能的提高越有利,越能提高变换器的功率密度。在考虑开关频率和软开关技术等因素的情况下,对不同DC/DC变换器拓扑中的LC输出滤波器进行了比较。结果表明,从输出滤波器角度出发,某些变换器拓扑具有明显的优势。
关键词:输出滤波器;体积;比较;DC/DC变换
1引言
输出滤波器作为DC/DC变换器中的重要组成部分,通过其低通滤波作用,滤除整流级电压的高频谐波成分,给负载提供接近恒定的直流电压,对变换器的性能和整机的体积重量有着很大的影响。在DC/DC变换器拓扑中,输出滤波器通常采用基本的LC低通滤波器结构。其中,滤波元件L、C的取值主要由变换器拓扑形式和输出电压要求决定。
输出滤波器对变换器的动态性能的影响较大。对应于频域分析,一个LC滤波电路结构在其L、C谐振频率处引入了双极点,并由于滤波电容的ESR(等效串联电阻)又引入了一个零点。而这一双极点的频率一般都比电路中其它因素引入的极点频率低,因此变换器的动态性能往往由LC滤波环节参数决定。随着L、C取值的降低,变换器功率级的动态响应可以得到显著的提高。
而且,实际变换器整机的高度是由其PCB上最高的元器件决定的,而电感等磁性元件和大电解滤波电容器往往是PCB上最高的元器件,随着变换器小型化、超薄化的发展趋势,为了能使变换器实现对空间的最大利用,希望电抗元件L、C的取值越小越好。而且,较小取值的L、C滤波元件一般也对应着较低的成本。可见,在滤波器参数的选择中,L、C取值较小具有很大的优势。
提高开关频率是减小滤波元件L、C取值的有效途径之一。但随着开关频率的提高,必然会使开关损耗和铁心损耗的影响更加突出。也即,提高开关频率受到变换器拓扑及开关器件、磁性元件的限制。为此,可以考虑采用软开关技术,使得开关频率得以提高,从而进一步减小滤波元件的体积。 本篇结合半波整流和全波整流方式,对恒频PWM变换器和谐振类变换器中的整流级电压进行了归类,在考虑谐波含量、开关频率、软开关技术的情况下,对不同变换器拓扑中的LC输出滤波器的大小进行了比较。
2整流级电压波形
2.1整流级电压波形分类
根据图1所示变换拓扑的不同,整流级电压波形uR大致可分为五种类型,如图2所示。
1)第1类如图2(a)所示。这类电压波形由PWM变换器(如正激式)中的半波整流得到。这类拓扑由于变压器铁心去磁等问题,最大占空比Dmax一般不超过0.5。
2)第2类如图2(b)所示。这类电压波形由PWM变换器(如桥式、推挽、移相全桥等)中的全波整流得到。全波整流方式使得这些拓扑中整流级电压波形的频率为开关频率的两倍,大大减小了输出滤波器的体积。
3)第3类如图2(c)所示。这类电压波形由互补控制半桥等PWM变换器得到,整流电路仍为全波整流形式,但加在整流级的电压波形并不对称。开关管Dmax为0.5,且对应D=0.5时,加于滤波器上的电压是直流。
4)第4类如图2(d)所示。虽然大多数谐振变换器工作于变频方式,输出电压通过变频来调节。但输出滤波器必须按照变换器的最低工作频率来设计,因此半波整流方式的谐振变换器(如准谐振变换器和多谐变换器)可以用这类波形来近似表示。
5)第5类如图2(e)所示。该类电压波形由全波整流谐振变换器(如并联谐振变换器、串联谐振变换器和串-并联谐振变换器)产生,输出电压仍通过变频方式来调节。整流级电压波形几乎保持不变,输入电压变化和负载变化时,该类波形电压峰值的变化很小。
2.2整流级电压波形分析
图2中的5类电压波形均可视为是由其直流分量(等于输出电压Uo)与高频谐波分量叠加而成的。在以下对滤波器的比较中,假定滤波元件大小由各电压波形的首次非零谐波的幅值和频率来决定。在图2中,可以看到,在相等的开关频率下,第2类和第5类整流级电压波形的频率为其它类电压波形频率的2倍,因此在相等的开关频率下,这两类电压波形不含有奇次谐波。
对于恒频PWM变换器而言,最常用的控制参量是占空比D;对于谐振类变换器而言,最常用的控制参量是频率f。为便于对以上5类电压波形谐波的幅值进行比较,我们对D和f这2个控制参量进行了归一化处理,用λ来统一表示。在前3类电压波形对应的变换器中,λ=D;对于第4类电压波形,λ等于归一化的开关频率(f/2fr),其中fr为等效正弦半波的谐振频率;对于第5类电压波形,λ等于归一化的开关频率(f/fr)。从而归一化参量λ从0到1变化。
3滤波器大小的比较
3.1谐波含量的量度—K(λ)
首先,定义K(λ)为各电压波形首次非零谐波的幅值与其直流分量的比值。从而可以根据这一归一化

图2整流级电压波形
(a)半波整流
(b)全波整流

图1整流方式
(c)第3类
(b)第2类
(a)第1类
(e)第5类
(d)第4类
DC/DC变换器中输出滤波器的比较

图35类电压波形K(λ)与λ的关系曲线
的函数K(λ)来对各种变换器拓扑中滤波元件的体积进行比较。表1给出了各类电压波形的平均值、1次谐波、2次谐波表达式及谐波的一般表达式。
从表1中,可以得到5类整流级电压波形所对应的K(λ)分别如式(1)~式(5)所示。K1(λ)=(1)K2(λ)=(2)K3(λ)=·(3)K4(λ)=(4)K5(λ)=(5)
上述5类电压波形K(λ)与λ的对应关系曲线如图3所示。K(λ)=0表示该工作点处,谐波幅值为零。
对于第1类波形(正激类),当λ=1时,整流级电压波形为直流;
对于第2和第3类波形,当λ=0.5时,整流级电压波形为直流; [p]
对于第4类波形,当λ=1时,K4(λ)达到最低值。此时,图2(d)的正弦半波电压波形将占满整个周期,电压波形与第五类波形相似;
对于第5类波形,在整个频率变化范围内,K5(λ)恒等于2/3。
通过K1(λ)与K4(λ)的比较可见,在整流级电压的直流分量和导通时间相同的情况下,PWM变换器产生的方波比谐振变换器产生的正弦半波更容易滤波。
由上分析可知,K(λ)值越低,所需的滤波元件L、C值越小。因此,从滤波器大小的角度考虑,变换器应当尽可能设计工作在较低的K(λ)值下。但K(λ)往往受到电路拓扑的限制,不能达到理论分析的最低值。常见的如在正激变换器中,因为要折衷考虑变压器铁心去磁和功率管的电压应力,因此占空比不能取得太高,从而限制了K4(λ)的取小。
3.2滤波元件大小的比较—LC(λ)
在比较滤波器电抗元件大小时,必须注意两个重要的参量:
1)整流级电压波形的首次非零谐波的幅值〔用
K(λ)表示〕;
2)该非零谐波的频率。
对于一个LC输出滤波器,可以从以上两个方面出发,来提高其转折频率,从而减小滤波元件L、C的取值大小。具体描述如下:
1)如果能够降低整流级电压波形的首次非零谐波的幅值,则可以在保证相同输出电压纹波的情况下,适当提高滤波器在谐波频率处的增益,也即滤波器的转折频率得以适当提高(如图4,从A点移动到B点);
2)如果能够提高首次非零谐波的频率(如图4,从A点移动到C点),滤波器转折频率也得以提高,从而只需较小的滤波元件。
如在第2类和第5类电压波形中,所要滤除的首次非零谐波,其频率是开关频率的两倍,因而这两类拓扑中滤波元件LC的乘积可以减小为其它类电压波形对应取值的1/4。
表1电压波形的直流分量、谐波含量与控制参量λ的关系
第1类第2类第3类第4类第5类
平均值
一次谐波00
二次谐波
总表达式
2Upλ
sin(λπ)
Upλ
2Upλ
sin(2λπ)
sin(nλπ)
sin(2λπ)
sin(nλπ)(1+cosnπ)
·sin(λπ)
·sin(2λπ)
·sin(nλπ)
·
·
·
·
图4理想LC滤波器的波特图

图5归一化的LC滤波器参数
为了对图2中各种电压波形在获得相同输出电压纹波时,所用输出滤波器的体积进行比较直观的比较,考虑首次非零谐波的幅值和频率,对滤波参数LC乘积进行了归一化处理。分别如式(6)~式(10)所示。其对应的关系示于图5中。LC1(λ)=(6)LC2(λ)=(7)LC3(λ)=·(8)LC4(λ)=(9)LC5(λ)=(10)
从以上分析,可以直观地看到:
1)第1类正激式变换器中Dmax一般不超过0.5,而且受开关损耗等因素的制约,开关频率不能取得太高,因此滤波元件LC的取值不能太小。
2)第2类在这类变换器中,整流级电压的频率是开关频率的2倍。而且,在移相控制全桥等典型变换器中,很容易实现软开关,因此可以适当地提高开关频率,从而大大减小滤波元件LC的乘积值。可见,从输出滤波器体积这一角度出发,在恒频应用场合,这类拓扑是最好的选择之一。
3)第3类从整流级电压的谐波分量来看,该类拓扑具有最优的电压波形。整流级电压uR去除直流分量外,谐波分量电压幅值很小。该类变换器的最佳工作点对应D=0.5。而且互补控制半桥变换器可以设计成零电压开关,从而容许适当提高开关频率。因此只需两个开关管的互补控制半桥变换器对于输入电压变化范围不太宽的场合,从整机体积考虑,是较好的选择。
4)第4类在同频率下进行比较,这类电压波形的谐波含量最大。但由于获得这类电压波形的谐振变换器中开关损耗相对较小,因而开关频率可以适当提高,从而减小滤波元件的体积。 5)第5类全波整流方式使得整流级电压产生了倍频效应,而且谐振工作方式又使得开关频率的提高成为可能,因而对该类整流级电压进行滤波,所用的滤波元件往往具有最小的体积。但产生第4类和第5类电压波形的谐振变换器主要缺点是变换器的循环能量较大,使得变换效率降低,而且功率器件应力高,因此限制了这些拓扑的应用场合。
由以上分析可知,LC滤波元件大小与整流级电压波形和变换器的开关频率有关。在恒频PWM开关变换器中,移相全桥和互补控制半桥具有较好的整流级电压波形,而且因为软开关的实现,允许采用较高的开关频率从而又可进一步减小输出滤波元件大小。谐振变换器因开关频率可以取得较高,也可采用较小的滤波元件。
4设计结果比较
为了使比较的结果更接近实际,根据以下的技术指标,分别对代表几类整流级电压波形的五种变换器进行了设计。在参数设计中,恒频PWM变换器的开关频率选择为fs=100kHz;谐振类变换器的fsmin=300kHz。
变换器技术指标如下:
输入电压Uin40~60V [p] 输出电压Uo3.3V
输出电流10A
输出电压纹波33mV
开关频率fs100kHz(PWM类变换器);300kHz(fsmin)(谐振类变换器)
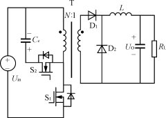
1)第1类有源箝位正激变换器,如图6所示。
CCM工作模式下,正激变换器的输入电压Uin与输出电压Uo之间的关系可表示为
DC/DC变换器中输出滤波器的比较

图6有源箝位正激变换器

图7移相控制全桥变换器

图8互补控制半桥变换器
(a)主电路
(b)主要工作波形
Uo=D(11)
式中:n为变压器T的匝比。
在正激变换器的设计中,Dmax的选择不仅影响输出滤波器的设计,而且对功率管的电压应力也有较大的影响。出于折衷考虑,通常取Dmax为0.5。表2给出了该变换器中随输入电压变化时,占空比的变化情况以及对应输出滤波电容取为47μF理想电容(为便于比较,以下类型的变换器中,滤波电容也取为同一值)时,当满足33mV输出电压纹波要求时,每一占空比所对应的滤波电感取值情况。
表2第1类的滤波器电感值匝比n=640V50V60V
占空比D0.500.400.33
电感(μH)13.3015.9617.82
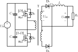
2)第2类移相控制全桥变换器,如图7所示。
CCM工作模式下,移相控制全桥变换器的输入电压Uin与输出电压Uo之间的关系可表示为Uo=D(12)
这里Dmax=0.5。表3给出了占空比和所需输出滤波电感值随输入电压变化时的对应关系。 表3第2类的滤波器电感值匝比n=1240V50V60V
占空比D0.500.400.33
电感(μH)01.332.26
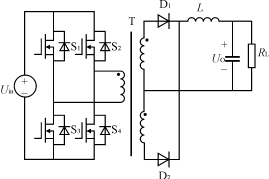
3)第3类互补控制半桥变换器
如图8(a)所示,为互补控制半桥变换器。其主电路的形式和传统对称半桥相同,只是控制方法不同,两只功率管S1、S2在一个开关周期内交替互补导通,随着占空比的变化,分压电容上的电压也相应地发生变化来保持变压器伏秒积的平衡。该变换器的主要波形如图8(b)所示。而且在两管换流的死区时间内,通过变压器的漏感和MOSFET寄生输出电容之间的谐振,可以实现功率管的零电压开通。这一拓扑的主要缺点在于对输入电压变化比较敏感,不适合用于输入电压变化范围宽的场合。 CCM工作模式下,互补控制半桥变换器的输入电压Uin与输出电压Uo之间的关系可表示为Uo=D(1-D)(13)
这里Dmax=0.5。表4给出了占空比和所需滤波电感值随输入电压变化时的对应关系。
表4第3类的滤波器电感值匝比n=640V50V60V
占空比D0.500.270.21
电感(μH)06.127.71
4)第4类多谐正激变换器
多谐正激变换器中整流级电压谐波含量与谐振频率和开关频率的比值有关。输出滤波器按最低的开
开关整流器的工装方式
关频率(300kHz)来设计。在此最低开关频率处要达到滤波要求,输出滤波电感至少取值为1.86μH。
5)第5类并联谐振变换器
并联谐振变换器中,全波整流方式使得整流级电压的最低频率提高为600kHz。这使得在最低开关频率处要达到滤波要求时,输出滤波电感值只需大于200nH即可。
为便于比较,设计制作电感时,均取相同的电流密度j(5A/mm2),以及相同的最大磁密Bm(0.3T),选用Philips公司的3F3磁性材料,设计结果如表5所示。
表5输出滤波电感的铁心大小电容C=47μF电感量(μH)铁心尺寸
第1类17.82RM10
第2类2.26RM6
第3类7.71RM8
第4类1.86RM6
第5类0.20RM4
设计结果表明:第5类变换器所用的输出滤波电感体积最小;第4类变换器因开关频率较高也具有较小的输出滤波电感。在恒频PWM变换器中,从输出滤波元件大小角度考虑,第2类变换器是最优的。第3类变换器由于占空比变化范围较宽所需的铁心体积较大。第1类变换器所需的铁心体积最大。
5结语
本文给出了不同的DC/DC变换器拓扑中LC输出滤波器大小的比较分析。根据加到输出滤波器前的整流级电压波形,把这些DC/DC变换器划分为5类,并从整流级电压波形的谐波含量和频率出发,对满足相同技术指标条件下各类变换器中所需的输出滤波元件进行了比较。
结果表明,移相控制全桥变换器和互补控制半桥变换器在恒频PWM工作的DC/DC变换器中具有最小的输出滤波器。应用全波整流方式的谐振变换器也具有较小的输出滤波器,但存在循环能量高、开关管应力大等缺陷。本文分析结果有助于DC/DC变换器拓扑的合理选择。
射频工程师养成培训教程套装,助您快速成为一名优秀射频工程师...

