- 易迪拓培训,专注于微波、射频、天线设计工程师的培养
应用DCVM模式工作的Cuk变换器于功率因数校正
1引言
随着电力电子装置的大量应用,使大量谐波电流注入了电网中,从而污染了电网。为了限制总的谐波含量(THD)以提高功率因数,制定了许多标准,如IEC100032。近年来,如何提高功率因数成为了电力电子领域研究的热点。工作于不连续导电模式的Boost,Buck睟oost,Cuk等变换器具有平均输入电流自动跟踪输入电压的特点[1][2][3],由于它们的控制电路简单,对小功率运用特别具有吸引力。然而,由于工作在电流不连续导电模式,这些变换器的电流应力很大,导致其损耗很大,效率变低,而且,其输入电流含有大量开关纹波,需要进一步滤波。本文介绍的工作于DCVM(DiscontinuousCapacitorVoltageMode)的Cuk变换器具有很好的输入电流波形自动跟踪输入电压波形的能力,除此之外,它还具有下面的特征:
(1)主功率开关自动实现软关断这对于关断时具有电流拖尾的器件如IGBT特别有用,因为这大大减小了开关的关断损耗;
(2)低开关电流应力和输入电流纹波由于其开关电流应力小,从而减小了开关的导通损耗;
(3)单位功率因数在很大的输入电压范围内,
其输入等效阻抗为纯电阻,从而其功率因数接近于1;
(4)易于实现隔离对于用变压器隔离的Cuk变
换器,与正激和反激变换器相比,其变压器铁芯的利用率高。
在本文中,如没有特别说明,表示变量x在一个开关周期TS内的平均值,大写字母表示变量的稳态值,小写字母表示变量的瞬时值。
2电路原理分析
下面先对工作于DCVM模式的CukDC/DC变换器进行分析,CukDC/DC变换器如图1所示,在进行电路分析之前,先作如下假设:
(1)所有元器件均为理想元器件;
(2)电感L1、L2足够大,从而确保电路工作于DCVM![]()
模式,在一个开关周期内,流过L1、L2的电流的纹波可以忽略,分别用和表示;
图1Cuk变换器

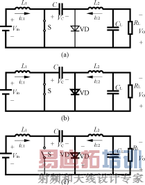
图2Cuk变换器的工作状态
(a)工作状态1(b)工作状态2(c)工作状态3

图3VC的波形

图4Cuk变换器中的开关网络
(3)电容C足够小,从而保证它在开关S的导通时间内放电完毕;电容CL足够大,在一个开关周期TS内,输出电压VO保持不变。
经分析,工作于DCVM的Cuk变换器有三种工作状态,各种工作状态的等效电路如图2(a)、(b)、(c)所示,图中用粗线表示的支路为有电流流过的支路。C上的电压vC的波形如图3所示,图中D1表示在一个开关周期内C放电所用时间与开关周期的比值,D表示开关的占空比。下面对电路各种工作状态作具体的分析。工作状态1(0工作状态2(D1TS工作状态3(DTS与工作于CCM模式的CukDC/DC变换器相比,工作于DCVM模式的CukDC/DC变换器多了工作状态2,这时S和VD都导通,由于这个工作状态的引入,从而改变了变换器的特征。从后面的分析可以看出,工作于DCVM模式的Cuk变换器的平均输入电流波形自动地跟踪了输入电压的波形,从而使变换器的功率因数大大提高,达到了功率因数校正的目的。
(1)
式中:
D1=(2)
3变换器的大信号模型及其稳态特性
下面先采用平均电路法[5]推导出变换器的大信号模型,根据其大信号模型,推导变换器的稳态特性。![]()
![]()
![]()
Cuk变换器的开关网络如图4所示,假设流过电感L1、L2的电流iL1、iL2在一个开关周期内的平均值分别为、,电容电压vC在一个开关周期内的平均值为,二极管VD上承受的电压vD在一个开关周期周期内的平均值为。
由图3可以得到:![]()
![]()
=dt+![]()
dt![]()
=(1-D)(1-D+D1)(3)![]()
![]()
=dt![]()
=(1-D)D1![]()
=(1-D)2(4)
于是可得:![]()
![]()
=-![]()
=(1-D)2(5)![]()
由式(5)可以看出,输入端口电压与输入端口电流成正比,也就是说:![]()
=(6)
式中等效电阻Re(D)为:
Re(D)=(7) [p]
所以开关网络输入端口的等效电路如图5(a)所示。由图5(a)可以看出,由于输入端口等效为一电阻Re(D),所以变换器具有输入电流波形自动跟踪输入电压波形的能力,从而达到了功率因数校正的目的。
由式(4)、式(5)可得:![]()
![]()
=(8)![]()
式中表示在一个开关周期内开关网络所处理的平均功率。由式(8)可以看出,与变换器的负载特性无关,也就是说,开关网络的输出端呈现出电源的特性,所以开关网络输出端的等效电路用一受控电源表示,如图5(b)所示。由图5(a)、(b)得到开关网络的“无损电阻模型”,如图5(c)所示。最后,用开关网络的“无损电阻模型”代替图1中的开关网络,得到工作于DCVM模式的Cuk变换器大信号交流等效模型,如图6所示。另外,根据变换器的大信号等效模型,经小信号线性化处理,可以得到其交流小信号模型,从而为整个系统的设计提供依据,限于篇幅,在此略去。
将图6中所示的各平均值用它们的稳态值代替,并让图中的电感短路,电容开路,从而得到工作于DCVM模式的Cuk变换器的直流模型,如图7所示。
由图7可得,输入功率Pin为:
Pin=Vin2/Re(D)=2CVin2/(1-D)2TS(9)
输出功率PO为:
PO=VO2/RL(10)
假设变换器的效率为100%,即Pin=PO,于是可得变换器的变比M为:
M=(11)
式中:fs为变换器的开关频率。
同样,由图7可以得到:
IL1=(12.a)
IL2=(12.b)
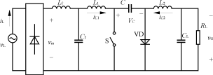
工作于DCVM模式的CukDC/DC变换器用于单相功率因数校正的电路图如图8所示,图中加了滤波电感Lf和滤波电容Cf,用于滤除少量开关纹波。由图8可得,Cuk变换器的输入电压为:
vin=VL"sinωLt|(13)
式中:VL和ωL分别为输入电压的幅值和角频率。
设Ein为半个输入电压周期(TL/2)中流入变换器的能量,则有:
Ein=VinIL1dt(14)
由式(12)、式(13)、式(14)可得:

图5Cuk变换器的开关网络
(a)输入端等效电路(b)输出端等效电路(c)无损电阻模型

图6变换器大信号交流等效模型

图7变换器的直流模型

图8工作于DCVM的Cuk功率因数校正电路 [p]

图9仿真波形
(a)输入电压vL的波形(b)输入电流iL的波形
(c)流过电感L1的电流iL1的波形(d)流过电感L2的电流iL2的波形

图10参数变化对THD的影响
(a)输入电压波形的影响(b)负载电阻值变化的影响
(c)储能电容值变化的影响
![]()
![]()
![]()
Ein=dt=(15)
另一方面,在半个输入电压周期内变换器输出的能量为:![]()
EO=(16)
由于大电容CL的存在,VO可以视为常数,假设变换器的效率为百分之百,即输入与输出能量相等,于是:
EO=Ein(17)
由式(15)、式(16)、式(17)可得:
VO=MVrms(18)
式中:Vrms为输入电压的均方根值。
4仿真结果
根据Cuk变换器工作于DCVM的条件,选择下面的参数用专用电力电子仿真软件PSIM进行仿真:输入电压vL=150sin(100πt),输入电感L1为950μH,输出电感L2为350μH,电容C取0.047μF,输出电容CL取2200μF,开关频率fS取45kHz,开关S的占空比取0.5,负载电阻RL取10Ω。仿真所得的波形如图9所示,其中图9(a)表示输入电压vL的波形,图9(b)表示输入电流iL的波形,可以看出,输入电流很好的跟踪了输入电压,达到了功率因数校正的目的。图9(c)和图9(d)分别为流过电感L1和电感L2的电流波形,可以看出,在绝大部分时间里电流连续,从而减小了器件的电流应力。图10(a)表示了输入电压峰值波动对THD的影响,从图中可以看出,输入电压允许在较大范围内波动。图10(b)表示了负载电阻RL对THD的影响,图10(c)表示了储能电容C的值对THD的影响。仿真结果很好的验证了理论分析的正确性。
5结论
本文讨论了工作于DCVM模式的Cuk变换器的工作特性,从讨论可以看出,工作于这种模式的Cuk变换器的平均输入电流具有自动跟踪输入电压的能力,从而使变换器的控制电路变得简单,而且,开关管实现了零电压关断,从而减小了关断损耗,另外器件的电流应力小,从而减小了器件的导通损耗,提高了变换器的效率。由于Cuk变换器易于实现输入、输出隔离,工作于DCVM模式的输入输出隔离的Cuk变换器与单端正激变换器和反激变换器相比,提高了变压器的利用率。PSIM仿真结果验证了理论分析的正确性。
射频工程师养成培训教程套装,助您快速成为一名优秀射频工程师...
天线设计工程师培训课程套装,资深专家授课,让天线设计不再难...
上一篇:Buck型变换器数字PID控制器设计方法研究
下一篇:逆变器的两种电流型控制方式

