- 易迪拓培训,专注于微波、射频、天线设计工程师的培养
逆变器的两种电流型控制方式
摘要:研究分析了逆变器的两种双环瞬时反馈控制方式——电流型准PWM控制方式和三态DPM电流滞环跟踪控制方式,介绍其工作原理,分析比较其动态和静态性能,并给出具体实现电路及系统仿真结果。
关键词:PWM逆变器功率变换器控制
On Two Types of Current Programmed Control Topologies for Inverters
Abstract:This paper presents a comparative study on two types of current programmed instant control modes for inverters,
PWM and hysteresis type.Principle, static and dynamic performance are discussed. Realization circuits and
simulation results are presented.
Keywords:PWM, Inverter, Power converter, Control
中图法分类号:TN86文献标识码:A文章编号:02192713(2000)12-642-03
电流型双环控制技术在DC/DC变换器中广泛应用,较单电压环控制可以获得更优良的动态和静态性能[3]。其基本思路是以外环电压调节器的输出作为内环电流给定,检测电感(或开关)电流与之比较,再由比较器的输出控制功率开关,使电感和功率开关的峰值电流直接跟随电压调节器的输出而变化。如此构成的电流、电压双闭环变换器系统瞬态性能好、稳态精度高,特别是具有内在的对功率开关电流的限流能力。逆变器(DC/AC变换器)由于交流输出,其控制较DC/DC变换器复杂得多,早期采用开关点预置的开环控制方式[1],近年来瞬时反馈控制方式被广泛研究,多种各具特色的实现方案被提出,其中三态DPM(离散脉冲调制)电流滞环跟踪控制方式性能优良,易于实现。本文将电流型PWM控制方式成功用于逆变器控制,介绍其工作原理,与电流滞环跟踪控制方式比较动态和静态性能,并给出仿真结果。
1三态DPM电流滞环跟踪控制方式
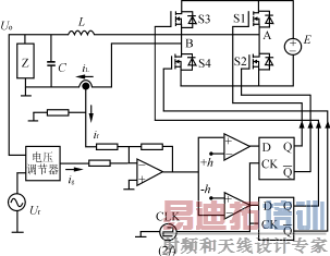
电流滞环跟踪控制方式有多种实现形式[1,2,4,5],其中三态DPM电流滞环跟踪控制性能较好且易于实现[1]。参照图1,它的基本工作原理是:检测滤波电感电流iL,产生电流反馈信号if。if与给定电流ig相比较,根据两个电流瞬时值之差来决定单相逆变桥的4个开关在下一个开关周期中的导通情况:ig-if>h时(h见图1,为电流滞环宽度,可按参考文献[1]P64式52选取)S1、S4导通,UAB=+E,+1状态;ig-if-h时S2、S3导通,UAB="-"E,-1状态;|ig-if|h时S1、S3或S2、S4导通,UAB="0,"0状态。两个D触发器使S1~S4的开关状态变化只能发生在周期性脉冲信号CLK(频率2f)的上升沿,也就是说开关点在时间轴上是离散的,且最高开关频率为f。
仿真和实验表明,iL正半周,逆变器基本上在+1和0状态间切换,而iL负半周,逆变器基本上在-1和0状态间切换,只有U0过零点附近才有少量的+1和-1之间的状态跳变,从而使输出脉动减小。
2电流型准PWM控制方式

图1三态DPM电流滞环跟踪控制方式
综合常规PWM单、双极性工作方式的优缺点,并借鉴滞环控制技术,得到改进的电流环控制电路如图2。S3、S4基本上以低频互补,S1、S2以高频互补方式工作。其基本工作原理:
(1)ig正半周,即ig>0时
比较器CMP1输出高电平,S3一直关断。
时钟信号CLK的上升沿将触发器RS1置1,S1、S4导通,S2关断,UAB为+E,iL按式(1)上升
M1=diL/dt=(E-U0)/L(1)
当iL升至if>ig时RS1翻转,S1关断、S2导通,UAB为0,iL按式(2)变化
M2=diL/dt=-U0/L(2)
若U0>0,则iL下降,至开关周期结束;而若U00,则iL继续上升,此时可能出现三种情况:
①if上升率小于ig,则if相对于ig下降至开关周期结束;
②if上升率略大于ig,开关周期结束时if大于ig而小于ig+h,则下一个开关周期仍保持该状态(UAB为0); [p]
③若if升至ig+h,则CMP3翻转为1、将RS3清零,S4关断,负载通过D2、D3续流,UAB为-E,iL按式(3)下降至开关周期结束。if的峰值不大于ig+h
M2=diL/dt=-(E+U0)/L(3)
(2)ig负半周,即ig 比较器CMP1输出低电平,S4一直关断。
时钟信号CLK的上升沿将触发器RS2清0,S2、S3导通,S1关断,UAB为-E,iL按式(3)下降。
当iL降至if时RS2翻转,S2关断、S1导通,UAB为0,iL按式(2)变化:若U0,则iL上升至开关周期结束;而若U0>0,则iL继续下降,此时也可能出现三种情况:
①if下降率小于ig,则if相对于ig上升至开关周期结束;
②if下降率略大于ig,开关周期结束时if小于ig而大于ig-h,则下一个开关周期仍保持该状态(UAB为0);
③若if降至ig-h,则CMP4翻转为1,RS3清零,S3关断,负载通过D1、D4续流,UAB为+E,iL按式(1)上升至开关周期结束。|if|的峰值不大于|ig-h|,即|ig|+h。
可见,这也是一种三态工作方式:iL与U0同相时,逆变器工作在PWM方式,在1状态和0状态(或-1状态和0状态)间转换;二者反相时,滞环才起作用,它使逆变器在1,0和-1三种状态间转换。

图2电流型准PWM
3静态性能的比较
以某逆变器为例,分析和比较上述两种控制方式下的动态和静态性能。电路参数:E=180VDC,L=1mH,C=20μF;调制频率为f;输出:U0=115VAC、fo=400Hz;额定负载:1kVA电流和电压反馈系数分别为04167和025;电压调节器为PI型:放大倍数Ap=135,时间常数τ1=027ms;
表1为不同负载和不同调制频率下U0与基准电压Ur的静态误差和U0的THD。
表1不同控制方式下的稳态性能的比较
| 1.f=20kHz | 静差(%) | THD(%) | ||
|---|---|---|---|---|
| PWM | 滞环 | PWM | 滞环 | |
| 空载 | 1.02 | 1.02 | 3.8 | 2.8 |
| 阻性满载 | 0.97 | 0.97 | 2.6 | 2.0 |
| 感性满载(cosφ=0.7) | 0.9 | 0.94 | 11.2 | 3.5 |
| 整流性负载 | 1.02 | 1.01 | 3.2 | 3.7 |
| 2.f=30kHz | 静差(%) | THD(%) | ||
| PWM | 滞环 | PWM | 滞环 | |
| 空载 | 1.02 | 1.02 | 0.73 | 0.7 |
| 阻性满载 | 0.98 | 0.98 | 1.1 | 0.77 |
| 感性满载(cosφ=0.7) | 0.94 | 0.95 | 2.0 | 1.4 |
| 整流性负载 | 1.02 | 1.02 | 2.8 | 3.0 |
| 3.f=30kHz | 静差(%) | THD(%) | ||
| PWM | 滞环 | PWM | 滞环 | |
| 空载 | 1.03 | 1.02 | 0.5 | 0.24 |
| 阻性满载 | 0.98 | 0.98 | 0.33 | 0.26 |
| 感性满载(cosφ=0.7) | 0.95 | 0.95 | 0.68 | 0.41 |
| 整流性负载 | 1.02 | 1.03 | 1.9 | 2.2 |
[p]

图3起动及突加突降负载动态响应过程
(a)三态DPM电流滞环跟踪控制方式
(b)电流型准PWM控制方式
静差定义为:,式中U01是U0基波份量有效值,Uon为输出电压额定值。
分析表1及仿真波形(略),发现:
(1)调制频率f较低时,电流型准PWM波形失真较严重,但其THD随f升高而迅速减小。
(2)功率开关管在电流型PWM方式时的平均开关频率高于滞环方式,这意味着前者的开关损耗较大。
(3)电流型PWM方式下,谐波分量集中在调制频率及其整倍数附近,而电流滞环跟踪控制方式下UAB的谐波比较平均地分布在较宽的范围内,调制频率较低时容易产生较大的噪音。
(4)输出电压静差基本上不受电流跟踪方式、调制频率的影响,而主要取决于电压调节器参数,也受主电路参数影响。
4动态性能的比较
由于开关点的离散性,DPM电流跟踪控制方式在控制电路中引入了一个时间常数为1/f的等效纯滞后环节,对闭环系统的稳定性和动态性能有不利影响。图3为起动及负载变化时两种控制方式下的电感电流iL和输出电压U0仿真波形。可见,PWM方式下的动态性能较好,特别是调制频率较低时,差别更明显。但随着调制频率的提高,滞后时间常数减小,滞环方式的动态性能明显改善,接近于PWM方式。
改变PI电压调节器参数(减小放大倍数或增大积分时间常数)可以改善动态响应的稳定性、减小动态压降,但又将增大静态误差,即重载时的电压降落,延长调节时间。换言之,在达到同样动态性能的前提下,电流型PWM控制方式允许较大的放大倍数或较小的积分时间常数,从而获得更好的静态性能。
5结语
三态DPM电流滞环跟踪控制方式实现简单,开关损耗较低、失真较小。电流型准PWM控制方式可以获得较好的动态性能,特别是系统稳定性及较小的输出电压降落,电路实现比较复杂,它适于调制频率较低或逆变器输出滤波电感L、电容C较小的情况。而调制频率较高时,三态DPM电流滞环跟踪不失为一种简单而性能优良的控制方式。
射频工程师养成培训教程套装,助您快速成为一名优秀射频工程师...
天线设计工程师培训课程套装,资深专家授课,让天线设计不再难...
上一篇:应用DCVM模式工作的Cuk变换器于功率因数校正
下一篇:多模3G手机前端电路设计

