- 易迪拓培训,专注于微波、射频、天线设计工程师的培养
单极隔离式功率因数校正(PFC)变换器
1引言
现代开关电源的主要发展趋向之一是提高AC/DC变换器输入端功率因数,减少对电网的谐波污染。传统的AC/DC开关变换器输入端是二极管整流—电容滤波组合电路,其输入端电流波形呈脉冲状,交流网侧功率因数只有06~07,电流的总谐波畸变THD(TotalHarmonicDistortion)达到100%。(功率因数为0999时,THD约为3%)[1]。因此进行网侧功率因数校正成为目前研究的热点之一。
目前研究和应用得最多的隔离式高功率因数变换器要用两级DC/DC开关变换器串联,成本增加15%~20%。这种电路的最大缺点是需多个元器件,成本高,效率低,尤其在中小功率场合应用时,很不经济。对于小功率AC/DC变换器,现在国内外正在研究开发单级高功率因数电路,功率因数可达09,而成本只增加5%。因而研究单级功率因数校正及变换技术已成为很迫切的要求。
为了减小PFC变换器的尺寸,降低成本,研究人员尝试把PFC和隔离式DC/DC变换集成为单个功率级,同时完成输入功率因数为1和输出电压恒定的功能。R.Erickson[2]在1990年较早地提出了建立在反激变换器基础上的简单功率因数整流器的设计。接下来的几年里,M.H.Kherulawa[3]等人陆续提出了几种单级PFC技术,但所有这些方案都有输出电压调节慢,控制复杂和效率低等缺点。1994年,RichardRedl[4]等提出了一系列新型单级隔离式功率因数校正变换器,克服了上述缺点,具有快速调节输出电压,只需一个或共同控制的两个开关,一个PWM控制电路和自动整定线电流的优点。RichardRedl的这项技术获得了专利。之后,许多研究者在此基础上研究出各种更完善的单级隔离式PFC变换器,它们与先前研究的变换器相比,在降低贮能电容电压,减少谐波失真和快速调节输出响应等方面有很大的改善。
2单级隔离式变换器的结构图
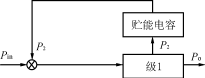
单级隔离式PFC变换器的功率流图如图1所示,而传统的两级变换的隔离式PFC电路的功率流图如
图1单级式PFC变换器结构图
图2两级式PFC变换器结构图
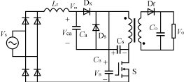
图3基本BOOST单级隔离式PFC变换器
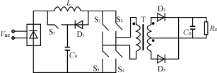
图4带有再生钳位的BOOST反激型单级隔离式PFC变换器
图5带有源钳位和软开关的BOOST反激型单级
图6单级充电激励式PFC变换器
图2所示。
比较图1和图2,单级隔离式变换器通过控制开关的通断,电路同时满足了输入侧高功率因数和输出侧电压的稳定与快速调节。PFC单元与DC/DC变换单元的开关由同一个PWM控制信号控制,而两级变换器的控制电路相互独立。 [p]
3单级隔离式PFC变换器的分类及特点
单级隔离式PFC变换器大体分为串联式和并联式两种。下面具体介绍各种类型的典型变换器。
31串联式单级隔离式PFC变换器
图3是由BOOST型PFC电路与单开关反激变换器组合而成的最基本的单级隔离式PFC变换器拓扑。它与普通的DC/DC变换器相比,有电压应力较高,损失较多的缺点。因此,人们研制出应用各种软开关技术,减少开关损耗及开关应力的各类新型单级PFC变换器,效率高,而电路拓扑又十分简单。详述如下。
(1)带有再生钳位的BOOST反激型单级隔离式PFC变换器
与最基本的单级隔离式PFC变换器相比,图4所示的带有再生钳位的BOOST反激型单级隔离式PFC变换器只增加了再生钳位电容Cc和二极管Dd两个元器件来构成钳位电路。Cc用来钳位开关上电压,Dd用来阻止Lk,Lp,Ce,L和Cc在开关S关断时谐振。钳位电路虽然简单,但它有效地减小了开关应力(钳位在Vc+nV0上),通过Cc与漏感Lk的谐振再生了贮存在变压器漏感中的能量,免去了损耗能量的缓冲电路。而且,变换器的功率因数可高于099,而普通的单级PFC变换器在相同条件下仅为098左右。THD比加缓冲电路时降低9%左右。但这种变换器的开关在闭合时应力较大,不是零电压下关断。
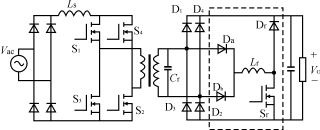
(2)带有源钳位和软开关的BOOST反激型单级隔离式PFC变换器
电路拓扑如图5所示,S1为主开关,S2为有源钳位辅助开关,电路可看为BOOST单元与反激单元的串联组合。两个单元共用一个主开关S1。Cr代表开关S1和S2的总寄生电容,Lk代表变压器的漏感,Cr、Lk形成串联谐振电路,实现S1的软开关,Cc和S2构成有源钳位电路,限制开关上的谐振电压。
这种电路可再生变压器漏感中的能量,减小电压应力,与前面提到的再生钳位电路类似,但它又增加了一个辅助开关,实现了零电压开关,而主开关和辅助开关用同一个控制/驱动电路。控制电路与没有有源钳位电路的控制电路相同,能够采用常用的PWM控制芯片来设计。目前带有源钳位和软开关的单级隔离式PFC变换器广泛应用于各种小功率场合。
(3)单级充电激励式PFC变换器
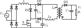
这种变换器没有用BOOST或其它变换器作为PFC单元,仅用两个电容来实现PFC。充电激励式PFC单元由谐振电感Lr,充电电容Ca及Cs,输出整流管Dx和钳位二极管Ds组成。如图6所示。
简单工作原理如下:开关S闭合,电容CB上的能量传递给变压器的初级绕组,Dx由于加反压而截止,Lr、Ca和Cs形成串联谐振从电源吸收能量。这期间,开关不仅承受PFC级的电流,而且还承受DC/DC级的电流。当Vm达到母线电压VB,Dx开始导通,Lr上贮存的能量传送给CB,由于Vm被钳位到母线电压,所以谐振电容电压不变,也就没有电流流过谐振电容,这时开关仅承受来自DC/DC级的电流。开关断开,Ca及Cs放电,Ca全部放电时,Ds导通,Ca和Cs贮存的能量送给磁化电感,Df开始导通,磁场能量传送给负载,磁化电流降为零后,Df截止,反向电压Vcs加到Dx上,Df截止,然后又开始下一个开关周期。
图7全桥式单级PFC变换器
图8两级并联PFC结构图
图9并联式单级PFC结构图 [p]
开关S在Vm被钳位到母线电压时,来自PFC单元的电流为零,开关电流仅来自DC/DC单元。因此,电流应力很小,与DC/DC变换器的基本相同。换句话说,也就是PFC单元不增加动作和开关损耗,变换器有较高的功率变换效率。这是这种变换器的主要优点。同时,这种变换器可在满载的05%到满载情况下最高贮能电容电压应力仍低于一般单级隔离式PFC变换器中的贮能电容电压,而且在负载的05%情况下还能调节输出电压,这可应用在某些特殊场合。
(4)全桥式单级PFC变换器
图7给出了ZVS(零电压开关)、全桥式单级PFC变换器。它在一般的全桥式PFC变换器中加入了含一个开关的辅助电路来实现ZVS,且ZVS可在大的负载范围内实现,同时有小的电压、电流应力,开关损耗几乎为零,EMI噪声很低。次级部分的整流二极管在ZCS(零电流开关)和ZVS下动作,初级有源器件在ZVS下动作。这个特点很重要是因为在高电压、高频率开关电源的开关损失中,主要的损失是由二级管反向恢复损失产生的,而不是有源器件。这种变换器可应用在较高功率场合。然而,它也存在着电路拓扑复杂,需要器件较多,增加费用的缺点,而且辅助开关的峰值电流应力比主开关的要高,但是有效电流应力低。
还有一些具有低谐波失真及软开关特性的单级PFC变换器,其拓扑大多较为复杂,在此不多叙述。
32并联式单级PFC变换器
所谓单相两级并联PFC就是为同时能获得单位输入功率因数并调节输出电压,大约68%的平均输入功率(P1)可通过一个功率变换级送到输出端,仅有剩下的32%的功率(P2)需要处理两次。功率流图见图8。
新型的并联式单级PFC变换只有一个功率变换级,同时处理输入功率(P1)和余下的32%功率(P2)。功率流图见图9。
下面给出一种并联式单级BOOST型PFC变换器,如图10所示。与串联式单级PFC变换器相比,它具有较高的变换效率,但是电路复杂。因此,近年来研究、应用较多的大多是电路简单的串联式单级PFC变换器。
4控制方案
单级隔离式PFC变换器的优点之一就是控制简单,仅用一个电路即可。目前单级PFC变换器的控制方法有电压反馈单环控制;也有用电流峰值控制的,它比电压反馈控制多了一个电流环,除了保持输出电压稳定还可控制电感电流,但这种控制方法需斜率补偿,对噪声敏感;另外,还有用平均电流控制法,例如前面提到的全桥式单级PFC变换器,平均电流控制法具有电路稳定性能好,电压输入范围宽,无需斜率补偿,测量精度高和适用的功率范围宽等优点。单级隔离式PFC变换器的主要特点之一就是成本低,因此,人们应用较多的还是电压反馈单环控制或电流峰值控制法,平均电流控制法虽然性能好,但费用高,背离了设计单级PFC变换器的初衷,所以仅用在少数功率较高的场合。M.H.L.Chow[11]等人在1998年首次提出了同时控制导通比和频率的控制方案。这种方案通过改变导通比来调节输出电压,改变频率获得单位功率因数和低电压应力,同时获得三种功能。而1994年Jovanovicetal[12]提出的变频控制方案,不能减少谐波失真。目前,在单级隔离式PFC变换器中,变频控制因它带来的负面影响应用得还很少,但应用它可解决某些疑难问题,例如:所有的单级隔离式PFC变换器都存在一个固有的问题,当负载超过最大负载值时,贮能电容电压继续上升。这时就可通过当贮能电容上电压达到最高值时增大开关频率来解决这个问题。
图10并联式单级BOOST型PFC变换器
5小结
本文总结了几种各具特色的单级隔离式PFC变换器,并在此基础上讨论了控制方案。单级功率因数校正及变换技术这门20世纪90年代发展起来的高效、低成本和实用的新技术,已广泛应用于小功率的家用电器,充电电池和计算机电源等场合。今后,各种单级隔离式PFC变换技术必将得到进一步的深入研究,并在小功率开关电源领域获得广泛的应用。
射频工程师养成培训教程套装,助您快速成为一名优秀射频工程师...
天线设计工程师培训课程套装,资深专家授课,让天线设计不再难...
上一篇:机载计算机电源的小型化设计
下一篇:一种改进的电压跟随PFCCukAC/DC变换器

