- 易迪拓培训,专注于微波、射频、天线设计工程师的培养
一种改进的电压跟随PFCCukAC/DC变换器
1引言
随着半导体器件的发展,电力电子装置的大量应用,导致大量谐波电流涌入电网,污染电网,这一问题已引起了各国的重视。为了限制总的谐波含量(THD)以提高功率因数,制定了许多标准,如IEC100032。近年来,如何提高功率因数成为了电力电子领域研究的热点,提出了许多有源PFC电路[1]~[3]。有两种功率因数校正方案,其一是采用控制输入电流使其接近正弦,这种方案中电路工作在连续导电模式(CCM),通常要求双闭环控制,由于对输入电流、电压及输出电压取样,这种方案比较复杂,成本高,限制了该方法的使用[4]~[5]。另一种方案是采用电压跟随(VoltageFollower)方式[6],电路通常工作在不连续导电模式(DCM),开关由输出电压误差信号控制,这种PFC方案仅需要一个电压控制环,这种方案相对简单,引起了研究人员的广泛关注[6]~[8]。
本文通过对工作于DCM的普通Cuk变换器功率因数校正能力的分析,给出了提高其功率因数校正能力的方案,同时使器件应力得到降低。在传统的CukDC/DC变换器中,两个电感存在依赖关系,即它们同时进入DCM或CCM,通过在电路中加一二极管,改变了它们之间的依赖关系,使它们可以独立工作于不同的导电模式。因此,在利用电压跟随方法进行功率因数校正时,令输出电感工作于CCM,而输入电感工作于DCM,从而减小了输出电压纹波,提高了变换器的效率。
2工作于DCM的CukAC/DC变换器的功
率因数校正能力
传统的CukAC/DC变换器如图1所示,当其工作于DCM时,其输入电流波形如图2所示,从图2可以得到,在一个开关周期TS内,输入电流iin的平均
图1传统的Cuk变换器
图2输入电流iin的波形
图3改进的VF睵FCCukDC/DC变换器
图4变换器的主要波形
值
由式(1)可以看出,由于D21的存在,
VinDTS=(VC-Vin)D21TS(2)
从而
D21=D(3)
从式(3)可以看出,欲减小D21从而提高变换器的功率因数校正能力,可以通过增加VC得以实现。本文提出经改进的Cuk变换器,通过一开关电容网把储能电容分成两个大小相等的电容,它们串联充电,并联放电,从而提高了变换器的功率因数校正能力,现分析如下:
在传统的Cuk变换器中,假设电容C上的电压为VC,则其储藏的能量为CVC2/2,现由两个大小为C/2的电容C1、C2储藏相同的能量,设电容C1、C2上的电压均为VCS,则:![]()
![]()
![]()
CVC2=C1VCS2+C2VCS2=CVCS2(4)
从上式可以看出,VCS与VC相等,但电容C1、C2是串联于电路中的,其上的电压之和为2VC,这相当于提高了式(3)中的VC,从而提高了Cuk变换器的功率因数校正能力。
3改进的CukDC/DC变换器
在传统的CukDC/DC变换器中,输入与输出电感具有相互依赖关系,即它们同时进入DCM或CCM。为解除这种依赖关系,在传统的CukDC/DC变换器中引入了一二极管VD0,在所提出的CukDC/DC变换器电路中,用一开关电容网代替储能电容C,从而提高了变换器的性能。图3为所提出的CukDC/DC变换器电路,在此基础上,提出了一种新的PFC电路。
在讨论新的PFC电路之前,首先分析图3所示的电路,为简化分析,作如下假设:
(1)电路工作进入稳态;
(2)所有元器件是理想的;
(3)开关频率fs远大于输入电压频率f,在每个
开关周期,输入电压保持恒定;
(4)电容C1、C2、C0足够大,其上的电压保持恒定。
图3所示的电路中,电感L1工作在DCM模式,电感L2工作在CCM模式,其主要的波形如图4所示,这时,电路有三种工作状态,分析如下:
模式1(t0≤t<t1):开关S导通,电源Vin向电感L1充电,电流iL1线形上升,在t1时刻,iL1达到最大值VinDTS/L1;电容C1、C2并联向电感L2,负载电容C0,负载电阻RL提供能量,电流iL2线性上升,在t1时刻,iL2达到最大值(VC-V0)DTS/L2。
模式2(t1≤t<t2):开关S断开,电源Vin和电感L1经二极管VD0向电容C1、C2充电,流过L1的电流iL1线形下降,在t2时刻,iin降为零。电感L2经VD1给负载电容C0,负载电阻RL提供能量,iL2线性下降。 [p]
模式3(t2≤t<t0+TS):开关S断开,iL1为零,
图5改进的VF睵FCAC/DC变换器电路
电感L2继续给负载电容C0,负载电阻RL提供能量,iL2线性下降.
当电感L1工作在DCM,电感L2工作在CCM时,根据伏秒平衡原理可知电容上的电压为:
VC=(D+D21)Vin/2D21(5)
输出电压为
VO=DVC=(D+D21)DVin/2D21(6)
4改进的VF睵FCCukAC/DC变换器的
电路分析
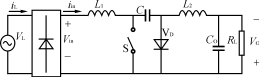
图5为所提出的VF睵FCCukDC/DC变换器电路,图中LF,CF组成高频滤波网络,由于开关频率远大于输入交流电压频率,可以假设在一个开关周期TS内,输入电压保持不变。
定义输入电压为:
vin(t)="Vpsinωt|(7)
式中:Vp为输入电压的峰值;
ω为输入电压的角频率。
由于在提出的变换器中,要求电感L1工作在DCM,而电感L2工作在CCM,故需知道它们工作在临界状态时的值,现推导如下:
在模式1,流过电感L1的电流iL1可表示为:
iL1(t,t′)=Vpt′|sinωt|/L1(0<t′ iL1p(t′,t)=VpDTS|sinωt|/L1(8)
式中:TS为开关周期;
D为开关S的占空比;
t′为时间坐标,其原点为每一个开关周期中开关导通的时刻。
由伏秒平衡原理可得:
VinDTS=(2VC-Vin)(1-D-Δ)TS(9)
由于要求电感L1工作在DCM,只需要保证输入电压vin(t)达到最大值时L1工作在DCM的边界,此时由伏秒平衡原理可得:
VpDTS=(2VC-Vp)(1-D)TS
(VC-VO)DTS=VO(1-D)TS(10)
把式(7)、式(10)代入式(9)可得:
(11)
在一个开关周期内电感电流iL1的平均值可表示为:
〈iL1(t)〉=iL1P(t,t′)(1-Δ)/2
=VpDTS(1-Δ)"sinωt|/2L1(12)
把式(9)代入式(10)可得:
〈iL1(t)〉=(13)
上式就是改进的VF睵FCCukAC/DC变换器电路的输入电流表达式,在半个输入电压周期电源的输入功率为:![]()
(14)
式中:![]()
平均输出功率为: [p]
Pout=VO2/RL=D2VP2/4RL(1-D)2(15)
假设变换器的效率为η,根据功率平衡原理可得:
ηPin=Pout(16)
即![]()
=(17)
由上面的分析可得,输入电感L1工作的临界值为:
L1=(18)
下面推导电感L2工作的临界值,由于输出功率
Pout=〈iL2〉VO(19)
电感L2工作在CCM与DCM的临界条件时,在一个开关周期TS内,流过电感L2的平均值〈iL2〉为:
〈iL2〉=iL2P/2=(VC-VO)DTS/2L2(20)
图6电路的仿真波形
(a)输入电流iL的波形(b)电流iL1的波形
(c)电流iL2的波形
由式(19)、式(20)可得:
Pout=(VC-VO)DTSVO/2L2
=VP2D2TS/8L2(1-D)(21)
由式(15)、式(21)可得电感L2工作的临界值为:L2=(22)
只要电感L1的值小于其临界值,而电感L2的值大于其临界值,则可以保证输入电感L1工作于DCM,从而实现了VF睵FC的功能,而输出电感L2工作于CCM,从而减小了器件的应力和输出电流纹波。
5仿真结果
设计要求如下:输入电压vin(t)=110sinωt,电源频率f=50Hz,输出电压VO=127V,输出功率PO=200W(RL=80Ω),开关频率fs=100kHz。仿真所选的参数为:输入电压vin(t)=110sinωt,其频率f=50Hz,输入电感L1=100μH,输出电感L2=1000μH,开关频率fs=100kHz,开关的占空比D=0.45。仿真的波形如图6所示。图6(a)为输入电流iL(t)的波形,由图可见,输入电流的包络线近似为正弦波,仿真得到的输入电流功率因数为0.995。图6(b)为电感L1上的电流iL1的波形,电感L1工作在DCM。电感L2工作于CCM,流过L2的电流波形如图6(c)所示。
6结语
在传统的CukDC/DC变换器中引入一个二极管,改变了其输入与输出电感之间的依赖关系。通过对输入电感工作于DCM的Cuk变换器的功率因数校正能力的分析,用一开关电容网代替原单个储能电容,从而提高了其功率因数校正能力。通过对所提的VF睵FCCukAC/DC变换器的分析,找出了输入与输出电感工作的临界值。在所提出的变换器中,输入电感L1工作于DCM,以实现功率因数校正,输出电感L2工作于CCM,从而减小了器件应力和输出电流、电压纹波。MATLAB仿真与实验结果证实了理论分析的正确性。
射频工程师养成培训教程套装,助您快速成为一名优秀射频工程师...

