- 易迪拓培训,专注于微波、射频、天线设计工程师的培养
Boost电路的一种软开关实现方法
摘要:提出了一种Boost电路软开关实现方法,即同步整流加上电感电流反向。根据两个开关管实现软开关的条件不同,提出了强管和弱管的概念,给出了满足软开关条件的设计方法。一个24V输入,40V/2.5A输出,开关频率为200kHz的同步Boost变换器样机进一步验证了上述方法的正确性,其满载效率达到了96.9%
关键词:升压电路;软开关;同步整流
0 引言
轻小化是目前电源产品追求的目标。而提高开关频率可以减小电感、电容等元件的体积。但是,开关频率提高的瓶颈是器件的开关损耗,于是软开关技术就应运而生。一般,要实现比较理想的软开关效果,都需要有一个或一个以上的辅助开关为主开关创造软开关的条件,同时希望辅助开关本身也能实现软开关。
Boost电路作为一种最基本的DC/DC拓扑而广泛应用于各种电源产品中。由于Boost电路只包含一个开关,所以,要实现软开关往往要附加很多有源或无源的额外电路,增加了变换器的成本,降低了变换器的可靠性。
Boost电路除了有一个开关管外还有一个二极管。在较低压输出的场合,本身就希望用一个MOSFET来替换二极管(同步整流),从而获得比较高的效率。如果能利用这个同步开关作为主开关的辅助管,来创造软开关条件,同时本身又能实现软开关,那将是一个比较好的方案。
本文提出了一种Boost电路实现软开关的方法。该方案适用于输出电压较低的场合。
1 工作原理
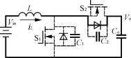
图1所示的是具有两个开关管的同步Boost电路。其两个开关互补导通,中间有一定的死区防止共态导通,如图2所示。通常设计中电感上的电流为一个方向,如图2第5个波形所示。考虑到开关的结电容以及死区时间,一个周期可以分为5个阶段,各个阶段的等效电路如图3所示。下面简单描述了电感电流不改变方向的同步Boost电路的工作原理。在这种设计下,S2可以实现软开关,
图1 同步Boost变换器
图2 电感电流不反向时的主要工作波形
(a)Stagel[ t 0, t 1] (b)Stage2[ t 1, t 2]
(c)Stage3[ t 2, t 3] (d)Stage4[ t 3, t 4]
(e)Stage5[ t 4, t 5]
图3 电感电流不反向时各阶段等效电路
但是S1只能工作在硬开关状态。
1)阶段1〔 t 0~ t 1〕 该阶段,S1导通, L 上承受输入电压, L 上的电流线性增加。在 t 1时刻,S1关断,该阶段结束。
2)阶段2〔 t 1~ t 2〕 S1关断后,电感电流对S1的结电容进行充电,使S2的结电容进行放电,S2的漏源电压可以近似认为线性下降,直到下降到零,该阶段结束。
3)阶段3〔 t 2~ t 3〕 当S2的漏源电压下降到零之后,S2的寄生二极管就导通,将S2的漏源电压箝在零电压状态,也就是为S2的零电压导通创造了条件。
4)阶段4〔 t 3~ t 4〕 S2的门极变为高电平,S2零电压开通。电感 L 上的电流又流过S2。 L 上承受输出电压和输入电压之差,电流线性减小,直到S2关断,该阶段结束。
5)阶段5〔 t 4~ t 5〕 此时电感 L 上的电流方向仍然为正,所以该电流只能转移到S2的寄生二极管上,而无法对S1的结电容进行放电。因此,S1是工作在硬开关状态的。
接着S1导通,进入下一个周期。从以上的分析可以看到,S2实现了软开关,但是S1并没有实现软开关。其原因是S2关断后,电感上的电流方向是正的,无法使S1的结电容进行放电。但是,如果将 L 设计得足够小,让电感电流在S2关断时为负的,如图4所示,就可以对S1的结电容进行放电而实现S1的软开关了。
图4 电感电流反向时的主要工作波形 [p]
在这种情况下,一个周期可以分为6个阶段,各个阶段的等效电路如图5所示。其工作原理描述如下。
1)阶段1〔 t 0~ t 1〕 该阶段,S1导通, L 上承受输入电压, L 上的电流正向线性增加,从负值变为正值。在 t 1时刻,S1关断,该阶段结束。
2)阶段2〔 t 1~ t 2〕 S1关断后,电感电流为正,对S1的结电容进行充电,使S2的结电容放电,S2的漏源电压可以近似认为线性下降。直到S2的漏源电压下降到零,该阶段结束。
3)阶段3〔 t 2~ t 3〕 当S2的漏源电压下降到零之后,S2的寄生二极管就导通,将S2的漏源电压箝在零电压状态,也就是为S2的零电压导通创造了条件。
4)阶段4〔 t 3~ t 4〕 S2的门极变为高电平,S2零电压开通。电感 L 上的电流又流过S2。 L 上承受输出电压和输入电压之差,电流线性减小,直到变为负值,然后S2关断,该阶段结束。
5)阶段5〔 t 4~ t 5〕此时电感L上的电流方向为负,正好可以使S1的结电容进行放电,对S2的结电容进行充电。S1的漏源电压可以近似认为线性下降。直到S1的漏源电压下降到零,该阶段结束。
6)阶段6〔 t 5~ t 6〕当S1的漏源电压下降到零之后,S1的寄生二极管就导通,将S1的漏源电压箝在零电压状态,也就是为S1的零电压导通创造了条件。
(a)Stagel[ t 0, t 1](b)Stage2[ t 1, t 2]
(c)Stage3[ t 2, t 3](d)Stage4[ t 3, t 4]
(e)Stage5[ t 4, t 5](f)Stage6[ t 5, t 6]
图5 电感电流不反向时各阶段等效电路
接着S1在零电压条件下导通,进入下一个周期。可以看到,在这种方案下,两个开关S1和S2都可以实现软开关。
2 软开关的参数设计
以上用同步整流加电感电流反向的办法来实现Boost电路的软开关,其中两个开关实现软开关的难易程度并不相同。电感电流的峰峰值可以表示为
Δ I =( V in DT )/ L (1)
式中: D 为占空比;
T 为开关周期。
所以,电感上电流的最大值和最小值可以表示为
I max=Δ I /2+ I o(2)
I min=Δ I /2- I o(3)
式中: I o为输出电流。
将式(1)代入式(2)和式(3)可得
I max=( V in DT )/2 L + I o(4)
I min=( V in DT )/2 L - I o(5)
从上面的原理分析中可以看到S1的软开关条件是由 I min对S2的结电容充电,使S1的结电容放电实现的;而S2的软开关条件是由 I max对S1的结电容充电,使S2的结电容放电实现的。另外,通常满载情况下| I max|>>| I min|。所以,S1和S2的软开关实现难易程度也不同,S1要比S2难得多。这里将S1称为弱管,S2称为强管。
强管S2的软开关极限条件为 L 和S1的结电容 C 1和S2的结电容 C 2谐振,能让 C 2上电压谐振到零的条件,可表示为式(6)。
C
2
V
o2+
C
1
V
o2(<=)
LI
max2(6)
将式(4)代入式(6)可得
C
2
V
o2+
C
1
V
o2(<=)
L
(7)
实际上,式(7)非常容易满足,而死区时间也不可能非常大,因此,可以近似认为在死区时间内电感 L 上的电流保持不变,即为一个恒流源在对S2的结电容充电,使S1的结电容放电。在这种情况下的ZVS条件称为宽裕条件,表达式为式(8)。
(
C
2+
C
1)
V
o(<=)
t
dead2(8)
式中: t dead2为S2开通前的死区时间。
同理,弱管S1的软开关宽裕条件为
(
C
1+
C
2)
V
o(<=)
t
dead1(9)
式中: t dead1为S1开通前的死区时间。 [p]
在实际电路的设计中,强管的软开关条件非常容易实现,所以,关键是设计弱管的软开关条件。首先确定可以承受的最大死区时间,然后根据式(9)推算出电感量 L 。因为,在能实现软开关的前提下, L 不宜太小,以免造成开关管上过大的电流有效值,从而使得开关的导通损耗过大。
3 实验结果
一个开关频率为200kHz,功率为100W的电感电流反向的同步Boost变换器进一步验证了上述软开关实现方法的正确性。
该变换器的规格和主要参数如下:
输入电压 V in 24V
输出电压 V o 40V
输出电流 I o 0~2.5A
工作频率 f 200kHz
主开关S1及S2 IRFZ44
电感 L 4.5μH
图6(a),图6(b)及图6(c)是满载(2.5A)时的实验波形。从图6(a)可以看到电感 L 上的电流在 DT 或(1- D ) T 时段里都会反向,也就是创造了S1软开关的条件。从图6(b)及图6(c)可以看到两个开关S1和S2都实现了ZVS。但是从电压 v ds的下降斜率来看S1比S2的ZVS条件要差,这就是强管和弱管的差异。
图7给出了该变换器在不同负载电流下的转换效率。最高效率达到了97.1%,满载效率为96.9%。
(a)Current of L ( I o=1A)
(b) v gs and v ds of S2( I o=2.5A)
(c) v gs and v ds of S1( I o=2.5A)
图6 实验波形( V in=24V)
图7 不同负载电流下的效率曲线
4 结语
本文提出了一种Boost电路软开关实现策略:同步整流加电感电流反向。在该方案下,两个开关管根据软开关条件的不同,分为强管和弱管。设计中要根据弱管的临界软开关条件来决定电感L的大小。因为实现了软开关,开关频率可以设计得比较高。电感量可以设计得很小,所需的电感体积也可以比较小(通常可以用I型磁芯)。因此,这种方案适用于高功率密度、较低输出电压的场合。
射频工程师养成培训教程套装,助您快速成为一名优秀射频工程师...
天线设计工程师培训课程套装,资深专家授课,让天线设计不再难...
上一篇:UOUT=1V的DC/DC变换器发展趋势
下一篇:移相全桥ZVS变换器的原理与设计

