- 易迪拓培训,专注于微波、射频、天线设计工程师的培养
四象限DC/DC零电流开关准谐振罗氏变换器
摘要:零电流开关(ZCS)技术可以显著地降低开关由导通转向关断时的功率损耗。然而,大多数文章中论述到的零电流开关变换器仅是单象限运行。本文介绍的四象限DC/DC零电流开关准谐振罗氏变换器是一种新型的可以在四个象限内运行、运用软开关技术的零电流开关变换器,能够有效地降低功率损耗,从而极大地提高功率传输效率。实验测试结果验证了文中的分析和计算。
关健词:软开关技术零电流开关准谐振变换器
Four Quadrant DC/DC ZCS Quasi Resonant Luo Converter
Abstract: Zero current switching (ZCS) technique significantly reduces the power losses across the switches during the switch on and off. Unfortunately, most of the papers discuss the converters only working at single quadrant operation. This paper introduces the four quadrant DC/DC zero current switching (ZCS) quasi resonant Luo Converter, which is a new type ZCS converter. It performs the soft switching technique with a four quadrant operation, which effectively reduces the power losses and largely increases the power transfer efficiency. The results obtained from analysis and design were compared and verified by practical test results.
Keywords: Soft switching technique,Zero current switching,Quasi resonant converter
中图法分类号:TM92文献标识码:A文章编号:02192713(2000)0840506
1引言
经典DC/DC变换器的体积通常都很大,并且功率密度和功率传输效率均很低。虽然第一代罗氏变换器显著地增大了电压传输增益,提高了功率密度和功率传输效率,但是相对而言,其开关上的功率损耗仍然很大[1-8]。高功率密度的开关电感变换器已成功地应用于DC/DC变换器[7-9]中,但是在开关闭合和关断的转换期间,很大的电流和电压所产生的交叠,会在变换器内部两只开关上产生很大的功率损耗。
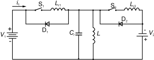
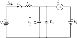
运用软开关技术可以减少功率损耗[10-14]。然而大多数文章中论述到的这类变换器仅是单象限运行。本文介绍的新型四象限DC/DC零电流开关准谐振罗氏变换器,能够有效地降低变换器的开关损耗,从而极大地提高功率传输效率。四象限DC/DC零电流开关准谐振罗氏变换器的电路如图1所示。电路1实现了Ⅰ,Ⅱ象限内的运行;电路2实现了Ⅲ,Ⅳ象限内的运行;电路1和电路2可以通过辅助开关实现相互转换。每一个电路都是由一只主电感L和两只开关及辅助元件所组成。假设主电感L足够大,则通过它的电流iL可认为是一常数。源电压V1和负载电压V2通常是恒定的,如:令V1=42V,V2=±28V[7-9]。
它的4种运行模式如下:
图1四象限DC/DC零电流开关准谐振罗氏变换器
(a)电路1(Ⅰ,Ⅱ象限内运行)(b)电路2(Ⅲ,Ⅳ象限内运行)
| 电路//开关或二极管 | 模式A(象限-Ⅰ) | 模式B(象限-Ⅰ)Ⅱ | 模式C(象限-Ⅲ) | 模式D(象限-Ⅳ) | ||||
|---|---|---|---|---|---|---|---|---|
| 状态—通 | 状态—断 | 状态—通 | 状态—断 | 状态—通 | 状态—断 | 状态—通 | 状态—断 | |
| 电路 | 电路1 | 电路2 | ||||||
| S1 | 通 | 通 | ||||||
| D1 | 通 | 通 | ||||||
| S2 | 通 | 通 | ||||||
| D2 | 通 | 通 | ||||||
表2不同频率时的实测结果
| 模式 | f/(kHz) | Lr1=Lr2/(μH) | Cr/(μF) | I1/(A) | I0/(A) | IL/(A) | PI/(W) | P0/(W) | η/(%) | PD/[W/(in)3] |
|---|---|---|---|---|---|---|---|---|---|---|
| A | 20.5 | 1 | 4 | 16.98 | 25.00 | 25 | 713.0 | 700.0 | 98.2 | 17.66 |
| A | 21.0 | 1 | 4 | 17.40 | 25.00 | 25 | 730.6 | 700.0 | 95.8 | 17.88 |
| A | 21.5 | 1 | 4 | 17.81 | 25.00 | 25 | 748.0 | 700.0 | 93.5 | 18.10 |
| B | 16.5 | 1 | 4 | 25.00 | 16.40 | 25 | 700.0 | 688.8 | 98.4 | 17.36 |
| B | 17.0 | 1 | 4 | 25.00 | 16.20 | 25 | 700.0 | 680.4 | 97.2 | 17.25 |
| B | 17.5 | 1 | 4 | 25.00 | 15.97 | 25 | 700.0 | 670.1 | 95.8 | 17.13 |
| C | 19.0 | 1 | 4 | 16.17 | 23.82 | 35 | 679.1 | 667.0 | 98.2 | 16.83 |
| C | 19.3 | 1 | 4 | 16.42 | 23.64 | 35 | 689.7 | 662.0 | 96.0 | 16.90 |
| C | 19.5 | 1 | 4 | 16.59 | 23.53 | 35 | 696.8 | 658.8 | 94.5 | 16.95 |
| D | 40.0 | 1 | 4 | 24.05 | 15.64 | 35 | 663.4 | 656.8 | 97.5 | 16.50 |
| D | 40.3 | 1 | 4 | 24.23 | 15.49 | 35 | 678.5 | 650.6 | 95.9 | 16.60 |
| D | 10.5 | 1 | 4 | 24.35 | 15.40 | 35 | 681.8 | 646.7 | 94.8 | 16.61 |
表1开关状态(空白表示关断)
图2模式A运行
(a)等效电路(b)波形图
(1)模式A(象限I):电能由V1端传向V2端;
(2)模式B(象限II):电能由V2端传向V1端;
(3)模式C(象限Ⅲ):电能由V1端传向-V2端;
(4)模式D(象限Ⅳ):电能由-V2端传向V1端。
每种模式都有两个状态:“通”状态和“断”状态,其开关状态如表1所示[6,7,9]: [p]
2模式A
模式A是一零电流开关(ZCS)buck变换器,其等效电路、电流和电压的波形图如图2所示。开关导通和关断周期可分为4个时间段0~t1,t1Gt2,t2~t3和t3~t4。导通时间为kT=t2,此时输入电流流经开关S1和主电感L。整个周期为T=t4。谐振电路为Lr1-Cr。
谐振角频率为:(1)
特征阻抗为:(2)
谐振电流(交流分量)为:
(3)
考虑到直流分量,电流峰值为:
(4)
2.1时间间隔0~t1
当t=0时开关S1导通,源电流以斜率V1/Lr1线性增加,但始终比负载恒定电流IL小,因此谐振电容Cr上无电流流过。当t=t1时,源电流等于负载恒定电流IL,此时t1为:(5)
相应的位移角为:(6)
2.2时间间隔t1~t2
在这一时间段,电流流过谐振电容Cr,电路Lr1-Cr谐振,电流波形为一正弦函数曲线。当过峰值后,电流下降至IL,如果变换器工作在准谐振状态,则在t=t2时电流下降到零,开关S1关断(模式B,C,D亦然)。
显然开关S1是在电流为零时关断。这一时间长度为:
(7)
同时,电容Cr上的电压也是一正弦函数。当t=t2时,电容上的电压vc相应的电压值Vco为:
VCO=V1[1+sin(π/2+α1)]=V1(1+cosα1)(8)
2.3时间间隔t2~t3
由于开关S1关断,所以电容Cr上所充的电量将会通过负载电流IL释放。因为负载电流IL是一常数,所以电压vc在时间间隔t2~t3内由Vco线性减小至0,则这一时间长度为:
(9)
2.4时间间隔t3~t4
由于续流二极管D2的存在,电容电压vc不能减小至负值。当t=t3时,负载电流不再流经Cr,而是流经D2。从这时起,续流负载电流流过主电感L、负载电源V2和续流二极管D2。这一阶段的时间长度(t4-t3)取决于设计要求。若忽略功率损耗,且认为I2=IL,得出输入电流平均值I1为:
(10)
因此,(11)
导通占空比为:k=t2/t4(12)
整个开关周期为:T=t4(13)
相应的频率为:f=1/T(14)
图3模式B运行
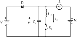
3模式B
模式B是一零电流开关(ZCS)boost变换器,其等效电路、电流和电压波形如图3所示。开关导通和关断周期可分为4个时间段0~t1,t1~t2,t2~t3和t3~t4,导通时间为kT=t2,输出电流仅在时间段t4-t3内流经电源V1。整个周期为T=t4。谐振电路为Lr2-Cr。
谐振角频率为:
(15)
特征阻抗为:(16)
谐振电流(交流分量)为:(17)
考虑到直流分量,电流峰值为:(18)
3.1时间间隔0~t1
t=0时开关S2导通,电容Cr上的电压等于电源电压V1。电感电流iLr2以斜率V1/Lr1线性增加,但始终比负载恒定电流IL小。因此谐振电容Cr上无电流流过。当t=t1时,电感电流等于负载恒定电流IL,则t1为:
(19)
相应的位移角为:(20)
3.2时间间隔t1~t2
在此时间段内,电流流过谐振电容Cr,电路Lr2-Cr谐振,电流波形为一正弦函数曲线。当过峰值点后,电流下降至IL。如果变换器工作在准谐振状态,则在t=t2时电流下降到0,开关S2关断。这一时间长度为:
(21)
同时,电容上Cr的电压也是一正弦函数。当t=t2时,电容上的电压vc相应的电压值Vco为:
Vco=-V1sin(π/2+α2)=-V1cosα2(22)
3.3时间间隔t2~t3
由于开关S2关断,电容Cr上所充的电量将会通过负载电流IL释放。因为负载电流IL是一常数,所以电压vc在时间间隔t2~t3内,由Vco线性增大至源电压V1,则这一时间长度为:
(23)
3.4时间间隔t3~t4
由于续流二极管D1的存在,电容电压vc不能比源电压V1高。当t=t3时,负载电流不再流经Cr,而是流经D1。从这时起,负载电流流过主电感L,续流二极管D1,源电压V1和负载电压V2。这一阶段的时间长度(t4-t3)取决于设计要求。若忽略功率损耗,且I2=IL,我们得出输出电流平均值I1为:
(24)
或(25)
因此(26)
导通占空比为:k=t2/t4(27) [p]
整个重复周期为:T=t4(28)
则相应频率为:f=1/T(29)
4模式C
模式C是一零电流开关(ZCS)buck-boost变换器,其等效电路、电流和电压的波形图如图4所示。开关导通和关断周期可分为4个时间段0~t1,t1~t2,t2~t3和t3~t4。导通时间为kT=t2,此时输入电流流经开关S1和主电感L。输出电流仅在t4~t3时间段内流经负载电压V2。整个周期为T=t4。谐振电路为Lr1-Cr。
谐振角频率为:(30)
特征阻抗为:(31)
图4模式C运行
(a)等效电路(b)波形
谐振电流(交流分量)为:
(32)
考虑到直流分量,电流峰值为:
(33)
4.1时间间隔0Gt1
当t=0时开关S1导通,电容Cr上的电压等于负载电压V2。源电流以斜率(V1+V2)/Lr1线性增加,但始终比负载恒定电流IL小,因此谐振电容Cr上无电流流过。当t=t1时,源电流等于负载恒定电流IL,此时t1为:
(34)
相应的位移角为:
(35)
在t=0时开关S1导通之前,续流二极管D2导通。因此谐振电容Cr上的电压vC在这一阶段等于V2。
4.2时间间隔t1~t2
在这一时间段,电流流过谐振电容Cr,电路Lr1-Cr谐振,电流波形为一正弦函数曲线。当过峰值后,电流下降至IL,如果变换器工作在准谐振状态,则在t=t2时电流下降到零,开关S1关断。这一时间长度为:
(36)
同时,电容Cr上的电压也是一正弦函数。谐振振幅等于V1。当t=t2时,电容上的电压vc相应的电压值Vco为:
Vco=V1-V2+V1sin(π/2+α1)
=V1(1+cosα1)-V2(37)
4.3时间间隔t2~t3
由于开关S1关断,电容Cr上所充的电量将会通过负载电流IL释放。因为负载电流IL是一常数,所以电压vc在时间间隔t2Gt3内由Vco线性减小,在t=t3时减小至-"V2|,则这段时间长度为:
(38)
在这一时间段,续流二极管D2由于反向偏置,故不导通。
4.4时间间隔t3~t4
当t=t3时,电容电压vc等于负载电压V2,这时续流二极管D2导通。当t=t3时,主电感上的电流不再流经电容Cr,而是流经V2。从这时起,负载电流续流流过主电感L,负载电压V2和续流二极管D2。这一阶段的时间长度(t4-t3)取决于设计要求。若忽略功率损耗,且认为I2=IL,我们得出输入、输出电流平均值为:
(39)
(40)
因此,
(41)
导通占空比为:k=t2/t4(42)
整个开关周期为:T=t4(43)
相应的频率为:f=1/T(44) [p]
5模式D
模式D是一零电流开关(ZCS)buck-boost变换器,其等效电路、电流和电压波形如图5所示。开关导通和关断周期可分为4个时间段0~t1,t1~t2,t2~t3和t3~t4,导通时间为kT=t2,输出电流仅在时间段(t4-t3)内流经电源V1。整个周期为T=t4。谐振电路为Lr2-Cr。
谐振角频率为:(45)
特征阻抗为:(46)
谐振电流(交流分量)为:
图5模式D运行
(a)等效电路(b)波形
(47)
考虑到直流分量,电流峰值为:
(48)
5.1时间间隔0~t1
当t=0时开关S2导通,电容Cr上的电压等于电源电压V1。电感电流iLr2以斜率(V1+V2)/Lr2线性增加,但始终比负载恒定电流IL小。因此谐振电容Cr上无电流流过。当t=t1时,电感电流iLr2等于负载恒定电流IL,则t1为:
(49)
相应的位移角为:(50)
5.2时间间隔t1~t2
在此时间段内,电流流过谐振电容Cr,电路Lr2-Cr谐振,电流波形为一正弦函数曲线。当过峰值点后,电流下降至IL,如果变换器工作在准谐振状态,则在t=t2时电流下降到零,开关S2关断。这一时间长度为:
(51)
同时,电容Cr上的电压也是一正弦函数。当t=t2时,电容上的电压vc相应的电压值Vco为:
Vco=(V1-V2)-V2sin(π/2+α2)
=V1-V2(1+cosα2)(52)
5.3时间间隔t2Gt3
由于开关S2关断,电容Cr上所充的电量将会通过负载电流IL释放。因为负载电流IL是一常数,所以电压vc在时间间隔t2~t3内由Vco线性增大至V1,则这段时间长度为:
(53)
5.4时间间隔t3Gt4
由于续流二极管D1的存在,电容电压vc不能比源电压V1高。当t=t3时,主电感上的电流不再流经Cr,而是流经D1。从这时起,输出电流I1流过主电感L,续流二极管D1,源电压V1和负载电压V2。这一阶段的时间长度(t4-t3)取决于设计要求。若忽略功率损耗,我们得出输出电流平均值I1为:
(54)
或(55)
因此,
(56)
导通占空比为:k=t2/t4(57)
整个重复周期为:T=t4(58)
则相应频率为:f=1/T(59)
6实测结果
以1个±28V的直流电池做为负载、1个42V的直流电池做为电源来进行测试。测试条件为:V1=42V,V2=±28V,L=30μH,Lr1=Lr2=1μH,Cr=4μF且体积为40(in)3。实测结果如表2所示。可见,其平均功率传输效率为96.3%,且总的平均功率密度(PD)为17.1W/(in)3。经典变换器的功率密度通常小于5W/(in)3,因而本文所介绍的这种变换器的功率密度要高得多。由于开关频率较低(f<41kHz) 且 工 作 在 简 谐 状 态 , 所 以 高 次 谐 波 分 量 很 小 。 通 过 快 速 傅 立 叶 变 换 ( FFT) 分 析 , 得 出 其 总 体 谐 波 失 真 ( THD) 非 常 小 , 所 以 电 磁 干 扰 ( EMI) 很 弱 , 可 以 满 足 电 磁 灵 敏 度 ( EMS) 和 电 磁 兼 容 性 ( EMC) 的 要 求 。
7结语
1种新型的四象限DC/DC零电流开关准谐振变换器已开发出来。由于它应用了软开关技术,因而极大地减少了开关功率损耗,实现了高效率的功率传输。因为其开关频率较低磁干扰(EMI)很弱,可以满足电磁灵敏度(EMS)和电磁兼容性(EMC)的要求。实验结果证实了这种变换器的上述优点和文中的分析。
射频工程师养成培训教程套装,助您快速成为一名优秀射频工程师...

