- 易迪拓培训,专注于微波、射频、天线设计工程师的培养
基于UC3846的大功率DC/DC变换器的研究
摘要:介绍并比较了电压控制型和电流控制型DC/DC变换器的基本原理,设计出了基于电流控制型PWM控制芯片UC3846的大功率DC/DC变换器的实用电路,提出了两种UC3846输出脉冲封锁方式,设计出一种新颖的IGBT驱动电路,实验结果证明,该电路具有较好的控制特性和稳定性。
关键词:DC/DC变换器;脉宽调制;电压控制型;电流控制型;IGBT驱动
0 引言
随着工业、航空、航天、军事等应用领域技术的不断发展,人们对开关稳压电源的要求也越来越高。某系统对大功率开关稳压电源提出的要求是:输入电压为AC220V,输出电压为DC38V,输出电流为100A。开关电源的结构一般为先进行AC/DC然后再DC/DC的形式,考虑到论文篇幅的限制,仅对DC/DC变换部分进行讨论。
大功率DC/DC变换器主电路拓扑有很多种,诸如双管正激式、推挽式、半桥式和全桥式等。控制芯片的种类也非常多,主要分为电流控制型与电压控制型两大类。电压控制型只对输出电压采样,作为反馈信号进行闭环控制,采用PWM技术调节输出电压,从控制理论的角度看,这是一种单环控制系统。电流控制型是在电压控制型的基础上,增加一个电流负反馈环节,使其成为双环控制系统,从而提高了电源的性能。
根据对各种拓扑和控制方式的技术成熟程度,工程化实现难度,电气性能以及成本等指标的比较,本文选用半桥式DC/DC变换器作为主电路,电流型PWM控制芯片UC3846作为该系统的控制单元。
1 电压控制型脉宽调制器和电流控制型脉宽调制器
图1为电压控制型变换器的原理框图。电源输出电压的采样反馈值Vf与参考电压 V r进行比较放大,得到误差信号 V e,它与锯齿波信号比较后,PWM比较器输出PWM控制信号,经驱动电路驱动开关管通断,产生高频方波电压,由高频变压器传输至副方,经整流滤波得到所需要的电压。改变电压给定 V r,即可改变输出电压 V o。
图1 电压控制型的原理图
图2为电流控制型变换器的原理框图。恒频时钟脉冲置位R-S锁存器,输出高电平,开关管导通,变压器原边的电流线性增大,当电流在采样电阻 R s上的压降 V s达到 V e时,PWM比较器翻转,输出高电平,锁存器复位,驱动信号变低,开关管关断,直到下一个时钟脉冲使R-S锁存器置位。电路就是这样逐个地检测和调节电流脉冲的。
图2 电流控制型的原理图
当电源输入电压和/或负载发生变化时,两种控制类型的动态响应速度是不同的。如果电压升高,则开关管的电流增长速度变快。对电流控制型而言,只要电流脉冲一达到设定的幅值,脉宽比较器就动作,开关管关断,保证了输出电压的稳定。对电压控制型而言,检测电路对电流的变化没有直接的反映,一直等到输出电压发生变化后才去调节脉宽,由于滤波电路的滞后效应,这种变化需要多个周期后才能表现出来,显然动态响应速度要慢得多,且输出电压的稳定性也受到一定的影响。
另外,电流控制型变换器还可以很容易地实现逐个脉冲控制和多电源的并联运行,并具有抑制高频变压器偏磁的能力。但在应用电流控制型时也要注意以下问题:
——占空比大于50%时,控制电路不稳定,这时须加斜坡补偿;
——控制调节电路是基于从电感电流取得的信号,因此,功率部分的振荡容易将噪声引入控制电路。
2 电流控制型脉宽调制器UC3846简介
本系统采用了UC3846作为开关控制器。UC3846是一种双端输出的电流控制型脉宽调制器芯片,其内部结构方框图如图3所示。其引出的脚1为限流电平设置端;脚2为基准电压输出端;脚3为电流检测放大器的反相输入端;脚4为电流检测放大器的同相输入端;脚5为误差放大器的同相输入端;脚6为误差放大器的反相输入端;脚7为误差放大器反馈补偿;脚8为振荡器的外接电容端;脚9为振荡器的外接电阻端;脚10为同步端;脚11为PWM脉冲的A输出端;脚12为地;脚13为集电极电源端;脚14为PWM脉冲的B输出端;脚15为控制电源输入端;脚16为关闭端。
由图3可以看到,UC3846通过一个放大倍数为3的电流测定放大器(其输入电压必须<1.2V)来获得电感电流或开关电流信号,其输出接PWM比较器的同相端。当取样放大器输入信号>1.2V时,电流型控制器将延时关断。电压误差放大器的输出经二极管和0.5V偏压后送至PWM比较器的反相端,其输出既作为给定信号,同时又被限流电平设置脚(脚1)箝位在 V 1+0.7V,从而完成了逐个脉冲限流的目的。当差动电流检测放大器检测的是开关电流而不是电感电流时,由于开关管寄生电容放电,检测电流会有一个较大的尖峰前沿,可能使电流检测锁存和PWM电路误动作,所以,应在电流检测输入端加 RC 滤波。
图3 UC3846的内部结构方框图 [p]
UC3846具有快速保护功能,它与电流取样电路延时关断不同。保护功能脚(脚16)经检测放大器接晶闸管的门极,当电路发生异常出现过流,使脚16电位上升到0.35V,保护电路动作,晶闸管导通,使脚1电平被拉至接近地电平,电路进入保护状态,输出脉冲封锁。
3 大功率DC/DC变换器的实现
3.1 DC/DC变换器主电路
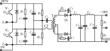
由于该DC/DC变换器的输入电压较高,主电路选取半桥式拓扑,如图4所示。V1,V2, C 3, C 4和主变压器T组成半桥式DC/DC变换电路。CT为初级电流检测用的电流互感器。 C 5为防止变压器偏磁的隔直电容。变压器的副边采用全波整流加上两级滤波以满足低输出纹波的要求。 R 1, C 1, R 2, C 2, R 5, C 6和 R 6, C 7为吸收电路。 R 3和 R 4起到保证电容 C 3及 C 4分压均匀的作用。电阻 R 7和 R 8为输出电压的采样电阻。
图4 DC/DC变换器主电路
3.2 控制电路
以UC3846为主要元器件组成的半桥式开关电源的控制电路如图5所示。
图5 控制电路
图中,
R
1及
C
1构成振荡器,振荡频率
f
=
。为了防止主电路中V1和V2同时导通,要设定开关管都关断的死区时间。死区时间由振荡器的下降沿决定,该电路的死区时间
t
d=145
C
1[12/(12-3.6/
R
1)]。
R
2及
C
2组成斜坡补偿网络,以保证控制电路的稳定。
C
5实现软启动。由图3可以看出脚1的电位<0.5V时无脉宽输出。如图5所示,脚1经电容
C
5到地,开机后随着电容的充电,当电容电压高于0.5V时才有脉宽输出,并随着电容电压的升高脉冲逐渐变宽,完成软启动功能。对主电路来的反馈电压,由
C
3及
R
5和电压误差放大器组成了电压环的PI调节器。另外,系统还有较完善的保护电路。
当系统输入电压过压或者欠压时(过/欠压判断电路略),可使图5中的过/欠压输入端为低电平,光耦OP1输出高电平,因此,就会通过加速电容 C 6和二极管D6对UC3846的脚16施加正脉冲,从而使图3所示的UC3846芯片内部晶闸管导通,通过内部电路使脚1电平被拉至接近地电平,电路进入保护状态,UC3846芯片输出脉冲封锁。另外,光耦OP1输出的高电平使三极管Q407饱和导通接地。由于电容 C 6的加速作用,三极管Q407比前述晶闸管导通稍微迟后。由于三极管的导通压降小于晶闸管的导通压降,晶闸管不能维持导通即晶闸管恢复关断。当过/欠压故障消除后,三极管Q407截止,系统重新输出脉冲。
当过流或者过载时,比较器LM393输出低电平,光耦OP2输出高电平,通过D7加在脚16,同样会封锁脉冲输出。由于晶闸管维持导通,所以系统当不过流不过载时,必须重新启动才能有脉冲输出。 [p]
3.3 驱动电路
IGBT是一种电压控制型器件,与电流控制型器件(如GTR)比较,IGBT具有驱动功率小、开关速度快的特点,因此,近年来IGBT在变流技术中的应用得到了迅猛发展。IGBT有专用的驱动芯片,如富士公司的EXB851及EXB841,三菱公司的M57959L等,这些驱动电路具有开关频率高、驱动功率大、过流保护等优点,但都必须加额外的驱动电源,并且价格高,使设备成本大大提高。而脉冲变压器具有体积小、价格便宜、不需要额外的驱动电源,因而得到广泛的应用。
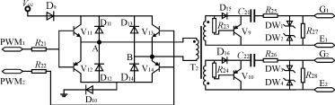
但直接驱动时,由于其脉冲前沿与后沿不够陡,使得IGBT开通和关断速度受到一定的影响。图6所示的IGBT驱动电路具有开关频率高、驱动功率大、结构简单、负压关断、价格便宜等优点。IGBT容量较小时,UC3846的脚11和脚14可以直接驱动脉冲变压器。IGBT容量较大时,UC3846的驱动能力不够,V11~V14,D11~D14构成了脉冲变压器的驱动电路。D9及D10的作用主要是帮助V11~V14的关断,若没有D9及D10时,当PWM1为高电平,PWM2为低电平时,V11和V14导通,随后PWM1和PWM2均为低电平,脉冲变压器漏抗中储存的能量经D12和V14续流,A点电位降至-0.7V,即使PWM1为低电平,V11又导通,最终烧毁V11,加上D10的目的就是让电路中D12和V14在续流时将A点电位钳制在0V,从而有利于V11或V13的关断;同理,D9的作用是有利于V12或V14的关断。
图6IGBT驱动电路
4 实验与结论
按照以上设计思路研制出一台工程样机。在输入直流电压为250V,负载电流为50A时,测得IGBT驱动电压波形和高频变压器原边电压波形如图7所示。该变换器具有输入过、欠压,输出过流保护等功能,输出电压的电源调整率≤1%,负载调整率≤1%,输出电压纹波<50mV,满足了设计要求。
v :5V/div, t :10 μ s/div v :5V/div, t :10 μ s/div
( a) IGBT驱 动 电 压 波 形 ( b) 高 频 变 压 器 原 边 电 压 波 形
图 7 DC/DC变 换 器 实 验 波 形
射频工程师养成培训教程套装,助您快速成为一名优秀射频工程师...
天线设计工程师培训课程套装,资深专家授课,让天线设计不再难...
上一篇:VICORDC/DC模块及其应用
下一篇:新型工业振动棒变频电源的研制

