- 易迪拓培训,专注于微波、射频、天线设计工程师的培养
准方波整流在电压调整模块(VRM)中的应用
摘要:电压调整模块(VRM)是针对微处理器等典型数据处理电路开发的电源模块。对VRM现在常用的拓扑进行了回顾,指出了其存在的缺陷,从而引入准方波整流电路,应用交错并联技术的多通道交错并联准方波拓扑在输入电压等于两倍输出电压时具有最优的性能。但低输入电压引入了输入滤波器过大等系统设计问题。为此给出了高输入电压、隔离式准方波电路的设计思路。分析表明,在结合磁集成技术后,这些隔离式准方波拓扑具有相当的应用价值。
关键词:直流/直流变换器;电压调整模块;准方波;交错并联;低压/大电流
Research of Quasi Square Wave Rectification in Voltage Regulator Module(VRM)
SHEN Bo- xiu, QIN Hai- hong, GONG Chun- ying
Abstract:The microprocessors return to low voltage and high current. This imposes difficulties on voltage regulator module(VRM) design. With the review of VRM topologies, quasi square wave (QSW) rectification is presented in detail. Considering the steady state ripple cancellation and transient response, it is ideal for the interleaving QSW VRM to have an input voltage equal to twice the output voltage. However, the low voltage will introduce many problems, especially at the input filter. To solve this problem, high input voltage, fast VRMs with a transformer are proposed. It is expected to have good transient performance and high efficiency, when incorporating integrated magnetics technology.
Keywords:DC/DC converter; Voltage regulator module; Quasi square wave; Interleaving; Low-voltage/high-current
1 引言
电压调整模块(VRM)是分布式电源系统中的核心部件。它紧靠在需要供电的负载旁,可根据负载要求,提供经严格调节的低输出电压、大电流,并具有快动态响应的电源[1,2]。
如图1所示,现今VRM大多采用常规Buck或同步整流Buck拓扑。为优化控制环参数设计,在整个负载变化范围内,Buck型拓扑一般按连续工作模式(CCM)设计、选择电路参数。为保证在大于Iomin的所有负载范围内,电感电流都能连续。输出滤波电感L要满足式(1)
L≥
(1)
式中:D为占空比;
Uin为输入电压;
Uo为输出电压;
Io为满载电流;
fs为开关频率。

(a) 常规Buck拓扑 (b) 同步整流Buck拓扑
图1 Buck拓扑
式(1)计算所得的电感值较大(典型值为2~4μH),限制了功率级能量传输速度,负载瞬态变化所需要(或产生)的能量几乎全部由输出滤波电容提供(或吸收)。为使输出电压不致超出所允许的变化范围,就必须增加输出滤波电容(一般采用多电容并联以减小ESR和ESL),致使电源的体积重量增大,功率密度降低,也增加了整机制造成本。由此可见,同步整流Buck电路难以满足新一代微处理芯片发展对电源的要求。
尽管提高开关频率可以减小滤波电感,提高VRM的动态响应速度,但同时也带来了更多难以解决的问题。如:变换器的开关损耗和驱动损耗随着频率的升高大大增加,磁性元件和功率器件的性能变差等,不能满足应用场合的要求。
为了克服同步整流Buck电路在瞬态响应等方面存在的不足,文献[3]提出一种准方波整流工作方式的拓扑结构。本文将针对这类准方波整流方式在VRM中的应用进行具体的分析。
2 准方波(QSW)整流
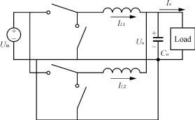
图2给出了准方波整流Buck电路及其工作原理波形,其电路结构与同步整流Buck电路相同。具体工作原理分析见文献[3]。

图2准方波整流Buck电路及原理波形
准方波整流方式保证在所有负载变化范围内,电感电流都连续(从正到负变化),输出滤波电感值按其电流峰卜逯滴2倍的满载电流来选取。
L≤
(2)
从式(1)和式(2)可见,与同步整流Buck相比,准方波整流拓扑的输出滤波电感降低了10倍左右,大大提高了功率级的响应速度。而且Q1和Q2均可实现零电压开通,降低了开关损耗和栅极驱动损耗。
但QSW电路也存在较多问题,主要表现在:
1)输出滤波电感电流纹波较大,使流过开关管的电流有效值增大,通态损耗增加;
2)需要很大的输出滤波电容滤除纹波;
3)大的纹波电流亦使磁性元件的损耗增加,使应用QSW拓扑的VRM整机效率低于同步整流Buck拓扑。
为了减小QSW电路输出电流的纹波,同时又能满足快速瞬态响应的要求,结合交错并联技术,应运而生“多通道交错并联准方波整流”拓扑。
3 多通道交错并联准方波整流
如图3所示,为双通道交错并联QSW拓扑,及其电感电流交错叠加示意图。纹波互消比例K(Io纹波峰卜逯涤隝L1或IL2纹波峰卜逯档谋戎)与占空比D的对应关系如图5(a)所示。只有当D=0.5,即Uin=2Uo时,才有完全的纹波互消作用(输出电流实现零纹波)。


图3 双通道交错并联QSW Buck及电感电流交错叠加示意图
进一步,可以实现四通道交错并联QSW拓扑(如图4),其纹波互消比例K与占空比D的对应关系如图5(b)所示。只有当占空比为0.25、0.5、0.75时,纹波才可以完全互消。如果占空比不等于以上值,只能实现部分纹波互消。而且,四通道交错并联的纹波互消作用,比双通道交错并联好。也即,交错并联的通道数目越多,纹波互消作用越好。


图4 四通道交错并联QSW Buck及电感电流交错叠加示意图 [p]

(a) 双通道 (b) 四通道
图5 纹波互消比例
3.1 优化的输入与输出电压关系Uin=2Uo
在双、四通道交错并联QSW电路中,如果把D=0.5(对应Uin=2Uo)作为稳态占空比,不仅可以实现稳态工作时的输出电流零纹波,大大减轻输出滤波电容的稳态纹波设计压力。而且可以实现对称的瞬态响应[4,5],如图6所示。

(a) 负载突加 (b) 负载突卸

(c) 输出电压过冲
图6 负载突变与输出电压过冲
1)负载突加 出现输出电压下冲,为及时响应可实现D=1满占空比工作,整个开关周期输出滤波电感上的压降都为+(Uin-Uo),使电感电流迅速提升,对应
;
2)负载突卸 出现输出电压上冲,为及时响应,占空比可以降为D=0工作,对应整个开关周期,输出滤波电感上的压降都为-Uo,使电流迅速下降,对应
。
因此,从交错并联QSW拓扑本身来看,满足Uin=2Uo可使VRM输出电压的上冲和下冲具有对称的幅值,滤波参数实现优化设计,较具吸引力。
3.2 Uin=2Uo在整个电源系统中的缺陷及对策
在计算机电源系统中,VRM一般与其它部件公用电源总线,为了减小VRM的负载突变对这一公用总线电压的影响,必须在其输入端加一个输入滤波器,以保证公用总线电压不受负载突变影响[6]。其中,输入滤波电容Cin与输入电压Uin的对应关系如图7所示。

图7 Cin与Vin的关系曲线
随着处理器工作电压的进一步降低(最新已提出1V以下的要求),若按照Uin=2Uo的优化关系,VRM的Uin仅为2V左右,将需要高达mF量级的输入滤波电容;而且这么低的Uin将对应很高的Iin,增加了线路损耗,使银盒与母板之间本已很复杂的连接线变得更难设计。而随着Uin的升高,Cin将与Uin成平方反比的关系递减。当Uin提高为48V左右时,Cin降为数十μF量级,从而使得VRM的整机尺寸能够满足越来越高的功率密度要求。
可见,从电源系统角度考虑,在满足安规要求的情况下,希望VRM的输入总线电压越高越好。
为了解决多通道交错并联QSW电路中,Uin=2Uo与电源系统要求之间的矛盾,考虑引入隔离变压器,把高总线输入电压变换为低输入电压,同时结合交错并联QSW技术,得到所希望的低输出电压。基本思路有两种。
1)两级结构 DC/DC(高压/低压)前级+多通道交错并联QSW后级,该方案的关键在于前级低压DC输出的得到。
2)隔离式多通道交错并联QSW拓扑采用隔离式拓扑,结合QSW和交错并联技术,实现高总线输入电压到低压输出的变换。
4 应用QSW的隔离式拓扑
4.1 两级方案
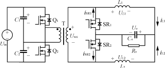
两级方案中,前级的DC/DC(高压/低压)变换,可采用的拓扑形式较多。如果采用常规方法,必然要一套完整的控制电路、闭环设计,增加了元器件数和整机的复杂程度。这里采用如图8所示的“对称半桥全波整流+双通道交错并联QSW”拓扑。原边开关S1、S2采用开环控制,固定在满占空比工作,变压器绕组上得到对称的方波电压,整流后得到较理想的低压直流。副边SR1、SR2管采用自驱动方法,QSW中的SR3-SR6采用与双通道交错并联QSW电路相同的控制方法。这种方案大大简化了控制电路设计。

图8 对称半桥全波整流+双通道交错并联QSW拓扑及其主要工作波形 [p]
4.2 隔离式多通道交错并联QSW拓扑
在常用的隔离式拓扑中,正激变换器必须留有一定量的占空比用于变压器铁芯的磁复位。在负载突升时,一个周期中必须留有一段时间用于电感放能,这就使得正激式拓扑的响应速度要比QSW电路慢。而为了满足快速响应的要求,必然要大大增大磁性元件的体积,以保证负载突升期间,变换器快速提升占空比时,电感和变压器不会饱和。
反激式拓扑存在相似的问题。负载突升时,必须首先给磁化电感储能,然后再从原边向副边传送能量。这使得响应出现延迟。
变压器对称工作的推挽、桥式电路,可以在整个周期都从原边向副边传送能量。因而可以具备与QSW电路相似的快速响应。考虑到推挽拓扑存在变压器漏感引起的关断电压尖峰等问题,全桥电路需要四管、驱动复杂等问题,在相对较高输入电压时(如48V总线电压),采用对称半桥电路作为主电路拓扑。副边整流电路可采用全波整流结构或倍流整流结构。
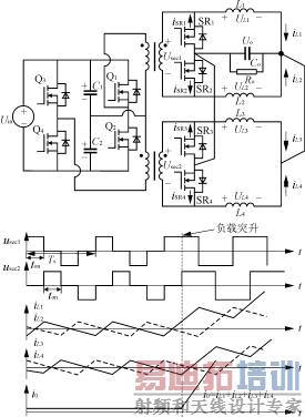
如图9所示,让对称半桥全波整流电路按照QSW方式工作,在所有负载范围内电感电流都从正到负变化,则可实现原边开关管在开通之前,电感电流反映到原边,流过即将开通的开关管的体二极管,实现ZVS。而且在负载突升时,输出滤波电感的等效占空比可达到100%,整个周期都会有正压加在输出滤波电感上,来提升电流;负载突降时,滤波电感的等效占空比可以为0%,整个周期都会有负压加在电感上,来降低电流。具有与单通道QSW电路相似的动态响应特性。应用交错并联技术,把两个对称半桥全波整流电路并联起来(如图10所示),取稳态占空比为0.5,可实现完全的输出电流纹波互消作用,大大减小输 出 滤 波 器 , 在 负 载 突 升 和 负 载 突 降 时 , 具 有 对 称 的 快 速 动 态 响 应 。

图9 对称半桥全波整流电路及QSW工作波形

图10 交错并联对称半桥全波整流电路
图11为对称半桥倍流整流拓扑,两个输出滤波电感的电流相位相差180°,与双通道交错并联拓扑存在相似的电感电流纹波互消作用,对应D=0.5时,可以实现完全的电流纹波互消作用(输出电流纹波为零)。在应用于负载对动态响应要求不高的场合时,可以把稳态占空比选定为0.5,从而大大减小输出滤波器的体积。但对于数据处理器这类对动态响应有较高要求的负载时,不能把0.5这一满占空比作为稳态占空比。但当D偏离0.5时,其纹波互消作用则会大大削弱,限制了输出滤波器参数的取小,降低了功率级的能量传输速度。在这种情况下利用交错并联技术,把两个对称半桥倍流整流拓扑进行交错并联,如图12所示,则可实现与四通道交错并联QSW电路相似的纹波互消作用(Dmax<0.5)此时,若把稳态占空比定在0.25,则可实现稳态时完全的纹波互消作用,输出滤波电感也可以取得很小,从而在负载突升(D:0.25→0.5)和突降(D:0.25→0)时,具有对称的快动态响应。

图11 对称半桥倍流整流拓扑

图12 交错并联对称半桥倍流整流拓扑及其原理波形
值得指出的是,这些交错并联结构的拓扑特别适合于应用磁集成技术。可采用多通道电感集成方案及电感和变压器的集成方案[7][8]。从而大大减小磁性元件所占的总体积,简化电路布局、封装设计,与分立磁性元件相比,具有显著的优越性。
5 结语
本篇针对微处理器应用场合,对其供电电源VRM进行了拓扑分析,指出现有拓扑的缺陷,从而引出准方波整流方式,并结合交错并联技术,对多通道交错并联QSW电路进行了分析,在此基础上,给出适合高总线输入电压要求的隔离式交错并联QSW方案,对各电路特点进行了阐述。本文分析有助于QSW在VRM中的合理选用和电路制作。
射频工程师养成培训教程套装,助您快速成为一名优秀射频工程师...

