- 易迪拓培训,专注于微波、射频、天线设计工程师的培养
基于EL7558BC的DC/DC变换器的设计与实现
摘要:对HSOP封装的EL7558BC降压型开关整流器芯片的使用特点进行了分析,给出了利用该整流器芯片设计DC/DC变换器的外围电路和设计方法。并通过实验验证了该设计方法。
关键词:DC/DC变换器;EL7558BC;开关整流器
0 引言
EL7558BCDC/DC变换器芯片是Elantec公司生产的内部集成了MOSFETs的低输入电压(4.5~5.5V),高输出电流(8A)的PWM整流器,效率可达94%。输出电压偏差小于1.5%。最高开关频率可达1MHz,可以设置成固定电压输出(3.5V)或者可调电压输出(1.0~3.8V)。EL7558BC具有尽可能减少外围元器件的高度集成特点,只需少量外围元器件即可工作,从而大大降低了电路板面积和设计成本,为电源设计提供了一种快速而简易的解决方案。EL7558BC同时具有过热指示及过热截止负载保护功能,用于逻辑/处理器复位及控制供电顺序的电压反馈PWRGD输出信号等。其封装形式为具有良好散热性能的28脚HSOP封装。这些优点使得EL7558BC电源芯片可以广泛应用于高性能的DSPs/FPGAs/ASICs/微处理器,PC主板,便携式电子仪器,手提电脑等许多电子设备中。
1 管脚功能和使用特点
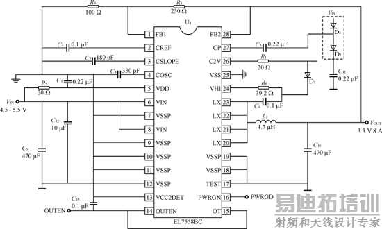
EL7558BC封装形式如图1所示,各管脚功能如下:
脚1(FB1) 电压反馈输入端1,当芯片设置为可调电压输出时(VCC2DET为低)有效;
脚2(CREF) 参考电压旁路电容输入端,一般用0.1μF瓷片电容与地连接;
脚3(CSLOPE) 斜坡补偿电容输入端;
脚4(COSC) 内部振荡器电容输入端,电容 C SLOPE与 C OSC比例通常为1:1.5;
脚5(VDD) PWM控制电路电源电压输入端,通常与VIN电压相同;
脚6及脚8(VIN) 降压整流器电源电压输入端;
脚7,脚9-12,脚18-19(VSSP) 降压整流器返回地,即电源地;
脚13(VCC2DET) 接口逻辑输入端,逻辑1时芯片为3.5V固定电压输出,逻辑0时芯片为1.0~3.8V可调电压输出;
脚14(OUTEN) 开关整流器输出使能端,逻辑1有效;
脚15(OT) 芯片过热指示输出,通常为高,当温度超过135℃时拉低,温度降至100℃以下时恢复变高;
脚16(PWRGD) Power good输出信号,当输出电压的误差小于预设值的±10%时为高,否则为低;
脚17(TEST) 测试脚,通常必须与VSSP连接;
脚20-23(LX) 电压输出端,驱动外部的电感;
脚24(VHI) 内部高端门驱动端,通过一个0.1μF的旁路电容与LX相连;
脚25(VSS) 控制电路返回地,即信号地;
脚26(C2V) 连接倍压电路输出,作为内部低端门驱动端;
脚27(CP) 电荷泵电容的负边驱动端;
脚28(FB2) 电压反馈输入端2,当芯片设置为固定电压输出时(VCC2DET为低)有效,此时输出电压为3.5V。
EL7558BC DC/DC变换器芯片具有软启动功能,而且不需要外部电容器,当芯片加电时就会完成软启动。EL7558BC具有VCC2DET功能,为Intel P54和P55微处理器提供了直接的接口。EL7558BC具有内置的电荷泵倍压电路,用于开启内部MOSFET, C 5(见图1)即为电荷泵电容,D2及D3为电荷泵二极管。如果有12V电压输入,则D2及D3均可省略。
2 DC/DC变换器的设计
下面以EL7558BC DC/DC变换器芯片为例,对DC/DC变换器的设计过程进行详细说明。其典型设计电路如图1所示。

图 1 EL7558BC DC/DC变 换 器 芯 片 的 封 装 形 式 及 其 典 型 电 路
2.1 选择输出电压
EL7558BC DC/DC变换器芯片可以通过VCC2DET脚设置固定电压(3.5V)输出或者可调电压(1.0~3.8V)输出。当VCC2DET为高时为固定电压输出;当VCC2DET为低时为可调电压输出,此时要想得到不同的电压输出,可以通过反馈电阻 R 3及 R 4来调节,可调输出电压范围为1.0V至3.8V。 R 3及 R 4阻值与输出电压之间的对应关系可以近似地用式(1)表示,在这种模式下,VCC2DET管脚必须为低。
输出电压
V
o=1+
×1V (1)
2.2 选择开关频率
开关频率对EL7558BC芯片的转换效率以及所需外接电感的大小都有很大的影响。频率越低,效率越高,但是所需电感的值也越大。可以通过调节连接COSC脚的电容 C 8来设置开关频率,可调频率最高可达1MHz, C 8电容值与开关频率之间的对应关系可以近似地用式(2)表示。
开关频率
f
sw=
(Hz)(2) [p]
式中: C 8单位为法拉F。
通过调节电容 C 8来改变开关频率时,连接CSLOPE脚的斜坡补偿电容 C 7也要做相应的调整,电容 C 7与 C 8比例通常为1:1.5。
2.3 选择输入滤波元件
EL7558BC芯片的输入端通常需要一个去耦电容和一个大容量输入电容。去耦电容 C 12主要作用是降低芯片输入端的高频噪声,一般采用1~10μF的瓷片电容,这个电容在布局时必须尽可能地靠近EL7558BC芯片以获得最佳效果。大容量输入电容 C 9的主要作用是降低输入纹波电压,在某些应用中一个10μF的去耦电容已经足够滤波而无须大容量输入电容。至于是否需要大容量输入电容,首先取决于允许的最大输入纹波电压。通常要使EL7558BC正常工作,输入纹波电压不可超过300mV。可用式(3)计算只用10μF电容时,可能出现的最大输入纹波电压,如果计算得到的值超过允许值,就要用大容量输入电容。
Δ
V
IN=
(3)
式中:Δ V IN为没有大容量电容时的输入纹波电压的最大峰峰值;
I OUT(MAX)为最大的直流负载电流。
大容量输入电容的值越大越有利于降低纹波电压,而其等效串联电阻( ESR )越大却会增加纹波电压,所以,要选择容量大且 ESR 低的电容。式(4)给出了大容量输入电容与输入纹波电压的大致关系。如果纹波电压还是太大,可以采用多个电容并联的方法。另外大容量输入电容的额定电压和电流也要合适。
Δ
V
IN′=
+
I
OUT(MAX)
ESR
MAX (4)
式中:Δ V IN′为有大容量输入电容时的输入纹波电压的最大峰峰值;
I OUT(MAX)为最大的直流负载电流;
C BULK为所采用的大容量输入电容即 C 9;
ESR MAX为大容量输入电容的最大 ESR 。
2.4 选择输出滤波元件
输出滤波元件的选择是DC/DC变换器设计中最关键的一环,输出滤波元件决定了电源的稳定性。重点是要选择两个元件,一个是输出电感 L 1,另一个是输出电容 C 10。影响电源稳定性的最关键参数是输出电容的 ESR ,电容的数据手册一般都会给出电容的最大 ESR ,而最小 ESR 通常为最大 ESR 的40%~60%。此外,在选择电容的时候,电容 ESR 的温漂也要适当考虑。
输出电感 L 1具有存储能量和滤去纹波两大功能,电感的选择主要是由输入、输出电压,以及开关频率决定的。电感的额定电流必须大于最大输出电流(8A),电感值的选取可以由式(5)计算得到。
L
OUT=(
V
IN(MAX)-
V
OUT)
(5)
式中: L OUT为的输出电感,即 L 1;
V IN(MAX)为最大的输入电压;
V OUT为输出电压; [p]
Δ IL 为允许的最大输出电感纹波电流值,这个值通常必须小于0.8A。
电容的选择要从电容直流额定电压,电容的额定纹波电流,电源的最大输出纹波电压,电源的稳定性等四个因素去考虑。电容额定电压必须大于输出电压,一般至少要比输出电压高出10%,以控制纹波和瞬态响应。最大的电容纹波电流(即电容 RMS 电流)可以用式(6)计算,所选电容的额定纹波电流必须大于式(6)的计算结果。
IC
(RMS,MAX)=
(6)
式中: IC (RMS,MAX)为最大的电容 RMS 电流。
对于电源的最大输出纹波电压,首先,要确定具体应用对输出纹波电压的要求,EL7558BC芯片输出纹波电压必须限制在输出电压的2%以内。接着,利用式(7)计算允许的电容最大 ESR ,选择最大额定 ESR 小于式(7)计算值,以确保输出纹波电压符合应用要求。另外,电容 ESR 的温漂也必须考虑在内。
ESR
MAX′=
(7)
式中: ESR MAX为允许的最大输出电容ESR;
Δ V (MAX)为允许的最大输出纹波电压值;
Δ IL (MAX)为允许的最大输出纹波电流值,这个值通常必须小于0.8A。
可以通过多个电容并联的方法来降低 ESR ,提高电路的瞬态响应,不过总的 ESR 必须大于10mΩ,总的电容值必须大于330μF。
2.5 布局布线注意事项
在布局布线时,原则是所有的外围元器件要尽可能的靠近EL7558BC电源芯片,尤其是去耦电容和旁路电容必须布在相应的管脚附近。EL7558BC器件有两个地(模拟地和电源地),模拟地连接所有噪声敏感信号,而电源地连接有噪声的信号。两个地之间引入噪声将降低芯片的性能,尤其在大电流输出的情况下。但是,模拟地的噪声过大将会影响控制信号,所以,推荐把模拟地和电源地分开,并且两个地在一点(通常在芯片下面或者在输入或输出电容的负边)直接连接以降低两个地之间的噪声。连接反馈脚(脚1和脚28)的走线对噪声最为敏感,要尽可能地短,最好布在两个地线中间。
EL7558BC芯片的散热主要靠VSSP引脚以及芯片底部的散热焊盘。为了达到良好的散热性能,散热焊盘必须完全焊接在PCB上,如果有中间的地层时,必须通过多个过孔把地层与散热焊盘相连以提高散热效果。
3 结语
我们采用以上方法,用两块EL7558BC芯片设计了基于FPGA的MPEG4解码器芯片设计演示开发板的电源(输入4.5~5.5V,输出3.3~1.5V)。其中3.3V输出的设计电路如图1所示,各项指标如下:
1)输出电压校准在输入电压从4.5V到5.5V及负载电流从0到8.0A的范围内变化时,输出电压变化不超过1.0%;
2)负载瞬态响应负载电流在15μs内从0A到8A或从8A到0A突变,输出电压瞬时波动不超过120mV,波动时间不超过25μs;
3)输出电压纹波在输入电压为4.5~5.5V时,输出电压纹波峰峰值低于22mV。
4)输入电压纹波在负载为8A,输入电压为4.5~5.5V时,输入电压纹波峰峰值大约为230mV,增大输入电容值,将 C 9从220μF换成470μF,输入电压纹波峰峰值降到180mV左右。
基于EL7558BC的 DC/DC模块设计体现了新型的快速,简易的电源解决方案,其设计方法在目前的DC/DC变换器设计中是非常典型的,具有相当的参考价值。
射频工程师养成培训教程套装,助您快速成为一名优秀射频工程师...
天线设计工程师培训课程套装,资深专家授课,让天线设计不再难...
上一篇:准方波整流在电压调整模块(VRM)中的应用
下一篇:反激式电源中电磁干扰及其抑制

