- 易迪拓培训,专注于微波、射频、天线设计工程师的培养
低压输入交错并联双管正激变换器的研究
摘要:针对航空静止变流器的直流环节,对交错并联双管正激变换器进行了研究。分析表明,双管正激电路利用两个续流二极管实现了变压器铁心的磁复位,简单可靠,采用交错并联技术后,输入输出电流纹波大大减小,减小了输入输出滤波器的体积,同时变换器的热分布更加均匀,提高了整机性能和可靠性。在完成航空DC27V低输入电压,DC190V输出,1kW的样机基础上,对输入为大电流的相关电路设计问题进行了详实的讨论和小结。
关键词:谐振;DC/DC变换器;双管正激;交错并联;低压/大电流
Analysis and Designof Low Input Voltage Two-module
Interleaved Two-transistor Forward DC/DC Converter
QIN Hai-hong,WANG Hui-zhen,YIN Jian
Abstract:For the purpose of implementation of DC Link of Aeronautical Static Inverter(ASI), research on low input voltage two-module interleaved two-transistor forward DC/DC converter is detailed. In this topology, only two diodes is needed for the demagnetization of transformer core. With interleaving technique, input and output current ripple can be reduced dramatically, and lower size input and output filter can be used. Furthermore, hotspots in the circuit is almost eliminated, which improve circuit performance greatly and make it more reliable. Through a prototype of DC 27V/190V, 1kW DC/DC converter, some useful conclusion and design guideline of the low-voltage high-current input DC/DC converter is presented.
Keywords:DC/DC converter;Two-transistor forward;Interleaving;Low-voltage/high-current
1 引言
航空静止变流器(ASI睞eronauticalStatic Inverter)是应用功率半导体器件,将飞机DC27V或270V电源电压变换成AC115V/400Hz或AC36V/400Hz恒压恒频交流电的一种静止变流装置,作为飞机二次电源使用。现今小容量的静止变流器一般采用如图1所示的两级结构来实现:直流环节(前级隔离式DC/DC部分)和高频逆变环节(后级DC/AC部分)。选择合理有效的方案来实现单级DC/DC和单极DC/AC将是满足静止变流器高指标的可靠保证。
在1kVA以下等级静止变流器的直流环节中,正激式拓扑因电路结构简洁、输入输出电气隔离、电压升/降范围宽、易于多路输出、适用于中小功率电源变换场合等特点,而得到了广泛的采用。但正激变换器存在一个固有的缺陷:必须附加复位电路来实现功率开关截止期间变压器铁芯磁复位,以免变压器饱和。近年来,关于正激变换器磁复位技术的研究很多。如:RCD箝位技术,LCD箝位技术以及有源箝位技术等。RCD箝位技术尽管电路结构简单,成本低廉,但部分励磁能量消耗在箝位网络中,因此仅适用于效率要求不高,成本要求严格的小功率场合。LCD和有源箝位技术克服了RCD箝位技术的缺点,但电路结构均较复杂。而双管正激电路通过两个二极管来提供励磁电流回路,能量回馈电源,电路结构简洁,减小了损耗,功率管只承受电源电压,电压应力小。因此经折衷考虑,我们采用结构较简单且励磁能量能不损耗在箝位网络中的双管正 激 电 路 来 作 为 静 止 变 流 器 的 直 流 环 节 。

图1 典型的ASI两级结构
注意到交错并联技术的优势,我们在对双管正激变换器的研究中结合了交错并联技术,详细分析了双路交错并联双管正激变换器的工作原理,完成了航空DC27V输入,DC190V输出,1kW的样机制作。通过实验制作和分析,对低压输入DC/DC变换器中与大电流输入相关的具体电路设计问题进行了小结。
2 工作原理
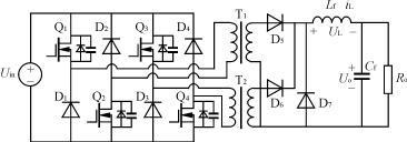
如图2所示,为双路交错并联双管正激DC/DC变换器的主电路及其主要波形。Q1、Q2、D1、D2与副边拓扑构成一路双管正激变换器,Q3、Q4、D3、D4与副边拓扑构成另一路双管正激变换器,D5、D6分别为这两路变换器的副边整流二极管,D7为两路共用的续流管。Lf、Cf为输出滤波电感和滤波电容。Coss1~Coss4分别为Q1~Q4的漏源结电容,变压器原副边匝比为n=N1/N2。在一个开关周期Ts中,该变换器有6种开关状态。在分析之前,作如下假设:

图2 双路交错并联双管正激DC/DC变换器的主电路及其主要波形
——所有开关管、二极管均视为理想器件;
——Lf足够大,在一个开关周期中,其电流基本保持不变,这样Lf和Cf以及负载电阻可以看成一个电流为Io的恒流源;
——Q1、Q2的漏源电容Coss1=Coss2,Q3、Q4的漏源电容Coss3=Coss4。
图3给出了该变换器在不同状态下的等效电路,其工作原理描述如下。

(a)[t0~t1] (b)[t1~t2] (c)[t2~t3](d)[t3~t4] (e)[t4~t5] (f)[t5~t6]
图3 各 种 开 关 状 态 下 的 等 效 电 路
1)开关模态1[t0~t1][参考图3(a)]
在t0时刻前,Q1、Q2、D1、D2上电压均为Uin/2,Q3、Q4上电压均为Uin。负载电流I0通过D7续流,D3、D4导通,磁化电流减小,T2铁心磁复位。t0时刻,Q1、Q2开通,D1、D2、Q3、Q4仍截止,D3、D4仍导通,T2励磁电流i2M继续通过D3、D4续流,线性减小,回馈电源。D7关断,D5导通,电源通过T1给副边传输能量。T1磁化电流i1M从零线性上升,
i1M(t)=(Uin/L1M)(t-t0) (1)
i2M(t)=I2M0-(Uin/L2M)(t-t0) (2)
式中:L1M、L2M——对应T1、T2原边磁化电感;
I2M0为Q1、Q2开通时刻(t0时刻)对应另一路T2的励磁电流值。其大小解释如下:t1时刻,励磁电流
i2M(t1)=0,t0-1=t1-t0=(2D-1/2)Ts
也即
I2M0=(Uin/L2M)(2D-1/2)Ts
这一时段内D1、D2、Q3、Q4上承受的电压均为Uin。
2)开关模态2[t1~t2][参考图3(b)]
t1时刻,励磁电流i2M(t1)为零,D3、D4自然关断,此时T2原边磁化电感L2M、漏感L2S、Q3、Q4漏源结电容Coss3、Coss4开始谐振。i2M反向流动,给Q3、Q4漏源结电容放电,如果uds3(uds4)下降到零,因Q3、Q4体二极管导通,uds3(uds4)将被箝位为零。这一时段因为另一路中Q1、Q2导通,使得D7上的电压被箝为Uin/n,而T2副边电压不会超过Uin/n,因而不会出现单路双管正激副边箝位为零的情况,所以在T2绕组上(同名端)出现正压。对应有
uds3(t)=uds4(t)=Uin·〔1+cosωr(t-t1)〕/2 (3)
i1M(t)=
(2D-1/2)Ts+
(t-t1) (4)
i2M(t)=-(Uin/Zr)sinωr(t-t1) (5) [p]
式中:ωr=1/
;
Zr=
;
L2=L2M+L2S。
这一时段D3、D4上的电压uD3=uD4=Uin-uds3,uT2PR1M=Uin-2uds3,t2时刻
uds3(t2)=uds4(t2)=Uin·
(6)
i1M(t2)=I1M(+)=(Uin/L1M)DTs (7)
i1M(t2)=(Vin/Zr)sin(ωrt1-2) (8)
式中:t1-2=t2-t1=(1/2-D)Ts。
3)开关模态3[t2~t3][参考图3(c)]
t2时刻,Q1、Q2关断,D1、D2开通续流,T1磁化电流从正向最大值I1M(+)线性下降,
i1M(t)=I1M(+ )-(Uin/LM)(t-t2) (9)
i1M(t3)=(Uin/LM)(2D-1/2)Ts (10)
D5关断,D7开通,负载电流Io经D7续流。此时,T2原边继续谐振,因此时T2绕组(所标同名端)电压为正,使得D6、D7同时导通,把T2副边箝位为零,从而谐振回路变为T2漏感L2S与Q3、Q4结电容的谐振,释放漏感能量,使得T2磁化电流到零,uds3、uds4迅速上升至Uin/2,之后保持在Uin/2,直到下一开关状态。
4)开关模态4[t3~t4][参考图3(d)]
5)开关模态5[t4~t5][参考图3(e)]
6)开关模态6[t5~t6][参考图3(f)]
t3时刻,对应下半周期开始,两路双管正激电路互换工作状态,重复前半周期的工作情况,对应的相关公式互换一致,这里不再赘述。t6时刻,Q1、Q2再次开通,开始下一个周期。
3 电路特点分析
从以上开关模态分析可知,双路交错并联双管正激DC/DC变换器交替工作,向副边传输能量,通过二极管D1、D2或D3、D4向电源回馈能量,实现铁心磁复位,电路结构简洁。并且主功率管关断期间只承受电源电压,这样就可以选用低压高速、导通电阻小的功率管,从而减小功率管导通损耗和开关损耗。
而且,因两路交错并联结构的使用,电路具有以下优点:
——在同样开关频率下,输出滤波电感上电压的频率提高了一倍,这样减小了输出滤波电感的体积;同时输入电流脉动频率提高一倍,亦减小了输入滤波器的体积,从而进一步减小整机的体积。
——由于两路交错并联,使得整流侧输出电压等效占空比增加一倍,这就带来两个好处:一是使功率管工作在占空比小于0.5的情况下,整流侧输出电压占空比可以在0~1之间变化,提高了电路的响应,并有利于驱动电路的设计;二是在同样输出电压的情况下,整流侧峰值电压减小一半,续流时间减小,有利于选择低电流定额的续流管。
——并联结构可以使每个并联支路流过更小的功率,消除变换器的“热点”,使热分布均匀,提高可靠性。
在原理分析和样机制作中,我们也注意到寄生参数的谐振会使变压器出现小范围的双向磁化,但由于谐振参数均较小,因此,对变压器铁心的选择以及变换器工作影响不大,最大占空比仍可取在0.5左右。
4 实验结果及讨论
在对双路交错并联双管正激DC/DC变换器工作原理分析基础之上,完成了一台DC 27V/DC 190V,1kW的样机研制,样机的主要实验数据为:
——输入直流电压:20~30V;
——输出直流电压:190V;
——电感:R2KBDEE40铁心;
——变压器:R2KBDEE42B铁心;
——变压器原副边匝比:1/10;
——MOSFET:IRF3205;
——开关频率:fs=120kHz;
——磁复位二极管:IN5822;
——输出整流管:MUR8100;
——输出续流管:MUR8100。
图4给出了满载时开关管MOSFET栅源电压ugs和漏源电压uds的波形图,与理论分析基本相同。图5给出副边整流二极管D5和续流二极管D7的电压波形,可以看出续流管关断时由于其反向恢复造成了电压振荡。图6给出了额定输入电压DC 27V时,变换器的效率与输出电流的关系。
图7所示为副边整流电路,交错并联电路结构使副边输出电压UA的等效占空比加倍,虽然可以减小输出滤波电感的体积,但却使续流管D7的开关频率加倍,处于更高频率的开关过程。由于D7存在反向恢复,这样会在D5、D7以及T1副边(D6、D7以及T2副边)形成环流,造成更大的损耗,如果在t1~t2段di/dt过高(如图8所示),不仅会引起振铃现象而产生严重的电磁干扰,而且还可能会因为瞬态尖峰电压太高而损坏二极管或电路中的其它半导体器件,因此D7宜采用t0~t1恢复时间短而t1~t2时间长即柔度系数大的快恢复二极管。
同时应当尽量减小变压器副边漏感,并使D5、D7、T1副边绕组(D6、D7、T2副边绕组)所围面积最小以减小线路寄生杂感。

图4 Ch2—ugsCh1—uds [p]

图5 Ch1— uD7 Ch2— uD5

图6 额定输入电压下效率随负载变化

图7 副边电路

图8 二极管反向恢复
5 低压/大电流输入电路设计小结
本篇针对航空静止变流器的直流环节,对低压输入的双路交错并联双管正激变换器进行了研究,因输入电流较大,带来了较多的相关设计问题,必须在设计制作中引起足够的重视。本文结合样机研制,给出低压/大电流输入变换器具体电路设计的几点建议。
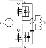
1)这类变换器原边电流较大,即使很小的电阻也会引起可观的损耗,因此应尽量紧凑地布局如图9所示的主电路的元器件,同时尽可能减小变压器的绕组电阻。可采用输入大面积铺地以减小输入导线的电阻,选用高Bs、低Br的低损耗磁芯材料。
2)因原边电流较大,为减小功率器件的通态损耗,功率管宜采用导通电阻较低的功率MOSFET器件,或采用多个MOSFET并联使用,但同时,必须注意到工作于硬开关状态下的功率器件,高频工作时其开关损耗比较高,因此在选择器件时,必须折衷考虑MOS器件的导通损耗和容性相关损耗(开关损耗、驱动损耗)。需要的话,可以考虑采用软开关技术。
3)主功率MOSFET工作在硬关断状态,关断时的di/dt很大,由于线路中不可避免地存在寄生杂感,因而在MOSFEF漏源极间会激起较大的电压尖峰,引起电路振荡,甚至损坏元器件。为减小尖峰,除了尽量采用1)中的方法外,还必须注意以下几点:
——如图9所示,在紧靠功率器件管脚处的a、b点并联高频性能好的电容来消除部分寄生参数的影响;

图9 电路原边主电路图
——变压器采用原副边交错绕制的工艺,尽量减小漏感;
——适当减缓功率管关断速度,但这同时会增大功率管关断损耗,在实际应用中应折衷考虑;
——选用开通速度较快的快恢复二极管作为原边励磁电流的续流二极管。
低压/大电流输入DC/DC变换器对主电路设计要求很高,设计的好坏直接影响到功率管所承受的尖峰的高低、电路损耗、发热情况等,从而影响整机的可靠性、效率、体积和成本,在实际电路制作中必须充分合理考虑。
6 结语
针对航空静止变流器的直流环节,对低压输入的双路交错并联双管正激变换器进行了研究,给出了DC27V低压输入、DC190V输出,1kWDC/DC变换器样机的实验结果,并结合该低压输入变换器的研究,给出了低压/大电流输入DC/DC变换器的几点设计小结,对工程实践有一定的指导作用。
射频工程师养成培训教程套装,助您快速成为一名优秀射频工程师...

