- 易迪拓培训,专注于微波、射频、天线设计工程师的培养
前级DC隔离电源与逆变电源电路
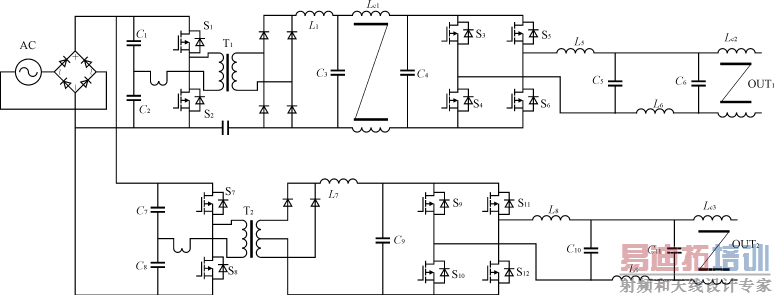
电源主电路如图1所示,分上下两部分,上部分为电压源部分,下部分为电流源部分,每部分采用两级结构,交流输入整流滤波后,先经过DC/DC变换,再通过逆变器输出。其中DC/DC采用半桥电路用来提供稳定的直流母线电压,并隔离输入级和输出级。逆变部分采用了常规全桥逆变电路,适合于较大功率的应用场合。输出采用两级LC滤波器滤除高频纹波。Lc1、Lc2、Lc3是共模抑制器。电压源前后级的高频开关动作很容易引起两级间的互相干扰,在母线电压比较高的时候尤其明显。因此在两级之间串接共模抑制器Lc1,用来隔离其相互间干扰。Lc2,Lc3接在输出端和负载之间的,作用和Lc1类似,用于抑制高频共模分量通过负载。所不同的是电压源前级DC/DC采用全桥整流,电流源采用全波整流。

图 1 前级DC隔离电源与逆变电源
3 控制原理与结构
对于DC/DC级的控制,本文采用SG3525控制芯片,简单可靠,成本低。
后级逆变器采用了双极性SPWM控制,如图2所示。通过高频三角波和基准正弦波的比较得到控制开关管的PWM波形。正弦基准信号的频率与输出正弦波相同,其幅度的变化可以调制开关的占空比D。幅度调制比ma定义为[2]
ma=Vsm/Vcm (1)

图2 三 角 波 与 逆 变 器 开 关 控 制 波 形
式中:Vsm是正弦基准信号峰值;
Vcm是三角波的峰值。
逆变输出正弦电压峰值Vom和直流母线电压Vd的关系为
Vom=ma×Vd,ma≤1(2)
图3是具体控制原理。为消除输出谐波,电路采用了电压、电流双环控制,其中,Vf为反馈电压,If为反馈电流。电压调节环的输出作为电流环的比较基准,电流环输出误差信号与三角波信号比较得到SPWM信号。由IR2110芯片构成驱动电路,由此输出相位互补的两路SPWM信号分别驱动四个开关管。为防止上下桥臂直通,两路SPWM信号之间必须设置死区。保护电路起到监控Vf、If的作用,如果幅值超出阈值,保护电路将关闭驱动信号。

图3 逆变级控制电路
4 多功能输出的实现
在此电源系统中,电压源和电流源的控制采用同一控制电路,通过继电器切换到不同的工作模式。电压源工作时,继电器K1合,K2开(如图3所示),采用电压、电流双环调节控制,基准信号为正弦信号,输出交流电压;基准为直流电平,输出直流电压。电流源工作时,K1开,K2合,电压调节环变为跟随器,只通过电流环调节,基准为正弦信号,输出交流电流;基准为直流电平,输出直流电流。电压源和电流源驱动信号切换是通过K3来实现的,在电压源工作方式,关断电流源的前级;在电流源工作方式,关断电压源的前级,这样可以防止干扰,提高电路的可靠程度。以上的K1、K2、K3是由数控电路给出的。
5 占空比限制与输出交流电压的削顶
5.1 PI调节器输出限幅的考虑
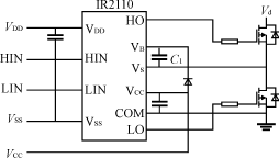
由于所采用的专用驱动芯片IR2110是通过自举供电方式来驱动桥臂上管的(如图4所示)。所以,在上、下管驱动信号恒低或恒高时,给上管供电的自举电容C1能量得不到补给。当电容上的能量放完后,上管关断,就会出现此桥臂无驱动信号,无输出的现象。尤其是直流电压时,常有这一现象。

图4 逆变级驱动电路
在逆变器控制中,PI调节器输出的幅度如果超过三角波的幅度,就会出现过调制的现象,此时,PWM驱动脉宽会过窄或过宽,还会使上述自举电路工作不正常。因此,必须对占空比的最大值与最小值加以限制。
具体方法是,可以在PI调节器的输出端作一定的限幅(见图3),使控制电路不出现过调制的情况,限制PWM的最大、最小占空比,使IR2110的自举电容C1能及时充电。采用限幅的另一个好处是消除了由于IR2110自举失败导致的电路损坏,提高了可靠性。
射频工程师养成培训教程套装,助您快速成为一名优秀射频工程师...
天线设计工程师培训课程套装,资深专家授课,让天线设计不再难...
上一篇:低压输入交错并联双管正激变换器的研究
下一篇:电子电气设备的电路隔离技术

