- 易迪拓培训,专注于微波、射频、天线设计工程师的培养
利用升压转换器来设计易于编程的LED驱动器
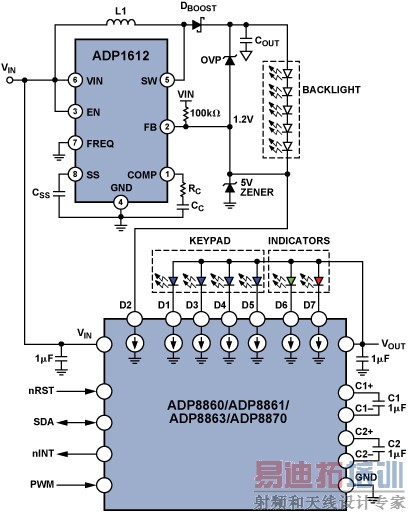
大多数采用白色发光二极管(WLED)背光显示器的便携式产品同时还需要辅助的LED照明。一般需要两个IC:一个感性升压转换器,使背光LED获得最大效率(》80%);一个电荷泵,允许独立控制各辅助LED。此外,每个IC都需要一个可编程的电流吸收器来进行亮度控制或者混色,这会导致成本和复杂度迅速上升。本篇设计技巧介绍如何将单个可编程LED驱动器与一个低成本升压转换器结合在一起,实现灵活高效且易于编程的解决方案。图1显示使用升压转换器ADP1612(见图 2)和并行LED驱动器ADP8860(见图 3)的实现方案。

图1. 升压转换器ADP1612和LED驱动器ADP8860实现背光和辅助LED 的可编程驱动。
在此应用中,升压转换器ADP1612的FB连接到LED驱动器ADP8860上的一个电流吸收器D2。5 V齐纳二极管保护电流吸收器免受故障或快速关断的损害。若某一背光LED发生开路故障,OVP齐纳二极管会保护输出电容COUT和ADP1612。
电流吸收器D2关闭时,FB上的电压上拉至VIN,从而关断ADP1612。D2开启时,FB上的电压被拉低,升压开始切换。ADP1612调节输出电压,在FB及D2上提供1.2 V电压。这足以实现精确的电流调节。随着流过D2电流吸收器的电流变化,ADP1612自动按比例调整输出电压,精确传送足够的电压,为LED和电流吸收器供电。ADP8860能够独立控制每个吸收器,因此针对辅助LED进行的编程也同样适用于背光LED。
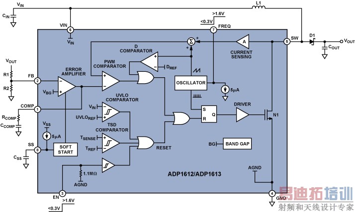
升压DC-DC开关转换器的工作频率是650 kHz/1300 kHz
分别采用1.8 V至5.5 V单电源或2.5 V至5.5 V单电源供电时, 升压转换器ADP1612和ADP1613能够以高达20 V的电压供应超过150 mA的电流。通过将一个1.4 A/2.0 A、0.13 Ω 功率开关与一个电流模式脉宽调制调节器集成在一起,其输出随输入电压、负载电流和温度变化仅改变不到 1%。工作频率可通过引脚选择,并通过优化实现高效率或最小外部元件尺寸:650kHz 时,其效率可达到 90%;1.3 MHz 时,其电路能够以最小空间实现,因而非常适合便携式设备和液晶显示器中的空间受限环境。
大多数采用白色发光二极管(WLED)背光显示器的便携式产品同时还需要辅助的LED照明。一般需要两个IC:一个感性升压转换器,使背光LED获得最大效率(》80%);一个电荷泵,允许独立控制各辅助LED。此外,每个IC都需要一个可编程的电流吸收器来进行亮度控制或者混色,这会导致成本和复杂度迅速上升。本篇设计技巧介绍如何将单个可编程LED驱动器与一个低成本升压转换器结合在一起,实现灵活高效且易于编程的解决方案。图1显示使用升压转换器ADP1612(见图 2)和并行LED驱动器ADP8860(见图 3)的实现方案。

图1. 升压转换器ADP1612和LED驱动器ADP8860实现背光和辅助LED 的可编程驱动。 [p]
在此应用中,升压转换器ADP1612的FB连接到LED驱动器ADP8860上的一个电流吸收器D2。5 V齐纳二极管保护电流吸收器免受故障或快速关断的损害。若某一背光LED发生开路故障,OVP齐纳二极管会保护输出电容COUT和ADP1612。
电流吸收器D2关闭时,FB上的电压上拉至VIN,从而关断ADP1612。D2开启时,FB上的电压被拉低,升压开始切换。ADP1612调节输出电压,在FB及D2上提供1.2 V电压。这足以实现精确的电流调节。随着流过D2电流吸收器的电流变化,ADP1612自动按比例调整输出电压,精确传送足够的电压,为LED和电流吸收器供电。ADP8860能够独立控制每个吸收器,因此针对辅助LED进行的编程也同样适用于背光LED。
升压DC-DC开关转换器的工作频率是650 kHz/1300 kHz
分别采用1.8 V至5.5 V单电源或2.5 V至5.5 V单电源供电时, 升压转换器ADP1612和ADP1613能够以高达20 V的电压供应超过150 mA的电流。通过将一个1.4 A/2.0 A、0.13 Ω 功率开关与一个电流模式脉宽调制调节器集成在一起,其输出随输入电压、负载电流和温度变化仅改变不到 1%。工作频率可通过引脚选择,并通过优化实现高效率或最小外部元件尺寸:650kHz 时,其效率可达到 90%;1.3 MHz 时,其电路能够以最小空间实现,因而非常适合便携式设备和液晶显示器中的空间受限环境。
可调软启动电路防止发生浪涌电流——确保安全、可预测的启动条件。ADP1612/ADP1613 在开关状态下的功耗为2.2 mA,在非开关状态下的功耗为700 µA,在关断模式下的功耗为 10 nA。这些器件采用8引脚 MSOP封装,额定温度范围为–40°C 至+85℃,千片订量报价为1.50/1.20 美元/片。

图2. ADP1612/ADP1613 框图。
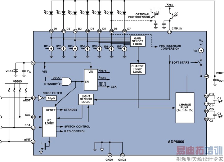
通道智能LED驱动器内置电荷泵和I2C接口
智能LED驱动器ADP8860集可编程电荷泵驱动器与自动光电晶体管控制于一体,依据环境光条件改变电流密度,无需处理器,可以明显降低移动显示器的功耗。最多可独立驱动六个LED,最高电流达30 mA;第七个LED的驱动电流最高可达60 mA。光强度阈值、最小/最大LED电流和渐亮/渐暗时间,均可以通过I 2 C接口编程。双电容电荷泵可提供240 mA电流。通过1×、1.5×或 2×自动增益选择可实现最高效率。安全功能包括软启动、欠压闭锁、短路保护、过压保护及过温保护。ADP8860采用2.5 V至5.5 V单电源供电,开关模式下功耗为4.5 mA,待 机模式下为0.3 μA。它采用20引脚LFCSP和20引脚WLCSP封装,额定温度范围为–40°C至+85℃,千片订量报价为1.36美元/片。

图3. ADP8860功能框图。
射频工程师养成培训教程套装,助您快速成为一名优秀射频工程师...
天线设计工程师培训课程套装,资深专家授课,让天线设计不再难...
上一篇:一种汽车倒车障碍检测系统解决方案
下一篇:加强背光照明解决方案

