- 易迪拓培训,专注于微波、射频、天线设计工程师的培养
加强背光照明解决方案
如今,大部分便携式设备尤其是移动电话中的键盘背光照明以及其他装饰灯都倾向于采用个性的设计方式。然而,显示屏的背光和键盘的背光在要求上是不同的,而且这分别会影响到相关LED的驱动方法。

现在大部分的便携式电子产品,如移动电话、个人电子手帐、导航系统等,都拥有一个需要背光照明的小型LCD显示屏作为用户界面。人们用这些设备来观看高分辨率的相片、影片和上网浏览的时间亦越来越长。这样,人们对具备媒体存储能力的高质亮显示屏的需求变得越来越强烈,对背光LED和驱动器技术的挑战也就越大。现今,虽然白光照明LED主导了市场,但新涌现的红绿蓝(RGB)背光可改良显示屏上的色彩饱和度,因此前景无限。
LED和锂离子电池的改变将会影响背光驱动电路的设计。并且,在便携式设备上增加LED的数目会造成LED驱动设计上的挑战。最常见的挑战包括电源效率、控制界面/可编程能力、方案的大小尺寸、电磁干扰(EMI)和系统成本等。
亮度控制
背光照明LED的亮度控制可经由脉冲宽度调变(PWM)或恒流控制来实现。PWM亮度控制需动用一个恒流驱动器来驱动LED,但需要调节开/关时间才能达到所需的光度。因此PWM控制比直接的恒流控制更加复杂。
恒流控制的好处是没有了连续的开关动作,因此进行亮度调校时,由LED色谱位移而引致的EMI较低。LED制造商将LED按照“群集电流”来分组,并确保LED的表现不会降低。当群集电流改变时,LED的亮度变化会多于设定的规格,因此肉眼能分辨出背光照明LED之间的不同亮度。当使用很低的电流时,上述情况尤其明显。
如果使用PWM来控制亮度,那亮度调节便会在整个范围内呈线性,而且被调节时不会产生颜色上的变化。不过,PWM的变换会产生电磁干扰和可听得到的噪声。该噪声是由陶瓷电容器的压电效应所产生。为了免除这可听噪声,PWM的频率必须高至人耳收听不到的水平,如20kHz。另外一个方法便是使用很低的频率,令应用中的电容器和电路板不会产生共鸣,并保证不会产生出可听到的“啪啪”声(如250Hz)。通过减慢PWM控制的上升/下降沿可有助削减电磁干扰的强度。
背光照明驱动器的拓扑
驱动器拓扑可以分为并联和串联两种。当每一个LED均需要做个别控制时,会使用并联驱动。在背光照明的应用中,所有LED的亮度应该是一致的。但如果使用并联驱动器,LED电流之间可能会出现轻微的失配。幸而,配合最新的驱动器后,这种电流失配就变得微不足道了。因为这些LED的典型亮度容差一般比输出电流中的失配大很多。
当背光照明LED串联在一起时,相同的电流会流通所有LED,使得LED电流间出现百分百的匹配。此外,采用串联驱动后无须为每个LED进行个别的驱动器布线,所以PCB布线变得更容易。由于驱动器输出的正向电压已考虑到了数个LED,因此串联驱动法比并联驱动法稍胜一筹。串联驱动需要高压的升压转换器(如20V)来从锂离子电池中提取足够的电压以驱动数个串联LED。
驱动LED的最普遍方法是用低边驱动器输出,LED输出脚可作为一个恒流下沉(constantcurrentsink)。在这情况下,LED输出和电源电压需要独立的布线。如采用高边驱动器输出,那LED的输出脚便成为电流源,同时只有LED接脚要布线,LED阴极则直接接地。通常,在PCB处都有一个接地面,因此无须进行独立的布线。图1所示为不同驱动方法。
图1并联高压侧和串联低压侧驱动
白光LED和电池技术
便携式设备一般都用一枚锂离子电池来工作,其电压视所需的电荷介乎2.8~4.3V之间。白光LED正向电压一般为3.5V,这是单一的锂离子电池通常不能驱动的,因此需要采用升压式DC/DC转换器。转换器可以是电容式(电荷泵)或电感式(磁力升压)。由于电荷泵的体积较小,一般都会用在并联LED驱动器上。至于磁力升压转换器,一般都会用于高压的串联驱动器内,原因是电荷泵技术所能达到的输出电压还不够高。转换器输出电压的调节可以通过LED正向电压的感应来自动(适配性)履行,或者用户可根据LED正向电压的规格来设定一个恒压。
未来,新型锂离子电池和LED技术将会为LED驱动带来新的挑战。配合最新的化学成果,电池电压的范围将扩大到2.3~4.7V,而典型的白光LED正向电压将会下降至2.9V。与此同时,输出驱动器的饱和电压都会随着下降。当采用并联驱动时,要高效地驱动一个2.9V的LED,就需要动用一个升降压转换器。图2所示为由电池、驱动器和LED技术的进步所带来的效果。
图2电池和白光LED正向电压的技术进展 [p]
RGBLED背光照明
一般而言,小型LCD显示屏背光照明都是用一组白光LED来实现的。可是,使用白光LED的问题是其光谱对光复制并不是很理想。原因是白光LED其实就是在蓝光LED面上加上一层黄色磷光剂。这样便造成光谱有两个波峰,一个在蓝色而另一个在黄色。图3给出一个典型的白光LED与RGBLED光谱比较。
图3典型白光LED与RGBLED光谱的比较
LCD显示屏会划分为三个主色区格:红、绿和蓝,色彩是由这三种主色混合来定义。要把适合的颜色过滤到每一个色格,那便需要使用颜色过滤器。颜色过滤器会浪费大部分的光学能量,即使在过滤后也一样,因此穿过LCD后的色谱并不理想。如此一来,采用白光LED背光照明可以在LCD屏面上产生出最多75%的NTSC(美国国家电视标准委员会)色彩(传统LCD显示屏上的红色端边处的限制尤甚)。然而,当使用RGBLED来做LCD显示屏的背光照明时,色彩复制可以覆盖100%的NTSC色彩,从而令到颜色更光亮、画质更高。假如配合优化的颜色过滤器,那所浪费的能耗可比白光LED背光照明来得更少。图4所示为一个LCD显示屏的结构。
图4LCD显示屏的构造
使用RGB背光时,当LED温度改变时,驱动器必须更正红、绿和蓝三主色间的亮度平衡,以防出现白点位移。此外,还需保证驱动器在任何操作温度下维持光的正确强度。而在补偿方面,可以用闭环或开环形式。若使用闭环补偿,便需采用感光器来测量白点和其强度。相反地,如使用开环补偿,那温度便需事先量度出来,并通过预先定义好的补偿曲线来调节亮度的平衡。
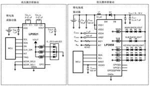
美国国家半导体的LP5520就是RGB背光照明驱动器的一个例子,它是一个开环补偿式LED驱动器。图5所示为开环颜色补偿的原理。其中,温度补偿曲线是用现实应用中的RGBLED来量度的,这些曲线被编程在芯片内部的EEPROM存储器中。该芯片被集成到LCD显示模块上,而模块的制造商会在生产时为补偿曲线编程。此外,RGBLED背光亦可用作优化颜色过滤器。
图5开环颜色补偿的操作原理
键盘背光照明和其他装饰灯光
与显示屏背光照明比较,键盘背光照明拥有一些特别的要求。键盘背光照明所要求的颜色不一定需要白色,可以是其他任何颜色。时下,便携式设备中的键盘照明和其他装饰灯的设计趋向是产生更多的灯光效果。显示屏的背光控制通常都是采用淡入/淡出的开/关方式,但装饰灯的控制则比较复杂。通过采用RGBLED作键盘的背光照明,只要简单地改变红、绿和蓝LED间的亮度平衡,便可改变颜色和设备的整个外观。这样,设计人员便可凭借软件控制来为便携式电话或其他便携式设备加添独特的个性。
对于一些复杂的照明次序,诸如不同颜色间的渐变,除了需有一个简单的生效控制接脚外,还需用到一个比较精密的控制方法。在这方面,I2C控制总线便被广泛应用到各式便携式设备上,原因是它只需通过两条电线便可为控制LED驱动器提供很大的灵活性。再者,LED控制不会应用I2C的所有频宽,因为实时控制LED的亮度会产生出一定程度的I2C传输量。
新LED驱动器,例如美国国家半导体的LP5521,可以通过加入内部存储器和执行核心来为有次序的照明提供最低限度的实时控制。照明次序在通电后会写入一个内部的存储器,之后外部的触发器接脚或I2C写入会用来启动这个照明次序。当照明次序在运行时,无须进行处理器的控制。例如当电话处于备用状态时,应用处理器可以进入休眠模式,但LED仍可履行复杂的照明次序。这些次序可包括时延、上下走动、闪烁、回转和触发信号的收/发。
为了进一步减低功耗,最新的LED驱动器均拥有一个自动节能操作模式。其中的DC/DC转换器只有锂离子电池的电压不足以提供给LED时才会被启动。此外,当照明次序于内部运行时,驱动器还可在LED不活跃时关闭所有不需要的功能,此举可显著减低电流的平均消耗量。
配合微小的LED驱动器,可创制出分区化照明方案,也就是说将LED驱动器放到LED的附近。这样,进行PCB布线就更容易,而且还可减轻电磁干扰的问题。针对分区方案的驱动器会设有外部的控制接脚,以用来同步化多个驱动器,从而造出有趣的灯光效果。
对于驱动背光照明LED而言,这里有几种驱动器拓扑,具体选择要视应用而定。毫无疑问,即将出现的全新锂离子电池技术和更低正向电压的白光LED必会为驱动器的设计带来新的挑战。
用做LCD显示屏背光照明的RGBLED一般都会应用在高档的便携式电话或其他设备上,这些应用均要求高素质的画面和颜色复制。此外,配合适当的驱动器、LED和颜色过滤器,采用RGB背光照明比白光LED更省电。
可编程性是时下最先进的键盘背光照明驱动器的一个主要功能,除了较易控制外,还能节省系统能耗。此外,可编程LED驱动器还可为个人化的便携式电话创造出更多有趣的灯光效果。
射频工程师养成培训教程套装,助您快速成为一名优秀射频工程师...

