- 易迪拓培训,专注于微波、射频、天线设计工程师的培养
开关电源原理与设计(连载二十七)双激式变压器开关电源
实际上,推挽式变压器开关电源的反激式输出电压也是不能忽略的。推挽式变压器开关电源变压器次级线圈的输出电压应该同时包括两部分,正激输出电压和反激输出电压。不过,在推挽式变压器开关电源中,输出功率主要还是以正激式输出功率为主,因为,变压器的励磁电流很小,一般只有正常工作电流的几分之一,到十分之一。
因此,图1-27中,当控制开关K1关断,K2接通瞬间,开关变压器次级线圈输出电压应该等于正激电压(由(1-128)和(1-129)式给出)与反激电压(由(1-67)或(1-68)式给出)之和。关于纯电阻负载反激式输出电压的计算,请参考前面《1-5-1.单激式变压器开关电源的工作原理》章节中的相关内容分析,这里不再赘述。
根据(1-67)式

上式中,[uo] 表示开关变压器次级线圈N3绕组输出的反激式电压,[i3] 表示开关变压器次级线圈N3绕组输出反激式电压对负载R产生的电流。括弧中的第一项表示变压器次级线圈回路中的电流,第二项表示变压器初级线圈回路中励磁电流被折算到变压器次级线圈回路的电流。
另外根据(1-129)式求得的结果,开关变压器次级线圈N3绕组产生的正激式输出电压为:
(uo)=-ne2 = -nUi —— K2接通期间 (1-131)
上面两式中,[uo]表示开关变压器次级线圈N3绕组输出的反激式电压,(uo)表示开关变压器次级线圈N3绕组产生的正激式输出电压。
因此,开关变压器次级线圈输出电压uo等于正激电压(uo)与反激电压[uo]之和,即:

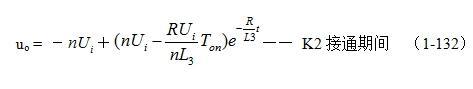
上式是推挽式变压器开关电源在负载为纯电阻时,输出电压uo的表达式。由(1-132)式可以看出,当t = 0时,即:控制开关K1关断瞬间,输出电压为最大值:

从(1-133)式可以看出,在控制开关K1关断瞬间,当变压器次级线圈回路负载开路,或负载很轻的时候,变压器次级线圈回路会产生非常高的反电动势。
但在实际应用中,并不完全是这样。因为,当控制开关K1关断瞬间,控制开关K2也会同时接通,此时开关变压器初级线圈N2绕组也同时被接入电路中,N2线圈绕组对于开关变压器初级线圈N1绕组来说,它也相当于一个变压器次级线圈,它也会产生感应电动势,感应电动势的方向与输入电压Ui的方向正好相反;因此,在控制开关K2接通瞬间,开关变压器初级线圈N1绕组存储的磁能量有一部分要被N2绕组吸收,并产生感应电流对输入电压Ui充电。
(1-132)式和(1-133)式并没有完全考虑,开关变压器初级线圈N1绕组和N2绕组被互相看成是一个变压器次级绕组时,所产生的影响。显然变压器次级线圈回路产生反电动势的高低还与控制开关K1和K2交替接入的时间差有关,与K1和K2的接入电阻的大小还有关。一般电子开关,如晶体管或场效应管,刚开始导通的时候也不能简单地看成是一个开关,它从截止到导通,或从导通到截止,都需要一个过渡过程,因此,它也会存在一定的开关损耗。
当N1和N2被互相看成是一个变压器次级绕组时,由于N1线圈绕组存储的磁能会同时在N1、N2、N3等线圈绕组两端产生反电动势或感应电动势,同理,N2线圈绕组存储的磁能会同时在N1、N2、N3等线圈绕组两端产生反电动势或感应电动势。
而N1或N2线圈绕组产生的反电动势或感应电动势的电流方向正好与输入电流的方向相反,因此,开关变压器初级线圈N1绕组或N2绕组互相感应产生的反电动势或感应电动势,会对输入电压Ui进行反充电;即:开关变压器初级线圈N1绕组或N2绕组互相感应产生的反电动势或感应电动势会被Ui进行限幅,这相当于变压器次级线圈N3绕组输出电压uo也要通过变压比被Ui进行限幅。
因此,变压器次级线圈N3绕组输出电压uo中的反激式输出电压[uo],并不会像(1-132)和(1-133)算式所表达的结果那么高。
另外,根据(1-75)式:
Upa×Ton = Upa-×Toff —— 一个周期内 (1-75)
还可以知到,当控制开关K1和K2的占空比均等于0.5时,变压器正激输出电压的半波平均值Upa与反激输出的半波平均值Upa-基本相等。因此,只有在控制开关K2接通与控制开关K1断开两者之间存在时间差时,变压器次级线圈回路才会产生非常高的反电动势;但当控制开关K1和K2的占空比均小于0.5时,虽然反电动势的幅度比较高,但由(1-75)式可知,反电动势(反激输出电压)的半波平均值还是小于正激电压的半波平均值。
所以,(1-132)和(1-133)式所表示的结果,可看成是推挽式变压器开关电源在输出电压中含有毛刺(输出噪音)的表达式。
根据上面分析,在一般情况下,推挽式变压器开关电源的输出电压uo,主要还是由(1-128)、(1-129)、(1-131)等式来决定。即:推挽式变压器开关电源的输出电压uo,主要由开关电源变压器次级线圈N3绕组输出的正激电压来决定。
图1-28是图1-27推挽式变压器开关电源,在负载为纯电阻,且两个控制开关K1和K2的占空比D均等于0.5时,变压器初、次级线圈各绕组的电压、电流波形。

图1-28
图1-28-a)和图1-28-b)分别表示控制开关K1接通时,开关变压器初级线圈N1绕组两端的电压波形,和流过变压器初级线圈N1绕组两端的电流波形;图1-28-c)和图1-28-d)分别表示控制开关K2接通时,开关变压器初级线圈N2绕组两端的电压波形,和流过开关变压器初级线圈N2绕组两端的电流波形;图1-28-e)和图1-28-f)分别表示控制开关K1和K2轮流接通时,开关变压器次级线圈N3绕组两端输出电压uo的波形,和流过开关变压器次级线圈N3绕组两端的电流波形。
从图1-28-b)和图1-28-d)中我们可以看出,当控制开关K1或K2接通瞬间,流过变压器初级线圈N1绕组或N2绕组的电流,其初始值并不等于0,而是产生一个电流突跳,这是因为变压器次级线圈N3绕组中有电流流过的原因。
当变压器次级线圈N3绕组有负载电流流过时,其产生的磁通方向正好与流过变压器次级线圈N1或N2绕组励磁电流产生的磁通方向相反,因此,流过变压器初级线圈N1绕组或N2绕组的电流也要在原来励磁电流的基础上再增加一个电流,来抵消流过变压器次级线圈N3绕组电流的影响。增加电流的大小等于流过变压器次级线圈N3绕组电流的n倍,n为变压器次级线圈N3绕组与初级线圈N1绕组或N2绕组的匝数比。

从图1-28-f)中我们可以看出,流过开关变压器次级线圈N3绕组两端的电流波形是个矩形波,而不是三角波。这是因为推挽式变压器开关电源同时存在正、反激电压输出的缘故。当变压器同时存在正、反激电压输出时,反激式输出的电流是由最大值开始,然后逐渐减小到最小值,如图中虚线箭头所示;而正激式输出的电流则是由最小值开始,然后逐渐增加到最大值,如图中实线箭头所示;因此,两者同时作用的结果,正好输出一个矩形波。
从图1-28-e)还可以看出,输出电压uo由两个部分组成,一部分为输入电压Ui通过变压器初级线圈N1绕组或N2感应到次级线圈N3绕组的正激式输出电压(uo),这个电压的幅度比较稳定,一般不会随着时间变化而变化;另一部分为励磁电流通过变压器初级线圈N1绕组或N2绕组存储的磁能量产生的反激式输出电压[uo],这个电压会使波形产生反冲,其幅度是时间的指数函数,它会随着时间增大而变变小。
这里还需指出,图1-28-e)中的波形有上冲,在纯电阻负载中是正常的,尽管N1和N2互相都可以把对方看成是变压器次级绕组,并对高于输入电压Ui的反电动势电压进行限幅,但因为线圈N1绕组与线圈N2绕组之间有漏感,线圈N2绕组与线圈N3绕组之间也有漏感,况且,控制开关在刚接通瞬间有比较大的电阻,因此,变压器次级线圈N3绕组瞬间反激输出电压高于正激输出电压是肯定的。不过在大多数情况下,最好还是采用半波平均值的概念来进行电路分析或计算,以免需要进行复杂的指数函数运算。

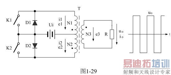
当要求推挽式变压器开关电源输出电压波形的反冲幅度很小时,可采用如图1-29所示的电路。图1-29与图1-27相比,多了两个阻尼二极管D1、D2,它们分别与控制开关K1、K2并联。当控制开关K1由接通转换到关断时,在N2线圈中产生的感应电动势e2,不管K2处于什么工作状态,接通或关断,只要N2线圈中产生的感应电动势e2的幅度超过工作电压Ui,二极管D2就会导通,相当于感应电动势e2通过二极管D2被工作电压Ui限幅,同时也相当于变压器次级线圈N3绕组输出电压uo也要通过电磁感应被Ui进行限幅,而二极管D2对控制开关K2的工作几乎不受影响。
同理,当控制开关K2由接通转换到关断时,不管K1处于什么工作状态,只要N1线圈中产生的感应电动势e1的幅度超过工作电压Ui,二极管D1就会导通,感应电动势e1就会通过二极管D1被工作电压Ui限幅,这也相当于变压器次级线圈N3绕组输出电压uo也要通过变压比被Ui进行限幅,而二极管D1对控制开关K1的工作几乎不受影响。
一般人们都把D1、D2称为阻尼二极管,这是因为D1、D2没有直接对输出电压uo进行限幅,而是通过变压器初、次级之间的感应作用间接进行的。实际应用中,一般都在开关三极管的E-C或场效应管的S-D两个电极内部封装有一个阻尼二极管,其作用就是用来对输出电压反冲进行阻尼用的。阻尼二极管D1、D2的另一个作用是防止变压器初级线圈N1绕组中产生的感应电动势e1对控制开关K1、K2反向击穿。
射频工程师养成培训教程套装,助您快速成为一名优秀射频工程师...
天线设计工程师培训课程套装,资深专家授课,让天线设计不再难...
上一篇:基于UC3875的全桥软开关直流电源设计方案
下一篇:电力机车新型高频电源研究

