- 易迪拓培训,专注于微波、射频、天线设计工程师的培养
电力机车新型高频电源研究
1 机车控制电源的最新发展
电力机车采用直流110v作为机车的控制电源。近年来,在我国最新研制的电力机车中,已经开始使用高频开关电源,如ss7d、ss8、ss9等。高频开关电源在体积、重量、效率等指标上,都远远优于相控电源。并且功率大,精度高,纹波小,抗干扰能力强,可靠性高。
高频开关电源与目前我们大部分机车所采用的相控整流电源的性能比较见表1。
表1 高频开关电源与相控整流电源性能比较

从电力机车设计的发展来看,相控整流电源必将被开关电源所取代。
2 高频开关电源设计原理
目前,电力机车控制电源的输入为机车主变压器的副边396v绕组,其波动范围为ac396v(-30%-+25%),今后输入变为 dc600v(500v-660v)。所以电源设计时应考虑输入电压的大范围变化。另外,根据机车设计的总体要求,系统应有完善的自我诊断及保护功能。
本次设计的高频开关电源,主电路为全桥dc/dc变换器结构,采用电流型控制方式,主开关器件采用智能功率模块ipm,由于ipm有完善的保护功能,使系统的故障率下降。另外,系统预留通讯接口,使其工作状态能直接通知给机车,从而确保行车安全。由于机车的电磁兼容环境比较恶劣,故系统设计时充分考虑电磁兼容问题,确保系统工作安全可靠。
机车控制电源的框图如图1所示。

图1 机车控制电源的原理框图
3 dc/dc变换器拓扑与控制研究
3.1 拓扑选择
直流变换器按输入与输出间是否有电气隔离可分为两类:没有电气隔离的称为不隔离的直流变换器,有电气隔离的称为有隔离的直流变换器。
有隔离的直流变换器通过变压器实现电气隔离。具体说来,全桥变换器只需要一个原边绕组,通过正、反向的电压得到正反向磁通,副边绕组结构灵活,能够使变压器铁心和绕组得到最佳利用,使效率、功率密度得以提高。另外一个优点是功率开关在非常安全的情况下运行。在一般情况下,最大的反向电压不会超过电源电压vs,四个能量恢复二极管能消除一部分由漏感产生的瞬时电压。这样,无需设置能量恢复绕组,反激能量便能得到恢复利用。本电源输入电压为 396v(-30%-+255%),中间直流支撑电压大约在300v~700v之间变动,所以主电路采用全桥变换器结构。
当输出电压比较低、输出电流比较大时,为了减少整流桥的通态损耗,提高变换器的效率,一般选用全波整流方式。本电源输出电压为dc110v,输出电流为80a,故选择全波整流方式比较合适。
3.2 控制方法
dc/dc变换器从控制方式上可以分为两种,即电压型控制方式(voltage mode control)和电流型控制方式(current mode control),电压型控制方式的基本原理就是通过误差放大器输出信号与一固定的锯齿波进行比较,产生控制用的pwm信号。
电流型控制则是指将误差放大器输出信号与采样到的电感峰值电流进行比较,来控制输出脉冲的占空比,使输出的电感峰值电流随误差电压变化。
我们选择比较先进的电流型变换器,它既保留了电压控制的输出电压反馈控制部分,又增加了一个电流反馈环节,形成双环反馈系统。具有优良的瞬态响应;逐脉冲控制,使保护机制简化;利于多电源并联运行;限制偏磁等优点。 [p]
但是电流型控制原理有缺点,当占空比大于50%时,电流扰动会被放大,使控制环变得不稳定;功率级谐振会给控制环带来噪声;电流控制是要使电流呈现恒流特性,会使电路的负载效应变差。
3.3 电流型dc/dc变换器的斜坡补偿
对于上述问题,斜坡补偿是一种简单但非常有效的方法。如图2所示。在a)中,对于一个电流扰动δi0,当d小于50%时,这个扰动将逐渐变小,最后衰减为零;在b)中,d大于50%,这个扰动将被放大,从而导致系统不稳定。所以,我们引入斜坡补偿,它能有些克服以上的问题。在c)中,通过加一个斜率为-m的信号在ve或il上,经推导有:δi1=-δi0[(m2+m)/ (m1+m)]。若使扰动衰减,则应有:

(1)
在稳态时,输出电压不变,m2为一恒值,当m>-0.5(m1+m2)>-0.5m2时能保证3-1式恒成立。
因为电流控制模式需要利用电感电流作为控制变量,所以希望电感电流是一个干净的锯齿波形。当m1值较小时,电流在开通时间始末电流变化很小,使它对噪声的敏感程度升高,尤其是开关管开通时刻副边二极管的反向恢复产生的尖峰电流将成为一个巨大的干扰源。而斜坡补偿相当于增加了电流上升斜率,使电流在开通时间内变化量变大,故起到了抑制干扰的作用。

图2 电流型控制方式开环不稳定性示意图
4 系统主回路设计
主回路由输入整流滤波电路,单相逆变桥,高频变压器,输出整流滤波电路组成。如图3。
4.1 输入整流滤波电路
输入整流电路将输入交流396v电压进行整流、滤波,为单相逆变桥提供一个平滑的直流电压。
4.2 单相逆变桥
单相逆变桥由q1~q4四个智能功率模块(ipm)组成。为高频变压器提供脉宽可调的高频交流方波电压。
4.3 高频变压器
高频变压器t1起到隔离和降压的作用,它由一个原边绕组、两个副边绕组组成;
4.4 输出整流滤波电路
输出整流采用由快恢复二极管fd1、fd2组成的全波整流方式,整流后的高频直流电压通过输出滤波电感l1及电容c13输出稳定的直流110v。
4.5 智能功率模块ipm
智能功率模块ipm是先进的混合集成功率元件,由高速、低耗的igbt芯片和优化的门极驱动和保护构成,具备了igbt和集成电路的双重优点。但与普通igbt相比,在系统性能和可靠性上有进一步提高。所有的ipm均采用同样的标准化与逻辑电平控制电路相连的栅控接口,在产品系列扩充时不需另行设计驱动电路。ipm还具有很好的自我保护能力:控制电源欠压锁定;过热保护;过流保护;短路保护。
缓冲电路用以控制关断浪涌电压以及续流二极管恢复浪涌电压。在某些应用中,缓冲电路通过提供附加的电流路径,使功率器件开关时的电压电流相互错开,以减少开关损耗。
一般情况下,开关管关断电压起始尖峰由缓冲回路寄生电感造成。在一个典型的igbt功率回路中,最差情况的di/dt将接近0.02a/ns*ic。因为δv=ls*di/dt(ls为缓冲回路的寄生电感),如果δv已被限定,那么可以推算出缓冲电路允许的最大电感量。
一般ipm的缓冲电路有三种结构:如图4所示。(a)由一个低感电容组成,在小功率设计时,这种缓冲电路用作对瞬变电压有效而低成本的控制。(b)使用快恢复二极管解决了这个问题,该二极管可箝住瞬变电压,从而抑制谐振的发生。(c)由于直接连到每个igbt的集电极和发射极,具有较小的回路电感。 [p]

图3 主电路原理图

图4 缓冲电路结构

图5 控制原理图
5 控制回路设计
控制电路是由以uc3846为核心的模拟电路构成,其原理如图5所示。
5.1 uc3846的性能及主要特点
能够完成电流型方式控制的芯片包括uc3842和uc3846,uc3842为单路输出结构,uc3846有两路互补的驱动信号,适合于桥式电路,所以本设计采用了uc3846。uc3846具有一个恒定频率的电流方式控制的所有功能,而且使外部电路得到了相当程度的简化。与电压型控制芯片比较,3846多了一个3倍增益的电感电流放大器(ca),所以它能够组成一个双环反馈系统。它既保留了电压型控制的输出电压反馈控制部分,又增加了一个电流反馈环节,把电感电流放大器的输出信号ui跟误差放大器(ea)输出加到pwm比较器反向端的电压uu进行比较,然后去控制锁存器。
它具有如下特点:
(1)自动前馈补偿;
(2)可编程箝位误差放大器输出,实现逐个脉冲电流限制;
(3)提供一个精度为±1%的5伏基准电压源,输出能力40毫安,可用作内部标准电源和外部电压参考;
(4)具有欠压锁定功能;
(5)内置一个350毫伏门限,能够从外部提供关断信号;
(6)具有200毫安的双推挽输出,峰值电流可达到400毫安;
(7)具有双重脉冲抑制功能;
(8)能够提供软启动功能。
5.2 控制电路设计
控制电路电源是由机车蓄电池供电的。电压范围在77v~130v之间变动。主电路电压、电流信号的采集都是由lem来完成的。因此需要两组电源完成dc110v/dc±15v变换。另外,ipm的四个开关单元需要四路隔离的+15v供电。整个系统需要6路隔离电源。

图6 与斜波补偿有关的三个电量波形

图7 电压端斜波补偿
5.2.1斜坡补偿电路的实现
uc3846内部带有一增益为3的电流放大器,放大器的反向输入端被内部电路箝位在3.5伏,所以其输入信号的幅值不应大于1.2伏。
斜率补偿的锯齿波信号一般从振荡器ct上取得,所以斜率补偿与三个电流波形有关,除ct上电压u1外,还有电流采样点母线电流i1,以及流过输出电感的电流i2。这三个电量的波形如图6所示,电流i2下降部分为原边所有开关管关断时,输出电感续流的电流波形。
可以得到i2下降斜率m 2为:
m 2=vout/l
输出电压vout为110v,输出电感l为50μh,则m 2=2.2×106。 [p]
因为变压器变比为2.1,又电流lem变比为1/1000,采样电阻为30欧,所以m2折算到uc3846电流放大器前端之时,m2为:
| m2|= 30m 2/(2.1×1000)=3.1×104
当m>-0.5m2时系统将变得稳定,所以取m=15500。
经测量锯齿波ct上电压斜率为64000,所以需要取ct波电压的15500/64000。
对于3846,我们使用如图7所示的斜率补偿方式将ct波直接引至电流放大器的输入端。
5.2.2 充电模式转换
蓄电池的常规充电一般分两个阶段,在电池端电压达到饱和之前,采取的是控制充电电流的策略,始终以一个恒定的电流充电。当电池充满电时,采取浮充方式,即维持电池组端电压不变。另外,限制总的输出电流,保证系统可靠运行。可见,系统需要有三个控制变量,即输出电压、总输出电流和蓄电池充电电流。
5.2.3 过欠压保护
系统是通过检测中间直流母线电压来判断过、欠压的。过压值设定为700v,欠压值为230v。欠压保护只断开充电保护接触器km2,同时封锁脉冲。而过压信号将封锁脉冲,同时断开主接触器km1,系统停止工作。
中间电压检测是通过型号为nv100-1000v的霍尔传感器来完成的。中间电压信号通过两个滞环比较器输出过压信号uexcess和欠压信号ulack。如图8所示。

图8 过欠压检测电路
欠压信号ulack分成三路,一路通过uc3846的shutdown引脚封锁脉冲,一路控制充电保护接触器km2的通断,另外一路去欠压显示回路。
过压信号uexcess通过一个d触发器将信号锁定,其后分别通过shutdown封锁脉冲、使主交流接触器km1断开、点亮过压指示灯。
5.2.4 fo信号保护
ipm自身检测到信号后将输出fo信号此信号通过光耦引致控制板上,其后通过d触发器锁定,然后分别通过shutdown封锁脉冲、使主交流接触器km1断开、点亮fo故障指示灯。当确认故障消失后,通过复位按钮可使系统重新开始工作。
当系统正常工作时,r=s=0,q=0,d触发器处于准备状态。当有fo信号时,fo由高变低,使q=d=1。闭合复位按钮s1,则r=1,使输出q=0。系统开始正常工作。
ipm控制电源上电的初始阶段,将输出一短暂的fo信号,如果将此fo信号锁存,将导致系统无法开始工作。因此,与s1并联一较大电容,上电初期,通过电容充电延时,以避开上电初期的fo信号。

图9 fo信号保护
5.2.5 输出过压保护
图中,vfbd取自输出电压反馈信号,通过与给定信号比较,输出故障信号kvexc。kvexc经过锁存后分别去shutdown电路、切除 km1电路及显示电路。为防止系统在刚刚启动时,由于输出电压的超调引起误动作,故c38取值较大,通过加大rc时间常数达到避免误动作的目的。
5.2.6 控制电源欠压保护
由于某种原因控制电源掉电或欠压时,如不及时封锁触发脉冲,有可能导致系统发生更大故障,因此增加控制电源的欠压保护。
当由于控制电源故障+15v变低,低于设定值时,输出故障信号vdis。vdis通过shutdown封锁触发脉冲。
5.3 触发电路设计
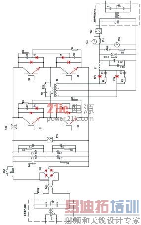
ipm的触发电路为一块单独的触发板,安装在ipm上。为了防止干扰信号及控制失误所引起的上、下桥臂同时导通,采用如图12所示的电路结构。 [p]
图中只画出了一组驱动电路,另外一组电路结构相同,只是outa与outb反接。由于稳压管d3的存在,使a、b间电压必须大于4.7v时,才能触发光耦。从而有效地去除了干扰的影响。d1和d5的存在,使两个光耦不能同时触发,因此保证了触发电路正常运行。

图10 输出过压保护电路

图11 控制电源欠压保护电路

图12 ipm脉冲触发电路
6 总结
随着电力机车技术的发展,作为机车控制电源的相控整流电源已经不能满足机车设计水平的要求,本课题旨在研究一种高频开关电源取代传统的相控整流电源,使机车的电源水平提高到一个新的水平。
参考文献
[1] 阮新波,严仰光. 直流开关电源的软开关技术. 科学出版社,2000,1
[2] unitrode application. modelling. analysis and compensation of the current-mode converter, u-97
[3] 史平君. 实用电源技术手册电源元器件分册,辽宁科技出版社,1999,1
[4] a. victor anunciada. manuel m. silva. a new current mode control process and application, ieee, power electronics, 1991,10
[5] 阮新波,严仰光. 脉宽调制dc/dc全桥变换器的软开关技术,科学出版社,1999,9
[6] jung-goo cho, member, ieee, juan a. sabate, guichao hua, member, ieee, and fred c. lee, fellow, ieee, zero-voltage and zero-current-switching full bridge pwm converter for high-power applications. ieee transactions on power electronics, july, 1996
[7] 陈治明. 电力电子器件基础,机械工业出版社,1992,10
[8] 马伟明. 电力电子系统中的电磁兼容. 武汉水利电力大学出版社,1999,8
[9] 三菱电机. 第三代igbt和智能功率模块应用手册,1996
[10] 毕大成. 电动汽车用动力铅酸蓄电池的快速充电控制策略及巡检智能监控系统的研究. 北方交通大学硕士论文,2000
[11] eun-soo kim, kee-yeon joe, moon-ho kye, yoon-ho kim, member, ieee, and byung-do yoon, an improved soft-switching pwm fb dc/dc converter for reducing conduction losses, ieee transactions on power electronics, march, 1999
[12] abraham i. pressman,switching power supply design(second edition). beijing:publishing house of electronics industry,2005
[13] matthias lüscher, thomas setz, pascal kern.applying igct gate units,abb switzerland ltd,2005
[14] thomas setz, matthias lüscher.applying igct,abb switzerland ltd,2006
[15] haachitaba mweene, donald ashleyr.topology selection of dc-dc converter for communicating power,www.ednchina.com,2004
作者简介
孙 湖 男 工程师 主要研究方向为机车电力电子,信息检测与监控系统。
射频工程师养成培训教程套装,助您快速成为一名优秀射频工程师...

