- 易迪拓培训,专注于微波、射频、天线设计工程师的培养
运算放大器的“最大电源电流” 规格
对于大多数IC(集成电路),数据手册上都会列出最大电源电流,但人们常常对其测量条件视而不见。对于某些轨到轨输出运算放大器,某些操作可能会导致电源电流比规定的最大值高出2到10倍。
本文探讨在确定最大电源电流时,需要考虑哪些方面;本文的讨论对双极性和CMOS运算放大器均适用。
几乎所有IC的数据手册都会提供保证的最大电源电流值,但该值并不能够用来计算最差情况的功耗。众所周知,CMOS数字器件的电源电流随着时钟频率的提高而提高,但模拟器件,特别是运算放大器会如何呢 可以使用电源电流加上供应给负载的电流作为最大值吗 (提示:并不尽然......)运算放大器以闭环形式工作,而比较器则以开环形式工作。虽然这一原则十分简单并且显而易见,但我们很少思考违反原则会带来什么后果。常见的问题是将运算放大器用作比较器,因为许多运算放大器的失调和噪声均非常低。当运算放大器采用±15 V电源供电,并且输入信号在±10 V范围内时,将其用作比较器有时是可行的,特别是如果增加一些正迟滞来避免振荡并加快不确定区域的过渡。但随着轨到轨输出运算放大器的出现,问题开始变得严重。参考文献(1)对输入和输出级做了很好的阐释。
历史回顾
在数字世界,NAND门、NOR门等的MIL/ANSI符号截然不同。但在模拟世界,不知是何原因,运算放大器和比较器均显示为一个带两路输入和一路输出的三角形,“这种表示方法影响深远”(2)。运算放大器用作比较器已有很长时间,关于比较器和用作比较器的运算放大器,已有许多论文做过探讨。早在1967年,当推出LM101A时,其数据手册显示的应用电路中就是用作比较器。指南MT-083 (3)对
比较器进行了比较全面的综述,包括放大器的性能指标和为何需要迟滞,但并未讨论将运算放大器用作比较器的情况。
Sylvan (4)讨论了运算放大器用作比较器时的一般考虑因素,但并未特别讨论轨到轨输出运算放大器。他确实提醒过大家应当注意输入相对于共模输入电压的差异,并涉及到差模电压的差别。Bryant (5)开宗明义:“然而,关于将运算放大器用作比较器的最佳建议非常简单——不要这样做!”,然后说明了多个需要考虑的问题,最后总结道:在某些应用中,这可能是一个正确的设计决策。Kester (6)同样反对将运算放大器用作比较器,但也勉强承认,有些情况下这可能行得通。Moghimi (7)讨论了运算放大器与比较器的区别,警告说“魔鬼就藏在细节中”,并且非常清楚地解释了输入保护二极管、反相和运放的多个其它特性,但他认为,小心处理这些细节还是可以有效地解决问题。他确实简要提及了轨到轨输出运算放大器,但未谈到电源电流。

图1. 经典双极性输出级
随着电源电压减小,用来保持较大电压摆幅的方法之一是将传统输出级变为“轨到轨”输出级。图1所示为一个经典输出级,可以称之为非轨到轨输出级,其输出只能达到正电源的1 V范围内。为了更接近供电轨,输出级晶体管变为共发射极配置,如图2所示。

图2. 双极性轨到轨输出
随着电源电压减小,用来保持较大电压摆幅的方法之一是将传统输出级变为“轨到轨”输出级。图1所示为一个经典输出级,可以称之为非轨到轨输出级,其输出只能达到正电源的1 V范围内。
为了更接近供电轨,输出级晶体管变为共发射极配置,如图2所示。“轨到轨”输出并非真正的“轨到轨”,但是可以达到距电源电压50 mV至100 mV范围内,具体取决于输出晶体管的大小和负载电流。
比较这两个输出级,有三点值得特别注意:第一,传统输出级具有电流增益、小于1的电压增益和非常低的输出阻抗。第二,轨到轨输出级是共发射极输出级,因而具有电压增益,约为gm &TImes; RL。RL由外部负载和晶体管的输出阻抗(RO)组成。当输出与供电轨相差数百毫伏以上时,RO非常大,通常可以忽略不计,但如果输出接近供电轨,则不能忽略。第三,可以将输出看作传统的双晶体管比例式电流镜,这是问题的症结所在。
在正常工作中,中间级会拉低基极-集电极节点,将更多电流驱动到负载,从而提高电压。在负反馈下,随着输出电压升高,输入级和中间级将降低驱动电流,直到闭环平衡。当用作比较器时,中间级会拉低基极-集电极节点,试图封闭环路,但由于没有反馈,它将越拉越厉害。这一额外电流找到一条路径从正电源引脚流到负电源引脚,以额外电源电流的形式出现。驱动输出级的方法有多种,而且空穴和电子的迁移率存在差异,因此电源电流的提高通常不对称。
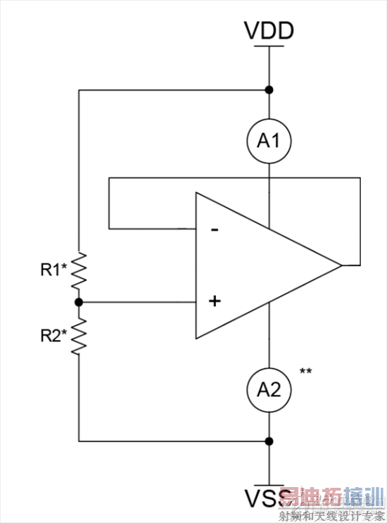
为了量化这一效应,笔者从ADI公司及三家主要模拟器件竞争厂商各获得了一个双极性运算放大器和一个CMOS运算放大器。为了进行比较,试验中还包括历史悠久的双通道运算放大器LM358(非轨到轨输出)和双通道比较器LM393。使用三个电路,测量与电源电压呈函数关系的电源电流。图3显示了用于测量电源电流的经典方法。电流表按图示进行连接,以便剔除阻性分压器的电源电流。

图3
使用两块电流表,以便确认电源电流是准确的,并且不包括通过输入引脚的任何无关电流路径。
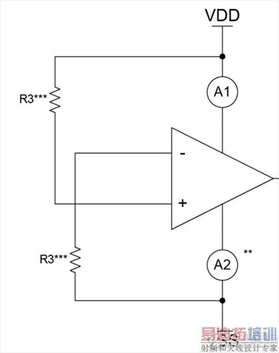
电阻值无关紧要,所选值只需确保运算放大器的输入在数据手册技术规格表规定的输入电压范围(IVR)内。要测量开环下的电源电流,例如作为比较器工作时,参见图4和图5所示。某些低噪声双极性运放的输入端之间具有二极管,用以保护差分输入对,因此“绝对最大额定值”表中规定的最大差分电压通常是±0.7 V。如果有内部串联电阻,其值通常在500 Ω到2 kΩ范围内。“绝对最大额定值”表可能将最大差分电压规定为正负电源电压,但这并不意味着器件能够在这种条件下工作。应当参考器件的简化内部原理图,如果没有提供,可以询问制造商。在这两种配置中,电阻值的选择比前一种情况略显重要。电阻值应足够低,使得差分输入电压至少为0.5 V,以保证输出被尽力驱动到供电轨,同时应足够高,不至于损坏内部二极管。所选值应将输入电流限制在1 mA以下。

图4. 比较器、低电平输出

图5. 比较器、高电平输出
表1列出了以下内容:数据手册的最大电源电流规格;在以下条件下测得的电源电流:运算放大器连接为跟随器,VIN为两个电源引脚电压的中间电压(图3);输出驱动到低电平时的电源电流(图4);输出驱动到高电平时的电源电流(图5)。
传统运算放大器和比较器
表1显示,传统器件LM358和LM393的表现一如预期。双极性轨到轨运算放大器所有双极性轨到轨输出运算放大器的电源电流都大于一个或两个比较器电路中的“最大”运放电源电流。驱动输出级的方法有多种,将输出驱动到一个或另一个供电轨时,某些方法会导致电源电流升高。由于不熟悉其它制造商产品的内部原理图,无法评论该现象。对于OP284,数据手册给出了第二级和输出级的原理示意图。参见图6。
如果VOUT被Q5/Q3/Q4驱动到高电平,电源电流将是R4和R6值的函数。这些值的选择意图是最大程度地提高运放性能并减小芯片面积,而不是为比较器考虑。当VOUT被Q6/R1/Q1驱动到低电平时,电源电流将由R1决定。同样,R1、I1等元件的值是针对运放性能来选择,而不是针对比较器性能。


图6.
CMOS轨到轨运算放大器
CMOS运算放大器有一个值得注意的行为。某些情况下,当驱动到供电轨时,电源电流实际上会下降。CMOS运算放大器的输出级由共源极PMOS和NMOS晶体管组成,增益在输出级中获得。增益为gm &TImes; RL,为了获得合理的跨导值,驱动电路将静态电流设置为某个值。当输出被驱动到供电轨时,驱动电路会降低互补晶体管上的驱动电流。根据上方晶体管到下方晶体管的传递特性,电流实际上会减小。注意,所选四个CMOS运算放大器的行为存在很大差异。
最后,为了减小芯片尺寸,降低成本,两个运算放大器可能会共享某些电路,如偏置电路和相关的动电路等。正如前面所说的(8),如果一个运算放大器超出正常工作范围,引起偏置电路失灵,则另一个运算放大器也会失灵。在电池供电的系统中,或者使用低电流串联稳压器时,应当考虑额外电源电流。电池使用寿命可能比计算结果短,稳压器可能无法在所有条件下启动,特别是在不同温度下。
提示
对于新设计,最简单的解决办法是“不要将运算放大器用作比较器”。如果必须或无意中将运算放大器用作比较器,那么:
检查数据手册,看制造商是否提供了有关用作比较器的信息。某些制造商会提供此信息(9、10)。
如果没有相关信息,询问制造商是否可以提供。
如果制造商无法提供,请使用多个日期代码的产品来对上述电路自行测量,增加50%的安全系数。
总结
当用作比较器时,轨到轨输出运算放大器具有一些独特的表现。需要比较器功能时,延长电池寿命和提高性能的最佳办法是使用低成本比较器,将任何已用的运算放大器链接为跟随器并使同向输入端等于运放输入电压范围内的某一稳定电压,或者使用单通道和双通道产品代替四通道产品。电源电流可能会大大超过数据手册规定的“最大值”。在精心考虑的条件下,未使用的运算放大器可以用作比较器,但适当地混合使用运算放大器和比较器可以降低电源电流,并获得明确定义的性能。
射频工程师养成培训教程套装,助您快速成为一名优秀射频工程师...
天线设计工程师培训课程套装,资深专家授课,让天线设计不再难...
上一篇:开关电源EMI辐射超标整改方案
下一篇:开关电源主要器件

