- 易迪拓培训,专注于微波、射频、天线设计工程师的培养
直流系统出现接地故障问题分析和总结
本文主要针对直流系统接地/绝缘故障的危害、出现原因、表现特征、处理方法、处理故障注意事项和相关防范措施,进行了综合的分析和总结,供大家参考分析,欢迎点评。
1.直流系统接地的危害
直流系统一般用于变电所控制母线、合闸母线、UPS不间断电源,也用作其他电源和逻辑控制回路。直流系统是一个绝缘系统,绝缘电阻达数十兆欧,在其正常工作时,直流系统正、负极对地绝缘电阻相等,对地电压也是相对平衡的。当发生一点接地时,其正、负极对地电压发生变化,接地极对地电压降低,非接地极电压升高,控制回路和供电可靠性会大大降低,但一般不会引发电气控制系统的次生故障。可是,当直流系统有两点或多点接地时,极易引起逻辑控制回路误动作、直流保险熔断,使保护及自动装置、控制回路失去电源,在复杂保护回路中同极两点接地,还可能将某些继电器短接,不能动作跳闸,致使越级跳闸,造成事故扩大。规程严格规定:直流系统多点同极接地,应停止直流系统一切工作,也是基于其故障性质的不确定因素。
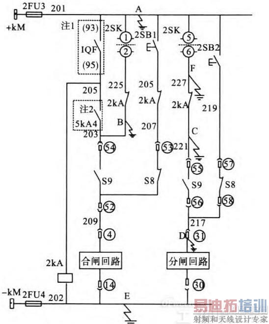
(1)直流系统正极接地的危害
当发生直流正极接地时,可能会引起保护及自动装置误动。因为一般断路器的跳合闸线圈以及继电器线圈是与负极电源接通的,如果在这些回路上再发生另一点直流接地,就可能引起误动作。

如上图所示,A、B两点发生直流接地时,相当于将外部合闸条件全部短接,从而使合闸线圈得电误动作合闸。A、C两点接地时,则外部分闸条件被短接而误动作跳闸。A、D两点,A、F两点接地,同样都能造成开关误跳闸。
(2)直流系统负极接地的危害
直流负极接地,也可能造成保护及自动装置拒绝动作。因为断路器的跳、合闸线圈以及保护继电器会在这些回路再有一点接地时,线圈被接地点短接而不能动作。同时,直流回路短路电流会使电源保险熔断,并且可能烧坏继电器接点,保险熔断会失去保护及操作电源。
如上图所示,直流接地故障发生在C、E两点,D、E两点,F、E两点接地时,分闸线圈被短接,保护动作及操作时开关拒跳。同理,两点接地开关也可能合不上,如B、E两点接地时。
直流系统接地故障,不仅对设备不利,而且对整个电力系统的安全构成威胁。因此,出现直流接地故障时,必须尽快进行查找并排除故障,避免事故扩大及造成严重后果。
2.直流系统出现接地故障的原因
按接地点所处位置的不同,可将直流接地分为室内和室外两种形式,按引起接地的原因,又可分为以下几种形式:
(1)由下雨天气引起的接地。在大雨天气,雨水飘入未密封严实的户外二次接线盒,使接线桩头和外壳导通起来,引起接地。例如瓦斯继电器不装防雨罩,雨水渗入接线盒,当积水淹没接线柱时,就会发生直流接地和误跳闸。在持续的小雨天气(如梅雨天),潮湿的空气会使户外电缆芯破损处或者黑胶布包扎处,绝缘大大降低,从而引发直流接地。
(2)由小动物破坏引起的接地。当二次接线盒(箱)密封不好时,蜜蜂会钻进盒里筑巢,巢穴将接线端子和外壳连接起来时,就引发直流接地。电缆外皮被老鼠咬破时,也容易引起直流接地。
(3)由挤压磨损引起的接地。当二次线与转动部件(如经常开关的开关柜柜门)靠在一起时,二次线绝缘皮容易受到转动部件的磨损,当其磨破时,便造成直流接地。
(4)接线松动脱落引起接地。接在断路器机构箱端子排的二次线(如10kV开关机构箱内的二次线),若螺丝未紧固,则在断路器多次跳合时接线头容易从端子中滑出,搭在铁件上引起接地。
(5)误接线引起接地。在二次接线中,电缆芯的一头接在端子上运行,另一头被误认为是备用芯或者不带电而让其裸露在铁件上,引起接地。在拆除电缆芯时,误认为电缆芯从端子排上解下来就不带电,从而不做任何绝缘包扎,当解下的电缆芯对侧还在运行时,本侧电缆芯一旦接触铁件就引发接地。
(6)插件内元件损坏引起接地。为抗干扰,插件电路设计中通常在正负极和地之间并联抗干扰电容,该电容击穿时引起直流接地。
3.直流系统接地/绝缘故障的特征
直流系统正常时,一般正负极之间电压是不变的,正、负之间的电压是220V, 正级对地为110V,负级对地为-110V,其参考电位是地电位,也就是零电位。当有直流接地发生时,正极和负极对地电压会产生不平衡,比如正极对地还在110V 左右, 如果负极接地,那么负极对地电压幅值会减小,参考电位向负级也偏移,原来是-55V 左右,现在可能变成-30V 等等甚至更小, 而正对地电压则会相应提高, 比如到80V 等。经过正规设计的直流系统中,发生一极接地,直流母线电源电压不变,这也是发生一点接地时,直流系统在短时间是可以正常工作的,不过最好查出接地点,加以消除。
4.直流系统接地/绝缘故障查找方法
(1)确认直流接地故障的真实性。
直流系统一般都有绝缘监测装置,当发生直流接地故障或直流绝缘降低时,监测装置会报警。发生直流接地故障、直流绝缘降低故障报警时,首先应排除误报警的可能,可依据上节“直流系统接地故障的特征”进行测量判断。
(2)在确有接地故障特征后,分清接地故障的极性,分析故障发生的原因。
(3)若二次回路有工作,或有设备检修试验,应立即停止。拉开其工作电源,看信号是否消除。
此处故障排查,可按先定位到总路空气开关,再定位支路空气开关的方式,用分网法缩小查找范围,将直流系统分成几个不相联系的部分进行查找。
如果绝缘监测装置有故障选线功能,可根据故障线路提示,进一步缩小故障范围。
(4)对于不太重要的直流负荷及不能转移的负荷,利用“瞬时停电”的方法,查该回路中所带负荷有无接地故障。
(5)对于重要的直流负荷,用转移负荷法,查该回路有无接地故障。
(6)查找直流系统接地故障,应随时与调度联系,并由二人及以上配合进行,其中一人操作,一人监护并监视表计指示及信号的变化。利用瞬时停电的方法选择直流接地时,应按照下列顺序进行:
①断开现场临时工作电源;
②断合事故照明回路;
③断合同信号电源;
④断合附属设备;
⑤断合充电回路;
⑥断合合闸回路;
⑦断合信号回路;
⑧断合操作回路;
⑨断合蓄电池回路。
(7)在进行上述各项检查选择后仍未查出故障点, 则应考虑同极性两点接地。当发现接地在某一回路后,有环路的应先解环,再进一步采用取保险及拆端子的办法,直至找到故障点并消除。
查找直流系统接地/绝缘故障是一个耗时费力的体力活,但根据上述查找方法,可以走很多弯路。不过直流接地/绝缘故障最苦逼的还不是耗时费力,而是故障断断续续,时有时无,这样就需要根据具体情况进行具体分析了,一般还是需要在故障集中频繁出现的时候,进行查找。
5.处理直流接地时一般注意事项
(1)禁止使用灯泡查找;
(2)发生一点接地后,原则暂停在二次回路上工作;
(3)不得造成另一点直流接地情况;
(4)使用仪表的内阻不低于2000 欧姆;
(5)采取瞬间断电法时,应当防止保护误动作,对于重合闸线路和备用自投电源要注意不能长时间断电;
(6)拆解的接头应逐一记录下来,以免恢复接头时造成接线错误。原则是谁拆解的接头,谁恢复,恢复时逐一检查记录的断点,避免遗漏接头。
6.防范直流系统接地/绝缘故障的措施
如果直流系统发生接地故障将会对电网系统的安全稳定与正常运行造成非常严重的影响,甚至套使设备在运行的过程中出现断路器的误动以及拒动或熔丝熔断等现象,因而会扩大事故的范围。因此,根据小编多年的从业经验,对直流系统接地的分类、产生的原因以及其危害进行了分析,并对直流系统接地故障的查找与排除的方法进行了探究,而在直流系统中经常套受到气候等外平自然因素的影响而出现故障,为了更好地降低故障带来的损失,对其进行提早的预防十分必要。因此,在进行日常的运行检修维护工作过程中,压采取科学合理的措施对接地故障进行预防,从而避免接地故障的发生,保证设备的安全稳定运行。
(1)对施工工艺进行规范,从根本上避免直流系统接地故障的发生,最大限度的杜绝安全隐患;
(2)在对室外端子排以及辅助开关等二次设备进行清扫的过程中,可以对停电的机套进行充分的利用;
(3)要保证断路器端子箱、断路器机构箱、隔离开关机构箱等二次电缆穿管处的封堵性完好,避免在阴雨以及大雾天气或者是工作人员的疏忽将水流八而造成的设施浸泡等问题,从而保证直流系统的安全稳定运行;
(4)对室外电缆而言,要加强对其的绝缘测试工作,及时采取相应的措施,避免直流系统接地事故的发生。
射频工程师养成培训教程套装,助您快速成为一名优秀射频工程师...

