- 易迪拓培训,专注于微波、射频、天线设计工程师的培养
高性能臭氧电源
录入:edatop.com 点击:
沿面放电陶瓷片是目前广泛使用的一种臭氧发生元件。与之配套的驱动电源普遍采用自激式电路。普通自激式电路结构简单、成本较低,但存在以下缺陷:
1)工作频率不稳定;
2)输出高频电压随输入交流电压变化。
1 负载特性
本文介绍的臭氧电源采用他激式电路,设计有EMI滤波电路、PFC电路,有过流、过热、过压保护等功能,还采用了稳压稳流措施,输出功率稳定。具有效率高、产气量高、工作稳定等特点。
沿面放电陶瓷片是利用陶瓷介质表面上的沿面放电,产生低温等离子体来实现臭氧发生功能的元件。电极分别布置在陶瓷基片的两边。当两电极间所加的高频正弦交流电压大于临界起晕电压时,在放电电极的表面上产生电晕放电。
陶瓷片在未放电时表现为纯电容性质,介质表面充电面积越大,等效电容越大。当放电时,器件表现出电阻和电容双重特性。
陶瓷片在放电时有以下两个特点。
1)供电频率相同吋,陶瓷片的放电能量和放电发光长度随两端电压峰峰值(Vpp)的增大而增加,即Vpp越大,臭氧产量越高,但是,陶瓷片放电时能量密度较高,放电越强烈,温升越高,温度的升高反过来会降低臭氧产量。另外,Vpp太高有可能使陶瓷基片击穿损坏。所以,必须将Vpp控制在一定的范围内。
2)陶瓷片的临界起晕电压是供电频率的函数,供电频率越高,临界值越低。所以,在高频的条件下陶瓷片具有更低的起始工作电压,有利于臭氧产率的提高。
陶瓷片的上述两个特性要求与其匹配的供电电源必须具备较高的工作频率和适当的Vpp,这样才能保证陶瓷片高效、可靠地工作。同时,为了使臭氧产量稳定,供电电源的输出功率应该保持恒定。
2 工作原理和单元电路.
2.1 工作原理概述
具有PFC的稳压、稳流型陶瓷片臭氧电源的原理框图如图1所示。

工频市电220V经EMI滤波后送入桥式全波整流电路,整流后进入Boost电路,在PFC电路的作用下,以临界不连续导电模式(DCM)进行工作,输出375V左右的直流稳定电压。同时使输入电流跟随输入电压正弦变化,功率因数达到0.97以上,大大减少了谐波电流对电网的污染。PFC电路还起稳压作用。
PFC电路输出的3.75V直流稳定电压,供给频率一功率变换器电路,输出20kHz左右的高频方波,经高压变压器,加到沿面放电陶瓷片臭氧发生元件。负载电容与高压变压器的漏感发生谐振,产牛峰峰值约为7kV的准正弦波高压,使氧分子电离而产生臭氧。
为了保证臭氧产量的稳定,采用了电流、电压反馈调节,以稳定输出功率。
为提高电源工作的可靠性,设计了完善的保护电路。直流电压过压保护由PFC电路完成;输出电压、电流的采样信号和机内温度信号送人保护电路与限定值进行比较,当其超限时,保护电路会及时动作,使电源停止工作。
2.2 EMI滤波器
EMI滤波电路如图2所示。在AC220V电源的输入端,接入的C1、C2、C3、LT1组成EMI滤波电路。其作用是抑制来自电网的电磁干扰,同时对电路自身产生的电磁干扰起衰减作用,防止其干扰其他用电设备。

2.3 有源PFC电路
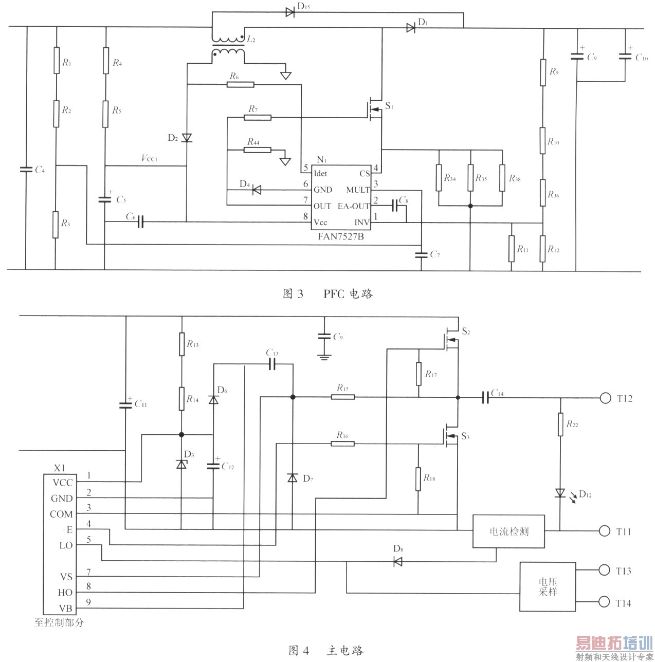
PFC电路如图3所示,采用FAN7527B作控制芯片。在输入电压为160"260V时能输出375V的稳定直流电压,使高频变压器初级电压保持不变,消除了电网电压波动对高频输出的影响。
2.4 主电路和控制电路
主电路如图4所示,采用半桥电路。控制电路包括驱动信号发生器、PI调节器及保护电路等。

驱动信号发生器采用专用芯片,外接R、C的值决定驱动信号的频率。由于陶瓷片两端所加电压的频率越高,放电电压越低,所以,该电路在供电后先输出大约5s左右的高于正常工作频率的两路驱动信号,使半桥电路工作,用于启动陶瓷片,防止陶瓷片在冷态时突然加入高压而损坏。
保护电路由电压比较器组成。在正常情况下,从外电路检测到的温度信号和电流、电压信号送入控制板上的比较电路,当检测信号未超出允许范围时,控制电路正常丁作。当检测值超出允许范围时,比较器输出的信号将使驱动信号发生器停止工作。当温度降低到允许值以下时,电路自动恢复工作。当检测到过流、过压时,电路停止工作,须重新上电才能恢复工作。
输出电流、电压的采样信号送到PI调节器,产生误差信号去控制变换器的频率,从而稳定电源的输出功率,达到稳定产气量的目的。实验证明,陶瓷片两端所加电压略高于起晕电压能提高效率和稳定性,因此,稳定工作电压和工作电流是必要的。
3 试验结果
在同等条件下,即气源为空气;流量为10L/min;负载为2片50mm x90mm陶瓷片并联;散热方式为强制风冷时,和普通自激式电源对比测试,结果如下:
1)产气量 使用该电源吋,工作稳定后臭氧产量为1.98g,使用自激式电源的产气量为1.08g;
2)产气量的稳定性 使用该电源时,开机连续工作30min后臭氧产量下降不到5%,而普通自激式电源产气量下降20%;
3)功耗 使用该电源时功耗为75W,自激式电源功耗为11OW。
4 结语
本文介绍的陶瓷片臭氧电源具备EMI滤波电路、PFC电路,可有效抑制来自电网的干扰,符合有关标准规定的交流输入电流谐波含量限制要求,功率因数大于0.97;采用了稳压稳流措施,保证臭氧产量的稳定,延长了臭氧发生元件的使用寿命;振荡电路工作在20kHz左右,臭氧产率高,效率达90%以上。对比试验表明,在同等条件下使用该电源吋臭氧产量是使用普通自激式电源的1.8倍,而功耗是自激式电源的70%。在大、中型臭氧产品中使用可降低产品成本,节省安装空间。
1)工作频率不稳定;
2)输出高频电压随输入交流电压变化。
1 负载特性
本文介绍的臭氧电源采用他激式电路,设计有EMI滤波电路、PFC电路,有过流、过热、过压保护等功能,还采用了稳压稳流措施,输出功率稳定。具有效率高、产气量高、工作稳定等特点。
沿面放电陶瓷片是利用陶瓷介质表面上的沿面放电,产生低温等离子体来实现臭氧发生功能的元件。电极分别布置在陶瓷基片的两边。当两电极间所加的高频正弦交流电压大于临界起晕电压时,在放电电极的表面上产生电晕放电。
陶瓷片在未放电时表现为纯电容性质,介质表面充电面积越大,等效电容越大。当放电时,器件表现出电阻和电容双重特性。
陶瓷片在放电时有以下两个特点。
1)供电频率相同吋,陶瓷片的放电能量和放电发光长度随两端电压峰峰值(Vpp)的增大而增加,即Vpp越大,臭氧产量越高,但是,陶瓷片放电时能量密度较高,放电越强烈,温升越高,温度的升高反过来会降低臭氧产量。另外,Vpp太高有可能使陶瓷基片击穿损坏。所以,必须将Vpp控制在一定的范围内。
2)陶瓷片的临界起晕电压是供电频率的函数,供电频率越高,临界值越低。所以,在高频的条件下陶瓷片具有更低的起始工作电压,有利于臭氧产率的提高。
陶瓷片的上述两个特性要求与其匹配的供电电源必须具备较高的工作频率和适当的Vpp,这样才能保证陶瓷片高效、可靠地工作。同时,为了使臭氧产量稳定,供电电源的输出功率应该保持恒定。
2 工作原理和单元电路.
2.1 工作原理概述
具有PFC的稳压、稳流型陶瓷片臭氧电源的原理框图如图1所示。

工频市电220V经EMI滤波后送入桥式全波整流电路,整流后进入Boost电路,在PFC电路的作用下,以临界不连续导电模式(DCM)进行工作,输出375V左右的直流稳定电压。同时使输入电流跟随输入电压正弦变化,功率因数达到0.97以上,大大减少了谐波电流对电网的污染。PFC电路还起稳压作用。
PFC电路输出的3.75V直流稳定电压,供给频率一功率变换器电路,输出20kHz左右的高频方波,经高压变压器,加到沿面放电陶瓷片臭氧发生元件。负载电容与高压变压器的漏感发生谐振,产牛峰峰值约为7kV的准正弦波高压,使氧分子电离而产生臭氧。
为了保证臭氧产量的稳定,采用了电流、电压反馈调节,以稳定输出功率。
为提高电源工作的可靠性,设计了完善的保护电路。直流电压过压保护由PFC电路完成;输出电压、电流的采样信号和机内温度信号送人保护电路与限定值进行比较,当其超限时,保护电路会及时动作,使电源停止工作。
2.2 EMI滤波器
EMI滤波电路如图2所示。在AC220V电源的输入端,接入的C1、C2、C3、LT1组成EMI滤波电路。其作用是抑制来自电网的电磁干扰,同时对电路自身产生的电磁干扰起衰减作用,防止其干扰其他用电设备。

2.3 有源PFC电路
PFC电路如图3所示,采用FAN7527B作控制芯片。在输入电压为160"260V时能输出375V的稳定直流电压,使高频变压器初级电压保持不变,消除了电网电压波动对高频输出的影响。
2.4 主电路和控制电路
主电路如图4所示,采用半桥电路。控制电路包括驱动信号发生器、PI调节器及保护电路等。

驱动信号发生器采用专用芯片,外接R、C的值决定驱动信号的频率。由于陶瓷片两端所加电压的频率越高,放电电压越低,所以,该电路在供电后先输出大约5s左右的高于正常工作频率的两路驱动信号,使半桥电路工作,用于启动陶瓷片,防止陶瓷片在冷态时突然加入高压而损坏。
保护电路由电压比较器组成。在正常情况下,从外电路检测到的温度信号和电流、电压信号送入控制板上的比较电路,当检测信号未超出允许范围时,控制电路正常丁作。当检测值超出允许范围时,比较器输出的信号将使驱动信号发生器停止工作。当温度降低到允许值以下时,电路自动恢复工作。当检测到过流、过压时,电路停止工作,须重新上电才能恢复工作。
输出电流、电压的采样信号送到PI调节器,产生误差信号去控制变换器的频率,从而稳定电源的输出功率,达到稳定产气量的目的。实验证明,陶瓷片两端所加电压略高于起晕电压能提高效率和稳定性,因此,稳定工作电压和工作电流是必要的。
3 试验结果
在同等条件下,即气源为空气;流量为10L/min;负载为2片50mm x90mm陶瓷片并联;散热方式为强制风冷时,和普通自激式电源对比测试,结果如下:
1)产气量 使用该电源吋,工作稳定后臭氧产量为1.98g,使用自激式电源的产气量为1.08g;
2)产气量的稳定性 使用该电源时,开机连续工作30min后臭氧产量下降不到5%,而普通自激式电源产气量下降20%;
3)功耗 使用该电源时功耗为75W,自激式电源功耗为11OW。
4 结语
本文介绍的陶瓷片臭氧电源具备EMI滤波电路、PFC电路,可有效抑制来自电网的干扰,符合有关标准规定的交流输入电流谐波含量限制要求,功率因数大于0.97;采用了稳压稳流措施,保证臭氧产量的稳定,延长了臭氧发生元件的使用寿命;振荡电路工作在20kHz左右,臭氧产率高,效率达90%以上。对比试验表明,在同等条件下使用该电源吋臭氧产量是使用普通自激式电源的1.8倍,而功耗是自激式电源的70%。在大、中型臭氧产品中使用可降低产品成本,节省安装空间。
射频工程师养成培训教程套装,助您快速成为一名优秀射频工程师...
天线设计工程师培训课程套装,资深专家授课,让天线设计不再难...
上一篇:直流电源现场检测系统的开发与应用
下一篇:正负脉冲充电器
射频和天线工程师培训课程详情>>

