- 易迪拓培训,专注于微波、射频、天线设计工程师的培养
正负脉冲充电器
录入:edatop.com 点击:
近年来,铅酸蓄电池由于其制造成本低、容量大,价格低廉而受到了广泛的使用。但若使用不当,其寿命将大大缩短,影响铅酸蓄电池寿命的因素很多,充电方式就是其中一个主要因素。随着人们对快速充电理论的研究不断深入,电力电子技术应用的日益广泛,铅酸蓄电池快速充电技术也有了进一步改进及进入实用阶段的条件和可能。这里所介绍的铅酸蓄电池快速充电电路以马斯三定律为理论基础,一方面加快了蓄电池的化学反应速度,缩短蓄电池达到满充状态的时间,提高了充电速度;另一方面保证了蓄电池负极能及时的吸收正极所产生的氧气,避免了电池的极化现象。较好地实现了铅酸蓄电池的快速充电与去除极化,延长了电池的使用寿命。
快速充电原理
理论和实践证明蓄电池的充放电是一个复杂的电化学过程,一般来说充电电流在充电过程中随时间呈指数规律下降,不可能自动按恒流或者恒压充电。而且充电过程中影响充电的因素很多,电解液浓度、极板活性物的浓度和环境温度等的不同都会使充电产生很大的差异。而且随着放电状态、使用和保存期的不同,即使相同型号容量的同类电池的充电也大不一样。1972年,美国科学家马斯在第二届世界电动汽车年会上提出了著名的马斯三定律,根据马斯三定律,如图1所示,我们可以知道在充电过程中,当充电电流接近蓄电池固有的微量析气充电曲线时,适时地对电池进行反向大电流瞬间放电,能够除去正极板上的气体,并使氧气在负极板上被吸收,从而解决了电池在快速充电过程中的极化问题,这个过程还可以降低电池内部压力、温度、阻抗,减少能量的损耗,使电能更有效地转化为化学能并存储起来,提高了充电效率和蓄电池的充电接受能力,从而大大提高充电速度,缩短充电时间。
图1
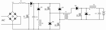
主电路设计
电路的总体结构如图2所示,可分为四个部分:功率因数校正部分(PFC)、双正激变换充电部分、放电部分以及能量回馈部分。功率因数校正部分由L1、Q1、C1、D1组成;双正激变换充电部分由C1、Q3、Q4、D3、D4、D5、D6、T1以及T2组成;放电部分则由Q2、T2组成;T2、D2和C1构成了能量反馈部分。

图2
传统DC-DC充电电路一般由交流市电整流和大电容滤波后得到较为平滑的直流电压,由于滤波电容的储能作用使得输入电流为一个时间很短、峰值很高的周期性尖峰电流,含有丰富的高次谐波分量,严重污染了电网。电路引入Boost型功率因数有源校正电路使得输入电流和输入电压为同频同相正弦波,大大提高了功率因数。Boost有源功率因数校正电路输入电流连续,EMI小,RFI低,输入电感可以减小对输入滤波器的要求,并可防止电网对主电路高频瞬态冲击。充电部分采用的是双正激变换电路,电路中Q3和Q4同时导通或同时截至,每个mos管承受的电压均为输入电压的一半。

图3 充放电波形
充放电波形如图3所示,脉冲充电时工作状态分析如下:
(1)t1-t2时刻,此时处于充电状态下,当Q3、Q4导通时电容电压加到变压器两端,变压器T1产生电流并储存能量,由于变压器初次级同相所以T1次级感应的电压通过正偏的D5给电池充电并把部分能量储存到T2中,此时充电电流逐渐上升。当Q3、Q4截止时变压器T1的储能由D3和D4反馈至C1,T2中储存的能量通过D6继续向电池释放,充电电流下降。
(2)t2-t3时刻,Q3和Q4保持截止,T2中储存的能量向蓄电池放电,直到充电电流下降为零。
(3)t3-t4时刻,在t3时刻Q2导通,电池开始向T2放电,并在T2中储存能量,放电电流快速上升,当Q2截止时,T2储能通过D2向电容C1释放,这样就实现了能量的回馈,节约了能源。
(4)t4-t5时刻,Q2保持关断,放电电流下降至零,在这个阶段电池既不充电也不放电,直到t5时间开始下一个充放电周期。
控制电路
设计控制电路分为功率因数校正部分控制电路和充放电部分控制电路两个部分:
(1)功率因数校正部分控制芯片采用UC3854A/B,UC3854A/B是一种新的高功率因数校正集成控制电路芯片,它是在UC3854芯片基础上的一种改进设计。采用平均电流控制方法,恒频控制,电流放大器的频带较宽。它可以完成升压变换器校正功率因数所需的全部控制功能,使功率因数接近于1,输入电流波形失真小于3 %。控制精度很高,开关噪声较低,芯片内部包括了软启动、输入电压前馈、输入电压钳位、过流保护的比较器等。当输入电压在85"260V 之间变化时,输出电压还可保持稳定。采用推拉输出级,具有很强的驱动能力。
芯片的控制原理是:电容C1两端电压输入到芯片11脚与内部7.5V电压源比较后经放大器放大输入到内部乘法器中。整流器输出电压经电阻分压后通过8脚经平方运算后输入到芯片的内部乘法器中。整流器输出电流取样信号经芯片的6脚输入到内部乘法器中。电流采样信号输入到4脚和5脚。乘法器的输出和电流采样信号比较后经芯片内部的电流误差放大器加到触发器的复位端,控制Q3和Q4的开通关断,实现电压和电流的同步,提高了功率因数。校正后的电压V1和电流IL1波形如图4所示。

图4
(2)充放电控制电路系统采用的是PIC16C72芯片,PIC 8位微控制器系列采用精简指令集计算机结构,具有速度高、工作电压低、功耗低、输入输出直接驱动能力大、一次性编程等优点。指令系统除程序分支指令是单字节双周期指令外,其他均为单周期、单字节指令,在这些指令中没有功能交叉的指令,使所有指令具有简洁性,单宽字指令提高了软件编码效率和减少了所需要的程序存储单元,使系统具有最高处理效率和突出性能。由于所用指令数较少和较简洁,编程和调试任务更加容易。
原理图如图5所示,因为PIC16C72芯片的RA口可做A/D口使用,所以充电电压由分压精密电阻取得,经过相应的放大直接送至单片机的RA1口,充电电流也经过精密电阻采样后经运算放大器放大,然后直接送至单片机的RA2口,蓄电池温度经过温度传感器转换为电压信号后,也将相应的电压量送至单片机的RA3口。RB0-RB2口外接驱动电路并经过光耦隔离接到mos管门极驱动Q2、Q3和Q4,控制充放电脉冲。RB2-RB7口外接键盘电路,接收控制指令。RC口用来驱动LED发光二极管显示不同的充电状态。

图5 PIC控制电路
PIC单片机软件部分的功能是通过对蓄电池状态的检测,使充电转入不同的充电阶段。实现各个不同阶段的充电或暂停充电和终止充电的控制,并显示充电器当前状态。充电分为三个阶段:第一阶段,通过采集电池电压,判断电池电压低于快充门槛电压Vg时采用小电流恒流充电,这样可以避免电池深度放电时马上开始快充对电池造成的损害;第二阶段,当采集到的电池端电压大于Vg时采用正负脉冲充电方式,短时间充入大量电能,电池绝大部分能量都是在这个阶段充入的;第三阶段,当电池电压升至补足充电电压阈值时,转入补充阶段,此阶段采用恒压充电方式,充电电流逐渐减小,直到充电结束。
结语
此文介绍的正负脉冲充电电路,采用先进的正负脉冲快速充电技术,缩短了充电时间,采用的功率因数校正电路大大改善了充电器的功率因数,主电路采用双正激变换器的形式,有MOS管分压低,驱动电路简单等优点。同时,PIC单片机控制电路也具有良好的响应速度和控制精度。
试验表明,这种新型的快速充电电路性能好,功率因数得到明显改善,大大缩短了蓄电池的充电时间,提高了蓄电池的实时应用性能,采用负脉冲去极化消除蓄电池过充电,有效地保证了蓄电池的使用寿命,应用前景非常广阔。
快速充电原理
理论和实践证明蓄电池的充放电是一个复杂的电化学过程,一般来说充电电流在充电过程中随时间呈指数规律下降,不可能自动按恒流或者恒压充电。而且充电过程中影响充电的因素很多,电解液浓度、极板活性物的浓度和环境温度等的不同都会使充电产生很大的差异。而且随着放电状态、使用和保存期的不同,即使相同型号容量的同类电池的充电也大不一样。1972年,美国科学家马斯在第二届世界电动汽车年会上提出了著名的马斯三定律,根据马斯三定律,如图1所示,我们可以知道在充电过程中,当充电电流接近蓄电池固有的微量析气充电曲线时,适时地对电池进行反向大电流瞬间放电,能够除去正极板上的气体,并使氧气在负极板上被吸收,从而解决了电池在快速充电过程中的极化问题,这个过程还可以降低电池内部压力、温度、阻抗,减少能量的损耗,使电能更有效地转化为化学能并存储起来,提高了充电效率和蓄电池的充电接受能力,从而大大提高充电速度,缩短充电时间。
图1
主电路设计
电路的总体结构如图2所示,可分为四个部分:功率因数校正部分(PFC)、双正激变换充电部分、放电部分以及能量回馈部分。功率因数校正部分由L1、Q1、C1、D1组成;双正激变换充电部分由C1、Q3、Q4、D3、D4、D5、D6、T1以及T2组成;放电部分则由Q2、T2组成;T2、D2和C1构成了能量反馈部分。

图2
传统DC-DC充电电路一般由交流市电整流和大电容滤波后得到较为平滑的直流电压,由于滤波电容的储能作用使得输入电流为一个时间很短、峰值很高的周期性尖峰电流,含有丰富的高次谐波分量,严重污染了电网。电路引入Boost型功率因数有源校正电路使得输入电流和输入电压为同频同相正弦波,大大提高了功率因数。Boost有源功率因数校正电路输入电流连续,EMI小,RFI低,输入电感可以减小对输入滤波器的要求,并可防止电网对主电路高频瞬态冲击。充电部分采用的是双正激变换电路,电路中Q3和Q4同时导通或同时截至,每个mos管承受的电压均为输入电压的一半。

图3 充放电波形
充放电波形如图3所示,脉冲充电时工作状态分析如下:
(1)t1-t2时刻,此时处于充电状态下,当Q3、Q4导通时电容电压加到变压器两端,变压器T1产生电流并储存能量,由于变压器初次级同相所以T1次级感应的电压通过正偏的D5给电池充电并把部分能量储存到T2中,此时充电电流逐渐上升。当Q3、Q4截止时变压器T1的储能由D3和D4反馈至C1,T2中储存的能量通过D6继续向电池释放,充电电流下降。
(2)t2-t3时刻,Q3和Q4保持截止,T2中储存的能量向蓄电池放电,直到充电电流下降为零。
(3)t3-t4时刻,在t3时刻Q2导通,电池开始向T2放电,并在T2中储存能量,放电电流快速上升,当Q2截止时,T2储能通过D2向电容C1释放,这样就实现了能量的回馈,节约了能源。
(4)t4-t5时刻,Q2保持关断,放电电流下降至零,在这个阶段电池既不充电也不放电,直到t5时间开始下一个充放电周期。
控制电路
设计控制电路分为功率因数校正部分控制电路和充放电部分控制电路两个部分:
(1)功率因数校正部分控制芯片采用UC3854A/B,UC3854A/B是一种新的高功率因数校正集成控制电路芯片,它是在UC3854芯片基础上的一种改进设计。采用平均电流控制方法,恒频控制,电流放大器的频带较宽。它可以完成升压变换器校正功率因数所需的全部控制功能,使功率因数接近于1,输入电流波形失真小于3 %。控制精度很高,开关噪声较低,芯片内部包括了软启动、输入电压前馈、输入电压钳位、过流保护的比较器等。当输入电压在85"260V 之间变化时,输出电压还可保持稳定。采用推拉输出级,具有很强的驱动能力。
芯片的控制原理是:电容C1两端电压输入到芯片11脚与内部7.5V电压源比较后经放大器放大输入到内部乘法器中。整流器输出电压经电阻分压后通过8脚经平方运算后输入到芯片的内部乘法器中。整流器输出电流取样信号经芯片的6脚输入到内部乘法器中。电流采样信号输入到4脚和5脚。乘法器的输出和电流采样信号比较后经芯片内部的电流误差放大器加到触发器的复位端,控制Q3和Q4的开通关断,实现电压和电流的同步,提高了功率因数。校正后的电压V1和电流IL1波形如图4所示。

图4
(2)充放电控制电路系统采用的是PIC16C72芯片,PIC 8位微控制器系列采用精简指令集计算机结构,具有速度高、工作电压低、功耗低、输入输出直接驱动能力大、一次性编程等优点。指令系统除程序分支指令是单字节双周期指令外,其他均为单周期、单字节指令,在这些指令中没有功能交叉的指令,使所有指令具有简洁性,单宽字指令提高了软件编码效率和减少了所需要的程序存储单元,使系统具有最高处理效率和突出性能。由于所用指令数较少和较简洁,编程和调试任务更加容易。
原理图如图5所示,因为PIC16C72芯片的RA口可做A/D口使用,所以充电电压由分压精密电阻取得,经过相应的放大直接送至单片机的RA1口,充电电流也经过精密电阻采样后经运算放大器放大,然后直接送至单片机的RA2口,蓄电池温度经过温度传感器转换为电压信号后,也将相应的电压量送至单片机的RA3口。RB0-RB2口外接驱动电路并经过光耦隔离接到mos管门极驱动Q2、Q3和Q4,控制充放电脉冲。RB2-RB7口外接键盘电路,接收控制指令。RC口用来驱动LED发光二极管显示不同的充电状态。

图5 PIC控制电路
PIC单片机软件部分的功能是通过对蓄电池状态的检测,使充电转入不同的充电阶段。实现各个不同阶段的充电或暂停充电和终止充电的控制,并显示充电器当前状态。充电分为三个阶段:第一阶段,通过采集电池电压,判断电池电压低于快充门槛电压Vg时采用小电流恒流充电,这样可以避免电池深度放电时马上开始快充对电池造成的损害;第二阶段,当采集到的电池端电压大于Vg时采用正负脉冲充电方式,短时间充入大量电能,电池绝大部分能量都是在这个阶段充入的;第三阶段,当电池电压升至补足充电电压阈值时,转入补充阶段,此阶段采用恒压充电方式,充电电流逐渐减小,直到充电结束。
结语
此文介绍的正负脉冲充电电路,采用先进的正负脉冲快速充电技术,缩短了充电时间,采用的功率因数校正电路大大改善了充电器的功率因数,主电路采用双正激变换器的形式,有MOS管分压低,驱动电路简单等优点。同时,PIC单片机控制电路也具有良好的响应速度和控制精度。
试验表明,这种新型的快速充电电路性能好,功率因数得到明显改善,大大缩短了蓄电池的充电时间,提高了蓄电池的实时应用性能,采用负脉冲去极化消除蓄电池过充电,有效地保证了蓄电池的使用寿命,应用前景非常广阔。
射频工程师养成培训教程套装,助您快速成为一名优秀射频工程师...
天线设计工程师培训课程套装,资深专家授课,让天线设计不再难...
上一篇:高性能臭氧电源
下一篇:开关电源的原理和发展趋势
射频和天线工程师培训课程详情>>

