- 易迪拓培训,专注于微波、射频、天线设计工程师的培养
基于TPS759XX 多片信号处理系统的电源设计
录入:edatop.com 点击:
1 引言
在大型的通信信号处理系统和雷达信号处理系统中,随着器件的规模不断扩大,对电源的性能和功率及其外围滤波电路的要求也越来越高,电源设计对于一个系统的能否正常工作起着至关重要的作用。
在实际应用中,通常利用线性电源或者开关电源给整个系统供电,而对于每一块独立的电路板上的每一个集成芯片则需要DC-DC电压调节器分别调节后供电。其中线性调节器的输入电流接近于输出电流,它的效率(输出功率/输入功率)接近于输出/输入电压比。因此,压差是一个非常重要的性能,因为更低的压差意味着更高的效率。LDO(LowDropout)线性电压调节器的低压差特性有利于改善电路的总体效率,这里所介绍的TPS759XX就是LDO线性电压调节器。
2 TPS759XX系列电压调节器概述
TPS759XX系列是TI公司专门为DSP、ASIC和FPGA等多芯片系统供电而设计的LDO线性稳压器,图1是电路简化原理框图。TPS759XX共有5个引脚,VIN是输入电压,VOUT是输出电压,FB是电阻配置引脚,GND是数字地,EN是调压使能引脚。

图1TPS759XX系列电压调节器原理图
TPS759XX系列电压调节器的主要特性如下:
(1)最大输出电流7.5A,是TI公司TPS系列线性电源输出电流最大之一,因此特别适用于ADSP这类需要大电流驱动的芯片。
(2)可以提供固定1.5V、1.8V、2.5V、3.3V等典型电压,对于特殊的电压要求情况下,输出可调节(TPS75901),可以通过串联适当阻值的电阻来获得需要的电压值。
(3)可快速响应线性电压和负载电流的瞬态变化,在某些应用中,通常要求DSP、MPU、MCU和PLD必须迅速从省电的睡眠和待机状态进入全工作模式。该系列LDO足以满足上述应用的需要。
(4)Dropout电压很低,大约几百毫伏,输出电流成正比。静态电流很低,而且与输出负载无关。(5)推荐工作条件是输入电压为2.8"5.5V,输出电压为1.22"5V,输出电流为0"7.5A,工作温度TJ保证在-40"125℃范围内。
3 信号处理系统的板级电源设计
设计中的信号处理系统电路板由外部统一提供5V和3.3V直流电源,电路板上的主要集成芯片包括1片CPLD/FPGA,5片DSP芯片,1片A/D和1片D/A转换芯片,时钟晶振及时钟驱动和输出驱动等。对于5V和3.3V模拟电压和数字电压直接由板外部供给;而对于CPLD/FPGA和DSP通常有一种以上的供电要求。采用Altera公司的FPGAEP1K100,它的输入输出供电电压是3.3V,内核供电电压为2.5V,总负载电流小于1A;采用AD公司的DSP芯片ADSPTS101,其供电电压和电流的要求见表1,有至少两种的电源要求。在选择电压调节器时一定要知道输出电压和最大负载电流,多芯片系统中,由于所需驱动电流较大,因此只有TPS759XX这类大电流输出电压调节器能满足要求。对于具有5片DSP芯片的系统,当DSP满负荷工作时的电流约为6.1A。考虑信号处理系统所需,通过电压调节器变压得到的电压应是2.5V和1.2V,总负载电流小于7.5A,一片TPS75901(或者TPS75925)就可以满足需要。若总负载电流大于7.5A时要增加TPS759XX,否则将影响芯片的正常工作。

4 信号处理系统中TPS759XX应用配置考虑
4.1 对于输出电压可调节情况的电阻配置
对于固定输出的TPS75915(VO=1.5V)、TPS75918(VO=1.8V)、TPS75925(VO=2.5)、TPS75933(VO=3.3)不需要配置电阻,对于输出可调节的TPS75901则需要配置外部电阻来得到需要的输出电压。图2所示是TPS95901典型应用电路。

图2TPS75901电压调节器典型应用电路
输出固定情况下,FB(PG)引脚用于指示输出电压的状态。输出可调节情况下,FB引脚用于电压反馈输入引脚,在VO和FB之间配置电阻可以获得所需电压。输出电压利用下式计算:VO=Vref(1+R1/R2)这里内部参考电压Vref=1.224V。选择电阻R1和R2应该保证分压电流大约40μA。推荐选择R2=30.1kΩ,R1根据输出电压的给定值来确定。R1的取值可由下面的式子计算而得:R1=(VO/Vref-2)R2。
4.2 滤波电容
为了保证输入的稳定性,在输入电压和地之间要连接瓷片电容(0.22"1μF),并且要尽量靠近输入电压引脚安装。由于电源本身存在阻抗,会引起输入电压下降,当降到一定程度,TPS759XX将停止工作,因此最好和瓷片电容并联一大电解电容,电容值的范围为47"1000μF。
5 信号处理系统PCB板电源设计考虑
所有的集成电路都有一个最大允许的节点温度,超过运行节点温度,器件将不能正常工作,LDO线性电压调节器也不例外。系统设计者必须考虑运行环境使运行节点温度不超过最大运行节点温度。通常情况下,线性调节器的最大功率可以通过以下的公式计算出来:
PDmax=(VI(avg)-VO(avg))IO(avg)+VI(avg)×I(Q)(1)
式中:
VI(avg)为平均输入电压;
VO(avg)为平均输出电压;
IO(avg)为平均输出电流;
I(Q)为静态电流
对于大部分TI的LDO调节器,与平均输出电流相比,静态电流可以忽略。因此式(1)的后一项可以忽略。运行节点温度等于环境温度与调节器功耗引起的温度增加之和。温度增加可以由下面的公式计算而得。公式如下:
TR=PDmax×(RJC+RCS+RSA)(2)
TJ=TA+TR(3)
式中:TA为环境温度;TR为调节器功耗引起的温度增加;TJ为工作温度式(2)中(RJC+RCS+RSA)项与封装形式和散热器有关。工作温度TJ要限制在-40"+125℃范围内,因此散热问题必须考虑。TPS759xx系列有两种封装形式。对于TO-220封装形式,通过打孔和贴装散热片提供了一种有效的散热方式;对于TO-263封装形式,通过增大引脚的敷铜面积散热效果好。一种通过增大引脚敷铜面积散热的封装示意图如图3所示。

图3 参考封装
在进行PCB板设计过程中,电源要单独置于一层,电源层应采用电源分割的形式,每个芯片每种电源分别分割成不同的电源块,电流流入处要放置大的过孔,且大面积敷铜。电源分割宽度和所置过孔的规格应根据电流的大小来确定,表2中所示是标准条件下,安全工作载流量对照表。

已知敷铜厚度的情况下,可以计算出对应电流的分割宽度或者孔径及孔数目,根据计算结果分割和打过孔。例如,设敷铜厚度h=0.04mm,电流I=3A,计算分割宽度w。根据表2中的数据,对应截面积应该是0.14mm2,则w=0.14/0.04=3.5mm,电源分割时的最小宽度应大于此值。
6 信号处理系统的供电系统实现
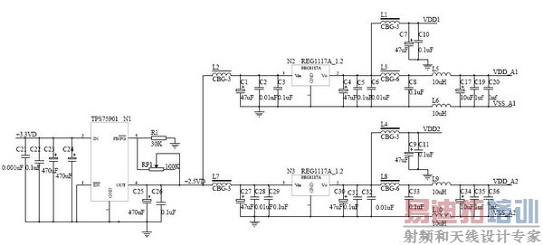
对于压差较小的情况,可以一次降压,降到所要求的电压,比如由3.3V降到2.5V,这种情况相对简单,只需配置适当的输入输出滤波网络即可;对于压差较大的情况,可以采用分级降压的方式,这种方式可以减小电流损耗,提高调节器的工作效率,同时避免功率过高引起调节器温度过高。图4所示是信号处理系统板级供电电源实现框图。图5是实现电路图。

图4 信号处理系统板级供电电源实现框图
对于多芯片系统,最好采用各个芯片分别供电的方式,第一级可以采用TPS75901或者TPS75925,电压由3.3V降到2.5V,为了说明电阻配置方法,这里采用TPS75901,为了保证精度,用一个固定电阻R1和一个可变电阻RP1通过适当调节得到2.5V,根据前面所述计算方法,可变电阻应调节到61.479kΩ。第二级根据板上芯片的多少,配以对应数量的小电流调节器REG1117A分别降压到1.2V,5片ADSP要用到5片REG1117A,由于篇幅所限,图中只给出2片的情况,其余相同。输出的1.2V再通过不同的滤波网络为DSP提供1.2V的模拟电源和数字电源。滤波电容的配置电路图中已详细给出,PCB设计时每个电源引脚附近还要放置去耦电容。图中供电系统的实现方法在实际应用中性能良好。

图5 信号处理系统板级供电电源参考电路图
在大型的通信信号处理系统和雷达信号处理系统中,随着器件的规模不断扩大,对电源的性能和功率及其外围滤波电路的要求也越来越高,电源设计对于一个系统的能否正常工作起着至关重要的作用。
在实际应用中,通常利用线性电源或者开关电源给整个系统供电,而对于每一块独立的电路板上的每一个集成芯片则需要DC-DC电压调节器分别调节后供电。其中线性调节器的输入电流接近于输出电流,它的效率(输出功率/输入功率)接近于输出/输入电压比。因此,压差是一个非常重要的性能,因为更低的压差意味着更高的效率。LDO(LowDropout)线性电压调节器的低压差特性有利于改善电路的总体效率,这里所介绍的TPS759XX就是LDO线性电压调节器。
2 TPS759XX系列电压调节器概述
TPS759XX系列是TI公司专门为DSP、ASIC和FPGA等多芯片系统供电而设计的LDO线性稳压器,图1是电路简化原理框图。TPS759XX共有5个引脚,VIN是输入电压,VOUT是输出电压,FB是电阻配置引脚,GND是数字地,EN是调压使能引脚。

图1TPS759XX系列电压调节器原理图
TPS759XX系列电压调节器的主要特性如下:
(1)最大输出电流7.5A,是TI公司TPS系列线性电源输出电流最大之一,因此特别适用于ADSP这类需要大电流驱动的芯片。
(2)可以提供固定1.5V、1.8V、2.5V、3.3V等典型电压,对于特殊的电压要求情况下,输出可调节(TPS75901),可以通过串联适当阻值的电阻来获得需要的电压值。
(3)可快速响应线性电压和负载电流的瞬态变化,在某些应用中,通常要求DSP、MPU、MCU和PLD必须迅速从省电的睡眠和待机状态进入全工作模式。该系列LDO足以满足上述应用的需要。
(4)Dropout电压很低,大约几百毫伏,输出电流成正比。静态电流很低,而且与输出负载无关。(5)推荐工作条件是输入电压为2.8"5.5V,输出电压为1.22"5V,输出电流为0"7.5A,工作温度TJ保证在-40"125℃范围内。
3 信号处理系统的板级电源设计
设计中的信号处理系统电路板由外部统一提供5V和3.3V直流电源,电路板上的主要集成芯片包括1片CPLD/FPGA,5片DSP芯片,1片A/D和1片D/A转换芯片,时钟晶振及时钟驱动和输出驱动等。对于5V和3.3V模拟电压和数字电压直接由板外部供给;而对于CPLD/FPGA和DSP通常有一种以上的供电要求。采用Altera公司的FPGAEP1K100,它的输入输出供电电压是3.3V,内核供电电压为2.5V,总负载电流小于1A;采用AD公司的DSP芯片ADSPTS101,其供电电压和电流的要求见表1,有至少两种的电源要求。在选择电压调节器时一定要知道输出电压和最大负载电流,多芯片系统中,由于所需驱动电流较大,因此只有TPS759XX这类大电流输出电压调节器能满足要求。对于具有5片DSP芯片的系统,当DSP满负荷工作时的电流约为6.1A。考虑信号处理系统所需,通过电压调节器变压得到的电压应是2.5V和1.2V,总负载电流小于7.5A,一片TPS75901(或者TPS75925)就可以满足需要。若总负载电流大于7.5A时要增加TPS759XX,否则将影响芯片的正常工作。

4 信号处理系统中TPS759XX应用配置考虑
4.1 对于输出电压可调节情况的电阻配置
对于固定输出的TPS75915(VO=1.5V)、TPS75918(VO=1.8V)、TPS75925(VO=2.5)、TPS75933(VO=3.3)不需要配置电阻,对于输出可调节的TPS75901则需要配置外部电阻来得到需要的输出电压。图2所示是TPS95901典型应用电路。

图2TPS75901电压调节器典型应用电路
输出固定情况下,FB(PG)引脚用于指示输出电压的状态。输出可调节情况下,FB引脚用于电压反馈输入引脚,在VO和FB之间配置电阻可以获得所需电压。输出电压利用下式计算:VO=Vref(1+R1/R2)这里内部参考电压Vref=1.224V。选择电阻R1和R2应该保证分压电流大约40μA。推荐选择R2=30.1kΩ,R1根据输出电压的给定值来确定。R1的取值可由下面的式子计算而得:R1=(VO/Vref-2)R2。
4.2 滤波电容
为了保证输入的稳定性,在输入电压和地之间要连接瓷片电容(0.22"1μF),并且要尽量靠近输入电压引脚安装。由于电源本身存在阻抗,会引起输入电压下降,当降到一定程度,TPS759XX将停止工作,因此最好和瓷片电容并联一大电解电容,电容值的范围为47"1000μF。
5 信号处理系统PCB板电源设计考虑
所有的集成电路都有一个最大允许的节点温度,超过运行节点温度,器件将不能正常工作,LDO线性电压调节器也不例外。系统设计者必须考虑运行环境使运行节点温度不超过最大运行节点温度。通常情况下,线性调节器的最大功率可以通过以下的公式计算出来:
PDmax=(VI(avg)-VO(avg))IO(avg)+VI(avg)×I(Q)(1)
式中:
VI(avg)为平均输入电压;
VO(avg)为平均输出电压;
IO(avg)为平均输出电流;
I(Q)为静态电流
对于大部分TI的LDO调节器,与平均输出电流相比,静态电流可以忽略。因此式(1)的后一项可以忽略。运行节点温度等于环境温度与调节器功耗引起的温度增加之和。温度增加可以由下面的公式计算而得。公式如下:
TR=PDmax×(RJC+RCS+RSA)(2)
TJ=TA+TR(3)
式中:TA为环境温度;TR为调节器功耗引起的温度增加;TJ为工作温度式(2)中(RJC+RCS+RSA)项与封装形式和散热器有关。工作温度TJ要限制在-40"+125℃范围内,因此散热问题必须考虑。TPS759xx系列有两种封装形式。对于TO-220封装形式,通过打孔和贴装散热片提供了一种有效的散热方式;对于TO-263封装形式,通过增大引脚的敷铜面积散热效果好。一种通过增大引脚敷铜面积散热的封装示意图如图3所示。

图3 参考封装
在进行PCB板设计过程中,电源要单独置于一层,电源层应采用电源分割的形式,每个芯片每种电源分别分割成不同的电源块,电流流入处要放置大的过孔,且大面积敷铜。电源分割宽度和所置过孔的规格应根据电流的大小来确定,表2中所示是标准条件下,安全工作载流量对照表。

已知敷铜厚度的情况下,可以计算出对应电流的分割宽度或者孔径及孔数目,根据计算结果分割和打过孔。例如,设敷铜厚度h=0.04mm,电流I=3A,计算分割宽度w。根据表2中的数据,对应截面积应该是0.14mm2,则w=0.14/0.04=3.5mm,电源分割时的最小宽度应大于此值。
6 信号处理系统的供电系统实现
对于压差较小的情况,可以一次降压,降到所要求的电压,比如由3.3V降到2.5V,这种情况相对简单,只需配置适当的输入输出滤波网络即可;对于压差较大的情况,可以采用分级降压的方式,这种方式可以减小电流损耗,提高调节器的工作效率,同时避免功率过高引起调节器温度过高。图4所示是信号处理系统板级供电电源实现框图。图5是实现电路图。

图4 信号处理系统板级供电电源实现框图
对于多芯片系统,最好采用各个芯片分别供电的方式,第一级可以采用TPS75901或者TPS75925,电压由3.3V降到2.5V,为了说明电阻配置方法,这里采用TPS75901,为了保证精度,用一个固定电阻R1和一个可变电阻RP1通过适当调节得到2.5V,根据前面所述计算方法,可变电阻应调节到61.479kΩ。第二级根据板上芯片的多少,配以对应数量的小电流调节器REG1117A分别降压到1.2V,5片ADSP要用到5片REG1117A,由于篇幅所限,图中只给出2片的情况,其余相同。输出的1.2V再通过不同的滤波网络为DSP提供1.2V的模拟电源和数字电源。滤波电容的配置电路图中已详细给出,PCB设计时每个电源引脚附近还要放置去耦电容。图中供电系统的实现方法在实际应用中性能良好。

图5 信号处理系统板级供电电源参考电路图
射频工程师养成培训教程套装,助您快速成为一名优秀射频工程师...
天线设计工程师培训课程套装,资深专家授课,让天线设计不再难...
上一篇:关于工频功率电源信号发生电路的实现
下一篇:一种DC-DC芯片内建可测性设计
射频和天线工程师培训课程详情>>

